Removal of organic dyes from aqueous solutions using a graphene-containing sorbent based on activated rapeseed biochar: kinetics and isotherms
- Authors: Timirgaliev A.N.1, Burakova I.V.1, Rybakova S.O.1, Ananyeva O.A.1, Yarkin V.O.1, Kuznetsova T.S.1, Kadum A.H.1, Burakov A.E.1
-
Affiliations:
- Tambov State Technical University
- Issue: Vol 9, No 3 (2024)
- Pages: 177-187
- Section: Original papers
- URL: https://bakhtiniada.ru/2782-2192/article/view/278740
- DOI: https://doi.org/10.17277/jamt.2024.03.pp.177-187
- ID: 278740
Cite item
Full Text
Abstract
The paper deals with the development of a graphene-containing sorbent material based on activated rapeseed biochar. The physicochemical properties of the sorbent and features of its morphological structure were determined. The nanocomposite was found to have amorphous properties with a graphene-like structure. The morphological analysis confirmed the formation of internal carbon framework and external three-dimensional multilayer graphene structure, which is excellent for mass transfer between pollutants and adsorbent surface. The research also aimed to determine the important parameters of sorption of organic compounds, i.e. synthetic dyes Congo Red (CR) and Malachite Green (MG), on the developed material from aqueous solutions in a limited volume. According to the kinetic studies, the experimental sorption capacity of the material on MG was 1860 mg×g–1 (sorption time – 60 min) and 642 mg×g–1 on CR (sorption time – 15 min). The theoretical maximum adsorption capacity of the sorbent calculated by the Langmuir model reached values of 769.23 mg×g–1 for CR and 3333.33 mg×g–1 for MG. It is found that the extraction of dye molecules is controlled by the second-order reaction according to the pseudo-second-order model and proceeds mainly by a mixed-diffusion mechanism. The activation energy has a value of 0.01 kJ×mol–1 for CR molecules and 0.02 kJ×mol–1 for MG, confirming the physical mechanism of dye adsorption. The high efficiency of adsorption of organic dyes on graphene-containing sorption material based on activated rapeseed biochar was demonstrated, indicating the feasibility of its practical application in wastewater treatment.
Full Text
Introduction
According to a recent World Health Organization (WHO) report, nearly 844 million people worldwide do not have access to safe drinking water [1]. Dye-containing wastewater from the textile industry poses an increasing risk to human life and aquatic organisms when discharged into various water bodies, as most of the types of dyes found in dyeing wastewater are toxic and carcinogenic [2]. In addition, these dyes interfere with light penetration and oxygen transport in water bodies [3].
Malachite Green (MG) and Congo Red (CR) together account for a significant proportion of the organic dyes produced and used annually that pose significant health risks. MG is known for its potential teratogenic and carcinogenic properties, which can cause damage to vital organs such as the liver, kidney and heart [4]. CR is classified as an anionic diazo dye and is one of the most commonly used dyes [5]. Unfortunately, decomposition of CR under anaerobic conditions leads to the formation of benzidine, a known human carcinogen [6]. It is therefore crucial to remove organic dyes that pollute the environment's water resources in order to mitigate their harmful effects on humans, flora and fauna.
In their study, Ohemeng-Boahen et al. [6] presented a number of approaches for the removal of dye molecules, including adsorption, coagulation-flocculation, co-deposition, membrane separation, ion exchange, and photo- and biodegradation. Adsorption is regarded as an efficacious method for the elimination of dyes from wastewater, due to its advantageous characteristics, including flexibility, operational simplicity and economic viability [7]. At present, a variety of adsorbents are employed for the removal of dyes, including biochar, activated carbon composites, nanoparticles, polymers, resins, clays, minerals and biosorbents [8].
Among the range of available adsorbents, activated carbon is undoubtedly considered the most versatile for use in studies of dye removal due to its low cost, excellent adsorption capacity, environmental friendliness and good surface characteristics [7]. Biochar is a bioorganic biomass produced by carbonization of carbon-rich materials. The modern low-temperature biomass processing method is hydrothermal carbonization (HTC), which is considered a green technology because of the absence of harmful gas emissions. The distinctive feature of this process is the relatively mild conditions under which it is carried out, in comparison with the well-studied pyrolysis process [8–10].
Many scientific teams are engaged in the development of new sorbents. They demonstrate remarkable efficacy in removing organic dyes from liquids (Fig. 1).
Fig. 1. Literature data on the sorption of MG (a) and CR (b) on different types of sorbents and their sorption capacity
Thus, a number of materials of different chemical nature have been used for MG adsorption, for example: activated carbon with zinc oxide decorated with plantain peel [11]; magnetic mesoporous core-shell nanostructure Ni0.4Fe2.6O4/(Fe, Ni) with carbon [12]; chemically activated biochar from Indian bael peel [13]; functionalized biochar from banana peel [14]; halloysite nanotubes [15]; b-cyclodextrin nanocomposite based on polymer with zinc ferrite nanofiller [16]. For CR removal the following are used: b-cyclodextrin polyurethane insoluble nanosponge modified with phosphorylated multi-walled carbon nanotubes and additionally decorated with titanium dioxide and silver nanoparticles [17]; bionanocomposite consisting of chitosan, zinc oxide, algae [18]; b-cyclodextrin nanocomposite based on polymer containing zinc ferrite nanofiller [16]; zinc oxide nanoparticles [19]; magnetic and mesoporous N-doped carbon [20].
The aim of the present work is to synthesize and evaluate the physicochemical properties of graphene-containing activated biochar based on vegetable waste from rapeseed processing and to determine the mechanisms of removal of organic contaminants – CR and MG dyes – using the developed material.
2. Materials and Methods
2.1. Material’s synthesis
Rapeseed meal (originating from Tambov region, Russia) was used as a carbon source. The modifier was graphene oxide (GO) in the form of aqueous 1 wt. % suspension (NanoTechCenter LLC, Tambov). Biochar was obtained by hydrothermal carbonization in stainless steel autoclaves for 12 hours at 180 °C. The obtained hydrocoal was separated from the liquid by filtration. Further, the filtered material was carbonized in stages at 150, 500 and 750 °C for one hour at each temperature in argon atmosphere. The carbonized material was subjected to alkaline activation, for this purpose it was mixed with potassium hydroxide (KOH) in a mass ratio of 1:6. The process was carried out in an inert environment at 400 and 750 °C for one hour at each temperature. The resulting material was washed with distilled water on a filter to a neutral pH, and then incubated for 24 hours in concentrated hydrochloric acid (Russian Standard 3118-77). Then the biochar was washed again to neutral pH and dried at 110 °C to constant weight.
To obtain a nanocomposite sorbent, activated biochar was mixed with a suspension of GO to a homogeneous state (ratio 1.5:1) and then treated with ultrasound. The material was placed in autoclaves and incubated at 180 °C for 20 hours. In the next step, the composite was frozen to –30 °C in a lyophilic dryer (Scientz-10n, China), followed by lyophilization for 48 h, during which the solvent was removed by the freeze-drying. The final material was a spontaneously compacted product (see Fig. 2).
Fig. 2. Physical appearance of graphene-containing sorbent based on rapeseed
2.2. Analytical methods
Microphotographs were obtained using an AURIGA CrossBeam scanning electron microscope (SEM) with Inca X-Max 80 mm2 EDS (Carl Zeiss Group, Germany). Thermo Scientific ARL Equinox 1000 (TechTrend Science Co., Ltd., Taiwan) (λ = = 0.1540562 nm (copper anode) was used to identify the crystal structure of the material. The orderliness of the carbon framework was evaluated by Raman spectroscopy on a DXR Raman Microscope instrument (Thermo Scientific Instruments Group, Waltham, USA) (λ = 633 nm). IR spectra were obtained on a Jasco FT/IR 6700 FTIR spectrometer (Jasco International Co., Ltd., Japan) in the frustrated total internal reflection mode.
2.3. Kinetic research
To determine the kinetic parameters of CR and MG adsorption, experiments were performed under static conditions; for this purpose, 0.01 g of nanocomposite was taken, the initial concentration of CR and MG dye solutions was 1500 mg·L–1, and the solution volume was 30 mL. The solutions were stirred for 5, 10, 15, 30, 60 and 90 min at 100 rpm and room temperature on a Multi Bio RS-24 rotator (Biosan) and then filtered.
2.4. Isotherm study
To plot adsorption isotherms, 0.01 g of nanocomposite was added to 30 mL of CR and MG dye solution with initial concentrations of 300, 500, 750, 750, 1000, 1200, and 1500 mg·L–1, shaken for 15 min for CR and 60 min for MG at 100 rpm and room temperature on a Multi Bio RS-24 programmable rotator (Biosan). In all sorption experiments, the amount of dye in the liquid phase before and after adsorption was determined spectrophotometrically (Ekros, St. Petersburg, Russia) at wavelengths of 612 and 709 nm for CR and MG, respectively.
3. Results and Discussion
3.1. Physicochemical properties and morphology of the graphene-containing sorbent
SEM images (Fig. 3) of the nanocomposite sorbent indicate that the material has a rather loose structure. The carbon backbone of the biochar is predominantly covered with graphene sheets. Individual aggregates of micrometer-sized graphene sheets are also found.
Fig. 3. SEM images of the nanocomposite: a – magnification ×5,000; b – magnification ×50,000
The IR spectrum of the nanocomposite (Fig. 4a) contains peaks indicating the presence of sorbed water (broad peak in the region of 3400 cm–1), C–H bonds in alkyl fragments (2924, 2854 cm–1), C=O (1645 cm–1), aromatic ring bonds at 1564 cm–1, C–O (group of peaks in the region of 1100–1265 cm–1), and phosphorus-containing compounds (873 cm–1). The obtained data correlate well with the information on the chemical nature of carbon structures in the scientific literature [21–23].
Fig. 4. FTIR (a) and Raman (b) spectra of the nanocomposite from rapeseed plant waste
According to Raman spectroscopy (Fig. 4b), the composition of the broad peak in the region 1000–1650 cm–1 includes the G band (around 1590 cm–1) and D band (at 1350 cm–1). A second-order overtone of the D band, the 2D band at 2670 cm–1, can also be distinguished. Since the 2D band arises from the two-phonon double resonance process, it is closely related to the zone structure of graphene layers [24]. The ID/IG ratio is > 1, indicating a high content of sp3-hybridized carbon atoms in the material.
The X-ray spectrum (Fig. 5) shows blurred peaks at 26° and 47°, indicating the presence of 002 and 100 planes of graphene materials. The absence of sharp peaks in the spectra suggests that the nanocomposite has amorphous characteristics with graphene-like structure [23].
Fig. 5. X-ray diffraction pattern of the nanocomposite from rapeseed plant waste
3.2. Sorption kinetics of organic dyes
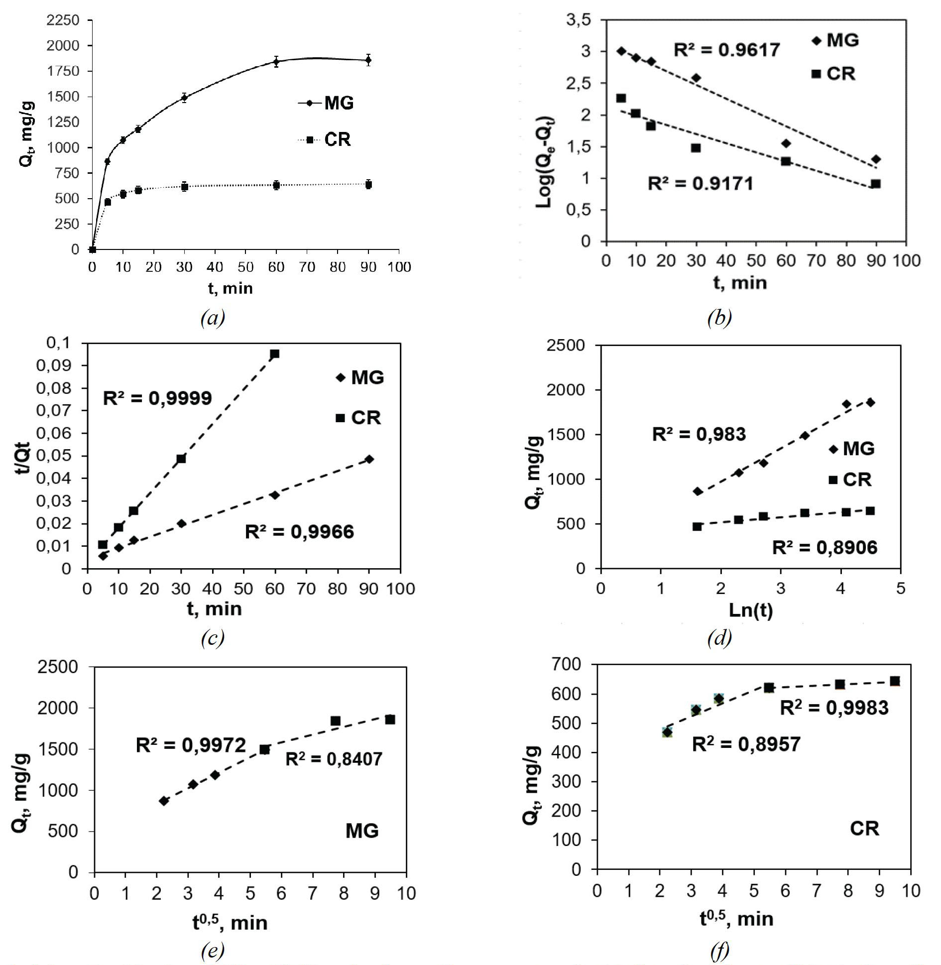
Based on the experimental results, the kinetic dependencies of the adsorption of CR and MG on the developed nanocomposite were plotted (Fig. 6a). The experimental values of the adsorption capacity of the material with respect to MG were 1860 mg·g–1 and 642 mg·g–1 for CR. It should be noted that the equilibrium of the adsorption process for CR adsorption is reached in 15 min. The extraction of MG is slower – saturation of the sorbent is reached in 60 min.
The kinetic analysis identifies the mechanism of adsorption and the factor determining its rate. The experimental data were analyzed using pseudo-first order, pseudo-second order, Elovich and intraparticle diffusion models. The equations of these models are given in Table 1.
Table 1. Equations and parameters of different kinetic models [22]
Model | Parameters |
Pseudo-first-order model
| Qe and Qt (mg·g–1) are the amount of lead ions adsorbed at equilibrium and at any time t (min), respectively; k1 is the rate constant of the pseudo-first-order (min–1) equation |
Pseudo-second-order model
| k1 (g·(mg·min)–1) is the rate constant of the pseudo-second-order equation |
Elovich model
| α (mg·g–1·min) is the initial adsorption rate; β (g·mg–1) is the adsorption constant related to the degree of surface coverage and the activation energy of chemisorptions |
Intraparticle diffusion model
| kid (mg·g–1·min1/2) is the rate constant of intraparticle diffusion; C is a constant related to the boundary layer thickness at the surface of the sorbent particle |
The pseudo-first and pseudo-second order models allow the determination of the pollutant uptake rate – the values of the sorption rate constants k1 and k2. The pseudo-first order model characterises the processes occurring during the initial period of sorption and the pseudo-second order model describes the extraction mechanism for the entire period. The theoretical equation of intraparticle diffusion takes into account the rate of the internal mass transfer stage, i.e. the diffusion of sorbate in the pores of the sorbent with a spherical particle shape. In this case, if the graph of the dependence of Qt on t1/2 passes through the origin, intraparticle diffusion is the rate-controlling stage. The Elovich model suggests the presence of chemical heterogeneity of the sorbent surface, which favors chemical adsorption. When the experimental data are described by this equation, the adsorption process is chemical in nature [25].
Table 2 summarizes the results of the mathematical evaluation of the experimental kinetic data.
Table 2. Kinetic parameters of organic dyes sorption
Dye | Model parameters | |||||
Pseudo-first order | Pseudo-first order | |||||
Qe | k1 | R2 | Qe | k2 | R2 | |
CR | 152.4 | 0.0332 | 0.9171 | 667 | 0.000776 | 0.9999 |
MG | 1349.9 | 0.0502 | 0.9617 | 2000 | 0.000056 | 0.9966 |
Elovich equation | Intraparticle diffusion | |||||
Step 1/Step 2 | ||||||
| α | β | R2 | kid | C | R2 |
CR | 71517.1 | 0.0018 | 0.891 | 44.98/5.427 | 388.71/590.22 | 0,8957/0.9983 |
MG | 1129.03 | 0.0043 | 0.983 | 189.77/95.37 | 454.55/1009.6 | 0.9972/0.8407 |
It was found (Fig. 6, Table 2) that the adsorption of MG and CR dye molecules is satisfactorily described by the pseudo-second-order and intraparticle diffusion models. The correlation of the experimental data according to the pseudo-second-order model (Fig. 6c) for CR sorption is R2 = 0.9999 with the value of Qe = 667 mg·g–1. For MG molecules, Qe = 2000 mg·g–1 with R2 = 0.9966. The theoretical value of Qe by the pseudo-second-order model for both dyes is very close to the sorption capacity obtained experimentally.
Fig. 6. Adsorption kinetics of CR and MG molecules on the nanocomposite (a), linearized forms of kinetic dependences by pseudo-first (b) and pseudo-second-order (c); Elovich (d); intraparticle diffusion (e, f) models
According to Fig. 6b, rather low values of the coefficients (R2 = 0.9171; 0.9617) of the pseudo-first order model suggest a weak chemical interaction between the molecules of the CR and MG dyes and the functional groups of the nanocomposite. The Elovich model shows a low correlation with the experimental data, again suggesting that mainly physical adsorption takes place [26].
The Qt vs. t dependence is not a straight line through the origin of the coordinates, indicating that internal diffusion is not the limiting stage of adsorption. This may be due to the difference in mass transfer rate at the initial and final stages of sorption, i.e. the adsorption of dye molecules has a mixed-diffusion character [25].
3.3. Isotherm study
There are many models that can be used to interpret sorption isotherms, but the usefulness and accuracy of a particular model depends on the underlying assumptions, as no model works for all adsorption systems. Among these models, the Freundlich and Langmuir models are the most widely used [26, 27]. The Langmuir isotherm assumes that adsorption results in the formation of a monolayer of adsorbate on the adsorbent surface. In contrast, the Freundlich model describes multilayer adsorption with an exponential decrease in the energy distribution of the adsorbed centers [28] (Table 3).
Table 3. Equations and parameters of different isotherm models [26–28]
Model | Parameters |
The Langmuir model
| Qe (mg·g–1) is the amount of metal ions adsorbed at equilibrium; the Qmax (mg·g–1) is the maximum adsorption under experimental conditions; Ce (mg·L–1) is the equilibrium concentration; KL (L·mg–1) is a constant related to the adsorption rate |
The Freundlich model
| k (mg·g–1·(L·mg–1)); 1/n are constants measuring adsorption capacity and intensity, respectively; n indicates how favorable the adsorption process is |
The Temkin model
| kt (L·mg–1) is an equilibrium coupling constant corresponding to the maximum binding energy; B (J·moL–1) is a constant related to the heat of adsorption |
The Dubinin–Radushkevich model
| kad (moL2·kJ–2) is the constant of Dubinin–Radushkevich isotherm; e (kJ·moL–1) is the Polanyi potential reflecting the isothermal work of transfer of one mole of metal from the volume of equilibrium solution to the sorbent surface; E (kJ·moL–1) is the activation energy |
The Temkin isotherm model allows the activity of the sorbent surface centers to be estimated, with the activity of each of them decreasing as a result of the appearance of a number of surface sorption complexes. The more such complexes, the more the initial activity of that center changes. Thus, the activity of each center decreases as the degree of surface coverage by adsorbate increases.
Using the Dubinin-Radushkevich model, calculations of activation energy are made, which determine the nature of interaction of pollutant forces with active centers. At activation energy values E < 8 kJ·mol–1, physical adsorption takes place; at 8 < E < 16 kJ·mol–1, chemisorption takes place [29].
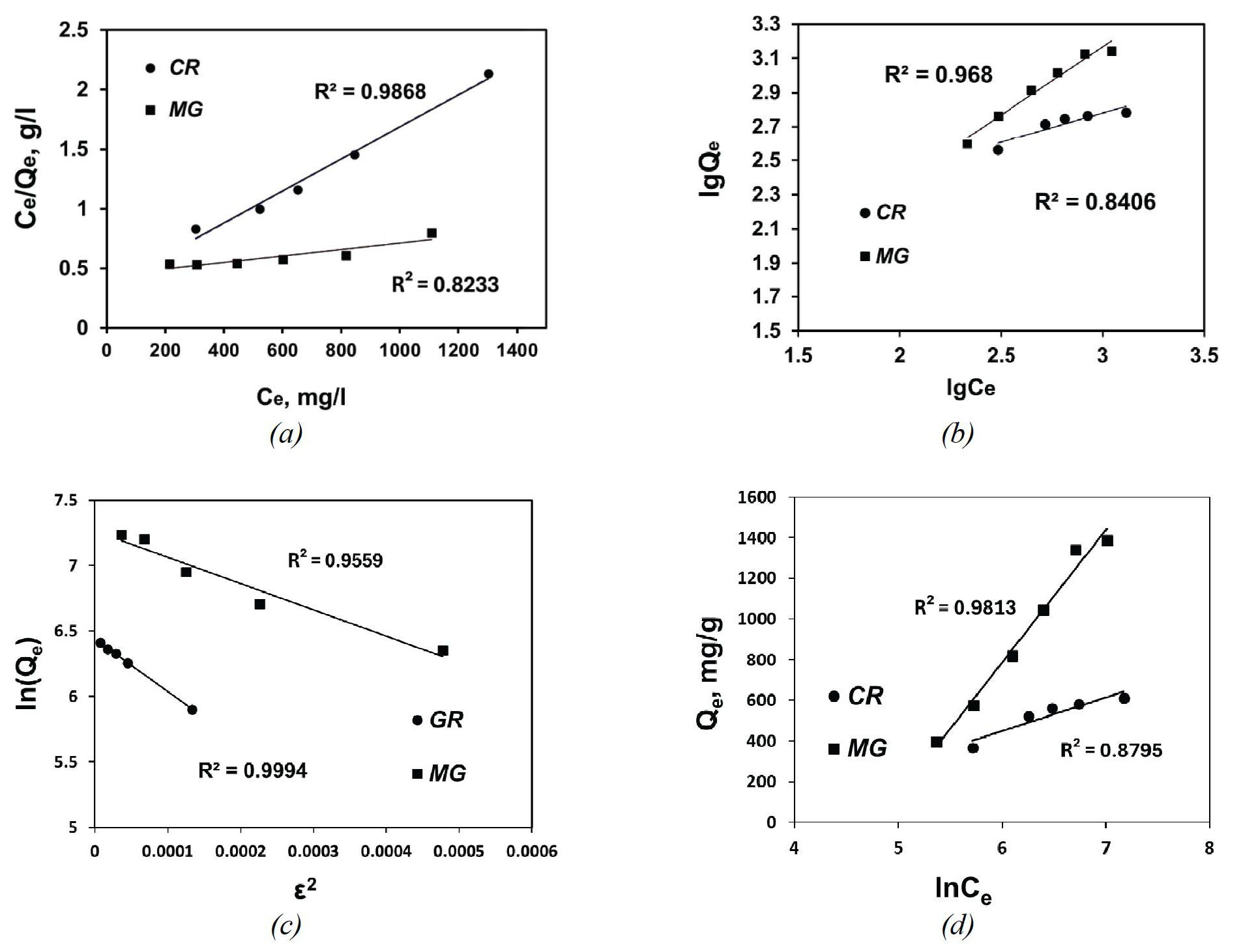
Fig. 7 shows the experimental adsorption isotherms of CR and MG dyes on the developed nanocomposite.
Fig. 7. Adsorption isotherms of CR and MG dyes on the nanocomposite
As a result of the mathematical processing of the experimental data, the dependences shown in Fig. 8 were obtained, which made it possible to determine such important adsorption parameters as maximum adsorption capacity, activation energy, etc. (see Table 4).
Fig. 8. Models of adsorption isotherms of CR and MG: a – Langmuir; b – Freundlich; c – Dubinin–Radushkevich; d – Temkin
Table 4. Sorption parameters of CR and MG molecules according to the equations of isotherms
Dye | Model parameter | |||||
Langmuir | ||||||
| KL | Qmax | R2 | |||
CR | 0.0038 | 769.23 | 0.9868 | |||
MG | 0.0007 | 3333.33 | 0.8233 | |||
Freindlich | ||||||
| n | 1/n | k | R2 | ||
CR | 2.891 | 0.3459 | 55.386 | 0.9868 | ||
MG | 1.2596 | 0.7939 | 6.073 | 0.8233 | ||
Dubinin–Radushkevich | ||||||
| kad | Qmax | E | R2 | ||
CR | 4053.6 | 629.34 | 0,01 | 0.9994 | ||
MG | 2018.5 | 1438.12 | 0.02 | 0.9559 | ||
Temkin | ||||||
| kt | В | R2 | |||
CR | 0.0091 | 116.2 | 0.8795 | |||
MG | 0.0084 | 652.2 | 0.9813 | |||
The experimental isotherm of MG sorption shows a good correlation with the theoretical data of the Dubinin-Radushkevich equation. The adsorption of CR is satisfactorily described by the Temkin model. At the same time, the activation energy of sorption of MG molecules was 0.02 kJ·mol–1 (Table 4). According to the calculated values, the maximum adsorption capacity of the nanocomposite according to the Langmuir model was 3333.33 mg·g–1 for MG and 769.23 mg·g–1 for CR. The value of the activation energy of sorption of CR molecules was 0.01 kJ·mol–1, which also corresponds to physical sorption in the case of removal of MG molecules.
4. Conclusion
In this paper, the technique for obtaining a highly efficient sorbent material based on activated biochar from rapeseed waste modified with graphene oxide during hydrothermal carbonization has been developed. According to the results of the evaluation of the nanocomposite’s properties, it was found that the material has a porous carbon framework, the surface of which is covered with sheets of graphene. X-ray diffraction analysis confirmed the formation of a graphene-like carbon structure of the sorbent. The authors studied the adsorption of synthetic organic dyes from aqueous solutions on the developed material. Kinetic and isothermal studies of adsorption of CR and MG dye molecules were carried out in static mode. It was found that the sorption equilibrium is reached in 60 min for MG and in 15 min for CR with sorption capacity values of 1860 mg·g–1 for MG and 642 mg·g–1 for CR. It was found that the sorption is satisfactorily described by the pseudo-second-order model and intraparticle diffusion, with diffusion into the sorbent pores not being a limiting factor. Both external and internal diffusion contribute to the total sorption rate of the dye molecules. Data from isothermal studies were processed using the Langmuir, Freundlich, Dubinin–Radushkevich and Temkin models. The calculated activation energy values confirm the physical mechanism of sorption.
5. Funding
The study was supported by the Russian Science Foundation grant No. 22-13-20074, https://rscf.ru/project/22-13-20074/.
6. Acknowledgments
This work was done using facilities of the shared access center “Production and application of multifunctional nanomaterials” (Tambov State Technical University).
7. Conflict of interests
The authors declare no conflict of interests.
About the authors
Alexey N. Timirgaliev
Tambov State Technical University
Email: timirgalievas31@mail.ru
ORCID iD: 0009-0006-5030-3677
Master's Degree Student
Russian Federation, Bld. 2, 106/5, Sovetskaya St., Tambov, 392000Irina V. Burakova
Tambov State Technical University
Author for correspondence.
Email: iris_tamb68@mail.ru
ORCID iD: 0000-0003-0850-9365
Cand. Sc. (Eng.), Associate Professor
Russian Federation, Bld. 2, 106/5, Sovetskaya St., Tambov, 392000Sofya O. Rybakova
Tambov State Technical University
Email: sofyarybackova@yandex.ru
Student
Russian Federation, Bld. 2, 106/5, Sovetskaya St., Tambov, 392000Oksana A. Ananyeva
Tambov State Technical University
Email: oksana.a9993471@gmail.com
ORCID iD: 0000-0002-1188-9402
Postgraduate
Russian Federation, Bld. 2, 106/5, Sovetskaya St., Tambov, 392000Vladimir O. Yarkin
Tambov State Technical University
Email: sttstu90@gmail.com
ORCID iD: 0009-0001-2185-0149
Master's Degree Student
Russian Federation, Bld. 2, 106/5, Sovetskaya St., Tambov, 392000Tatyana S. Kuznetsova
Tambov State Technical University
Email: kuznetsova-t-s@yandex.ru
ORCID iD: 0000-0001-6508-2092
Cand. Sc. (Eng.), Senior Lecturer
Russian Federation, Bld. 2, 106/5, Sovetskaya St., Tambov, 392000Ali H. K. Kadum
Tambov State Technical University
Email: ali_strong_2010@yahoo.com
Postgraduate
Russian Federation, Bld. 2, 106/5, Sovetskaya St., Tambov, 392000Alexander E. Burakov
Tambov State Technical University
Email: m-alex1983@yandex.ru
ORCID iD: 0000-0003-4871-3504
Cand. Sc. (Eng.), Associate Professor
Russian Federation, Bld. 2, 106/5, Sovetskaya St., Tambov, 392000References
- Wutich A, Rosinger AY, Stoler J, Jepson W, et al. Measuring human water needs. American Journal of Human Biology. 2020;32(1):e23350. DOI:10.1002/ ajhb.23350
- Berradi M, Hsissou R, Khudhair M, Assouag M, et al. Textile finishing dyes and their impact on aquatic environs. Heliyon. 2019;5(11):e02711. DOI:10.1016/ j.heliyon.2019.e02711
- Peng X, Huang D, Odoom-Wubah T, Fu D, et al. Adsorption of anionic and cationic dyes on ferromagnetic ordered mesoporous carbon from aqueous solution: equilibrium, thermodynamic and kinetics. Journal of Colloid and Interface Science. 2014;430:272-282. doi: 10.1016/j.jcis.2014.05.035
- Eltaweil AS, Ali Mohamed H, Abd El-Monaem EM, El-Subruiti GM. Mesoporous magnetic biochar composite for enhanced adsorption of malachite green dye: characterization, adsorption kinetics, thermodynamics and isotherms. Advanced Powder Technology. 2020;31(3): 1253-1263. doi: 10.1016/j.apt.2020.01.005
- Wang X, Xu Q, Zhang L, Pei L, et al. Adsorption of methylene blue and congo red from aqueous solution on 3d mxene/carbon foam hybrid aerogels: a study by experimental and statistical physics modeling. Journal of Environmental Chemical Engineering. 2023;11(1):109206. doi: 10.1016/j.jece.2022.109206
- Ohemeng-Boahen G, Sewu DD, Tran HN, Woo SH. Enhanced adsorption of congo red from aqueous solution using chitosan/hematite nanocomposite hydrogel capsule fabricated via anionic surfactant gelation. Colloids and Surfaces A: Physicochemical and Engineering Aspects. 2021;625:126911. doi: 10.1016/j.colsurfa.2021. 126911
- Boretti A, Rosa L. Reassessing the projections of the world water development report. Npj Clean Water. 2019;2(1):15. doi: 10.1038/s41545-019-0039-9
- Pichel N, Vivar M, Fuentes M. The problem of drinking water access: a review of disinfection technologies with an emphasis on solar treatment methods. Chemosphere. 2019;218:1014-1030. DOI:10.1016/ j.chemosphere.2018.11.205
- Sabzehmeidani MM, Mahnaee S, Ghaedi M, Heidari H, et al. Carbon based materials: a review of adsorbents for inorganic and organic compounds. Materials Advances. 2021;2(2):598-627. doi: 10.1039/D0MA00087F
- Khan TA, Saud AS, Jamari SS, Rahim MHA, et al. Hydrothermal carbonization of lignocellulosic biomass for carbon rich material preparation: a review. Biomass and Bioenergy. 2019;130:105384. DOI:10.1016/ j.biombioe.2019.105384
- Dada AO, Inyinbor AA, Tokula BE, Bayode AA, et al. Zinc oxide decorated plantain peel activated carbon for adsorption of cationic malachite green dye: mechanistic, kinetics and thermodynamics modeling. Environmental Research. 2024;252:119046. DOI:10.1016/ j.envres.2024.119046
- Liu Y, Wei S, Kamali BE, Ege D, et al. core-shell magnetic mesoporous nanostructure for efficient adsorption and photocatalytic degradation of malachite green from wastewater. Journal of Water Process Engineering. 2024;59:105019. doi: 10.1016/j.jwpe.2024.105019
- Das T, Debnath A, Manna MS. Adsorption of malachite green by aegle marmelos-derived activated biochar: novelty assessment through phytotoxicity tests and economic analysis. Journal of the Indian Chemical Society. 2024;101(9):101219. doi: 10.1016/j.jics.2024. 101219
- Chen L, Mi B, He J, Li Y, et al. Functionalized biochars with highly-efficient malachite green adsorption property produced from banana peels via microwave-assisted pyrolysis. Bioresource Technology. 2023;376: 128840. doi: 10.1016/j.biortech.2023.128840
- Altun T, Ecevit H. Adsorption of malachite green and methyl violet 2b by halloysite nanotube: batch adsorption experiments and box-behnken experimental design. Materials Chemistry and Physics. 2022;291: 126612. doi: 10.1016/j.matchemphys.2022.126612
- Sirach R, Dave PN. β-cyclodextrin polymer/zinc ferrite nanocomposite: synthesis, characterization, and adsorption application for the removal of malachite green and Congo red. Journal of Hazardous Materials Advances. 2023;10:100300. doi: 10.1016/j.hazadv.2023.100300
- Leudjo Taka A, Fosso-Kankeu E, Pillay K, Yangkou Mbianda X. Metal nanoparticles decorated phosphorylated carbon nanotube/cyclodextrin nanosponge for trichloroethylene and Congo red dye adsorption from wastewater. Journal of Environmental Chemical Engineering. 2020;8(3):103602. doi: 10.1016/j.jece.2019.103602
- Gopalakrishnan S, Kannan P, Balasubramani K, Rajamohan N, et al. Sustainable remediation of toxic Congo red dye pollution using bio based carbon nanocomposite: modelling and performance evaluation. Chemosphere. 2023;343:140206. DOI: 10.1016/ j.chemosphere.2023.140206
- Abegunde SM, Olasehinde EF, Adebayo MA. Green synthesis of ZnO nanoparticles using nauclea latifolia fruit extract for adsorption of Congo red. Hybrid Advances. 2024;5:100164. doi: 10.1016/j.hybadv.2024. 100164
- Rao R, Huang Y, Zhang H, Hu C, et al. A simple melamine-assisted cellulose pyrolysis synthesis of magnetic and mesoporous n-doped carbon composites with excellent adsorption of Congo red. Separation and Purification Technology. 2024;347:127678. DOI:10.1016/ j.seppur.2024.127678
- Li N, Yan X, Dai W, Lv B, et al. Adsorption properties and mechanism of sepiolite to graphene oxide in aqueous solution. Arabian Journal of Chemistry. 2023;16(4):104595. doi: 10.1016/j.arabjc.2023.104595
- Ali I, Burakov AE, Burakova IV, Kuznetsova TS, et al. Facile and economic preparation of graphene hydrothermal nanocomposite from sunflower waste: kinetics, isotherms and thermodynamics for Cd(II) and Pb(II) removal from water. Journal of Molecular Liquids. 2024;407:125179. doi: 10.1016/j.molliq.2024.125179
- Adel M, El-Maghraby A, El-Shazly O, El-Wahidy EWF, Mohamed MAA. Synthesis of few-layer graphene-like nanosheets from glucose: New facile approach for graphene-like nanosheets large-scale production. Journal of Materials Research. 2016;31:455-467. doi: 10.1557/jmr.2016.25
- Ni Z, Wang Y, Yu T, Shen Z. Raman spectroscopy and imaging of graphene. Nano Research. 2008;1(4):273-291. doi: 10.1007/s12274-008-8036-1
- Qiu H, Lv L, Pan B, Zhang Q, et al. Critical review in adsorption kinetic models. Journal of Zhejiang University-SCIENCE A. 2009;10(5):716-724. DOI:10.1631/ jzus.A0820524
- Naghizadeh A, Ghasemi F, Derakhshani E, Shahabi H. Thermodynamic, kinetic and isotherm studies of sulfate removal from aqueous solutions by graphene and graphite nanoparticles. Desalination and Water Treatment. 2017;80:247-254. doi: 10.5004/dwt.2017.20891
- Vigdorowitsch M, Pchelintsev A, Tsygankova L, Tanygina E. Freundlich isotherm: an adsorption model complete framework. Applied Sciences. 2021;11(17):8078. doi: 10.3390/app11178078
- Kadum AHK, Burakova IV, Mkrtchyan ES, Ananyeva OA, et al. Sorption kinetics of organic dyes methylene blue and malachite green on highly porous carbon material. Journal of Advanced Materials and Technologies. 2023;8(2):130-140. doi: 10.17277/jamt. 2023.02.pp.130-140
- Hameed BH, Tan IAW, Ahmad AL. Adsorption isotherm, kinetic modeling and mechanism of 2,4,6-trichlorophenol on coconut husk-based activated carbon. Chemical Engineering Journal. 2008;144(2):235244. doi: 10.1016/j.cej.2008.01.028
Supplementary files











