The early Holocene paleogeography of Yurumkuveem river basin (Central Chukotka)
- Авторы: Petrov D.V.1, Danilov G.K.1,2, Oskolski A.A.3,4, Tsygankova V.I.1, Vartanyan S.L.1
-
Учреждения:
- North-Eastern Interdisciplinary Research Institute, Far East Branch, Russian Academy of Sciences
- Peter the Great Museum of Anthropology and Ethnography, Kunstkamera, Russian Academy of Sciences
- University of Johannesburg
- Komarov Botanical Institute
- Выпуск: № 4 (2022)
- Страницы: 1523-1525
- Раздел: Статьи
- URL: https://bakhtiniada.ru/2658-3518/article/view/290446
- DOI: https://doi.org/10.31951/2658-3518-2022-A-4-1523
- ID: 290446
Цитировать
Полный текст
Аннотация
Results of radiocarbon dating and spore-pollen analysis of lacustrine sedi ments in the Nyrki sectionfrom the Yurumkuveem river basin (Central Chukotka) show the wider distribution of floodplain forests and the warmer climate in this time in the region in the early Holocene than in the present time. The occurrence of larch (Larix) in the vicinity of Nyrki lake in the early Holocene is also discussed. Our data suggest that the larch range was expanded to the Yurumkuveem river valley and its inflows during the early Holocene, but this tree disappeared from there in the late Holocene.
Ключевые слова
Полный текст
1. Inroduction
The Late Quaternary history the vegetation and climate dynamics of Chukotka as well as the chronology of environmental changes in this region are still poorly known. Many areas of the Chukotka Peninsula have never been covered by palaeogeographical studies. The basin of Kalaravaam-Maliy Pykarvaam-Bolshoi Pykarvaam-Yurumkuveem is one of underexplored regions of Central Chukotka situated on the eastern margin of Anadyr Highlands. The present study aims to reconstruct the history of climate and vegetation of this region during the late Quaternary.
The river system of Kalaravaam-Maliy Pykarvaam-Bolshoi Pykarvaam-Yurumkuveem drains the southern side of the continental divide between Artic and Pacific Oceans. Although this territory belongs to the subzone of southern tundra (Jurtsev et al., 2010), the poplar-chosenia forests are widespread along the Yurumkuveem floodplain downstream of the mouth of the Bolshoi Pykarvaam River (authors’ observations). In general, the area is characterized by poor exposure of the Quaternary deposits, which mainly appear as terraces up to 50 m high showing the variation of lithological composition from sands to boulders. These bodies have been described by S. Obruchev (1938) who interpreted those as moraine terraces.
2. Materials and methods
The materials for this study have been collected during the field trip in 2019. Along our route of about 150 km long, only a few suitable exposures have been found. One of these exposures is situated at the Nyrki lake at the confluence of the Kalaravaam and Mal. Pykarvaam rivers (N 67.856366; E 173.9775). This lake situated between the moraine ridge on the western side, partly cutted by the river, and the fluvioglacial terrace on the eastern side. Such geomorphological position suggests glacial origin of the lake.
The profile of sediments has been examined at the cliff on the southern shore of the lake. The height of cliff near the exposure was about 4.5 m above the water level, the section thickness was 3.7 meters. The following sediments of lacustrine and eolian genesis found in this section starting from the top: 0-0.1 m – modern soil; 0.1-0.4 m – medium-grained gray-brown sand with roots; 0.45-0.50 m – buried soil of dark brown color with crashed deer bones and fragments of the ceramics; 0.5-1.25 m – medium-grained light brown sand with lenses of coarse-grained sand and rare organic detritus; 1.25-1.55 m – cross-laminated gray sand with layers of coarse-grained sand, contains small amount of organic detritus; 1.55-3.05 m – medium-grained sand of gray color with organic layers (leaves, wood fragments, sticks) horizontally laminated; 3.05-3.45 m coarse-grained unlaminated sand; 3.45-3.55 m - gray aleurite with horizontal lamination, contains organic material.
The samples of wood and peat for radiocarbon dating were collected from the layer with the highest organic content of organics (interval 1.55-3.05 m). We also performed radiocarbon dating for a trunk of Populus or Chosenia and for a fragment of tree bark, which were collected on the beach near the site.
The samples for pollen analysis were collected from the bed with the highest organic content. These samples were taken on 10 cm intervals, and then were processed with the standard hydrofluoric acid method (Berglund and Ralska-Jasiewiczowa, 1986). Pollen concentration was estimated using Stockmarr’s (1971) method. Six taxa of trees and shrubs, 20 herbaceous taxa, two taxa of aquatic plants and seven spore taxa have been identified. Spore and pollen diagram was prepared using C2 software kit.
3. Results
The results of dating of wood and peat, sampled in situ, showed that the layer with the highest content of organic matter (interval 1.55-3.05 m) was formed approximately between 8 and 4.3 14C ka yr BP. Age of both wood samples, collected on the beach was around 8 14C ka yr BP.
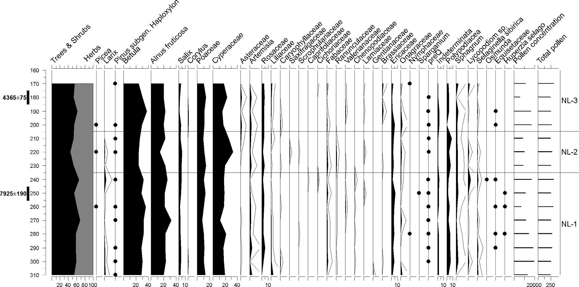
Generally, spore-pollen spectra do not show significant changes of vegetation during the period of deposit formation. The pollen of trees and shrubs dominate in the most samples. Variations in the content of individual taxa make it possible to divide the section into 3 palynozones (Fig.).
Fig. Spore-and-pollen diagram of the Nyrki lake section.
Palynozone NL-1 (310 - 235 cm) shows the predominance of the pollen of trees and shrub, especially of Betula (up to 30%), Alnus fruticosa (about 20%) as well as Salix and Larix. The pollen of Cyperaceae and Poaceae are dominated among herbaceous taxa, and the pollen of Rosaceae and Ericaceae also occur.
Palynozone NL-2 (235 - 205 cm) is characterized by a slight decrease in the incidence of trees and shrub pollen with higher proportion of herbaceous taxa (mainly Cyperaceae).
Palynozone NL-3 (205 - 170 cm) shows a new shift to the predominance of most aforementioned trees and shrubs, but with the lack of the Larix pollen.
In general, the results of the pollen analysis show that the climate before and around 7.9 14C ka yr BP was slightly warmer than the present, and its slow cooling started since about 4.3 14C ka yr BP.
4. Discussion and conclusions
Peatbogs and other organic-rich sediments of the Early Holocene age are well known in the Northeast Asia (Lozhkin et al., 2011). A small peatbog with of about 0.5 m thick was discovered by us in the thermokarst depression in the Kalaravaam river valley (N 67.9271; E 173.7217). Radiocarbon dating of a peat sample from this bog showed its Early Holocene age.
According to our data, the poplar-chosenia forests in the early Holocene were distributed at least at the lower reaches of the Maly Pykarvaam river (today they begin to grow about 50 km to the south). Apart from those, the larch populations occurred then around the Nyrki lake. Previously, the larch macroremains have been reported from a peatbog and a permafrost core near the Elgygytgyn lake, in 90 km E from the Nyrki lake. The age of this peatbog was determined as 9250±90 14C yr BP (MAG-1477) (Shilo et al., 2008) whereas the AMS dating of the larch seeds from the permafrost core showed their age of 9640±60 14C yr BP (Poz-42874) (Andreev et al., 2012). Our data suggest that the larch range was expanded to the Yurumkuveem river valley and its inflows during the early Holocene, but this tree disappeared from this region as well as from the Elgygytgyn area in the late Holocene.
Acknowledgments
We are grateful to “Сhukotka mining and geological company” for transport and logistic support during the 2019 field season. The study was supported by the Russian Science Foundation (project № 22-27-0082).
Conflict of interest
The authors declare no conflict of interest.
Об авторах
D. Petrov
North-Eastern Interdisciplinary Research Institute, Far East Branch, Russian Academy of Sciences
Автор, ответственный за переписку.
Email: denispetrov@neisri.ru
Россия, Portovaya st., 16, Magadan, 685000
G. Danilov
North-Eastern Interdisciplinary Research Institute, Far East Branch, Russian Academy of Sciences; Peter the Great Museum of Anthropology and Ethnography, Kunstkamera, Russian Academy of Sciences
Email: denispetrov@neisri.ru
Россия, Portovaya st., 16, Magadan, 685000; Universitetskaya Embankment 3, Saint-Petersburg, 199034
A. Oskolski
University of Johannesburg; Komarov Botanical Institute
Email: denispetrov@neisri.ru
Department of Botany and Plant Biotechnology, Botanical Museum
ЮАР, PO Box 524 Auckland Park 2006, Johannesburg; Prof. Popov st. 2, Saint-Petersburg, 197376, RussiaV. Tsygankova
North-Eastern Interdisciplinary Research Institute, Far East Branch, Russian Academy of Sciences
Email: denispetrov@neisri.ru
Россия, Portovaya st., 16, Magadan, 685000
S. Vartanyan
North-Eastern Interdisciplinary Research Institute, Far East Branch, Russian Academy of Sciences
Email: denispetrov@neisri.ru
Россия, Portovaya st., 16, Magadan, 685000
Список литературы
- Andreev A.A., Morozova E., Fedorov G. et al. 2012. Vegetation history of central Chukotka deduced from permafrost paleoenvironmental records of the El’gygytgyn Impact Crater. Climate of the Past 8(4): 1287-1300. doi: 10.5194/cp-8-1287-2012
- Berglund B.E., Ralska-Jasiewiczowa M. 1986. Pollen analysis and pollen diagrams. In: Berglund B.E. (Ed.), Handbook of Holocene palaeoecology and palaeohydrology. Chichester: Wiley.
- Jurtsev B.A., Koroleva T.M., Petrovskiy V.V. et al. 2010. Konspekt flory Chukotskoy tundry [Checklist of flora of the Chukotkan tundra]. St. Petersburg: OOO “Izdatelʹstvo VVM”. (in Russian)
- Lozhkin A.V., Anderson P.M., Vazhenina L.N. 2011. Younger dryas and early Holocene peats from northern far East Russia. Quaternary International 237(1-2): 54-64. doi: 10.1016/j.quaint.2011.01.009
- Obruchev S.V. 1938. The region of Chaun Bay. Geology and morphology. Trudi Arkticheskogo Instituta [Transactions of the Artic Institute] 112: 5-135. (in Russian)
- Shilo N.A., Lozhkin A.V., Vazhenina L.M. et al. 2008. First data on the expansion of Larix gmelinii (Rupr.) Rupr. into arctic regions of Beringia during the early Holocene. Doklady Earth Sciences 423: 1265-1267. doi: 10.1134/S1028334X08080187
- Stockmarr J.A. 1971. Tabletes with spores used in absolute pollen analysis. Pollen Spores 13: 615-621.
Дополнительные файлы




