Research on Volt-Ampere Characteristics in the Process of Electrodeionization Purification of Industrial Solutions from Chromium-Containing Substances
- Authors: Filimonova O.S.1, Khorokhorina I.V.1, Lazarev S.I.1, Bryankin K.V.1
-
Affiliations:
- Tambov State Technical University
- Issue: No 2 (2024)
- Pages: 53-63
- Section: ECOLOGY
- URL: https://bakhtiniada.ru/1990-9047/article/view/278249
- DOI: https://doi.org/10.17277/voprosy.2024.02.pp.053-063
- ID: 278249
Cite item
Full Text
Abstract
The paper justifies the choice of the electrodeionization process as a process for purifying industrial wastewater from chromium-containing compounds. The theoretical aspects of the electrodeionization process are considered; the methodology, experimental membrane cell and installation for studying current-voltage characteristics are presented. The change in current density as a function of voltage during the process of electrodeionization during the treatment of chromium-containing wastewater, and the value of electrical conductivity at various current density readings were studied.
Full Text
Введение
Быстрый рост химической промышленности приводит к увеличению количества сточных вод, которые требуют глубокой очистки. К тому же усиливается потребность в сверхчистой воде для технологических процессов. Гальваническое производство принято считать едва ли не самым опасным из-за образования сточных вод, содержащих тяжелые металлы в ионной форме, которые, попадая в природные водные объекты, замедляют процессы естественного самоочищения и вызывают необратимые изменения природных экосистем [1]. Попав в биогеохимический цикл, они крайне редко покидают его. В основном обработка сточных вод заключается в изменении заряда ионов, которые подвержены последующему повторному окислению/восстановлению в водных объектах. Следовательно, проблема остается нерешенной.
К числу тяжелых металлов относится хром. Он используется в гальванических процессах для хромирования, хроматирования, травления, так как является переходным металлом и считается химически инертным из-за образования на его поверхности прочной тонкой пленки оксида. Хром не окисляется на воздухе даже в присутствии влаги, а при нагревании окисление происходит только на поверхности.
Использование данного металла в гальванической промышленности имеет негативные последствия для окружающей среды, поскольку в сточных водах содержатся растворимые соединения хрома, особенно шестивалентного, такие как , , . Они обладают общетоксическими, мутагенными и канцерогенными свойствами. Шестивалентная форма хрома при попадании в организм образует связи с макромолекулами, вызывая иммунную реакцию – экзему, дерматит, а также поражает почки [2].
Цель исследования – литературный обзор методов очистки сточных вод, содержащих соединения хрома, изучение процесса электродеионизации (ЭДИ) при очистке данных стоков, экспериментальное исследование влияния параметров процесса ЭДИ, таких как плотность тока, приложенное напряжение и концентрация растворенных хромсодержащих веществ на электрохимические характеристики процесса электродеионизации.
Обзор методов очистки сточных вод от соединений хрома
В настоящее время для очистки стоков широкое применение находит метод восстановления шестивалентного хрома в трехвалентную форму и осаждение трехвалентного хрома в виде гидроксида. Однако данный технологический процесс достаточно трудоемкий, энергозатратный и при этом остается нерешенным вопрос утилизации осадка, что вызывает потенциальное вторичное загрязнение окружающей среды [3].
Адсорбция также эффективна для удаления Cr (VI), но отработанный адсорбент трудно использовать повторно. Авторами работы [4] проведен анализ способности адсорбентов природного происхождения к поглощению шестивалентного хрома. Установлено, что пемза, как сорбционный природный материал и обработанная поверхностно-модифицированным раствором MgCl2, показала высокие выходы регенерации 94,3 и 91,3 % соответственно. Однако существует проблема обрастания и частого засорения адсорбента и, как следствие, необходимость в постоянной его регенерации, что влечет за собой дополнительные затраты.
Ряд электрохимических методов очистки, например, таких как электродиализ, имеют ограничения из-за возникновения концентрационной поляризации, что снижает эффективность очищения.
Методы электрокоагуляции, гальванокоагуляции, а также комбинированные имеют такие недостатки, как расход металлических растворимых анодов, пассивация анодов, необходимость больших избытков реагента (солей железа), большое количество осадка и сложность его обезвоживания, высокая стоимость и дефицит сорбентов, большой расход реагентов для их регенерации и др. [5].
В процессе ионного обмена можно получить сточные воды, соответствующие нормативным требованиям, но процесс экономически невыгоден из-за высокой стоимости химического реагента для регенерации ионообменных смол и невозможности осуществления непрерывного процесса. Таким образом, возникает необходимость в поиске альтернативной технологии для очищения хромсодержащих сточных вод.
Электродеионизация
Электродеионизация (ЭДИ) представляет собой новую технологию, сочетающую ионный обмен и процесс электродиализа. Она включает в себя непрерывную электрохимическую деионизацию воды с использованием ионоселективной мембраны, смеси смол и постоянного напряжения [6]. Ионообменные смолы содержат ионные функциональные группы, которые делают их проводящими.
При электродеионизационной очистке процесс регенерации смол может осуществляться непрерывно без добавления химических реагентов. Это происходит за счет присутствия в растворе ионов H+ и OH– вследствие диссоциации воды. Диссоциация воды происходит одновременно внутри ячейки в местах соприкосновения анионо- и катионообменных материалов, тем самым создавая протоны и гидроксильные ионы, которые участвуют в регенерации смолы [7, 8].
При электродеионизации растворов шестивалентного хрома (в составе , , ) анионы переходят в смолу, а гидроксильные группы из смолы переходят в раствор. Оба процесса основаны на достижении равновесной скорости в соответствии с реакцией
Процесс очистки в ЭДИ состоит из двух этапов (рис. 1). Первый этап представляет собой процесс, в котором ионы в исходном растворе связываются ионообменными смолами, при этом катионы заменяются ионами H+, а анионы – ионами OH–. На втором этапе ионы, связанные со смолами, под действием тока переносятся через поверхности катионообменной (КОМ) и анионообменной (АОМ) мембран в камеры концентрата.
После того как процесс достигает устойчивого состояния, ионообменные смолы в основном действуют как «ионный мостик», который увеличивает общую проводимость камер для дилюата. Таким образом, в процессе ЭДИ ионообменные смолы играют ключевую роль в обмене ионов в качестве «ионного мостика». Благодаря наличию смол можно свести к минимуму явление концентрационной поляризации, возникающее из-за разницы в скорости миграции ионов из водного основного раствора к границе раздела ионной мембраны и через ее границу раздела [9].
Рис. 1. Схема процесса электродеионизации:
Авторами работы [10] на основании проведенного исследования по очистке сточных вод установлено, что повышение напряжения на модуле электродеионизации увеличивает эффективность регенерации ионообменной смолы, что приводит к снижению ионов хрома в дилюате.
В работе [11] проведено экспериментальное исследование кинетических характеристик электродеионизационного процесса извлечения сульфата кобальта и сульфата кадмия из технологических растворов и разработана методика расчета электродеионизационного аппарата. Расчетами установлено, что энергозатраты на проведение электродеионизации в 10 раз меньше по сравнению с энергозатратами при электродиализе.
Авторы работы [12] экспериментально установили зависимость удельного количества Cr (VI) от плотности тока в процессе электродеионизации. Отмечено, что напряжение на элементе увеличивалось пропорционально приложенному току. На графике, представленном на рис. 2, выделены три области: I – медленное увеличение удельного количества ионов хрома; II – резкое их повышение; III – плато скорости переноса при более высоких плотностях тока. Значение рН раствора, исходящего из катодной камеры, также увеличивалось с ростом плотности тока.
Рис. 2. Изменение удельного количества ионов Cr(VI) в зависимости от плотности приложенного тока
В работе [13] авторами проведены исследования по обоснованию требований и выбору электрохимических методов очистки сточных вод предприятий промышленности от тяжелых металлов.
В частности установлено, что при технологии ЭДИ достигается улучшенный перенос ионов по сравнению с другими электрохимическими методами, что позволяет эффективно чистить очень разбавленные растворы благодаря более низкому электрическому сопротивлению и более высоким предельным токам. Оптимальное значение приложенного напряжения приводит к сосуществованию диссоциации воды и электроконвекции в сверхпредельном режиме, что может повысить эффективность процесса. Проблему неоднородных распределений потока можно решить за счет использования пластин из фиксированной смолы.
В работе [14] исследована электродеионизация для удаления и рекуперации Cr (VI) из сточных вод. Ее эффективность сильно зависела от свойств используемых смол. Установлено, что гелевая смола на прочной основе является лучшей среди четырех исследованных распространенных анионообменных смол. Достигнута высокая эффективность удаления и рекуперации. После обработки концентрация Cr (VI) снижена с начальных 40…100 до 0,09…0,4 мг/л.
Рис. 3. Схема транспортировки ионов при электродеионизации:
CM, AM – катионная и анионная мембраны соответственно; CR, AR – катионная и анионная смолы соответственно
Авторами [15] проведено сравнение электродеионизации, ионного обмена и электродиализа для удаления Cr (VI) в целях оценки эффективности электродеионизации. Результаты показали, что 99,8 % Cr (VI) эффективно удалено электродеионизацией. Более того, при использовании 15 г смеси смол (катионной и анионной) в соотношении 1 : 1 можно было удалить 98,5 % загрязняющего вещества при приложенном токе 6,6 мА. Схема транспортировки различных ионов, диссоциация воды в камере для разбавления в ходе процесса ЭДИ представлены на рис. 3. Реакция диссоциации воды протекает на границе раздела анионных и катионных материалов с эффектом регенерации смолы.
Экспериментальная часть
Проведены исследования зависимости плотности тока от приложенного напряжения. В качестве модельных растворов, имитирующих промывочную воду линий хромирования, взяты растворы шестивалентного хрома в составе хромата с концентрацией 3 мг/дм³, электропроводностью 30 мкСм/см и 15 мг/дм³, электропроводностью 92 мкСм/см; дихромата с концентрацией 3 мг/дм³, электропроводностью 14 мкСм/см, и 15 мг/дм³ электропроводностью 42 мкСм/см.
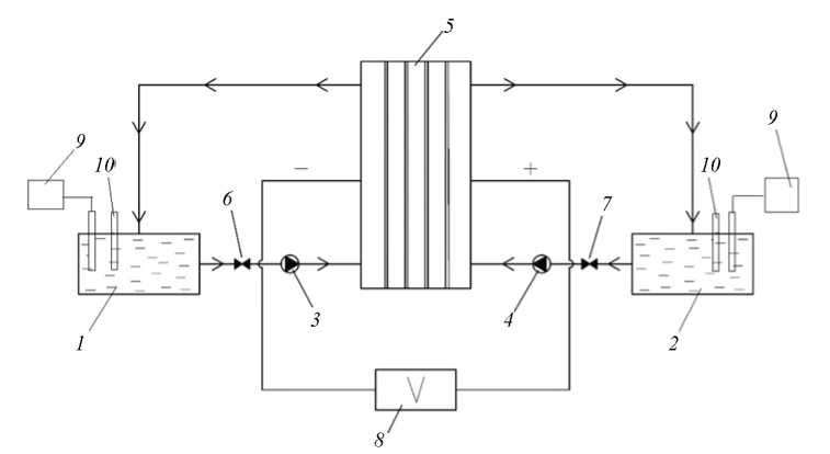
Рис. 4. Схема установки электродеионизации:
1, 2 – резервуары соответственно для исходного раствора (для обессоливания) и концентрата; 3, 4 – насосы соответственно для подачи исходного раствора (для обессоливания) и концентрата; 5 – модуль электродеионизации; 6, 7 – расходомеры; 8 – блок питания; 9 – рН-метр; 10 – кондуктометрический датчик
Эксперимент проводился на установке, представленной на рис. 4.
Конструкция модуля электродеионизационной очистки показана на рис. 5.
Рис. 5. Конструкция модуля электродеионизационной очистки
Модуль состоит из катода 1, закрепленного на катодной крышке 2, расположенных последовательно ячеек концентрата 3 и дилюата 4, анодной крышки 5, расположенного на ней титанового анода 6. На катод и анод подается постоянный ток в качестве движущей силы. Полость внутри ячеек заполнена смесью ионообменных смол, состоящих из катионита КУ-2-8 и анионита АВ-17-8 в соотношении 40 и 60 % соответственно. Между ячейками расположены ионообменные мембраны. Со стороны катода – МК-40, анода – МА-41П. Подготовка и активация ионообменных мембран осуществлялись по методике, указанной в [10]. Эффективная площадь мембраны 20 см²; толщина ячеек модуля электродеионизации 6 мм; средняя скорость для потоков 0,7 л/мин.
Методика проведения эксперимента заключалась в следующем (см. рис. 4). Исходный раствор, содержащий загрязняющие частицы, с известной концентрацией из резервуаров 1 и 2, подавался насосами 3 и 4 в модуль электродеионизации 5. Регулирование скорости потока происходило расходомерами 6 и 7. Для обеспечения заданных параметров напряжения и плотности тока на электроды подавался ток блоком питания 8.
При этом ионы исходного раствора мигрировали в зависимости от их электрического заряда. Данная миграция контролировалась ионными мембранами как барьером для переноса ионов. Контроль значения рН проводился с помощью рН-метра 9 «Эксперт–001-3.0.1». Измерение электропроводности проводили кондуктометрическим датчиком 10.
В ходе электродеионизации растворов хромата и дихромата проходят следующие реакции:
;
.
Анионные мембраны пропускают анион и отталкивают катион, а катионные мембраны пропускают катион и отталкивают анион из-за явления исключения Доннана [16]. Таким образом, создаются два типа камер: одна содержит высокую концентрацию ионов, называемую камерой концентрата, а другая – очень низкую, называемую камерой разбавления (дилюата).
Результаты и их обсуждение
На рисунке 6, а, представлены зависимости плотности тока от приложенного напряжения. На графиках зависимостей видно, что для растворов хромат-ионов с концентрацией 3 мг/л характерно наличие плато на участке от 4…6 В, для концентрации 15 мг/л – 5…8 В. Для дихромат-ионов с концентрацией 3 мг/л – 6…8 В, для концентрации 15 мг/л – 7…9 В. Далее плотность тока во всех случаях экспоненциально возрастает с увеличением приложенного напряжения. Оптимальной зоной для эффективного удаления загрязнения является интервал напряжения от 5 до 21 В.
Также наблюдается пороговое напряжение диссоциации воды для всех растворов в среднем 25 В. При этом происходит непрерывная регенерация смол ионами водорода и гидроксид-ионами.
Рис. 6. Зависимости плотности тока от приложенного напряжения (а) и значения электропроводности растворов от плотности тока (б) для растворов хроматион (1, 3) и дихромат-ион (2, 4) при различных концентрациях: 1, 2 – 3 мг/л; 3, 4 – 15 мг/л
На рисунке 6, б, представлены графики изменения электропроводности растворов в камере дилюата в зависимости от плотности тока.
Высокое значение электропроводности растворов на начальном этапе очистки при низкой плотности тока обусловлено недостаточной скоростью миграции ионов Cr (VI) из камеры разбавления в анодную камеру.
По мере увеличения плотности тока скорость миграции увеличивалась, а электропроводность растворов сточных вод соответственно снижалась. Для хромат-ионов концентрацией 3 мг/л на участке от 5,8 до 20,3 А/м², концентрацией 15 мг/л на участке от 4,3 до 16 А/м²; для дихромат-ионов концентрацией 3 мг/л на участке от 4,3 до 14,9 А/м² и концентрацией 15 мг/л на участке от 4,3 до 18,6 А/м² наблюдается интенсивное снижение электропроводности вследствие активного переноса ионов.
Заключение
Рассмотрено теоретико-экспериментальное применение процесса электродеионизации в методах очистки промышленных растворов от хромсодержащих соединений. Проведены экспериментальные исследования вольт-амперных характеристик электродеионизационной очистки модельных растворов шестивалентного хрома различных концентраций, имитирующих сточные воды гальванического производства. Установлено, что оптимальным напряжением для очистки является интервал от 5 до 20 В, по плотности тока – в среднем от 4,3 до 20,3 А/м², так как на данном участке интенсивнее падает электропроводность растворов.
About the authors
O. S. Filimonova
Tambov State Technical University
Author for correspondence.
Email: filimonovaos2017@mail.ru
аспирант кафедры «Механика и инженерная графика», ассистент кафедры «Природопользование и защита окружающей среды»
Russian Federation, TambovI. V. Khorokhorina
Tambov State Technical University
Email: filimonovaos2017@mail.ru
доктор технических наук, доцент кафедры «Природопользование и защита окружающей среды»
Russian Federation, TambovS. I. Lazarev
Tambov State Technical University
Email: filimonovaos2017@mail.ru
доктор технических наук, профессор, заведующий кафедрой «Механика и инженерная графика»
Russian Federation, TambovK. V. Bryankin
Tambov State Technical University
Email: filimonovaos2017@mail.ru
доктор технических наук, профессор кафедры «Химия и химические технологии»
Russian Federation, TambovReferences
- Martinez S.A., Rodriguez M.G., Aguilar R., Soto G. Removal of hexavalent chromium from washing chromating waters by electrochemical reduction at an experimental laboratory facility, Water Science. Technology, 2004, vol. 49, no. 1, pp. 115-122. doi: 10.2166/wst.2004.0034
- Agrawal A., Kumar V., Pandey B.D. Wastewater recovery options for electroplating and tanning leather containing chromium – review, Mineral Processing and Extractive Metallurgy Review, 2006, vol. 27, no. 2, pp. 99-130. DOI: 10.1080/ 08827500600563319
- Karataev O.R., Kudryavtseva E.S., Mingazetdinov I.H. [Wastewater treatment from hexavalent chromium ions], Vestnik Kazanskogo tekhnologicheskogo universiteta [Bulletin of the Kazan Technological University], 2014, vol. 17, no. 2, pp. 52-54. (In Russ., abstract in Eng.)
- Sepehr M., Amrane A., Karimaian K.A., Zarrabi M., Ghaffari H.R. Potential of waste pumice and surface modified pumice for hexavalent chromium removal: Characterization, equilibrium, thermodynamic and kinetic study, Journal of the Taiwan Institute of Chemical Engineers, 2014, vol. 45, is. 2, pp. 635-647. doi: 10.1016/j.jtice.2013.07.005
- Shestakov I.Ya., Vasilyeva E.A., Remizov I.A. [Purification of water from chromium ions in a diaphragm electrolyzer], Vestnik Sibirskogo gosudarstvennogo aerokosmicheskogo universiteta im. akademika M. F. Reshetneva [Bulletin of the Siberian State Aerospace University. academician M.F. Reshetnev], 2016, vol. 17, no. 2, pp. 498-501. (In Russ., abstract in Eng.)
- Rathi B.S., Kumar P.S., Parthiban R. Review of recent achievements in the field of electrodeionization for various environmental applications, Chemosphere, 2022, vol. 289, no. 4, pp. 133223. doi: 10.1016/j.chemosphere.2021.133223
- Pat. US 6,241,867 B1 SSHA, 09/442,525. Radio communication device, Len Mir. No. 204/632; 204/633; 521/27; head. 11/18/1999; publ. 06/05/2001.
- Dündar O. A., Özgür Arar, Müşerref Arda, Removal of Bromate Ions from Aqueous Solutions Via Electrodeionization, Environmental Pollution, 2023, vol. 339, pp. 122726. doi: 10.1016/j.envpol.2023.122726
- Mulder M. Introduction to membrane technology, Moscow: Mir, 1999, 513 p. (In Russ.)
- Mikhailin M.I., Khorokhorina I.V., Lazarev S.I. [Modern solid-phase technologies: theory, practice and innovative management], Sovremennyye tverdofaznyye tekhnologii: teoriya, praktika i innovatsionnyy menedzhment: materialy XIII Mezhdunar. nauch.-innov. molodezhnoy konf. [Proceedings of the XIII Scientific and Innovative International Youth Conference], (Tambov, November 11-12, 2021), Tambov, 2021, pp. 171-174. (In Russ.)
- Lazarev S.I., Khorokhorina I.V., Mikhaylin M.I., Filimonova O.S. [Extraction of heavy metals from the washing waters of galvanic productions and the calculation method of the electrodeionization apparatus], Khimicheskoye i neftegazovoye mashinostroyeniye [Chemical and oil and gas engineering], 2023, no. 2, pp. 45-48. (In Russ., abstract in Eng.)
- Filimonova O.S., Khorokhorina I.V., Lazarev S.I., Mikhailin M.I. Teoreticheskiye i prikladnyye aspekty elektrokhimicheskikh protsessov i zashchita ot korrozii : materialy I Vseros. nauch. konf. s mezhdunar. uchastiyem [Theoretical and applied aspects of electrochemical processes and corrosion protection: materials I All-Russian. scientific conf. with international participation] (Kazan, November 20-23, 2023), Kazan, 2024, pp. 103-104. (In Russ.)
- Demidov A.A., Pashinin V.A., Polyanskova E.A. [et al.]. [Purification of industrial wastewater from heavy metal salts], XXI vek: itogi proshlogo i problemy nastoyashchego plyus [XXI century: results of the past and problems of the present plus], 2021, vol. 10, no. 4(56), pp. 220-225. (In Russ., abstract in Eng.)
- Xing Y., Chen X., Yao P., Wang D. Continuous Electrodeionization for Removal and Recovery of Cr(VI) from Wastewater, Separation and Purification Technology, 2009, vol. 67, no. 2, pp. 123-126. doi: 10.1016/J.SEPPUR.2009.03.029
- Alvarado L., Chen A. Electrodeionization: Principles, Strategies and Applications, Electrochimica Acta, 2014, vol. 132, pp. 583-597.
- Grabowski A., Zhang G., H Strathmann., Eigenberger G. The Production of High Purity Water by Continuous Electrodeionization with Bipolar Membranes: Influence of the Anion-Exchange Membrane Permselectivity, Journal of Membrane Science, 2006, vol. 281, no. 1-2, pp. 297-306.
Supplementary files







