Mineralogical and technological assessment of waste from the Kuzbasskaya Central Processing Plant (Kemerovo region)
- Authors: Chikisheva T.A.1,2,3, Komarova A.G.2,3, Turetskaya N.Y.1,3
-
Affiliations:
- Institute of the Earth Crust SB RAS
- Irkutsk State University
- Research and production company «Spirit»
- Issue: No 9 (2024)
- Pages: 28-34
- Section: Scientific articles
- URL: https://bakhtiniada.ru/2712-7761/article/view/296871
- DOI: https://doi.org/10.19110/geov.2024.9.4
- ID: 296871
Cite item
Full Text
Abstract
The article deals with the results of the material composition studying of the Kuzbasskaya coal preparation plant waste. Such toxic elements as arsenic, chromium, mercury, selenium, beryllium and vanadium are included into the composition of this material. The valuable impurity elements are silver, lanthanum, molybdenum, scandium, selenium, lead and yttrium. The ash content of the original fuel was 22.4 %, which indicated the presence of non-combustible phases represented by inorganic matter. The optical and mineralogical analysis determined that this waste was composed of coal (82.51 %), in addition, it contained carbonates, feldspars, quartz, clay minerals, as well as magnetite and iron hydroxides. Sulfides, monazite, rutile, zircon and micas were visualized in single grains.
Full Text
Введение
Проблема комплексной и безотходной переработки отходов угледобычи на сегодняшний день является актуальной задачей, требующей незамедлительного решения. Для этого требуется внедрение новых технологических решений с получением ряда продуктов, пригодных для различных отраслей промышленности (Чикишева и др., 2023). По сути, можно говорить о создании новой отрасли для вовлечения во вторичный передел накопленных за многие годы техногенных отвалов, что соотносится с целями, принципами и приоритетами «Стратегии развития промышленности по обработке, утилизации и обезвреживанию отходов производства и потребления на период до 2030 года»*1.
Помимо решения остростоящего вопроса снижения негативного воздействия накопленных отходов на окружающую среду, внедрение соответствующих технологий должно повысить конкурентоспособность угольной промышленности и способствовать развитию регионов угледобычи (ГОСТ 9414.3-93; Ожогина и др., 2018; Сосновский, Сачков, 2021; Турецкая, Чикишева, 2023; Ali Ucar et al., 2023; Debjani et al., 2022; Jay et al., 2021; Menshikova at al., 2022; Nguen Cong Thang, Nguen Van Tuan, 2021; Yoginder, Paul, 2014).
Одним из главных угледобывающих субъектов РФ является Кузбасс, где высокие темпы переработки неизбежно влекут за собой формирование огромных масс горнопромышленных отходов (О состоянии…, 2021). Для вовлечения в переработку отходов угледобывающих предприятий распоряжением Правительства РФ утверждена комплексная научно-техническая программа полного инновационного цикла «Чистый уголь — Зеленый Кузбасс»**2, участником которой стал Институт земной коры СО РАН. С момента старта программы и по настоящее время в институте ведется научно-исследовательская работа по теме «Переработка хвостов угольных обогатительных фабрик с целью получения товарного угольного концентрата». Эту задачу невозможно решить без детального изучения вещественного состава отходов угдедобычи с применением современных методов минералогического анализа.
Материалы и методы
Определение зольности топлива выполнено методом ускоренного озоления; определение химического состава исходной пробы — методом атомно-эмиссионной спектрометрии с индуктивно связанной плазмой.
Минеральный состав пробы и содержание каждого минерала в пробе были определены с помощью методов оптико-минералогического анализа по методическим рекомендациям НСОММИ (Оптико-минералогический…, 2012) с применением бинокулярного стереомикроскопа «Микромед MC-2-ZOOM 2CR». Рентгенографический анализ выполнялся на дифрактометре ДРОН-3.0 в ЦКП «Геодинамика и геохронология» ИЗК СО РАН (аналитик М. Н. Рубцова).
Изучение микрокомпонентов угля в шлифах и аншлифах выполнялось по межгосударственным стандартам (ГОСТ 9414.2-93, ГОСТ 9414.3-93, ГОСТ 9414.1-94).
Определение несгораемых фаз в углях проводилось с применением сканирующего электронного микроскопа MIRA3 LMH TESCAN в «Центре коллективного пользования изотопно-геохимических исследований» ИГХ СО РАН в режиме обратнорассеянных электронов (аналитик А. Г. Чуешова).
Результаты и обсуждение
В результате определения химического состава проб установлено, что в исходном сырье содержатся следующие элементы-примеси: мышьяк (менее 0.0005 %), хром (0.0010 %), магний (0.145 %), ртуть (менее 0.0005 %), сера (0.202 %), селен (менее 0.0005 %), бериллий (менее 0.0002 %) и ванадий (0.0024 %), относящиеся к токсичным компонентам (Крылов, 2017). Из ценных элементов-примесей в пробе отмечены серебро, лантан, молибден, скандий, селен, свинец и иттрий. Массовые доли перечисленных компонентов составляют тысячные доли процентов или находятся на пределе чувствительности.
Гранулометрическим анализом установлено, что 51.96 % от исходного сырья имеет крупность менее 20 мкм с показателем зольности сухого топлива (Ad) 25.4 % (рис. 1). Выход материала более 2 мм составляет 10.01 % с показателем Ad 35 %. Показатель Ad в классе крупности от 0.02 до 0.04 мм составляет 20.5 % с выходом 9.13 %. В классе крупности от 1 до 2 мм показатель Ad равен 22.3 %. Показатель Ad в материале от 0.071 до 1 мм варьирует от 18.8 до 8 %.
Рис. 1. Гранулометрический анализ исходного сырья с показателями зольности сухого топлива в классах крупности
Fig. 1. Granulometric analysis of the raw material with indicators of ash content by size classes
Анализ полученных данных показал, что присутствие такого большого количества тонкодисперсного шлама повлияет на вязкость пульпы и сегрегационные способности более крупных зерен. Повышенный показатель зольности в материале более 2 мм свидетельствует о том, что в данном сырье присутствует несгораемая фаза, представленная неорганическим веществом. Практический интерес по всем своим показателям представляет материал, находящийся в диапазоне крупности от 2 до 0.02 мм, показатель Ad в данном диапазоне составляет 15.07 %.
Оптико-минералогический анализ показал, что основная масса пробы сложена углём — 82.51 %. В меньшем количестве в материале пробы присутствуют карбонаты, полевые шпаты, кварц и глинистые минералы. В десятых долях процента отмечены гидроксиды железа, а в сотых долях — магнетит. В единичных зёрнах визуализируются сульфиды, монацит, рутил, циркон и слюды.
Анализ распределения угля по классам крупности показал, что в материал крупностью менее 0.020 мм распределяется 46.92 % угля (рис.2), в материал крупностью от 0.5 до 0.020 мм — 35.52 %, крупностью более 0.5 мм — 17.56 % угля.
Рис. 2. Распределение угля по классам крупности
Fig. 2. Coal distribution by size classes
Микроскопическое исследование углей в проходящем свете
В ходе изучения шлифов, изготовленных из образцов пород, вмещающих уголь, было установлено, что они представлены среднезернистыми граувакковыми песчаниками и аргиллитами.
Обломочная часть песчаников в основном сложена обломками осадочных пород, в меньшем количестве — мономинеральными зёрнами кварца и полевых шпатов. Структура псаммитовая среднезернистая, цемент контурный, глинисто-серицитовый. Аргиллиты состоят преимущественно из каолинита и гидрослюд. Структура пелитовая, текстура сланцеватая, слабо выраженная в субпараллельной ориентировке единичных зёрен слюды.
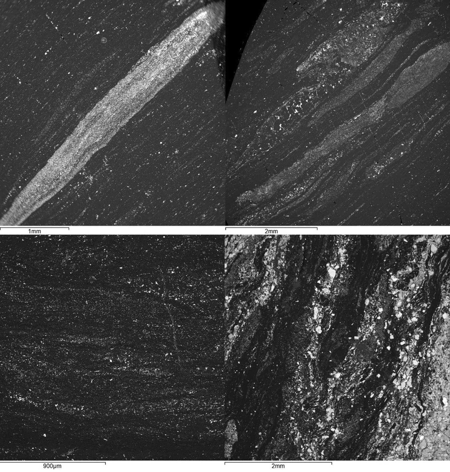
Изучаемые породы и их обломки обогащены органическим веществом и могут быть отнесены к каустобиолитам гумусового типа. При их изучении в проходящем свете наблюдаются разные соотношения угольных и минеральных компонентов. Угольные компоненты имеют полосчатые (рис. 3), штриховатые и линзовидно-штриховатые формы (Столбова, 2013). Цвет мацералов угля в основном чёрный, реже коричневый и тёмно-коричневый, что свидетельствует о высокой степени фюзенизации.
Рис. 3. Микрофотографии каустобиолита с различными формами угольных компонентов: a — полосчатой, b — штриховатой, c — линзовидно-штриховатой
Прозрачный шлиф, слева — анализатор выключен, справа — включен
Fig. 3. Micrographs of caustobiolith with different forms of carbon components: a — striped, b — linear, c — lenticular and linear.
Transparent section, on the left — the analyzer is off, on the right — on
Микроскопическое исследование углей в отраженном свете
Микроскопически по визуальным признакам было выделено три группы мацералов — витринит (телинит, коллинит), липтинит (спорнит), инертинит (фюзенит и склеротинит), а также минеральные составляющие. Мацералы имеют разную степень сохранности клеточной структуры (рис. 4). Бесструктурные мацералы образуют скопления и слагают полосы, структурные разности рассеяны в коллините.
Рис. 4. Микрофотографии фрагмента аншлиф-брикета: Vtk — коллинит, If — фюзенит, Lsp — споринит, Lkt — кутинит. Отраженный свет, анализатор выключен
Fig. 4. Microphotographs of a polished briquette fragment: Vtk — collinite, Lf — fusinite, Lsp — sporinite, Lkt — cutinite. Reflected light, the analyzer is off
Минеральными составляющими минеритов выступают глинистые минералы, сульфиды железа, карбонаты, оксиды кремния и прочие минеральные включения. Сульфиды железа проявлены в виде выделений неправильной формы, фрамбоидов и прожилков.
Изучение методом сканирующей электронной микроскопии
При исследовании аншлифов с помощью сканирующего электронного микроскопа установлено, что изучаемые образцы представляют собой полифазные агрегаты, состоящие из минералов и угля. Среди минеральных составляющих в таких агрегатах отмечаются кварц, каолинит, сидерит, апатит, пирит и рутил. На изображениях общего вида образцов в обратнорассеянных электронах (рис. 5) чётко прослеживается переслаивание чистого или слабозагрязнённого угля с его полифазными агрегатами.
Рис. 5. Переслаивание угля с полифазными агрегатами: микрофотографии фрагментов аншлиф-брикета. Изображения в обратнорассеянных электронах
Fig. 5. Alternation of coal with polyphase aggregates: microphotographs of a polished briquette fragment. Backscattered electron images
Каолинит заполняет клеточные полости, встречается в виде линз, прослоек, тонкодисперсных частиц (рис. 6, a), а также выступает цементирующим веществом во вмещающей уголь породе. Кроме того, в пробе отмечаются микропереслаивания угля и минеральных агрегатов, содержащих каолинит и апатит (рис. 6, b—d).
Рис. 6. Микрофотографии фрагментов аншлиф-брикета: a — каолинит, заполняющий клеточные полости, b—d — микропереслаивание угля и полифазных минеральных агрегатов. Kln — каолинит; Py — пирит; Rt — рутил. Ap — апатит, Qz — кварц. Изображения в обратнорассеянных электронах
Fig. 6. Microphotographs of a polished briquette fragment: a — kaolinite filling cellvoids, b—d — microalternation of coal and polyphase mineral aggregates. Kln — kaolinite, Py — pyrite, Rt — rutile, Ap — apatite, Qz — quartz. Backscattered electron images
Апатит часто ассоциирует с каолинитом (см. рис. 6) и представлен выделениями неправильной формы. Рутил и сидерит визуализируются в виде редких включений неправильной формы.
Заключение
Материал пробы отходов ЦОФ «Кузбасская» по своему составу относится к техногенному минеральному сырью первой группы, то есть сходному по составу и свойствам с природным (Ожогина, Котова, Якушина). Основная масса пробы сложена углём (82.51 %), большая часть которого распределяется в крупность менее 20 мкм (46.92 %). Изучаемые породы и их обломки обогащены органическим веществом и могут быть отнесены к каустобиолитам гумусового типа. Микроскопически они представляют собой полифазные агрегаты с разными количественными соотношениями мацералов угля и минеральных компонентов. Угольные компоненты имеют полосчатые, штриховатые и линзовидно-штриховатые формы. Минеральные составляющие агрегатов представлены каолинитом, глинистыми минералами, сульфидами железа, карбонатами, силикатами, минералами кремнезема и другими неорганическими соединениями, которые повышают зольность энергетического сырья. Изучаемые отходы также могут представлять интерес как источник редких и редкоземельных элементов.
Таким образом, можно сделать вывод, что на данном этапе отходы ЦОФ «Кузбасская» могут быть вовлечены в повторную переработку как энергетическое сырьё для получения угольного концентрата. Оставшийся после извлечения угля материал рекомендуется рассмотреть в качестве сырья для строительных отраслей промышленности и как источник редких и редкоземельных элементов после дополнительного изучения и при условии экономической целесообразности.
Работы выполнены в рамках комплексного научно-технического проекта при финансовой поддержке Минобрнауки России № 075-15-2022-1192 «Переработка хвостов угольных обогатительных фабрик с целью получения товарного угольного концентрата» при поддержке комплексной научно-технической программы полного инновационного цикла «Разработка и внедрение комплекса технологий в областях разведки и добычи твердых полезных ископаемых, обеспечения промышленной безопасности, биоремедиации, создания новых продуктов глубокой переработки угольного сырья при последовательном снижении экологической нагрузки на окружающую среду и рисков для жизни населения». Утвержденной Распоряжением Правительства РФ № 1144-р от 11.05.2022.
1** Стратегия развития промышленности по обработке, утилизации и обезвреживанию отходов производства и потребления на период до 2030 года: Распоряжение Правительства РФ № 84-р от 25.11.2018. URL: government.ru
2 **** Комплексная научно-техническая программа: Распоряжение Правительства РФ № 1144-р от 11.05.2022. URL: pravo.gov.ru
About the authors
T. A. Chikisheva
Institute of the Earth Crust SB RAS; Irkutsk State University; Research and production company «Spirit»
Author for correspondence.
Email: chikishevatatyana@mail.ru
Russian Federation, Irkutsk; Irkutsk; Irkutsk
A. G. Komarova
Irkutsk State University; Research and production company «Spirit»
Email: chikishevatatyana@mail.ru
Russian Federation, Irkutsk; Irkutsk
N. Yu. Turetskaya
Institute of the Earth Crust SB RAS; Research and production company «Spirit»
Email: chikishevatatyana@mail.ru
Russian Federation, Irkutsk; Irkutsk
References
- ГОСТ 9414.2-93 (ИСО 7404-2-85). Уголь каменный и антрацит. Методы петрографического анализа: Межгосударственный стандарт. Часть 2. Метод подготовки образцов угля. М.: Изд-во стандартов, 1995. 18 с.
- GOST 9414.2-93 (ISO 7404-2-85). Hard coal and anthracite. Methods of petrographic analysis: Interstate standard. Part 2. Method of preparation of coal samples. Moscow: Publishing house of standards, 1995, 18 p. (in Russian)
- ГОСТ 9414.3-93 (ИСО 7404-3-84). Уголь каменный и антрацит. Методы петрографического анализа: Межгосударственный стандарт. Часть 3. Методы определения групп мацералов. М.: Изд-во стандартов, 1995. 12 с.
- GOST 9414.3-93 (ISO 7404-3-84). Hard coal and anthracite. Methods of petrographic analysis: Interstate standard. Part 3. Methods for determination of maceral groups. Moscow: Publishing house of standards, 1995, 12 p. (in Russian)
- ГОСТ 9414.1-94 (ИСО 7404-1-84). Уголь каменный и антрацит. Методы петрографического анализа: Межгосударственный стандарт. Часть 1. Словарь терминов. М.: Изд-во стандартов, 1995. 23 с.
- GOST 9414.1-94 (ISO 7404-1-84). Hard coal and anthracite. Methods of petrographic analysis: Interstate standard. Part 1. Glossary of terms. Moscow: Publishing house of standards, 1995, 23 p. (in Russian)
- Крылов Д. А. Негативное влияние элементов-примесей от угольных ТЭС на окружающую среду и здоровье людей // Горный информационно-аналитический бюллетень. 2017. № 12. С.77—87. doi: 10.25018/0236-1493-2017-12-0-77-87
- Krylov D. A. Negative impact of impurity elements from coal-fired thermal power plants on the environment and human health. Mining information and analytical bulletin, 2017, No. 12, pp. 77—87. doi: 10.25018/0236-1493-2017-12-0-77-87 (in Russian)
- Ожогина Е. Г., Шадрунова И. В., Чекушина Т. В. Роль минералогических исследований в решении экологических проблем горнопромышленных районов // Горный журнал. 2017. № 11. С. 105—110. doi: 10.17580/gzh. 2017.11.20
- Ozhogina E. G., Shadrunova I. V., Chekushina T. V. The role of mineralogical studies in solving environmental problems of mining areas. Mining Journal, 2017, No. 11, pp. 105—110. doi: 10.17580/gzh. 2017.11.20. (in Russian)
- Ожогина Е. Г., Котова О. Б., Якушина О. А. Горнопромышленные отходы: минералогические особенности // Вестник Института геологии Коми НЦ УрО РАН. 2018. № 6. С. 43—49. DOI: 10.19110/ 2221-1381-2018-6-43-49
- Ozhogina E. G., Kotova O. B., Yakushina O. A. Mining waste: mineralogical features. Vestnik of the Institute of Geology Komi SC UB RAS, 2018, No. 6, pp. 43—49. doi: 10.19110/2221-1381-2018-6-43-49. (in Russian)
- Оптико-минералогический анализ шлиховых и дробленых проб: Методические рекомендации № 162 / Научный совет по методам минералогических исследований (НСОММИ). М.: ВИМС, 2012. 23с.
- Optical and mineralogical analysis of concentrate and crushed samples: Methodological recommendations No. 162. Scientific Council on Methods of Mineralogical Research (NSOMMI). Moscow: VIMS, 2012, 23 p. (in Russian)
- О состоянии и использовании минерально-сырьевых ресурсов Российской Федерации в 2021 году: Гос. доклад / Гл. ред. Д. Д. Тетенькин, Е. И. Петров. URL: Уголь (data-geo.ru) (дата обращения: 4.03.2024).
- On the state and use of mineral resources of the Russian Federation in 2021: state report. Eds. D. D. Tetenkin, E. I. Petrov. Coal (data-geo.ru) (date of access: 4.03.2024). (in Russian)
- Столбова Н.Ф., Исаева Е. Р. Петрология углей: учебное пособие. Томск: Изд-во Томского политехнического университета, 2013. 77 с.
- Stolbova N. F., Isaeva E. R. Petrology of coals: a tutorial. Tomsk: Publishing house of Tomsk Polytechnic University, 2013, 77 p. (in Russian)
- Сосновский С. А., Сачков В. И. Комплексная переработка техногенного углесодержащего сырья // Проблемы комплексной и экологически безопасной переработки природного и техногенного минерального сырья (Плаксинские чтения — 2021) СГКГМИ (ГТУ). Владикавказ, 2021. С. 498—501.
- Sosnovsky S. A., Sachkov V. I. Complex processing of technogenic coal-containing raw materials. “Problems of complex and environmentally safe processing of natural and technogenic mineral raw materials (Plaksin readings — 2021”, STU, Vladikavkaz, 2021, pp. 498—501. (in Russian)
- Турецкая Н. Ю., Чикишева Т. А. Перспективы получения товарного продукта из отходов флотации угольных фабрик // Уголь. 2023. №. 9. С. 95—99. DOI: http://dx.doi.org/10.18796/0041-5790-2023-9-95-99
- Turetskaya N. Yu., Chikisheva T. A. Prospects for obtaining a commercial product from flotation waste of coal factories. Coal, 2023, No. 9, pp. 95—99. DOI: http://dx.doi.org/10.18796/0041-5790-2023-9-95-99 (in Russian)
- Чикишева Т. А., Комарова А. Г., Прокопьев С. А., Прокопьев Е. С., Алексеева О. Л. Минералого-технологическая оценка отходов углеобогатительной фабрики «Краснобродская-Коксовая» // Технологическая минералогия в оценке качества минерального сырья природного и техногенного происхождения: Сб. ст. по материалам докл. XV Росс. семинара по технолог. минералогии / Под ред. В. В. Щипцова, Е. Н. Световой; Институт геологии КарНЦ РАН. Петрозаводск: КарНЦ РАН, 2023. С. 43—46. doi: 10.17076/TM15_57
- Chikisheva T. A., Komarova A. G., Prokopyev S. A., Prokopyev E. S., Alekseeva O. L. Mineralogical and technological assessment of waste from the Krasnobrodskaya-Koksovaya coal processing plant. Technological mineralogy in assessing the quality of mineral raw materials of natural and technogenic origin: collection of articles based on the materials of the reports of the XV Russian seminar on technological mineralogy. Eds. V. V. Shchiptsov, E.N. Svetova. Petrozavodsk: Karelian RC RAS, 2023, pp. 43—46. doi: 10.17076/TM15_57 (in Russian)
- Ali Ucar, Oktay Sahbaz, Nezahat Ediz, Ismail Goktay Ediz An investigation into the enrichment of coal wastes of Western Lignite Company (WLC) by physical and physico-chemical methods // Madencilik — Mining, 2023, V. 62 (1), pp. 7—15. https://doi.org/10.30797/madencilik.1111260
- Debjani N., Bidyut D., Rashmi S., Santosh S., Ajinkya M., Pratik Swarup D. Effect of grinding behavior on liberation of coal macerals // ISIJ International, 2022, V. 62, No. 1, pp. 99—103, https://doi.org/10.2355/isijinternational.ISIJINT-2021-209
- Jay N. Meegoda, Li-ming HU, Nabil M. A. AL-Joulani Solid waste and ecological issues of coal to energy // Journal of Hazardous, Toxic and Radioactive Waste, April 2021, pp.99—107. doi: 10.1061/(ASCE)HZ.1944-8376.0000071
- Menshikova E., Blinov S., Belkin P., Ilaltdinov I., Volkova M. Dumps of the Kizel coal basin as a potential source of rare and rare-earth elements // Science and Global Challenges of the 21st Century, 2022, LNNS 342, pp. 352—361, https://www.researchgate.net/deref/https %3A %2F %2Fdoi.org %2F10.1007 %2F978-3-030-89477-1_35
- Nguyen Cong Thang, Nguyen Van Tuan The potential use of waste rock from coal mining for the application as recycled aggregate in concrete // Proceedings of the International Conference on Innovations for Sustainable and Responsible Mining, 2021, V. 1, pp. 550—561. doi: 10.1007/978-3-030-60839-2_29
- Yoginder P. Chugh, Paul T. Behum Coal waste management practices in the USA: an overview // International Journal of Coal science and technology, 2014, 1 (2), pp. 163—176. doi: 10.1007/s40789-014-0023-4
Supplementary files







