Conditions for the formation of ore-bearing Lower-Middle Paleozoic sedimentary formations of the Chatkal-Qurama Mountains of Uzbekistan
- Авторлар: Munduzova M.A.1
-
Мекемелер:
- Institute of Geology and Geophysics named after Kh. M. Abdullayev
- Шығарылым: № 2 (2024)
- Беттер: 17-29
- Бөлім: Scientific articles
- URL: https://bakhtiniada.ru/2712-7761/article/view/273160
- DOI: https://doi.org/10.19110/geov.2024.2.2
- ID: 273160
Дәйексөз келтіру
Толық мәтін
Аннотация
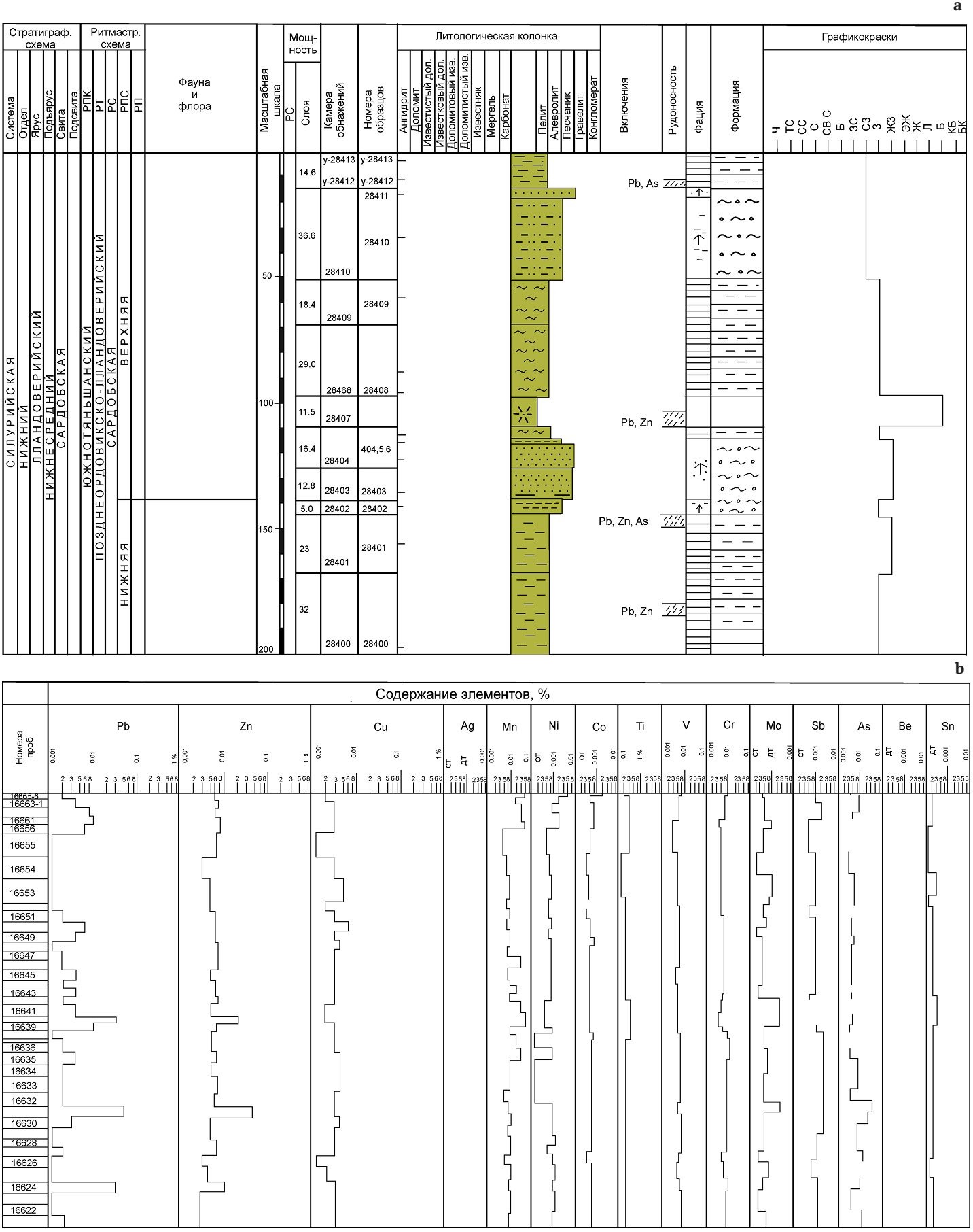
The article describes stratiform lead-zinc and polymetallic deposits in Paleozoic sedimentary rocks of the southwestern Tien Shan of the Chatkal-Qurama Mountains using rhythmostratigraphic analysis developed by professor at Tashkent State University V. I. Popov (Popov et al., 1963; Popov, 1980). Tectonic movements play a major role in the formation of new structural elements of the lithosphere and the earth's surface. Large tectonic movements spread over large areas and become regional tectonic rhythms. Considerable phases of tectonic movements were divided into smaller phases. We observed the change in formational composition: the boundary and beginning of the rhythm series were dominated by clastic facies of mobile shallow water (surf-clastic), closer to the beltv — quiet-water or stagnant (Popov et al., 1963; Popov, 1980). We stadied the northwestern slopes of the Qurama ridge in the upper reaches of the Karakiya River. Lithological-facies sections and maps of actual materials were made in the study areas. Early Silurian sediments of the were formed in the conditions of a quiet-water (central-sedimentary) shallow-water basin, zones under the influence of bottom currents (bottom current) and deltaic (underwater deltaic) facies belt; Devonian-Lower Carboniferous sediments were accumulated in wave surf zone, bay (shallow-flood belt) and underwater delta (underwater delta belt).
Three ore-bearing units with high contents of gold, copper, lead, zinc and a number of other metals were identified in the Lower Silurian terrigenous formations. Black dolomites of the stagnant zone of a shallow-water bay (shallow-bay facies) with high contents of lead were identified in the Devonian sedimentary formations. The confinement of increased concentrations of polymetals to certain layers and units of sedimentary dolomite rocks enriched in organic matter indicates that the accumulation of dispersed ore matter is syngenetic to the sedimentation process.
Авторлар туралы
M. Munduzova
Institute of Geology and Geophysics named after Kh. M. Abdullayev
Хат алмасуға жауапты Автор.
Email: mavlyuda.munduzova1956@gmail.com
Өзбекстан, Tashkent
Әдебиет тізімі
- Алексеев В. П. Атлас субаквальных фаций нижнемеловых отложений Западной Сибири (ХМАО-Югра). Екатеринбург: Изд-во УГГУ, 2014. 284 с. Alekseev V. P. Atlas of subaqueous facies of the Lower Cretaceous deposits of Western Siberia (KhMAO-Yugra). Ekaterinburg: USMU Publishing House, 2014, 284 p. (in Russian)
- Волков А. В., Галямов А. Л. Геофизическая модель земной коры, геодинамические обстановки, перспективы открытия месторождений золота карлинского типа в арктической зоне Республики Саха (Якутия) // Арктика: Экология и экономика. 2020. № 1. С. 86—87. Volkov A. V., Galyamov A. L. Geophysical model of the earth’s crust, geodynamic conditions, prospects for the discovery of Carlin-type gold deposits in the Arctic zone of the Republic of Sakha (Yakutia). Arctic: Ecology and Economics, No. 1, 2020, pp. 86—87. (in Russian)
- Волков А. В., Сидорова А. А. Геолого-генетическая модель месторождения золота карлинского типа // Литосфера. 2016. № 6. С. 89—96. Volkov A. V., Sidorova A. A. Geological and genetic model of the Carlin type gold deposit. Lithosphere, 2016, No. 6, pp. 89—96. (in Russian)
- Голованов И. М. Меднорудные формации Западного Тянь-Шаня. Ташкент: Фан, 1978. С. 15—28. Golovanov I. M. Copper ore formations of the Western Tien Shan. Tashkent: Fan, 1978, pp. 15—28. (in Russian)
- Ибламинов Р. Г. Геология и генезис месторождений эндогенной серии. Пермь, 2019. 232 с. Iblaminov R. G., Geology and Genesis of Endogenous Series Deposits. Perm, 2019, 232 р. (in Russian)
- Карбонатные, силицитовые и удаленные пелитовые формации Средней Азии // Генетические типы и этапы образования свинцово-цинкового оруденения в Алмалыкском рудном районе: Сб. науч. тр. 1982. № 678. C. 273—274. Carbonate, silicite and remote pelitic formations of Central Asia. Collection of scientific papers Genetic types and stages of formation of lead-zinc mineralization in the Almalyk ore region, 1982, 678, pp. 273—274. (in Russian)
- Плещенко И. В., Малахова Н. А. Детальное литолого-фациальное изучение рудовмещающих карбонатных формаций (D2-С1) северо-западной части Центрального блока и сопредельных районов. Ташкент, 1980, 170 с. Pleschenko I. V., Malakhova N. A. Detailed lithologic-facies study of ore-bearing carbonate formations (D2-C1) of the northwestern part of the Central block and adjacent areas. Tashkent, 1980, 170 p. (in Russian)
- Плещенко И. В., Мирзаев А. У., Кушаков А. Р., Булина В. Р., Ильхамов Г. Х. Месторождения и рудопроявления свинца и цинка в девонских формациях Западного Тянь-Шаня // Основные проблемы магматической геологии Западного Тянь-Шаня: Материалы республ. науч. конф., посвящ. пам. акад. Т. Н. Далимова. Ташкент, 2012. С. 62—65. Pleschenko I. V., Mirzaev A. U., Kushakov A. R., Bulina V. R., Ilkhamov G. Kh. Deposits and ore occurrences of lead and zinc in the Devonian formations of the Western Tien Shan. Main problems of igneous geology of the Western Tien Shan. Proc. of the Republican scientific conference dedicated to the memory of Academician T. N. Dalimov. Tashkent, 2012, pp. 62—65. (in Russian)
- Попов В. И. История депрессий и поднятий Западного Тянь-Шаня. Ташкент, 1958. 135 с. Popov V. I. History of depressions and uplifts of the Western Tien Shan. Tashkent, 1958, 135 р. (in Russian)
- Попов В. И. Динамический принцип фациального анализа осадочных формаций. Физические и химические процессы и фации. М.: Наука, 1947. С. 169—172. Popov V. I. Dynamic principle of facies analysis of sedimentary formations. Physical and chemical processes and facies. Moscow: Nauka, pp. 169—172. (in Russian)
- Попов В. И., Макарова С. Д., Филиппов А. А. Руководство по определению и методика фациально-палеогеографического картирования. М.: Гостоптехиздат, 1963. Popov V. I., Makarova S. D., Filippov A. A. Guide to the definition and methodology of facies-paleogeographic mapping, Moscow: Gostoptekhizdat, 1963. (in Russian)
- Попов В. И., Плещенко И. В., Панин В. И. К методике изучения стратиформных свинцово-цинковых месторождений. Процессы осадочно- и вулканогенно-осадочного накопления цветных металлов. Новосибирск: Наука, 1980. С. 102—108. Popov V. I., Pleschenko I. V., Panin V. I. Towards a methodology for studying stratiform lead-zinc deposits. Processes of sedimentary and volcanogenic-sedimentary accumulation of non-ferrous metals. Novosibirsk: Nauka, 1980, pp. 102—108. (in Russian)
- Старостин В. И. Металлогения: Учебник. М., 2021. C. 5—6. Starostin V. I. Metallogeny. Textbook. Moscow, 2021, pp. 5—6. (in Russian)
- Тугарова М. А., Жуковская Е. А. Атлас типовых фаций. Ижевск: Институт компьютерных исследований, 2019. 142 с. Tugarova M. A., Zhukovskaya E. A. Atlas of typical facies. Izhevsk: Institute of Computer Research, 2019, 142 p. (in Russian)
- Шишлов С. Б. Структурно-генетический анализ осадочных формаций. СПб.: С.-Петерб. горный институт, 2010. 276 с. Shishlov S. B. Structural and genetic analysis of sedimentary formations. St. Petersburg: St. Petersburg Mining Institute, 2010, 276 p. (in Russian)
- Barber J. A. Minerals exploration statistics for years 1980, 1981, And 1982 // Econ. Geology. 1984. Vol. 79. No. 7. Pp. 1768—1773.
- Rye R. O. A model for formation of carbonate-hosted dissetminated gold deposits based on geologic, fluid-inclusion geochemical and stable isotope stubdlies of the Carlin and Cortez deposits, Nevada. US. geol surv. bull., 1985, No. 1646. 24—25 р.
Қосымша файлдар





