Параметры и режимы работы гидравлической мини-сеялки мелкосемянных овощных культур
- Авторы: Труфляк Е.В.1, Скоробогаченко И.С.1, Коновалов В.И.1
-
Учреждения:
- Кубанский государственный аграрный университет
- Выпуск: Том 34, № 2 (2024)
- Страницы: 244-264
- Раздел: Агроинженерия
- Статья получена: 31.08.2024
- Статья одобрена: 31.08.2024
- Статья опубликована: 28.06.2024
- URL: https://bakhtiniada.ru/2658-4123/article/view/262770
- DOI: https://doi.org/10.15507/2658-4123.034.202402.244-264
- ID: 262770
Цитировать
Полный текст
Аннотация
Введение. В области выращивания сельскохозяйственных растений с использованием воды и суспензий обозначена тенденция развития гидропосева газонной травы. Направление менее изучено для посева мелких проклюнувшихся и пророщенных семян овощей, поскольку специализируется на семенах арбуза, тыквы, огурцов и табака. Отсутствуют исследования для гидропосева семян моркови, петрушки, укропа, салата, томатов и сельдерея. Таким образом, актуальными являются теоретические изыскания, направленные на обоснование способа и технических решений посева мелкосеменных культур в условиях открытого и закрытого грунта. Проблема заключается в отсутствии конструктивно-технологической схемы резервуара для формирования посевной смеси мелкосемянных культур, конструктивно-режимных показателей гидравлической мини-сеялки рядкового посева для повышения его эффективности.
Цель исследования. Оптимизация параметров и режимов работы гидравлической мини-сеялки рядкового посева.
Материалы и методы. Выполнялись теоретические исследования процесса гомогенизации посевной смеси, потребной мощности при работе резервуара для формирования посевной смеси. Лабораторные исследования проводились в Кубанском государственном аграрном университете, полевые – в личных подсобных хозяйствах Крымского района Краснодарского края.
Результаты исследования. Получены выражения, описывающие зависимость величины средней окружной скорости потока посевной смеси, а также мощности при работе резервуара для ее формирования при различных сочетаниях конструктивных и режимных параметров. Представлена аналитическая зависимость, описывающая величину концентрации семян в несущей среде в заданный момент времени на фиксированной точке высоты резервуара.
Обсуждение и заключение. Оптимальные параметры и режимы работы универсальной гидросеялки по шагу посева: частота вращения мешалки – 92 мин–1; величина открытия крана – 47 %; скорость сеялки – 3,1 м/с при шаге посева 20,5 мм; по коэффициенту вариации шага посева: частота вращения мешалки – 87 мин–1; величина открытия крана – 56 %; скорость сеялки – 2,7 м/с при вариации шага посева 15 %. Перспективным и заслуживающим дальнейшего развития направлением является использование суспензий для гидропосева овощных культур.
Ключевые слова
Полный текст
Введение. На территории России более 20 видов овощных культур имеют массовое распространение. Площади, отведенные под посев и сбор урожая овощных культур, в хозяйствах всех категорий за последние 5 лет показывают стабильный рост. Отрасль закрытого грунта в стране стремится к полному импортозамещению. По данным Росстата, уровень самообеспечения в 2021 г. достиг 71,7 %.
Для посева газонной травы в последнее время используется гидравлический способ, заключающийся в перемешивании в емкости семян, воды, геля, красителя, удобрений и их дальнейшем равномерном распределении через шланг на почву.
Способ использования воды и суспензий для посева мелких семян овощей является менее изученным. Обеспечение урожайности овощных культур закладывается на этапе качественного посева, но в настоящий момент отсутствуют универсальные сеялки для гидравлического посева мелкосемянных овощных культур (проклюнувшихся и пророщенных) с использованием в качестве перемешивающего и транспортирующего компонента воду.
Актуальными являются вопросы теоретического и экспериментального исследования способа гидравлического посева и технических решений для его осуществления в условиях открытого и закрытого грунта. Необходимо обосновать параметры и режимы работы универсальной гидравлической мини-сеялки мелкосемянных овощных культур.
Проблемой является отсутствие конструктивно-технологической схемы резервуара для формирования посевной смеси мелкосемянных культур, конструктивно-режимных показателей гидравлической мини-сеялки рядкового посева для повышения эффективности данного процесса.
Целью настоящей работы является оптимизация параметров и режимов работы гидравлической мини-сеялки рядкового посева.
Обзор литературы. Термином «гидропосев» в настоящее время обозначается способ посева травы для газонов и склонов. При таком методе применяется смесь, в которую входят семена, мульчирующий материал, краситель и другие элементы (рис. 1)1.
Р и с. 1. Фото гидропосева газонной травы
F i g. 1. Photo of hydroseeding lawn grass
Источник изображений: https://gazony.com/
Image source: https://gazony.com/
Наиболее распространенными являются гидросеялки водометного типа перемешивания, центробежный насос которых прокачивает пульпу в режиме рециркуляции (рис. 2) [1].
Р и с. 2. Типы гидросеялок
F i g. 2. Types of hydroseeders
Источник изображений: ru.wikipedia.org
Image source: ru.wikipedia.org
Гидросеялки универсального типа имеют в баке валы с лопастями для подготовки эмульсий, что обеспечивает равномерное распределение компонентов по объему и поддерживает их в гомогенном состоянии до опустошения бака [2].
Рассмотрим технологические решения для гидропосеве мелкосемянных культур. Гидросеялка СТР-2 (рис. 3), в которой взвешенное состояние семян обеспечивается механической и пневматической мешалками, предназначена для осуществления посева в теплицах [3–6].
Р и с. 3. Рядковая сеялка СТР-2
F i g. 3. Row seeder STR-2
Источник изображений: http://www.vniitti.ru/
Image source: http://www.vniitti.ru/
На рисунке 4 представлена разбросная сеялка СПТ-2, агрегатируемая с трактором Т-16.
Р и с. 4. Разбросная сеялка СПТ-2
F i g. 4. Spreading seeder SPT-2
Источник изображений: http://www.vniitti.ru/
Image source: http://www.vniitti.ru/
С целью обеспечения равномерного расхода рабочей жидкости с семенами предложено посевное устройство с сосудом Мариотта, предназначенное для посева при постоянном давлении (рис. 5). Также разработана гидросеялка с пневматическим способом перемешивания (рис. 6).
Р и с. 5. Схема сеялки
F i g. 5. Seeder diagram
Источник изображений: http://www.vniitti.ru/
Image source: http://www.vniitti.ru/
Р и с. 6. Схема для гидравлического посева семян
F i g. 6. Diagram for hydraulic seed sowing
Источник изображений: http://www.vniitti.ru/
Image source: http://www.vniitti.ru/
Учеными Волгоградского государственного аграрного университета предложена сеялка для посева пророщенных семян на основе сеялки СУПН-8 (рис. 7, 8) [7; 8].
Р и с. 7. Общий вид сеялки
F i g. 7. General view of the planter
Источник изображений: https://volgau.com/
Image source: https://volgau.com/
Р и с. 8. Посев пророщенных овощных культур
F i g. 8. Sowing germinated vegetable crops
Источник изображений: https://volgau.com/
Image source: https://volgau.com/
Гидравлическая сеялка [9] снабжена механической мешалкой с П-образными перемешивающими элементами для равномерного распределения семян в воде при небольшой частоте вращения.
В работах Е. В. Труфляка и соавторов изучен гидравлический посев овощных культур с электроактивированной водой [10; 11].
Анализ исследований по теме показал, что существующие машины не предназначены для посева семян овощных культур, так как не обеспечивают равномерное перемешивание их с водой. В случае посева пророщенных семян они могут их травмировать. В настоящей работе предлагается схема уникальной гидросеялки, которая позволяет высевать различные овощные культуры с проклюнувшимися ростками. Разработанная гидросеялка может использоваться и в теплицах.
В предлагаемой нами сеялке для мелкосемянных овощных культур в высевающем аппарате использована мешалка, предназначенная для смешивания семян с водой, поддержания однородности и равномерного перемещения в семяпровод.
С целью рассмотрения вопроса степени технической проработки результатов интеллектуальной деятельности в области гидропосева проведен патентный анализ (табл. 1) по сайту Федерального института промышленной собственности2, а также реестру патентов и изобретений3.
На основании обзора патентов и авторских свидетельств в области конструкций сеялок для гидравлического посева выявлен ряд недостатков: отсутствие возможности рядкового посева различных мелкосемянных овощных культур; сложность конструкций, имеющих дополнительные пневматические устройства; неравномерное перемешивание семян; неравномерный высев мелкосемянных овощных культур в ряды; повреждение предварительно пророщенных семян и ростков, налипание их на детали.
Т а б л и ц а 1. Результаты патентного обзора
T a b l e 1. Results of the patent review
Номер патента / Patent number | Название / Title | Особенности / Features | Недостатки / Disadvantages |
2287924 [12] | Однорядковая гидросеялка ручная / Single row manual hydroseeder | Имеет камеру, содержащую мешалку и измельчитель течения семенного материала. Гидросеялка имеет шланговый семяпровод с регулировкой подачи смеси / It has a chamber containing an agitator and a seed flow chopper. The hydroseeder has a hose-type seed pipe with adjustment of the mixture supply | Отсутствие равномерного перемешивания семян / Lack of uniform mixing of seeds |
1217278 [13] | Устройство для высева семян / Seed sowing device | Содержит бункер, в котором имеется дозатор в виде золотника приводного / Contains a hopper having a metering unit in the form of a spool drive spool | Не обеспечивает посев мелких семян / Does not ensure sowing of small seeds |
2536932 [14] | Гидропневматическое посевное устройство / Hydropneumatic seeding unit | При движении струя жидкости из насадки обеспечивает образование борозды / When moving, the liquid jet from the nozzle provides a furrow formation | Сложность конструкции / Complexity of design |
2028744 [15] | Гидравлическая сеялка / Hydraulic seeder | Имеет дождевальный ствол с соплом, насос с редуктором и всасывающей линией, механизм вращения дождевального ствола, навесное устройство и трактор / It has a sprinkler barrel with nozzle, pump with gearbox and suction line, sprinkler barrel rotation mechanism, hitch and tractor | Отсутствует возможность рядкового посева овощных культур / No possibility to sow vegetable crops in rows |
2275784 [16] | Высевающий аппарат / Seeding unit | Предназначен для посева пророщенных семян. Ячейки выполнены по форме и размерам семени и размещены на периферийной части / Designed for sowing germinated seeds. Cells are made according to the shape and size of the seed and are placed on the periphery of the seed | Налипание семян овощных культур на детали, повреждение семян и ростков / Vegetable seeds sticking to parts, damage to seeds and sprouts sprouts |
113449 [17] | Аппарат для посева проросших семян овощных культур / Apparatus for sowing germinated vegetable seeds | Имеет диск с ячейками в виде ложечек по форме семян. В корпусе установлен уловитель с высевным окном. На дне семенного ящика расположено отверстие, которое подсоединено к компрессору / It has a disk with spoon-shaped cells in the shape of seeds. In the housing there is a catcher with a sowing window. There is an opening at the bottom of the seed box which is connected to the compressor | Дополнительное пневматическое устройство усложняет конструкцию / The additional pneumatic device makes the design more complex |
3263 Республика Беларусь [18] / Republic of Belarus | Насадок для распределения пленкообразующих эмульсий / Nozzle for distributing film-forming emulsions | Содержит диск / It contains a disc | Предназначен для посева газонной травы, а не овощных культур / Designed for sowing lawn grass, not vegetable crops |
Источник: здесь и далее в статье все таблицы составлены авторами.
Source: Hereinafter in this article all tables were drawn up by the authors.
Рассмотрим зарубежные работы в данном направлении.
В своем исследовании П. Бансал освещает вопрос разработки и производства высевающего аппарата, основанного на гидравлическом принципе таких семян, как рис, арахис, горох, кукуруза и др. [19].
Исследование пневматического оборудования для высева мелких семян в стаканчики представлено в работе В. Пастухова и соавторов [20].
Разработан комплект гидроструйного устройства для автоматического управления тремя операциями: сбрасыванием, подачей семян и контролем струи семян [21].
Влияние гидропосева на урожайность трав и эффективность использования воды на искусственных почвенных склонах лесных дорог рассмотрено в статье А. Парсаху и коллег [22].
Существующие гидросеялки не обеспечивают равномерного перемешивания семян овощных культур с водой. В случае посева пророщенных семян они могут травмировать их. В настоящей работе предлагается универсальная гидросеялка, которая позволяет высевать различные овощные культуры с проклюнувшимися ростками.
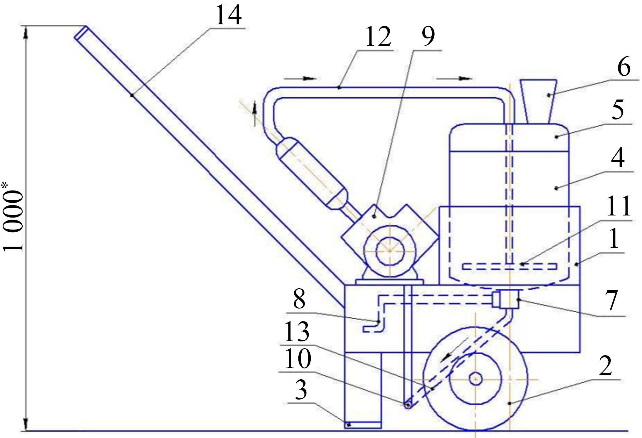
Материалы и методы. Экспериментальная установка гидросеялки автоматизированной с электрическим приводом мешалки и заслонки представлена на рисунке 9.
Р и с. 9. Гидросеялка автоматизированная с электрическим приводом мешалки и заслонки: а) вид спереди; б) общий вид; 1 – АКБ; 2 – моторедуктор для привода мешалки; 3 – двигатель для привода колес; 4 – электропривод заслонки; 5 – кнопки включения привода колес, мешалки, электроцилиндра; 6 – пульт дистанционного управления. Автор фотографий Е. В. Труфляк, 2023 г.
F i g. 9. Automated hydroseeder with electric drive of agitator and flap: a) front view; b) general view; 1 – battery; 2 – geared motor for agitator drive; 3 – motor for wheel drive; 4 – electric drive of flap; 5 – buttons for wheel drive, agitator, electric cylinder; 6 – remote control unit. The photos are made by E.V. Truflyak, 2023
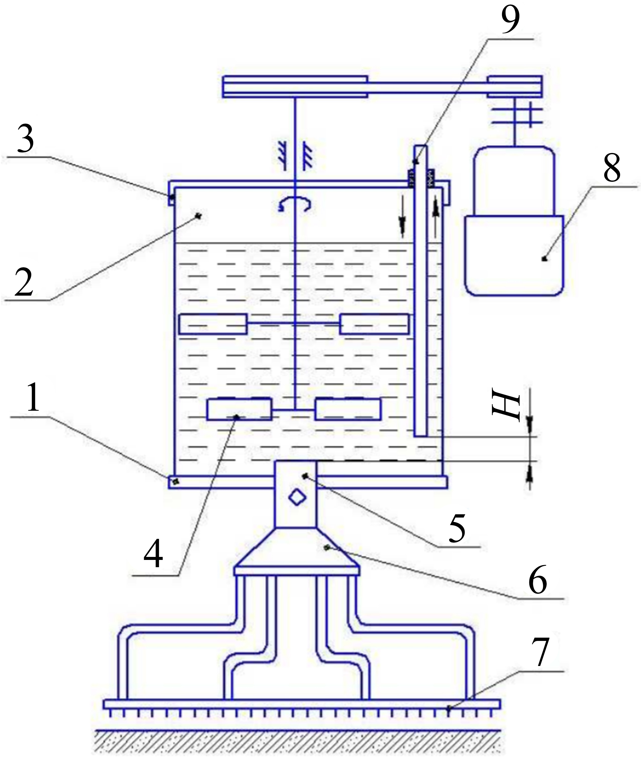
В конструкции сеялки для устранения зависимости «уровень заполнения – скорость вылива» применялась конструкция сосуда Мариотта (рис. 10). Для увеличения равномерности распределения семян и предотвращения образования воронки использовались отражающие перегородки, которые служат для организации потока жидкости путем снижения окружной составляющей потока и увеличения осевой и радиальной составляющих.
Рис. 10. Бункер, выполненный с использованием принципа сосуда Мариотта: а) бункер в сборе с трубкой; б) трубка. Автор фотографий Е. В. Труфляк, 2023 г.
Fig. 10. Bunker made using the principle of Marriottʼs vessel: a) hopper assembled with a tube; b) tube. The photos are made by E.V. Truflyak, 2023
Полевые эксперименты выполнялись с использованием семян 10 овощных культур: моркови, укропа, салата листового, петрушки, редиса, лука, капусты белокачанной, томата, капусты цветной, огурцов.
Исследования проводились в Крымском районе на участке размером 10 на 15 м (рис. 11). Ширина междурядий – 25 см. Осуществлялся посев по 2 ряда каждым способом: гидропосев предварительно замоченных на 10 ч в воде семян; гидропосев предварительно незамоченных семян (семена заранее смешивались в бункере с водой); ручной посев.
Р и с. 11. Фото всходов овощных культур. Автор фотографии Е. В. Труфляк, 2023 г.
F i g. 11. Photo of vegetable crops sprouting. The photos are made by E.V. Truflyak, 2023
Результаты исследования. Рассмотрим общий расход посевной смеси с учетом исследований В. А. Архипова, А. С. Усанина и др. (рис. 12)4:
(1)
где Qсм – расход посевной смеси, м3/с; nр – количество одновременно засеваемых рядков, шт.; aм – величина междурядья, м; Q – норма высева, кг/га; Vс – скорость движения сеялки, км/ч; tд – время движения сеялки, с; Rотв – радиус выпускного отверстия, м; СV – объемная доля семян в смеси; ρсем – плотность семян, г/м3.
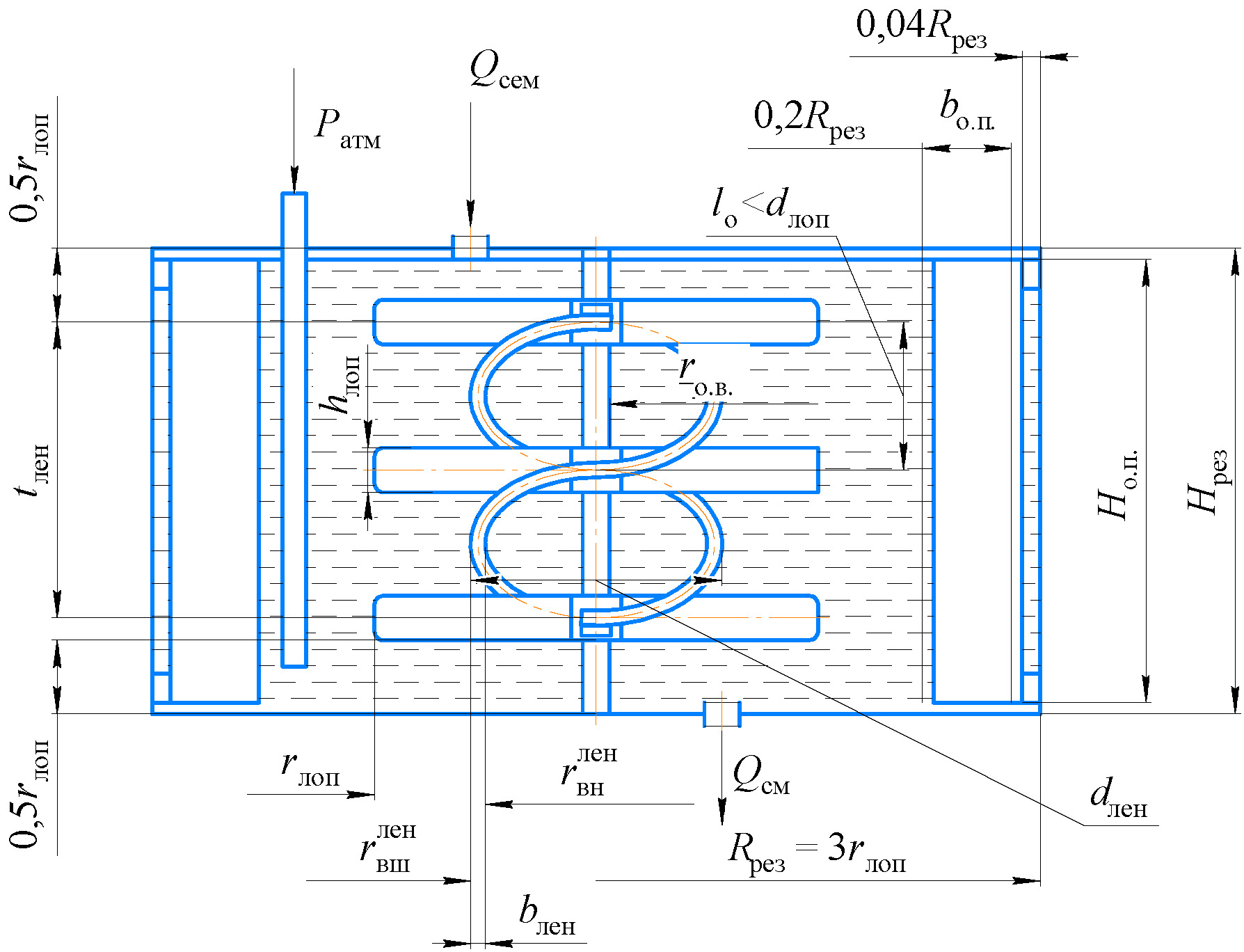
Разработанная конструктивно-технологическая схема резервуара для формирования посевной смеси мелкосемянных культур (рис. 13) предусматривает работу в двух режимах. В первом режиме в резервуар заливается жидкая среда и засыпаются семена, затем включается привод мешалки и в резервуаре создается гомогенная концентрация смеси семян и жидкой среды. Во втором режиме начинается рабочий ход сеялки, одновременно с которым открывается дозирующее устройство и производится высев семян. Таким образом, в первом режиме работы необходимо определить параметры действия перемешивающего устройства для создания гомогенно-концентрированной смеси.
Наиболее часто в полуэмпирических гипотезах турбулентного движения макромасштабное распределение концентраций твердых частиц в потоке рассматривается как результат двух одновременно протекающих процессов – конвективного переноса в направлении течения осредненного потока смеси и турбулентной диффузии. Интенсивность турбулентного переноса твердых частиц в жидкой среде определяется коэффициентом диффузии DТ, который характеризуется величиной его составляющих по осям, называемым локальными значениями коэффициента турбулентной диффузии . При этом выражение для макромасштабного переноса твердых частиц в несущей среде, с учетом составляющих направления течения и турбулентной диффузии, имеет вид:
(2)
где с – концентрация; t – момент времени, с; – локальные значения коэффициентов турбулентной диффузии в направлении осей x, y, z, м2/с; Vx, Vy, Vz – составляющие скорости осредненного потока смеси в направлении осей x, y, z, м/с.
На рисунке 14 показана схема диффузионно-циркуляционной модели резервуара для формирования посевной смеси мелкосемянных культур.
Р и с. 12. Зависимости «расход посевной – конструктивно-режимные параметры сеялки» при nр = 1; aм = 0,5 м; Rотв = 0,02 м; ρсем = 120 кг/м3
F i g. 12. Dependencies «seed rate – design and mode parameters of the seeder» at nр = 1; aм = 0.5 m; Rотв = 0.02 m; ρсем = 120 kg/m3
Источник: составлено авторами.
Source: Compiled by the authors.
Р и с. 13. Конструктивно-технологическая схема резервуара для формирования посевной смеси мелкосемянных культур
F i g. 13. Structural-technological scheme of the tank for the formation of seed mixture of small-seeded crops
Источник: составлено авторами.
Source: Compiled by the authors.
Р и с. 14. Схема диффузионно-циркуляционной модели резервуара для формирования посевной смеси мелкосемянных культур: а) вид сбоку; б) вид сверху
F i g. 14. Schematic diagram of diffusion-circulation model of the reservoir for formation of a seed mixture of small-seeded crops sowing mixture of small-seeded crops: a) side view; b) top view
Источник: составлено авторами.
Source: Compiled by the authors.
Зависимость крутящего момента от радиуса резервуара, оборотов мешалки и плотности смеси имеет криволинейный вид, при этом наибольшее влияние оказывает радиус резервуара, а наименьшее – плотность смеси (рис. 15).
При увеличении радиуса резервуара Rрез с 0,1 до 0,6 м крутящий момент Мкр возрастает практически в 7 800 раз, а при увеличении плотности ρсм смеси с 800 до 1800 кг/м3 момент Мкр возрастает в 2,3 раза. Перечисленные элементы такое же влияние оказывают на величину средней окружной скорости. Поскольку в посевных машинах радиус резервуара заложен конструктивно и в процессе эксплуатации не изменяется, то наиболее целесообразно в качестве регулировочного параметра использовать обороты мешалки. Изменение плотности посевной смеси путем увеличения концентрации семян или использования в качестве несущей среды жидкости с большей плотностью будет приводить к незначительному росту крутящего момента, а также момента сопротивления, что не будет оказывать существенного влияния на процесс гомогенизации посевной смеси.
Мощность, необходимая для перемешивания посевной смеси, представлена следующим образом:
(3)
где ωмеш – угловая скорость мешалки, рад/с; ρсм – плотность смеси, кг/м3; Rрез – радиус резервуара, м; Hрез – величина заполнения резервуара, м; ; .
Р и с. 15. График зависимости крутящего момента мешалки и общего момента сопротивления резервуара для формирования посевной смеси мелкосемянных культур при Но.п. = ⅔Нрез, Нрез = 3Rрез, μ = 1,002·10-3 Па·с
F i g. 15. Graph of dependence of agitator torque and total torque of the tank resistance for the formation of the seed mixture of small-seeded crops at Но.п. = ⅔Нрез, Нрез = 3Rрез, μ = 1.002·10-3 Па·с
Источник: составлено авторами.
Source: Compiled by the authors.
Концентрацию семян в несущей среде в заданный момент времени на фиксированной точке высоты резервуара запишем как:
(4)
где ; Vэф – эффективная скорость потока, м/с; Dэф – эффективный коэффициент турбулентного переноса; vос – скорость осаждения (всплытия) семян на поверхности, м/с; h – рассматриваемая точка резервуара, м.
Графики зависимости (4) концентрации семян в несущей среде при h = Нрез от времени их пребывания в несущем потоке при различном числе оборотов мешалки представлены на рисунке 16.
Р и с. 16. Графики зависимости концентрации семян в несущей среде при h = Нрез от времени их пребывания в несущем потоке, при Rрез = 0,2 м, Но.п. = ⅔Нрез, Нрез = 3Rрез, μ = 1,002·10−3 Па·с, ρсем = 120 кг/м3, СV = 0,02
F i g. 16. Plots of dependence of seed concentration in the carrier medium at h = Нрез on the time of their stay in the carrier flow, at Rрез = 0.2 м, Но.п. = ⅔Нрез, Нрез = 3Rрез, μ = 1.002·10−3 Па·с, ρсем = 120 кг/м3, СV = 0.02
Источник: составлено авторами.
Source: Compiled by the authors.
Зависимость распределения семян по объему резервуара носит экспоненциальный характер. При увеличении оборотов мешалки с 60 до 140 мин–1 время на выравнивание концентрации уменьшается с 200 до 10 с. Для работы при оборотах мешалки от 60 мин–1 и менее потребуется значительное время для гомогенизации посевной смеси. При работе от 100 до 140 мин–1 и более время для гомогенизации посевной смеси уменьшается в пределах 5–7 с. Таким образом, при работе резервуара для формирования посевной смеси в заданных условиях и параметрах необходимо использовать обороты мешалки от 70 до 130 мин–1.
При гидропосеве наблюдается повышение урожайности по сравнению с обычным ручным способом посева (табл. 2, рис. 17).
Т а б л и ц а 2. Результаты уборки урожая
T a b l e 2. Harvesting results
Культура / Culture | День измерения / Day measurements | Повышение урожайности при гидропосеве, % / Yield increase at hydroseeding, % | Фото / Photo |
Укроп / Dill | 50 | 27 | |
Петрушка / Parsley | 77 | 36 | |
Огурцы / Cucumbers | 91 | 61 | |
Томат / Tomato | 104 | 22 | |
Лук / Onions | 140 | 41 |
С целью определения оптимальных параметров и режимов работы гидравлической сеялки проводилось планирование эксперимента. В качестве модели выбрали полином второго порядка. Факторы были определены в результате предварительно проведенных однофакторных опытов, а также их фиксированных значений и выбраковки несущественных факторов (табл. 3).
Были выбраны следующие параметры оптимизации: шаг посева по длине и ширине ряда, коэффициент вариации по длине и ширине ряда.
Р и с. 17. Масса растений с одного ряда: 1 – гидропосев семян замоченных; 2 – гидропосев; 3 – посев вручную
F i g. 17. Weight of plants from one row: 1 – hydroseeding of soaked seeds; 2 – hydroseeding; 3 – manual sowing
Источник: составлено авторами.
Source: Compiled by the authors.
При планировании задавались следующие условия и ограничения. Условия: неотрицательность факторов nм > 0; αк > 0; Vc > 0; каждый фактор принимает одно или несколько значений (nм = 1…n; αк = 1…n; Vc = 1…n); количественное выражение параметра оптимизации; результаты исследований должны быть воспроизводимыми. Ограничения: надежность результатов опыта α = 0,95; величина открытия крана 0 ≤ αк ≤ 75 %; ошибка ε = +3S.
Т а б л и ц а 3. Факторы и их уровни варьирования
T a b l e 3. Factors and their levels of variation
Уровни / Levels | Факторы | ||
частота вращения мешалки / rotational speed of agitator (х1), nм, мин–1 | величина открытия крана / valve opening value (х2), αк, % | скорость движения сеялки / seeder speed (х3), Vc, км/ч | |
Верхний уровень xi = +1 / Upper level | 130 | 75 | 4 |
Основной уровень xio = 0 / Basic level | 100 | 50 | 3 |
Нижний уровень xi = –1 / Lower level | 70 | 25 | 2 |
После математической обработки экспериментальных данных мы получили уравнения регрессии для шага посева (в натуральном виде):
– по длине ряда:
Yд = 20,631 – 1,69·х1 + 0,82·х2 + 0,04·х3 –
– 0,612·х1·х2 + 0,112·х1·х3 + 1,313·х2·х3 – 1,331·х + 2,419·х + 1,219·х . (5)
– коэффициент вариации по длине ряда:
Yдv = 11,162 – 4,56·х1 – 1,59·х2 – 4,68·х3 +
+ 4,775·х1·х2 + 0,475·х1·х3 + 5,725·х2·х3 – 4,063·х + 8,287·х – 1,563·х . (6)
– по ширине ряда:
Yш = 20,256 + 0,15·х1 + 0,08·х2 – 0,12·х3 +
+ 1,238·х1·х2 – 0,038·х1·х3 – 0,187·х2·х3 – 2,756·х – 1,906·х + 4,594·х . (7)
– коэффициент вариации по ширине ряда:
Yшv = 15,75 – 7,14·х1 – 1,74·х2 + 4,62·х3 –
– 2,625·х1·х2 – 4,75·х1·х3 – 2,525·х2·х3 – 5,15·х – 6,85·х + 10,45·х . (8)
В качестве примера покажем поверхность оптимального значения коэффициента вариации шага посева по длине ряда (Yд, мм) от частоты вращения мешалки (nм, мин–1) и величины открытия крана (αк, %) при скорости движения сеялки Vc = 3,1 км/ч (рис. 18).
Оптимальные параметры и режимы работы универсальной гидросеялки по шагу посева следующие: частота вращения мешалки ‒ 92 мин–1; величина открытия крана – 47 %; скорость сеялки – 3,1 м/с при шаге посева 20,5 мм.
Р и с. 18. Поверхность зависимости Yд от nм и αк при Vc = 3,1 км/ч и ее сечение
F i g. 18. Surface of the dependence of Yд on nм and αк at Vc = 3.1 км/ч and its cross-section
Источник: составлено авторами.
Source: Compiled by the authors.
Оптимальные параметры и режимы работы универсальной гидросеялки по коэффициенту вариации шага посева: частота вращения мешалки ‒ 87 мин–1; величина открытия крана – 56 %; скорость сеялки – 2,7 м/с при вариации шага посева 15 %.
Обсуждение и заключение. Авторами настоящего исследования предложена конструктивно-технологическая схема универсальной гидравлической сеялки, позволяющая высевать различные овощные культуры с проклюнувшимися ростками в условиях открытого и закрытого грунта.
С помощью проведения теоретических исследований были получены выражения, описывающие зависимость величины средней окружной скорости потока посевной смеси, а также величину мощности при работе резервуара для формирования посевной смеси при различных сочетаниях конструктивных и режимных параметров. В процессе работы резервуара для формирования посевной смеси при одинаковых оборотах мешалки и увеличения радиуса Rрез с 0,1 до 0,6 м потребная мощность N на привод возрастает в 7 800 раз.
Получена аналитическая зависимость, описывающая величину концентрации семян в несущей среде в заданный момент времени на фиксированной точке высоты резервуара. В работе резервуара для формирования посевной смеси при объемной доле семян в смеси СV = 0,02, радиусе резервуара Rрез = 0,2 м, высоте резервуара Нрез = 0,6 м, отражающих перегородок высотой Но.п. = 0,4 м, вязкости несущей среды μ = 1,002·10–3 Па·с, плотности семян ρсем = 120 кг/м3, увеличении числа оборотов мешалки с 70 до 130 мин–1 потребное время для достижения равномерной концетрации семян уменьшается с 64 до 10 с.
Предложенные в статье параметры и режимы работы гидросеялки для посева овощных культур могут быть использованы конструкторскими организациями при разработке серийных сеялок.
1 Испытания сеялки для посева семян гидравлическим способом / Е. И. Виневский [и др.] // Инновационные исследования и разработки для научного обеспечения производства и хранения экологически безопасной сельскохозяйственной и пищевой продукции : мат-лы Междунар. науч.-практ. конф. (06‒26 апреля 2015 г., г. Краснодар). Краснодар : ФГБНУ ВНИИТТИ, 2015. С. 249–252. EDN: TYVBBX
2 Федеральный институт промышленной собственности [Электронный ресурс]. URL: http://www.fips.ru (дата обращения: 25.12.2023).
3 Патентный поиск в РФ [Электронный ресурс]. URL: www.freepatent.ru (дата обращения: 25.12.2023).
4 Архипов В. А., Усанина А. С. Движение частиц дисперсной фазы в несущей среде : учеб. пособие. Томск : Издательский Дом Томского государственного университета, 2014. 252 с.; Брагинский Л. Н., Бегачев В. И., Барабаш В. М. Перемешивание в жидких средах. Л. : Химия, 1984. 336 с.
Об авторах
Евгений Владимирович Труфляк
Кубанский государственный аграрный университет
Автор, ответственный за переписку.
Email: trufliak@mail.ru
ORCID iD: 0000-0002-4914-0309
ResearcherId: D-1301-2018
доктор технических наук, профессор, заведующий кафедрой эксплуатации и технического сервиса, руководитель центра прогнозирования и мониторинга в области точного сельского хозяйства, автоматизации и роботизации
Россия, г. КраснодарИван Сергеевич Скоробогаченко
Кубанский государственный аграрный университет
Email: ivan-sk2008@yandex.ru
ORCID iD: 0009-0003-9293-6200
преподаватель-исследователь
Россия, г. КраснодарВладимир Иванович Коновалов
Кубанский государственный аграрный университет
Email: konovalov.v.i@mail.ru
ORCID iD: 0000-0003-2740-2010
доцент кафедры процессов и машин в агробизнесе
Россия, г. КраснодарСписок литературы
- Исследование работы элементов конструкции гидросеялки для посева овощных культур / Е. В. Труфляк [и др.] // Политематический сетевой электронный научный журнал Кубанского государственного аграрного университета. 2016. № 116. С. 943–956. EDN: VQUVUL
- Изучение работы высевающего аппарата гидросеялки / Е. В. Труфляк [и др.] // Политематический сетевой электронный научный журнал Кубанского государственного аграрного университета. 2016. № 116. С. 910–927 EDN: VQUVTH
- Виневский Е. И., Дьячкин И. И., Маслов Г. Г. Машинные технологии и комплексы технических средств для производства табака // Сборник научных трудов всероссийского научно-исследовательского института табака, махорки и табачных изделий. 2009. № 178. С. 284–292. EDN: RCUEWJ
- Виневский Е. И., Науменко А. Г., Пестова Л. П. Параметры устройства для обеспечения постоянного расхода жидкости в сеялке для рядкового посева семян рассадных культур гидравлическим способом // Политематический сетевой электронный научный журнал Кубанского государственного аграрного университета. 2018. № 141. С. 19–29. https://doi.org/10.21515/1990-4665-141-003
- Теоретико-экспериментальное обоснование режимов процесса гидравлического посева семян рассадных культур в почву / Е. И. Виневский [и др.] // Политематический сетевой электронный научный журнал Кубанского государственного аграрного университета. 2020. № 159. С. 348–356. http://dx.doi.org/10.21515/1990-4665-159-024
- Виневский Е. И., Пестова Л. П., Науменко А. Г. Теоретико-экспериментальные основы процесса рядкового посева семян гидравлическим способом // Сборник научных трудов всероссийского научно-исследовательского института табака, махорки и табачных изделий. 2019. № 182. С. 234–244. EDN: WLTVQT
- Лазаренко Я. С., Цепляев А. Н. Теоретическое определение скорости перемещения семени в гидропневматическом высевающем аппарате // Известия Нижневолжского агроуниверситетского комплекса: наука и высшее профессиональное образование. 2013. № 4 (32). С. 232–236. URL: https://volgau.com/izvestiya (дата обращения: 01.09.2023).
- Цепляев А. Н., Лазаренко Я. С. Посев пророщенных семян // Сельский механизатор. 2012. № 8. С. 12–13. EDN: RDUFLX
- Сеялка для рядкового высева семян : патент 2530497 Российская Федерация / Труфляк Е. В., Яркин Д. С., Яркин С. С. № 2013119350/13 ; заявл. 25.04.2013 ; опубл. 10.10.2014, Бюл. № 28. 6 с.
- Труфляк Е. В., Курченко Н. Ю., Яркин Д. С. Изучение гидропосева овощных культур с применением электроактивированной воды // Политематический сетевой электронный научный журнал Кубанского государственного аграрного университета. 2014. № 96. С. 66–79. EDN: TYPFDX
- Посев семян овощных культур и табака гидравлическим способом с использованием электроактивированной воды / Е. В. Труфляк [и др.] // Техника и оборудование для села. 2015. № 1. С. 10–13. EDN: THYNER
- Ручная однорядная гидравлическая сеялка : патент 2287924 Российская Федерация / Яворский В. В., Иваненко В. П., Яворская В. В. № 2004134533/12 ; заявл. 26.11.2006 ; опубл. 26.11.2004, Бюл. № 13. URL: https://www.freepatent.ru/patents/2287924 (дата обращения: 01.09.2023).
- Гидросеялка : патент 1026679 СССР / Александрян К. В. [и др.]; заявл. 26.03.1982 ; опубл. 07.07.1983. URL: https://patenton.ru/patent/SU1026679A1 (дата обращения: 01.09.2023).
- Гидропневматическое посевное устройство : патент 2536932 Российская Федерация / Раднаев Д. Н., Прокопьев С. Н., Абидуев А. А. ; заявл. 06.05.2013 ; опубл. 27.12.2014. URL: https://www.freepatent.ru/patents/2536932 (дата обращения: 01.09.2023).
- Гидравлическая сеялка : патент 2028744 Российская Федерация / Подолько Н. М., Красковский В. Н. ; заявл. 09.10.1991 ; опубл. 20.02.1995. URL: https://patenton.ru/patent/RU2028744C1 (дата обращения: 01.09.2023).
- Высевающий аппарат : патент 2275784 Российская Федерация / Абеин В. Г. [и др.]. № 2004135620/12 ; заявл. 06.12.2004 ; опубл. 10.05.2006. URL: https://www.freepatent.ru/patents/2275784 (дата обращения: 01.09.2023).
- Дисковоложечный высевающий аппарат для посева проросших семян овощных культур : патент 113449 Российская Федерация / Цепляев А. Н., Лазаренко Я. С., Харлашин А. В. №2010132494/13 ; заявл. 02.08.2010 ; опубл. 20.02.2012. URL: https://patents.s3.yandex.net/RU113449U1_20120220.pdf (дата обращения: 01.09.2023).
- Насадок для распределения пленкообразующих эмульсий : патент 3263 Республика Беларусь / Кондратьев В. Л., Кapлoвcкий B. Ф., Самбурский Г. А. № 960337 ; заявл. 02.07.1996 ; опубл. 30.03.2000. URL: https://bypatents.com/4-3263-nasadok-dlya-raspredeleniya-plenkoobrazuyushhih-emulsijj.html (дата обращения: 01.09.2023).
- Bansal P. Parametric Analysis & Design Structure of Hydraulic Seed System // International Journal for Multidisciplinary Research. 2023. Vol. 5, Issue 3. 7 p. URL: https://clck.ru/3Ampun (дата обращения: 01.09.2023).
- Study of Seed Agitation in the Fluid of a Hydropneumatic Precision Seeder / V. Pastukhov [et al.] // Eastern-European Journal of Enterprise Technologies. 2020. 5 (1‒107). P. 36–43. https://doi.org/10.15587/1729-4061.2020.212517
- Shandong Y. Experimental Research on Hydro-Jet Seed Device // 2011 International Conference on New Technology of Agricultural. 2011. P. 207–211. https://doi.org/10.1109/ICAE.2011.5943785
- Parsakhoo A., Jajouzadeh M., Motlagh A. R. Effect of Hydroseeding on Grass Yield and Water use Efficiency // Journal of Forest Science. 2018. № 64. P. 157–163. https://doi.org/10.17221/2/2018-JFS
Дополнительные файлы










































