Вторичные метаболиты гиперпигментированного сорта сои Локус и их пространственное расположение, представленное методами лазерной микроскопии
- Авторы: Разгонова М.П.1,2, Черевач Е.И.2, Бутовец Е.С.3, Лукьянчук Л.М.3, Васина Е.А.3, Шепель О.Л.4, Голохваст К.С.1,5
-
Учреждения:
- Федеральный исследовательский центр Всероссийский институт генетических ресурсов растений им. Н. И. Вавилова (ВИР)
- Дальневосточный федеральный университет, Передовая инженерная школа «Институт биотехнологий, биоинженерии и пищевых систем»
- Федеральный научный центр агробиотехнологий Дальнего Востока им. А. К. Чайки
- Хабаровский федеральный исследовательский центр Дальневосточного отделения РАН обособленное подразделение «Дальневосточного научно-исследовательского института сельского хозяйства»
- Сибирский федеральный научный центр агробиотехнологий
- Выпуск: № 2 (2024)
- Страницы: 34-42
- Раздел: Растениеводство, защита и биотехнология растений
- URL: https://bakhtiniada.ru/2500-2627/article/view/260364
- DOI: https://doi.org/10.31857/S2500262724020078
- EDN: https://elibrary.ru/GTLRZY
- ID: 260364
Цитировать
Полный текст
Аннотация
Исследования проводили с целью детального метаболомного анализа методом тандемной масс-спектрометрии сорта сои Локус, отобранного из коллекции Федерального научного центра агробиотехнологий Дальнего Востока им. А. К. Чайки, для идентификации полифенольного состава семян и определения других химических групп в составе семени. Результаты тандемной масс-спектрометрии были дополнительно подкреплены визуальными данными, впервые полученными методом лазерной микроскопии. Объект исследования – семена сорта сои Локус. Эксперименты проводили на лазерном конфокальном микроскопе CLSM-800, масс-спектрометрию биологически активных веществ осуществляли с использованием ионной ловушки amaZon SL. В результате лазерной микроскопии отмечено богатое присутствие в семенах сои сорта Локус соединений полифенольного комплекса. Фенольные соединения сои пространственно расположены преимущественно в семенной кожуре и наружном слое семядолей. Антоцианов особенно много в палисадном слое. Эта информация может быть полезна для быстрой оценки сортов для селекции и селекции в отношении этих соединений. Полифенольные вещества сои, в частности антоцианы, пространственно локализованы преимущественно в семенной кожуре сои. Методом тандемной масс-спектрометрии идентифицировано присутствие 59 соединений, из них 35 входят в группу полифенольных. В экстрактах семян сои сорта Локус впервые идентифицировано 15 соединений, в том числе флавоны апигенин, акацетин, цирсимаритин; тетрагидроксифлавон аромадендрин 7-О-рамнозид; флавонолы изорамнетин, гексозид дигидрокемпферола; лигнан медиоресинол; флаван-3-олы эпиафзелехин, катехин, эпикатехин, кумарин томентин и др. Полученные данные помогут интенсифицировать будущие исследования по разработке и производству новых лекарственных препаратов, биологически активных и пищевых добавок, а также различных продуктов функционального и специализированного назначения, содержащих целевые экстракты сои.
Полный текст
Соя (Glycine max (L) Merr.) – экономически важный представитель семейства Fabaceae. Будучи известным источником дешевого концентрированного белка и растительного масла, соя на сегодняшний день приобрела мировое значение среди сельскохозяйственных культур. В последние годы производство сои в России демонстрирует стабильный рост из-за расширения посевных площадей и появления новых урожайных сортов [1, 2]. Прирост посевных площадей в 2021 г., относительно 2010 г., составил 134 %, а валовое производство увеличилось на 279 %. К основным регионам возделывания сои в России относят Амурскую, Курскую и Белгородскую области, а также Приморский и Краснодарский края – 62 % всех посевных площадей. Доля посевов этой культуры на Дальнем Востоке составляет 44 % от общероссийских [3, 4].
Семена сои в пересчете на сухую массу содержат 35…40 % белка, из которых 90 % составляют два запасных глобулина – 11S-глицинин и 7S β-конглицинин. Эти белки содержат все аминокислоты, необходимые для питания человека, что делает соевые продукты почти эквивалентными животным источникам по качеству белка, но с меньшим количеством насыщенных жиров и отсутствием холестерина. Кроме того, соя содержит такие биологически активные белковые компоненты, как гемагглютинин, ингибиторы трипсина, α-амилазы и липоксигеназы [5].
Среди исследователей и потребителей существует большой интерес к потенциальной роли сои и соевых продуктов в профилактике заболеваний. Клинические и научные данные выявили лечебную пользу компонентов сои при нарушениях обмена веществ и других хронических заболеваниях (диабет, ожирение, рак, остеопороз, климактерический синдром, анемия и др.). В качестве шага к пониманию механизмов влияния пищевых компонентов на здоровье важно изучить химический состав и выявить активные компоненты, ответственные за благотворное воздействие. Показано, что польза сои для здоровья обусловлена такими ее вторичными метаболитами, как изофлавоны, фитостеролы, лецитины, сапонины и др., в частности, отмечено, что изофлавоны, по-видимому, действуют в сочетании с белками, защищая от рака, сердечно-сосудистых заболеваний и остеопороза [6].
Все большее распространение получают новые прогрессивные методы исследования сои и соевых компонентов, например, лазерная микроскопия. Этот метод основан на способности химических веществ флуоресцировать при возбуждении лазером и может быть использован для визуализации расположения химических соединений в органах и тканях различных растений [7, 8]. Предыдущие микроскопические исследования сои на основе автофлуоресценции были сосредоточены на визуализации таких анатомических особенностей, как трехмерная (3D) внутренняя структура семени [9] и анатомия листа Glycine max (L.) Merr. [10].
Хотя при изучении сои широко используют различные методы микроскопии, большинство из которых ориентированы только на оптическую микроскопию, специфическое окрашивание белков или полисахаридов и анализ сигналов специфических антител с флуоресцентной меткой [11, 12].
Поэтому была предпринята попытка изучения полифенольного состава сои методом автофлуоресценции, который позволяет визуально регистрировать локализацию полифенольных компонентов в семенах. Такой простой метод, как регистрация сигналов автофлуоресценции, сильно недооценен и может дать достаточно большой объем информации без сложной подготовки проб. Несмотря на недостаточность использования этого метода без поддержки данных, например, рамановской спектроскопии или MALDI-спектрометрии, он применим для более глубокого анализа семян сои с точки зрения классов присутствующих в растительной матрице соединений.
Предлагаемый метод перспективен для сбора предварительных данных и анализа большого количества сортовых образцов. Использование такого подхода может обеспечить экономию времени, ресурсов и реагентов, а также повышение уровня исследований в лабораториях, не имеющих более сложного оборудования. Такой подход, предусматривающий использование сразу двух новых прогрессивных методов, можно считать пионерными в России.
Цель исследования – детальный метаболомный анализ методом тандемной масс-спектрометрии сорта сои Локус (дополнительно подкреплен визуальными данными, впервые полученными методом лазерной микроскопии) для идентификации как полифенольного состава семян, так и определения других химических групп в составе семени.
Методика. В качестве объекта исследования использовали семена сорта сои Локус (оригинатор – Дальневосточный научно-исследовательский институт сельского хозяйства – обособленное подразделение Хабаровского Федерального исследовательского центра Дальневосточного отделения РАН) из коллекции ФГБНУ «ФНЦ агробиотехнологий Дальнего Востока им. А. К. Чайки». Морфологическая, биометрическая и биохимическая характеристика сорта была составлена по результатам пятилетних исследований, учетов и наблюдений в условиях Приморского края. Сорт сои Локус индетерминантного типа роста, форма куста – раскидистая. Листья тройчатые овальной формы. Цветки белой окраски, собранные в кисти по 6…15 шт. Окраска опушения – рыжая. Бобы темно-коричневые. Период вегетации сорта 108…111 дней, хозяйственная урожайность – 21,1…22,9 ц/га. Высота растения 50…86 см, прикрепления нижних бобов – 10,0…14,0 см, толщина стебля 0,5…0,7 см. Семена черные, среднего размера, овально-шаровидные, рубчик семени черного цвета. Масса 1000 семян 140…155 г.
Семена сорта сои Локус для исследований выращены в 2022 г. на полевом участке лаборатории селекции сои ФГБНУ «ФНЦ агробиотехнологий Дальнего Востока им. А. К. Чайки», расположенном в п. Тимирязевский (вблизи г. Уссурийск). В 2022 г. складывались благоприятные условия для развития сои, при этом в отдельные декады с июня по сентябрь присутствовали избыточное увлажнение (сумма осадков за месяц превысила норму на 24,7…101,0 мм) и повышенный температурный фон, в сравнении с среднемноголетними значениями. Большее количество выпавших осадков зафиксировано в третьей декаде июня – 78,8 мм (среднемноголетнее 25,0 мм), второй декаде июля – 163,4 мм (среднемноголетнее 38,0 мм), третьей декаде августа – 81,7 мм (среднемноголетнее 45 мм). Благоприятное сочетание влаги и тепла способствовало формированию полноценных продуктивных завязей бобов, что позитивно отразилось на урожайности культуры.
Почва экспериментального участка – лугово-бурая отбеленная с тяжелым механическим составом, характеризовалась следующими агрохимическими показателями: рН солевой вытяжки – 6,2 (ГОСТ 26483-85), гидролитическая кислотность – 1,5 мг экв/кг почвы, N л. г. – 73,0 мг/кг почвы (ГОСТ Р 58596–2019), P₂O₅–89,0 мг/кг почвы и К₂О – 97,0 мг/кг почвы (ГОСТ Р 54650–2011), органическое вещество – 3,57 % (ГОСТ 2623-91). Урожай убран в фазе технической спелости семян. Семена хранили в морозильной камере при температуре –15 °C не более недели до начала экспериментов.
Для получения высококонцентрированных экстрактов проводили дробную мацерацию. Для анализа отбирали 50 г семян сои сорта Локус, при этом общее количество экстрагента (метилового спирта х. ч.) разделяли на 3 части и последовательно настаивали семена сои сначала с первой частью, затем со второй и третьей. Время экстрагирования каждой части представленной растительной матрицы составляло 7 дней [13]. Для идентификации в экстрактах целевых аналитов использовали высокоэффективную жидкостную хроматографию (ВЭЖХ) в комплексе с ионной ловушкой BRUKER DALTONIKS (тандемная масс-спектрометрия).
Для разделения многокомпонентных смесей использовали жидкостный хроматограф высокого давления Shimadzu LC-20 Prominence HPLC (Shimadzu, Япония), оборудованный UV-детектором и обратнофазной колонкой Shodex ODP-40 4E (250 × 4,6, размер частиц 4 мкм). Элюировали в градиенте от воды к ацетонитрилу (А, %): 0…4 мин – 0 % А; 4…60 мин – 25 % А; 60…75 мин – 100 % А; 75…120 мин – 100 % А, скорость потока 0,5 мл/мин. ВЭЖХ-анализ проводили на UV–VIS-детекторе SPD-20A (Kanda-Nishikicho 1-chrome, Shimadzu, Chiyoda-ku, Tokyo, Япония) при длинах волн 230 ηм и 330 ηм, температура 50 °C. Объем загрузочной петли составлял 200 мкл.
Масс-спектрометрические данные получали с использованием ионной ловушки amaZon SL (производство фирмы «BRUKER DALTONIKS», Германия), оснащенной источником ионизации электрораспылением ESI в режимах отрицательных и положительных ионов. Оптимизированные параметры получали следующим образом: температура источника ионизации – 70 °C, поток газа – 4 л/мин, газ-небулайзер (распылитель) – 7,3 psi, капиллярное напряжение – 4500 V, напряжение на изгибе торцевой пластины – 1500 V, фрагментатор – 280 V, энергия столкновения – 60 eV. Масс-спектрометр использовали в диапазоне сканирования m/z 100–1.700 для MС и МС/МС. Проводили фрагментацию 4 порядка. Идентификацию химических компонентов осуществляли путем сравнения их индекса удерживания, масс-спектров и фрагментации МС с базой данных библиотеки, созданной Группой биотехнологий, биоинженерии и пищевых систем «Передовые инженерные школы» Дальневосточного федерального университета (Россия) на основе результатов таких спектроскопических методов, как ядерный магнитный резонанс, ультрафиолетовая спектроскопия и МС, а также путем сравнения экспериментальных данных с известными научными результатами, опубликованными в открытой научной литературе, которые постоянно обновляются и пересматриваются.
С использованием лазерного конфокального микроскопа CLSM 800 (Zeiss, Германия) определяли параметры автофлуоресценции среза семян. Выявлено 4 основных пика автофлуоресценции: при возбуждении УФ-лазером (405 нм) – максимумы излучения в диапазонах 410…450 нм, 495…550 нм и 570…610 нм; при возбуждении синим лазером (488 нм) – максимум излучения составляет 575…610 нм, что соответствует максимуму излучения антоцианов. Изображения были получены с использованием увеличения 10× и 20× и модуля Airyscan для увеличения разрешения.
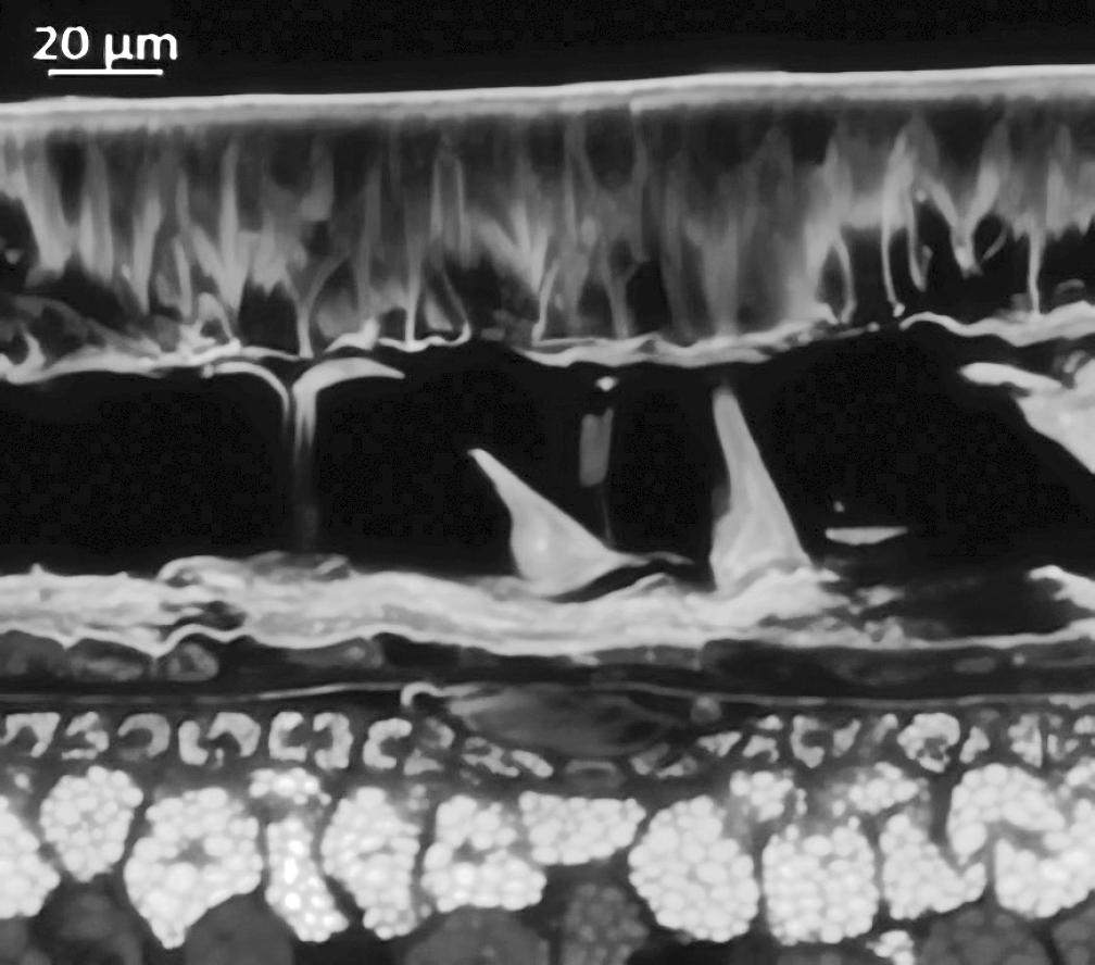
Результаты и обсуждение. Наблюдение автофлуоресценции позволяет сделать выводы о наличии и локализации флуоресцентных веществ в тканях растений. Повышенный уровень сигнала флуоресценции на отдельных участках отражает основные места накопления соединений определенных классов. На изображениях срезов семян сои зеленое автофлуоресцентное излучение при УФ-возбуждении исходит от феруловой кислоты и лигнина [14]. Следует отметить, что в алейронах отсутствует лигнин, а в стенках алейроновых клеток присутствуют кумаровая и диферуловая кислоты, которые могут способствовать автофлуоресценции таких клеточных стенок [15].
Неоднородность автофлуоресценции алейроновых клеточных стенок может быть дополнительно вызвана и другими веществами, например, кумаровой и диферуловой кислотами, обнаруженными в алейроновых клетках [16]. В технологии исследования семян метод автофлуоресцентной спектральной визуализации может применяться к флуоресцентным химическим соединениям, так называемым флуорофорам, играющим важную роль в биологии семян, включая пигменты (например, хлорофиллы) и такие структурные компоненты клеточной стенки, как лигнин [17, 18].
Когда флуоресцентные соединения стимулируются светом, они переводятся в возбужденное состояние в результате поглощения фотонов, а повторно излучаемый свет измеряется автофлуоресцентными спектральными датчиками изображения. Поглощение фотонов и испускание флуоресценции происходят одновременно [19, 20].
На мультиспектральном изображении семян сои сорта Локус наблюдали три основных максимума автофлуоресценции: в синей (400…475 нм), зеленой (500…545 нм) и красной (620…700 нм) областях спектра (рис. 1).
Рис. 1. Мультиспектральное изображение семян сои сорта Локус: возбуждение 405 нм, максимумы излучения в диапазонах 450…485 нм (1, синий цвет), 570…610 нм (2, зеленый цвет); возбуждение синим лазером (488 нм), максимум эмиссии 575…610 нм (3, красный цвет).
По литературным данным, синяя флуоресценция у растений обусловлена в основном наличием фенольных гидроксикоричных кислот [21]. Главный флуоресцентный компонент – феруловая кислота, но вклад во флуоресценцию могут вносить и другие гидроксикоричные кислоты (например, п-кумаровая и кофейная) [22]. Кроме того, лигнин считают хорошо известным источником синей флуоресценции растений. Он имеет широкий диапазон излучения из-за присутствия в молекуле нескольких типов флуорофоров и может наблюдаться при возбуждении УФ- и видимым светом [18]. Результаты предыдущих исследований свидетельствуют о низком содержании лигнина в семенной оболочке бобовых [23], а также слабой лигнификации семядолей [24]. Таким образом, большая часть синей флуоресценции семян сои исходит от гидроксикоричных кислот.
Рис. 2. Пространственное расположение антоцианов (а) и гидроксикоричных кислот (б) в семенах сои сорта Локус.
В ходе исследования установлено наличие и пространственное расположение антоцианового содержания в семенах сои сорта Локус (красный цвет, рис. 2 а), и пространственное расположение гидроксикоричных кислот (синий цвет, рис. 2 б). Уровень сигнала красной флуоресценции хорошо коррелирует с цветом семян. Результаты микроскопических исследований свидетельствуют, что палисадный слой черносемянного сорта Локус имеет яркую красную флуоресценцию (см. рис. 1, рис 2 б). Ранее сообщалось, что черный цвет семенной кожуры бобовых – следствие большого количества антоцианов [25]. Это подтверждает, что ярко-красная флуоресценция вызвана именно перечисленными соединениями полифенольной группы.
Рис. 3. Наличие и пространственное расположение полифенольной группы соединений в семенах сои сорта Локус.
Зеленая автофлуоресценция (рис. 3), индуцированная синим светом, в диапазоне 500…545 нм может быть объяснена присутствием флавонов, флавонолов, флаван-3-олов (апигенина, генистеина, лютеолина, изорамнетина, лютеолина, эпикатехина и др.) и их производных [26, 27].
Метод тандемной масс-спектрометрии использован для идентификации вторичных метаболитов полифенольной группы в семенах сои, присутствие которых отражено на снимках лазерной микроскопии (см. рис. 1–3). Уточнение метаболомного состава – чрезвычайно важный аспект биохимического анализа. В результате масс-спектрометрического исследования предварительно выделено 59 химических соединений, присутствующих в сое сорта Локус, из них 35 соединений представляли собой соединения полифенольной группы, 15 химических соединений были идентифицированы в сое сорта Локус впервые. Это флавоны (апигенин, акацетин, цирсимаритин, витексин); тетрагидроксифлавон аромадендрин 7-О-рамнозид, лигнан медиоресинол, кумарин томентин, дигидрокемпферол гексозид, метилгалловая кислота, монопальмитин, линоленовая кислота и др. (см. табл.).
Соединения, идентифицированные в экстракте семян сои Glycine max (L) Merr. (сорт Локус)
Класс химического соединения | Идентификация | Ион- аддукт [M-H]- | Ион- аддукт [M+H]+ | Фрагментирование МС/МС | Научный источник, использованный для уточнения идентификации | ||
1 порядка | 2 порядка | 3 порядка | |||||
Полифенолы, флавоны | |||||||
Флавон | Daidzein [Daidzeol] | 255 | 199; 137 | 181 | 153 | ||
Флавон | Apigenin | 271 | 153 | 135 | |||
Флавон | Trihydroxy (iso)flavone | 271 | 197 | 129 | прополис [32] | ||
Флавон | Genistein [Pruneton; Sophoricol] | 271 | 254; 215; 153 | 210; 181; 133 | |||
Флавон | Acacetin [Linarigenin; Buddleoflavonol] | 285 | 270; 225; 167 | 242; 152 | 213 | ||
Флавон | Glycitein | 285 | 270; 229; 145 | 242 | 213; 168 | черные соевые бобы [29] | |
Флавон | Cirsimaritin [Scrophulein] | 315 | 300 | 272 | 229 | ||
Флавон | Daidzin [Daidzoside] | 417 | 255 | 199; 137 | 181 | черные соевые бобы [29] | |
Флавон | Apigenin-7-O-glucoside [Apigetrin | 431 | 268 | 239; 132 | 211 | ||
Флавон | Vitexin [Apigenin 8-C-Glucoside] | 432 | 415; 271; 133 | 133 | |||
Флавон | Glycitin [Glycitein 7-O-glucoside] | 447 | 285 | 270; 229; 145 | 242; 152 | ||
Флавон | Luteolin 7-O-glucoside [Cynaroside] | 449 | 287 | 213 | 185 | Lonicera japonica [31] | |
Флавон | Acetyl genistin | 475 | 271 | 215; 153 | 197 | черные соевые бобы [29] | |
Флавон | Genistein C-glucoside malonylated | 519 | 271 | 215; 153 | 197 | ||
Флавон | Apigenin O-glucoside malonylated | 519 | 271; 164 | 153 | Mexican lupine species [33] | ||
Флавонол | Isorhamnetin | 315 | 283 | 255 | 227 | Spondias purpurea [40] | |
Флавонол | Dihydrokaempferol-O-hexoside | 449 | 287 | 259 | 215 | Rhus coriaria [39] | |
Флавонол | Quercetin 3-O- glucoside | 463 | 301 | 271; 179 | 151 | Ribes meyeri [30]; Lonicera japonica [31]; Spondias purpurea [40] | |
Флаван-3-ол | Epiafzelechin [(epi)Afzelechin] | 275 | 256 | 212 | 195 | A. cordifolia; F. glaucescens [41] | |
Флаван-3-ол | Catechin | 291 | 207; 123 | 123 | |||
Флаван-3-ол | (Epi)-catechin | 291 | 273; 123 | 123 | C. edulis [41] | ||
Флаван-3-ол | (Epi)Gallocatechin | 305 | 225; 287 | 163 | |||
Тетрагидрок- сифлаванон | Aromadendrin 7-O-rhamnoside | 433 | 313 | 285 | 257 | Zostera marina [43] | |
Танин | Procyanidin A-type dimer | 577 | 425; 245 | 245; 217 | 217; 189 | grape juice [44] | |
Флавоноид | 1,2,3,4,6-penta-O-galloyl-β-D-glucopyranoside | 940 | 523; 455 | 421 | Rhodiola crenulata [45] | ||
Антоцианин | Cyanidin-3-O-glucoside [Cyanidin 3-O-beta-D-Glucoside] | 449 | 287 | 213; 137 | 170 | Glycine soja [28]; черные соевые бобы [29]; Ribes magellanicum [42] | |
Гидроксибен-зойная кислота | Protocatechuic acid | 155 | 127 | ||||
Метилбензой-ная кислота | Methylgallic acid | 185 | 168; 143 | 122 | Lonicera caerulea [46] | ||
Фенольная кислота | Ethyl 3,4-Dihydroxycinnamate | 207 | 179 | 135 | Lepechinia [47] | ||
Фенольная кислота | Caffeic acid-O-hexoside | 341 | 179; 113 | 119 | Ribes magellanicum [42] | ||
Гидроксико- ричная кислота | Chlorogenic acid [3-O-Caffeoylquinic acid] | 353 | 191 | 127 | Lonicera japonica [31]; Spondias purpurea [40]; Ribes magellanicum [42] | ||
Гидроксико- ричная кислота | Neochlorogenic acid [5-O-Caffeoylquinic acid] | 353 | 191 | 173 | 126 | ||
Фенольная кислота | Caffeic acid derivative | 377 | 341; 215 | 179; 143 | Embelia [48] | ||
Кумарин | Tomentin | 223 | 208 | 180 | 165 | Jatropha [49] | |
Лигнан | Syringaresinol | 419 | 326; 285; 246; 216 | 298; 282; 254; 218 | 252; 226; 208 | Magnolia [50] | |
Соединения других химических групп | |||||||
Циклогексен-карбоновая кислота | Shikimic acid [L-Schikimic acid] | 175 | 157 | 112 | |||
Ароматическая аминокислота | Tyrosine | 182 | 154 | 127 | листья сои [51]; Vigna unguiculata [52]; Euphorbia hirta [53] | ||
Незаменимая аминокислота | L-Tryptophan | 205 | 188 | 146 | 118 | Vigna unguiculata [52]; Euphorbia hirta [53]; Rosa acicularis [54] | |
Органическая кислота | Glucoheptonic acid [Gluceptate] | 227 | 161 | 145 | 127 | листья сои [51] | |
Карбоновая кислота | Myristoleic acid [Cis-9-Tetradecanoic acid] | 227 | 209; 165 | 121 | |||
Пуриновый нуклеозид | Inosine | 269 | 136 | Lonicera japonica [31] | |||
Рибонукле- озидный композит аденина (пурина) | Adenosine | 268 | 136 | 112 | |||
Омега-3-жирные кислоты | Linolenic acid (Alpha-Linolenic acid) | 279 | 261 | 219 | 163 | ||
Оксилипины | 11-Hydroperoxy-octadecatrienoic acid | 311 | 182 | 165 | 147 | листья картофеля [56] | |
Оксилипины | 13- Trihydroxy-Octadecenoic acid [THODE] | 329 | 291; 171 | 247 | 245; 122 | Jatropha [49] | |
Глицерил пальмитат | Monopalmitin | 331 | 314; 152 | 152 | 134 | соевые бобы [28] | |
Сахар | Fructose 1,6-bisphosphate | 337 | 190 | 123 | |||
Сахар | Fructose 2,6-bisphosphate | 341 | 273; 209; 129 | 128 | |||
Сахар | Sucrose | 341 | 179; 113 | 119 | |||
Нафтохинон | 8,8'-Dihydroxy-2,2'-binaphthalene-1,1',4,4'-tetrone | 347 | 319; 219 | 291; 219 | 261; 191 | Juglans mandshurica [57] | |
Сахар | Trehalose (+FA adduct) CH2O2 | 387 | 341 | 178 | 113 | Pubchem | |
Стероид | Vebonol | 453 | 435; 210 | 226; 336 | 210 | ||
Сапонин | Soyasapogenol A | 475 | 459 | 177; 221; 309; 371 | 133 | Pubchem | |
Сахар | Maltotriose [Amylotriose] | 505 | 487; 441; 385; 235 | 440; 385; 235; 191 | 382; 277; 209; 147 | листья сои [51] | |
Индолсесквитер-пеновый алкалоид | Sespendole | 520 | 184 | 125 | Rhus coriaria [39] | ||
Сапонин | Chikusetsusaponin Iva | 796 | 597; 439; 245 | 421; 365; 245 | 403; 308; 271 | ||
Сапонин | Soyasaponin Bb' [Soyasaponin III] | 797 | 598; 423; 229 | 581; 423 | 537; 405; 281; 170 | черные соевые бобы [21] | |
Сапонин | Soyasaponin I [Soyasaponin Bb] | 944 | 423; 295 | 354; 203; 121 | |||
Сапонин | Soyasaponin Beta g | 1069 | 507; 415; 331; 299 | 331; 299 | 185 | ||
С использованием тандемной масс-спектрометрии в режиме положительных ионов в экстракте из семян сои сорта Локус был идентифицирован глицерил пальмитата монопальмитина (рис. 4).
Рис. 4. Масс-спектр соединения монопальмитина, полученный из экстракта семян сои сорта Локус (верхняя линия ‒ МС-скан в диапазоне 100…1700 m/z, далее ‒ спектры фрагментации (сверху вниз): МС2 протонированного иона монопальмитина (332,22 m/z), МС3 фрагмента 332,22→314,19 m/z и МС4 фрагмента 332,22→314,19→152,19).
На масс-спектре видно, что [M+H]– ион продуцирует два фрагментированных иона, m/z 314.19 и m/z 152.17. Фрагментированный ион m/z 314.19 формирует один характерный дочерний ион (m/z 152.19). Далее дочерний ион m/z 152.19 формирует ион четвертой фрагментации m/z 134.18. В статье, посвященной рассмотрению подобных масс-спектров семян сои это соединение классифицировали как глицерил пальмитат монопальмитин [28].
Рис. 5. Масс-спектр соединения хлорогеновой кислоты, полученный из экстракта семян сои сорта Локус (верхняя линия ‒ МС-скан в диапазоне 100…1700 m/z, далее спектры фрагментации (сверху вниз): МС2 протонированного иона хлорогеновой кислоты (353,32 m/z), МС3 фрагмента 353,32→191,24 m/z и МС4 фрагмента 353,32→191,24→127,26).
В масс-спектре, полученном в режиме отрицательных ионов (рис. 5), показано, что [M-H]– ион продуцирует один фрагментированный ион, m/z 191.24. Фрагментированный ион m/z 191.24 формирует характерный дочерний ион: m/z 127.26. В литературе это соединение определяют, как хлорогеновая кислота: Lonicera japonica [31]; Spondias purpurea [40]; Ribes magellanicum [42].
Рис. 6. Масс-спектр соединения цианидина 3-О-глюкозида, полученный из экстракта семян сои сорта Локус (верхняя линия ‒ МС-скан в диапазоне 100…1700 m/z, далее спектры фрагментации (сверху вниз): МС2 протонированного иона цианидина 3-О-глюкозида (449,19 m/z), МС3 фрагмента 449,19→287,14 m/z и МС4 фрагмента 449,19→287,14→213,05).
Еще в одном масс-спектре, полученном в режиме отрицательных ионов, из экстракта семян сои сорта Локус, установлено, что [M+H]+ ион продуцирует один фрагментированный ион, m/z 287.14 (рис. 6). Фрагментированный ион m/z 191.24 формирует два дочерних иона: m/z 213.05 и m/z 137.15. Далее представлена фрагментация четвертого порядка: дочерний ион m/z 170.96. В литературе это соединение идентифицируют, как цианидин 3-О-глюкозид: Glycine soja [28]; черные соевые бобы [29]; Ribes magellanicum [42].
Выводы. Данные, полученные методом лазерной микроскопии, свидетельствуют о богатом присутствии соединений полифенольного комплекса в семенах сои сорта Локус. Результаты исследования свидетельствуют, что фенольные соединения сои пространственно расположены преимущественно в семенной кожуре и наружном слое семядолей. Антоцианов особенно много в палисадном слое. Эта информация может быть полезна для быстрой оценки сортов в селекции, особенно при ее проведении в отношении таких соединений.
В мацерационных экстрактах семян сои сорта Локус было идентифицировано 35 соединений полифенольной группы, многие из которых характерны для вида Glycine max (L) Merr, в том числе 15 полифенольных соединений идентифицированы в растениях этого вида впервые – флавоны апигенин, акацетин, цирсимаритин; тетрагидроксифлавон аромадендрин 7-О-рамнозид; флавонолы изорамнетин, гексозид дигидрокемпферола, лигнан медиоресинол; флаван-3-олы эпиафзелехин, катехин, эпикатехин, кумарин томентин и др.
Полученные данные могут интенсифицировать будущие исследования по разработке и производству различных продуктов функционального питания, содержащих целевые экстракты Glycine max (L) Merr.
ФИНАНСИРОВАНИЕ РАБОТЫ.
Работа выполнена при финансовой поддержке Министерства науки и высшего образования Российской Федерации в рамках достижения результатов федерального проекта «Передовые инженерные школы», Соглашение № 075–15–2022–1143 от 07.07.2022.
СОБЛЮДЕНИЕ ЭТИЧЕСКИХ СТАНДАРТОВ.
В данной работе отсутствуют исследования человека или животных.
КОНФЛИКТ ИНТЕРЕСОВ.
Авторы данной работы заявляют, что у них нет конфликта интересов.
Об авторах
М. П. Разгонова
Федеральный исследовательский центр Всероссийский институт генетических ресурсов растений им. Н. И. Вавилова (ВИР); Дальневосточный федеральный университет, Передовая инженерная школа «Институт биотехнологий, биоинженерии и пищевых систем»
Автор, ответственный за переписку.
Email: m.razgonova@vir.nw.ru
кандидат технических наук
Россия, 190031, Санкт-Петербург, ул. Большая Морская, 42; 690922, Владивосток, остров Русский, Аякс, 10Е. И. Черевач
Дальневосточный федеральный университет, Передовая инженерная школа «Институт биотехнологий, биоинженерии и пищевых систем»
Email: m.razgonova@vir.nw.ru
доктор технических наук
Россия, 690922, Владивосток, остров Русский, Аякс, 10Е. С. Бутовец
Федеральный научный центр агробиотехнологий Дальнего Востока им. А. К. Чайки
Email: m.razgonova@vir.nw.ru
кандидат сельскохозяйственных наук
Россия, 692539, Приморский край, Уссурийск, п. Тимирязевский, ул. Воложенина, 30Л. М. Лукьянчук
Федеральный научный центр агробиотехнологий Дальнего Востока им. А. К. Чайки
Email: m.razgonova@vir.nw.ru
Россия, 692539, Приморский край, Уссурийск, п. Тимирязевский, ул. Воложенина, 30
Е. А. Васина
Федеральный научный центр агробиотехнологий Дальнего Востока им. А. К. Чайки
Email: m.razgonova@vir.nw.ru
Россия, 692539, Приморский край, Уссурийск, п. Тимирязевский, ул. Воложенина, 30
О. Л. Шепель
Хабаровский федеральный исследовательский центр Дальневосточного отделения РАН обособленное подразделение «Дальневосточного научно-исследовательского института сельского хозяйства»
Email: m.razgonova@vir.nw.ru
Россия, 680521, Хабаровский край, Хабаровский район, с. Восточное, ул. Клубная, 13
К. С. Голохваст
Федеральный исследовательский центр Всероссийский институт генетических ресурсов растений им. Н. И. Вавилова (ВИР); Сибирский федеральный научный центр агробиотехнологий
Email: m.razgonova@vir.nw.ru
доктор биологических наук
Россия, 190031, Санкт-Петербург, ул. Большая Морская, 42; 633501, Новосибирская обл., Краснообск, а/я 463Список литературы
- Создание высокопродуктивного сорта сои классическими методами селекции / В. В. Толоконников, Т. С. Кошкарова, Г. О. Чамурлиев и др. // Известия Нижневолжского агроуниверситетского комплекса: Наука и высшее профессиональное образование. 2021. № 2 (62). С. 87–93. doi: 10.32786/2071–9485–2021–02–09.
- Синеговская В. Т., Фокина Е. М. Селекция сои как инструмент решения задач импортозамещения в Дальневосточном федеральном округе // Труды Кубан. гос. аграр. ун-та. 2018.Вып. 172. С. 328–331. doi: 10.21515/1999-1703-72-328-331.
- Синеговский М. О. Перспективы производства сои в Дальневосточном федеральном округе // Вестник российской сельскохозяйственной науки. 2020. Вып. 1. С. 13–16. doi: 10.30850/vrsn/2020/1/13-16.
- Бутовец Е. С., Страшненко Т. Н. Изучение сортов сои дальневосточной селекции в условиях Приморского края // Аграрный вестник Приморья. 2020.Вып. 13 (19). С. 10–13.
- Genome-wide association mapping for seed protein and oil contents using a large panel of soybean accessions / D. Li, X. Zhao, Y. Han, et al. // Genomics. 2019. Vol. 111. No. 1. P. 90–95. doi: 10.1016/j.ygeno.2018.01.004.
- Soybean constituents and their functional benefits / A. K. Dixit, J. Antony, N. K. Sharma, et al. // Research Singpost. 2011. Vol. 37. No. 2. P. 367–383.
- Tissue localization of phenolic compounds in plants by confocal laser scanning microscopy / P. Hutzler, R. Fischbach, W. Heller, et al. // J. Exp. Bot. 1998. Vol. 49. P. 953–965.
- Spatial Distribution of Polyphenolic Compounds in Corn Grains (Zea mays L. var. Pioneer) Studied by Laser Confocal Microscopy and High-Resolution Mass Spectrometry / M. Razgonova, Y. Zinchenko, K. Pikula, et al. // Plants. 2022. Vol. 11. Article 630. URL: https://www.mdpi.com/2223–7747/11/5/630 (дата обращения: 02.12.2023).
- Three-dimensional internal structure of a soybean seed by observation of autofluorescence of sequential sections / Y. Ogawa, K. Miyashita, H. Shimizu, et al. // J. Jpn. Soc. Food Sci. Technol. 2003. Vol. 50. P. 213–217.
- Pegg T. J., Gladish D. K., Baker R. L. Algae to angiosperms: Autofluorescence for rapid visualization of plant anatomy among diverse taxa // Appl. Plant Sci. 2021. Vol. 9. Article e11437. URL: https://bsapubs.onlinelibrary.wiley.com/doi/pdf/10.1002/aps3.11437 (дата обращения: 02.12.2023).
- Systemic Uptake of Fluorescent Tracers by Soybean (Glycine max (L.) Merr.) Seed and Seedlings / Z. Wang, M. Amirkhani, S.A.G. Avelar, et al. // Agriculture. 2020. Vol. 10. Article 248. URL: https://www.mdpi.com/2077–0472/10/6/248 (дата обращения: 02.12.2023).
- Krishnan H.B., Jurkevich A. Confocal Fluorescence Microscopy Investigation for the Existence of Subdomains within Protein Storage Vacuoles in Soybean Cotyledons // Int. J. Mol. Sci. 2022. Vol. 23. Article 3664. URL: https://www.mdpi.com/1422–0067/23/7/3664 (дата обращения: 02.12.2023).
- Techniques for extraction of bioactive compounds from plant materials: A review / J. Azmir, I.S.M. Zaidul, M. M. Rahman, et al. // J. Food Eng. 2013. Vol. 117. P. 426–436.
- Rudall P. J., Caddick L. R. Investigation of the presence of phenolic compounds in monocotyledonous cell walls, using UV fluorescence microscopy // Annals of Botany. 1994. Vol. 74. P. 483–491.
- Endosperm structure affects the malting quality of barley (Hordeum vulgare L.) / U.R.M. Holopainen, A. Wilhelmson, M. Salmenkallio-Marttila, et al. // J. Agric. Food Chemistry. 2005. Vol. 53. P. 7279–7287.
- Hydroxycinnamic acids and ferulic acid dehydrodimers in barley and processed barley / D. Hernanz, V. Nunez, A. I. Sancho, et al. // J. Agric. Food Chemistry. 2001. Vol. 49. No. 10. P. 4884–4888.
- Goggin D. E., Steadman K. J. Blue and green are frequently seen: responses of seeds to short- and mid-wave length light // Seed Science Research. 2011. Vol. 22. No. 1. P. 27–35.
- Donaldson L. Autofluorescence in Plants // Molecules. 2020. Vol. 25. Article 2393. URL: https://www.mdpi.com/1420–3049/25/10/2393 (дата обращения: 02.12.2023).
- Frequency-upconverted stimulated emission by simultaneous five-photon absorption / Q. Zheng, H. Zhu, S.-C. Chen, et al. // Nature Protonics. 2013. Vol. 7. P. 234–239.
- Frequency-upconverted stimulated emission by simultaneous five-photon absorption / C.B. da Silva, N. M. Oliveira, M. E. Amaral de Carvalho, et al. // Nature Protonics. 2013. Vol. 7. P. 234–239.
- Identification of tissular origin of particles based on autofluorescence multispectral image analysis at the macroscopic scale / M. Corcel, M.-F. Devaux, F. Guillon, et al. // EPJ Web of Conferences. Powders & Grains 2017. Vol. 140 Article 05012. URL: https://www.epj-conferences.org/articles/epjconf/pdf/2017/09/epjconf162551.pdf. (дата обращения: 02.12.2023).
- Lichtenthaler H. K., Schweiger J. Cell wall bound ferulic acid, the major substance of the blue-green fluorescence emission of plants // J. Plant Physiol. 1998. Vol. 152. P. 272–282. URL: https://www.sciencedirect.com/science/article/abs/pii/S0176161798801429 (дата обращения: 02.12.2023).
- Brillouet J. M., Riochet D. Cell wall polysaccharides and lignin in cotyledons and hulls of seeds from various lupin (Lupinus L.) species // J. Sci. Food Agric. 1983. Vol. 34. P. 861–868.
- Evaluation of lignin content of soybean seed coat stored in a controlled environment / F. C. Krzyzanowski, J.D.B. Franca Neto, J.M. . Mandarino, et al. // Rev. Bras. De Sementes. 2008. Vol. 30. P. 220–223. URL: https://www.scielo.br/j/rbs/a/FzBZzk6xD6VCKDmbWCyTXmF/?lang=en (дата обращения: 02.12.2023).
- Genetic diversity of soybeans (Glycine max (L.) merr.) with black seed coats and green cotyledons in Korean germplasm / H. Jo, J. Y. Lee, H. Cho, et al. // Agronomy. 2021. Vol. 11. Article 581. URL: https://www.mdpi.com/2073–4395/11/3/581 (дата обращения: 02.12.2023).
- O. Monago-Marana, I. Duran-Meras, T. Galeano-Diaz, et al. Fluorescence properties of flavonoid compounds. Quantification in paprika samples using spectrofluorimetry coupled to second order chemometric tools // Food Chem. 2016. Vol. 196. P. 1058–1065.
- Roshchina V. V., Kuchin A. V., Yashin V. A. Application of Autofluorescence for Analysis of Medicinal Plants // Spectrosc. Int. J. 2017. Article 7159609. URL: https://downloads.hindawi.com/archive/2017/7159609.pdf (дата обращения: 02.12.2023).
- Photosynthetic characteristics and metabolic analyses of two soybean genotypes revealed adaptive strategies to low-nitrogen stress / M. Li, J. Xu, X. Wang, et al. // J. Plant Physiol. 2018. Vol. 229. P. 132–141.
- Differences in the metabolic profiles and antioxidant activities of wild and cultivated black soybeans evaluated by correlation analysis / J. L. Xu, J.-S. Shin, S.-K. Park, et al. // Food Res. Int. 2017. Vol. 100. P. 166–174.
- Rapid qualitative profiling and quantitative analysis of phenolics in Ribes meyeri leaves and their antioxidant and antidiabetic activities by HPLC-QTOF-MS/MS and UHPLC–MS/MS / Y. Zhao, H. Lu, Q. Wang, et al. // J. Sep. Sci. 2021. Vol. 44. P. 1404–1420.
- Comparison of Multiple Bioactive Constituents in the Flower and the Caulis of Lonicera japonica Based on UFLC-QTRAP-MS/MS Combined with Multivariate Statistical Analysis / Z. Cai, C. Wang, L. Zou, et al. // Molecules. 2019. Vol. 24. Article 1936. URL: https://www.mdpi.com/1420–3049/24/10/1936 (дата обращения: 02.12.2023).
- Synergistic interaction between propolis extract, essential oils, and antibiotics against Staphylococcus epidermidis and methicillin resistant Staphylococcus aureus / O. Belmehdi, A. Bouyahya, J. Jeko, et al. // Int. J. Second Metab. 2021. Vol. 8. No. 3. P. 195–213.
- Structural analysis and profiling of phenolic secondary metabolites of Mexican lupine species using LC–MS techniques / A. Wojakowska, A. Piasecka, P. M. Garcia-Lopez, et al. // Phytochem. 2013. Vol. 92. P. 71–86.
- Unveiling the Phytochemical Profile and Biological Potential of Five Artemisia Species / A. Trifan, G. Zengin, K. I. Sinan, et al. // Antioxidants. 2022. Vol. 11. Article 1017. URL: https://www.mdpi.com/2076–3921/11/5/1017 (дата обращения: 02.12.2023).
- Phytochemical Profiling of Flavonoids, Phenolic Acids, Terpenoids, and Volatile Fraction of a Rosemary (Rosmarinus officinalis L.) Extract / P. Mena, M. Cirlini, M. Tassotti, et al. // Molecules. 2016. Vol. 21. Article 1576. URL: https://www.mdpi.com/1420–3049/21/11/1576 (дата обращения: 02.12.2023).
- The Yin-Yang Property of Chinese Medicinal Herbs Relates to Chemical Composition but Not Anti-Oxidative Activity: An Illustration Using Spleen-Meridian Herbs / Y. Huang, P. Yao, K. W. Leung, et al. // Frontiers in Pharmacology. 2018. Vol. 9. Article 1304. URL: https://www.frontiersin.org/journals/pharmacology/articles/10.3389/fphar.2018.01304/full (дата обращения: 02.12.2023).
- Chemical Fingerprinting Profile and Targeted Quantitative Analysis of Phenolic Compounds from Rooibos Tea (Aspalathus linearis) and Dietary Supplements Using UHPLC-PDA-MS / O. I. Fantoukh, Y.-H. Wang, A. Parveen, et al. // Separations. 2022. Vol. 9. Article 159. URL: https://www.mdpi.com/2297–8739/9/7/159 (дата обращения: 02.12.2023).
- Spinola V., Pinto J., Castilho P. C. Identification and quantification of phenolic compounds of selected fruits from Madeira Island by HPLC-DAD-ESI–MSn and screening for their antioxidant activity // Food Chem. 2015. Vol. 173. P. 14–30.
- HPLC–DAD–ESI–MS/MS screening of bioactive components from Rhus coriaria L. (Sumac) fruits / I. M. Abu-Reidah, M. S. Ali-Shtayeh, R. M. Jamous, et al. // Food Chem. 2015. Vol. 166. P. 179–191.
- Characterization of phenolic compounds in jocote (Spondias purpurea L.) peels by ultra-high-performance liquid chromatography/electrospray ionization mass spectrometry / C. Engels, D. Grater, P. Esquivel, et al. // Food Res. Int. 2012. Vol. 46. P. 557–562.
- Identification of Chemopreventive Components from Halophytes Belonging to Aizoaceae and Cactaceae Through LC/MS – Bioassay Guided Approach / A. R. Hamed, S. S. El-Hawary, R. M. Ibrahim, et al. // J. Chrom. Sci. 2021. Vol. 59. No. 7. P. 618–626.
- Colonic fermentation of polyphenols from Chilean currants (Ribes spp.) and its effect on antioxidant capacity and metabolic syndrome-associated enzymes / A. Burgos-Edwards, F. Jimenez-Aspee, C. Theoduloz, et al. // Food Chem. 2018. Vol. 258. P. 144–155.
- Zostera marina L. Supercritical CO2-Extraction and Mass Spectrometric Characterization of Chemical Constituents Recovered from Seagrass / M. P. Razgonova, L. A. Tekutyeva, A. B. Podvolotskaya, et al. // Separations. 2022. Vol. 9. Article 182. URL: https://www.mdpi.com/2297–8739/9/7/182 (дата обращения: 02.12.2023).
- Low Molecular Weight Phenolics of Grape Juice and Winemaking Byproducts: Antioxidant Activities and Inhibition of Oxidation of Human Low-Density Lipoprotein Cholesterol and DNA Strand Breakage / A. Costa de Camargo, M.A.B. Regitano-d’Arce, A. C. Telles Biasoto, et al. // Agricult. Food Chem. 2014. Vol. 62. P. 12159–12171. doi: 10.1021/jf504185s.
- A rapid and sensitive UHPLC-FT-ICR MS/MS method for identification of chemical constituents in Rhodiola crenulata extract, rat plasma and rat brain after oral administration / F. Han, Y. Li, L. Ma, et al. // Talanta. 2016. Vol. 160. P. 183–193.
- The Global metabolome profiles of four varieties of Lonicera caerulea, established via tandem mass spectrometry / M. P. Razgonova, M. A. Navaz, A. S. Sabitov, et al. // Horticulturae. 2023. Vol. 9. Article 1188. URL: https://www.mdpi.com/2311–7524/9/11/1188 (дата обращения: 02.12.2023).
- Serrano C. A., Villena G. K., Rodrigues E. F. Phytochemical profile and rosmarinic acid purification from two Peruvian Lepechinia Willd. species (Salviinae, Mentheae, Lamiaceae) // Scientific Report. 2021. Vol. 11. Article 7260. URL: https://www.nature.com/articles/s41598–021–86692–3 (дата обращения: 02.12.2023).
- Vijayan K. P. R., Raghu A. V. Tentative characterization of phenolic compounds in three species of the genus Embelia by liquid chromatography coupled with mass spectrometry analysis // Spectroscopy Letters. 2019. Vol. 52. No. 10. P. 653–670.
- Chemical composition and biological properties of two Jatropha species: Different parts and different extraction methods / G. Zengin, M. F. Mahomoodally, K. I. Sinan, et al. // Antioxidants. 2021. Vol. 10. Article 792. URL: https://www.mdpi.com/2076–3921/10/5/792 (дата обращения: 02.12.2023).
- Identification of minor lignans, alkaloids, and phenylpropanoid glycosides in Magnolia officinalis by HPLC-DAD-QTOF-MS/MS / K. Guo, C. Tong, Q. Fu, et al. // J. Pharmaceut. Biomed. Analys. 2019. Vol. 170. P. 153–160.
- Physiological and metabolomics analyses of young and old leaves from wild and cultivated soybean seedlings under low nitrogen conditions / Y. Liu, M. Li, J. Xu, et al. // BMC Plant Biology. 2019. Vol. 19. Article 389. URL: https://bmcplantbiol.biomedcentral.com/articles/10.1186/s12870–019–2005–6 (дата обращения: 02.12.2023).
- Composition of Primary and Secondary Metabolite Compounds in Seeds and Pods of Asparagus Bean (Vigna unguiculata (L.) Walp.) from China / I. Perchuk, T. Shelenga, M. Gurkina, et al. // Molecules. 2020. Vol. 25. Article 3778. URL: https://www.mdpi.com/1420–3049/25/17/3778 (дата обращения: 02.12.2023).
- Phenolic compounds profile of water and ethanol extracts of Euphorbia hirta L. leaves showing antioxidant and antifungal properties / P. N. Mekam, S. Martini, J. Nguefack, et al. // South African J. of Botany. 2019. Vol. 127. P. 319–332.
- Rosa davurica Pall., Rosa rugosa Thumb., and Rosa acicularis Lindl. originating from Far Eastern Russia: Screening of 146 Chemical Constituents in Tree Species of the Genus Rosa / M. P. Razgonova, B. B. Bazhenova, Y. Y. Zabalueva, et al. // Applied Sci. 2022. Vol. 12. Article 9401. URL: https://www.mdpi.com/2076–3417/12/19/9401 (дата обращения: 02.12.2023).
- Maackia amurensis Rupr. et Maxim.: Supercritical CO2-extraction and Mass Spectrometric Characterization of Chemical Constituents / M. P. Razgonova, E. I. Cherevach, L. A. Tekutyeva, et al. // Molecules. 2023. Vol. 28. Article 2026. URL: https://www.mdpi.com/1420–3049/28/5/2026 (дата обращения: 02.12.2023).
- Comprehensive metabolite profiling of Solanum tuberosum L. (potato) leaves T by HPLC-ESI-QTOF-MS / C. Rodriguez-Perez, A. M. Gomez-Caravaca, E. Guerra-Hernandez, et al. // Molecules. 2018. Vol. 112. P. 390–399.
- Identification and characterization of major constituents in Juglans mandshurica using ultra performance liquid chromatography coupled with time-of-flight mass spectrometry (UPLC-ESI-Q-TOF/MS) / J.-H. Huo, X.-W. Du, G.-D. Sun, et al. // Chinese J. Nat. Medic. 2018. Vol. 16. No. 7. P. 0525–0545.
- Metabolic Profiling of Pitaya (Hylocereus polyrhizus) during Fruit Development and Maturation / Y. Wu, J. Hu, Y. He, et al. // Molecules. 2019. Vol. 24. Article 1114. URL: https://www.ncbi.nlm.nih.gov/pmc/articles/PMC6470951/ (дата обращения: 02.12.2023).
- UPLC-ESI–MS/MS Profile of The Ethyl Acetate Fraction of Aerial Parts of Bougainvillea ’Scarlett O’Hara’ Cultivated in Egypt / M. A. El-Sayed, F. A. Abbas, S. Refaat, et al. // Egyptian J. of Chem. 2020. Vol. 64. No. 2. Article 22. URL: https://ejchem.journals.ekb.eg/article_120457.html (дата обращения: 02.12.2023).
- Rapid characterisation and comparison of saponin profiles in the seeds of Korean Leguminous species using ultra performance liquid chromatography with photodiode array detector and electrospray ionisation/mass spectrometry (UPLC–PDA–ESI/MS) analysis / T. J. Ha, B. W. Lee, K. H. Park, et al. // Food Chem. 2014. Vol. 146. P. 270–277.
Дополнительные файлы








