Оценка экономической эффективности производства водорода c использованием энергии ветра и солнца
- Авторы: Марченко О.В.1, Соломин С.В.1
-
Учреждения:
- Институт систем энергетики им. Л.А. Мелентьева Сибирского отделения Российской академии наук
- Выпуск: Том 336, № 1 (2025)
- Страницы: 80-87
- Раздел: Статьи
- URL: https://bakhtiniada.ru/2500-1019/article/view/281170
- DOI: https://doi.org/10.18799/24131830/2025/1/4622
- ID: 281170
Цитировать
Полный текст
Аннотация
В настоящее время широко обсуждается вопрос использования водорода в качестве топлива, замещающего углеводородное сырье. Планы развития водородной энергетики, заявленные в ряде стран, включая Россию, предполагают многократное увеличение производства и потребления водорода в энергетических целях. Делать однозначные выводы о возможностях добычи в промышленных масштабах свободного водорода, исходящего из глубин Земли, пока преждевременно. Пока водород получают в основном конверсией угля и газа. Вместе с тем единственным экологически чистым способом получения водорода является извлечение его из воды, которой на Земле намного больше, чем углеводородного сырья, и которая более доступна. Самый распространённый способ получения водорода из воды – это ее разложение под действием электрического тока в электролизёре. При использовании возобновляемых источников энергии процесс производства водорода будет экологически чистым. Цель: исследование экономической эффективности производства водорода методом электролиза на основе электроэнергии, вырабатываемой ветроэлектричекими установками и фотоэлектрическими преобразователями в зависимости от конфигурации энергосистемы и внешних условий. Методы: определялась стоимость производимого водорода в зависимости от технико-экономических показателей энергоисточников, скорости ветра и прихода солнечной радиации на земную поверхность. Расчёты проводились с помощью оптимизационной математической модели REM-2 (Renewable Energy Model). Результаты. Построены графики зависимости стоимости электроэнергии и водорода от климатических условий (средней многолетней скорости ветра и годового прихода солнечной радиации). Проведён анализ полученных результатов. Показано, что при хороших климатических условиях (V≥6 м/с, Q≥1400 кВт×ч/м2/год) и оптимистических значениях технико-экономических показателей стоимость водорода составляет 2,8–3,4 $/кг. В системе автономного электроснабжения за счёт использования «избыточной» электроэнергии возобновляемых источников энергии, работающих в стохастическом режиме, затраты на производство водорода минимальны.
Полный текст
Введение
В настоящее время широко обсуждается вопрос использования водорода в энергетических системах. Предполагается, что водород наряду с возобновляемыми источниками энергии (ВИЭ) будет вытеснять традиционные углеводородные энергоносители. Водород позиционируется как экологически безопасный углеродно-нейтральный источник энергии. Планируемый во многих странах существенный рост его производства и использования наряду с развитием технологий использования возобновляемых источников энергии является движением по пути декарбонизации мировой экономики [1]. В этом случае снижение потребления органического топлива позволяет уменьшить выбросы углерода и его соединений, прежде всего диоксида углерода CO2, антропогенная эмиссия которого считается главной причиной глобального потепления.
Известно, что водород является самым распространённым элементом во Вселенной. Однако на поверхности Земли в чистом виде практически он встречается крайне редко. Геологи недавно исследовали природные источники и возможность его получения естественным путем. Процессы, происходящие в земной коре, могут привести к образованию газообразного водорода из воды. В частности, богатые железом породы, такие как оливин, контактируют с подземными водами и ржавчиной, захватывая кислород для образования оксидов железа и оставляя после себя водород. В работе [2] дана классификация по трём основным разделам: водород как свободный газ в различных средах, как включения в различных типах горных пород и как растворенный газ в грунтовых водах.
Выходы водорода, исходящего из глубин Земли, обнаружены в некоторых точках земного шара, привязанных к определённым геологическим структурам, в том числе на территории России, в Мали, Омане, Австралии, Бразилии, США, Южно-Африканской Республике и других странах [3–7]. Это возобновляемый первичный ресурс (как нефть, газ и уголь), который можно получить, пробурив скважину. Некоторые из этих природных месторождений можно увидеть на рис. 1 [7].
Водород принято классифицировать по «цветам». «Белый водород» соответствует природному геологическому водороду [5]. Термины «белый водород» и «природный водород» являются синонимами. Имеющиеся данные о наличии природного водорода обнадёживают, поэтому поиск свободного водорода, выходящего на земную поверхность, нужно продолжать. Однако делать однозначные выводы о возможностях добычи в промышленных масштабах свободного водорода преждевременно.
На данный момент нет чётких стратегий по использованию этого типа водорода. Ориентировочная стоимость добычи «белого водорода» также не определена.
В связи с этим водород производится как вторичный энергоресурс. В процессе активного развития водородной энергетики потребуется значительное снижение себестоимости получения водорода.
Наиболее дешёвой технологией в настоящее время является паровая конверсия метана (ПКМ), стоимость водорода составляет 1,5–2 $/кг. Такой водород называется «серым». В этом случае диоксид углерода выбрасывается в атмосферу. Методом ПКМ, но при одновременном улавливании и хранении углерода производится «голубой водород». Это обеспечивает двукратное снижение выбросов углерода, но существенно увеличивает стоимость производства. Источником энергии для «жёлтого водорода» являются атомные электростанции (АЭC).
Достигнутый прогресс в совершенствовании ВИЭ открывает путь к производству так называемого «зелёного водорода» [8–10]. Его производство считается наиболее экологически чистым. Наиболее быстрыми темпами среди ВИЭ развиваются мощности фотоэлектрических преобразователей (ФЭП) и ветроэлектрических установок (ВЭУ) [11].
В работе [12] даны оценки стоимости «зелёного водорода» в разных регионах мира до 2030–2050 гг. при произвольно заданной структуре гибридных систем электроснабжения на базе ВЭУ и ФЭП. Недостатком такого анализа является отсутствие оптимизации структуры гибридных энергосистем. Кроме того, принятые в расчётах технико-экономические показатели представляются слишком оптимистическими.
В работе [13] приводятся оценки стоимости «зелёного водорода» для России на перспективу до 2030 г. Однако в этих расчётах не учтено, что эта величина существенно зависит от различий климатических условий мест установки ВЭУ и ФЭП.
Рис. 1. Возможные места выхода природного водорода (по данным [7])
Fig. 1. Possible places of natural hydrogen release (according to [7])
Постановка задачи
Цель настоящей работы – оценка экономической эффективности производства «зелёного водорода» методом электролиза на основе электроэнергии, вырабатываемой ВЭУ и ФЭП в зависимости от климатических условий, сценариев изменения технико-экономических показателей, конфигурации энергосистемы и внешних условий. Работа исследует широкий спектр средних многолетних скоростей ветра и прихода солнечной радиации как для условий России, так и для других регионов мира.
Объект и метод исследования
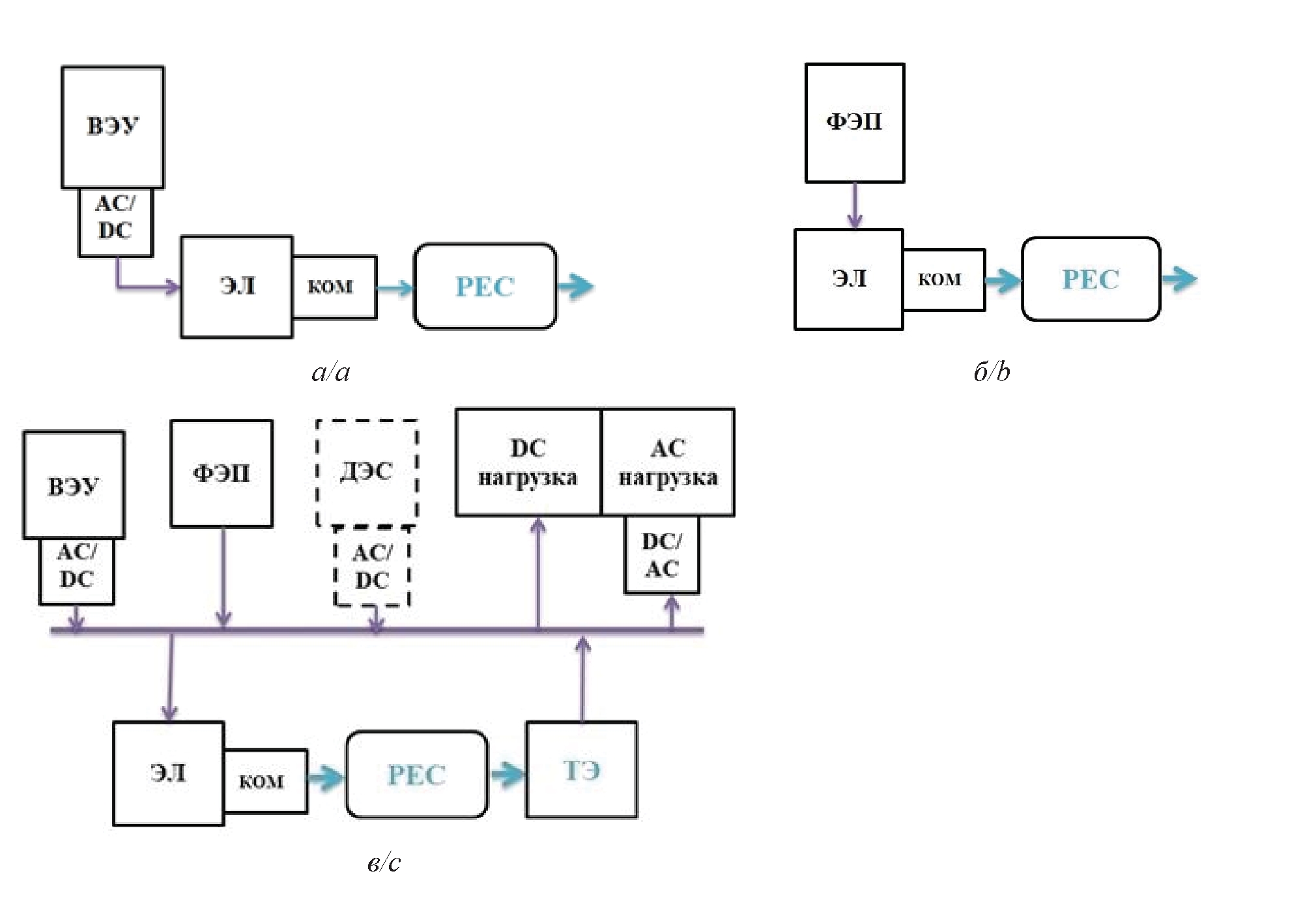
Рассмотрены три варианта производства и использования водорода: 1) источник электроэнергии – ВЭУ (рис. 2, a) источник электроэнергии – ФЭП (рис. 2, б), 3) водород производится в автономной энергосистеме с ВЭУ и ФЭП за счёт «избыточной» электроэнергии, когда мощность возобновляемых источников энергии превышает мощность нагрузки (рис. 2, в). На рис. 2, а–в используются следующие обозначения: AC/DC – преобразователь переменного тока в постоянный, ЭЛ – электролизёр, КOM – компрессор, РЕС – ресивер (ёмкость для хранения водорода), ТЭ – топливный элемент, ДЭС – дизельная электростанция, DC/AC – преобразователь постоянного тока в переменный.
Для производства «зелёного водорода» применяют электролизёры. Два основных вида электролиза воды, используемых сегодня, – это щелочной электролиз и электролиз с полимерно-электролитической мембраной (ПЭМ). Щелочные электролизёры требуют стабильного профиля нагрузки, без резких её колебаний. Электролизёры с ПЭМ допускают эксплуатацию в переменном режиме нагрузки, что позволяет использовать их для потребления энергии ветровых и солнечных энергоустановок [13].
В первых двух вариантах вся вырабатываемая ВЭУ или ФЭП электроэнергия используется для производства водорода (линейные схемы).
В третьем варианте возобновляемые источники энергии используются для электроснабжения нагрузки и только «избыточная» электроэнергия направляется на производство водорода (автономная энергосистема). Водород в автономной системе производится и хранится в месте его использования. Он не завозится извне и не продаётся. Для хранения водорода используется ресивер.
В автономной энергосистеме в качестве резервных и дублирующих источников энергии возможно применение дизельных генераторов и аккумуляторных батарей. Однако их применение не всегда желательно вследствие экологической опасности, малого ресурса и необходимости регулярного обслуживания [14]. В настоящей работе в качестве дублирующих источников энергии рассматриваются топливные элементы на водороде – экологически чистом энергоносителе.
Рис. 2. Схемы производства водорода использованием только ВЭУ (а), только ФЭП (б) и в автономной системе электроснабжения с совместным использованием ВЭУ и ФЭП (в)
Fig. 2. Hydrogen production schemes using only wind turbines (a), only photovoltaic converters (b) and in an autonomous power supply system with the combined use of wind turbines (WT) and photovoltaic converters (PV) (c)
Математическая модель
Расчёты проводились с использованием оптимизационной математической модели REM-2 (Renewable Energy Model) [15, 16]. Модель позволяет исследовать энергосистемы разной конфигурации с преобразованием и аккумулированием разных видов энергии (в том числе водорода) с учетом случайного характера поступления ветровой и солнечной энергии на основе алгоритмов оптимизации GAMS (General Algebraic Modeling System). Модель находит минимум целевой функции (суммарные дисконтированные затраты на создание и эксплуатацию системы) с учётом ограничений на переменные. Определяется оптимальная конфигурация системы (установленные мощности энергоисточников и ёмкости аккумуляторов), режимы работы (перетоки энергии между элементами системы в каждый момент времени) и экономические характеристики – стоимость производимой электроэнергии и водорода.
Таблица. Технико-экономические показатели рассматриваемых вариантов
Table. Technical and economic indicators of the options under consideration
Элемент Element | Удельные капиталовложения, $/kВт Specific capital investments, $/kW | Постоянные издержки, % от капиталовложений Fixed costs, % of capital investment | КПД, % Efficiency, % | Срок службы, лет Lifetime, years |
Базовый сценарий (БАЗ)/Business-as-usual (BAU) scenario | ||||
ВЭУ/WT | 1500 | 2,5 | 35 | 30 |
ФЭП/PV | 800 | 1,5 | 20 | 20 |
Конвертор Converter | 300 | 2,0 | 95 | 10 |
Электролизёр* EL | 1125 | 5,0 | 77 | 20 |
Компрессор Compressor | 900 | 2,0 | 95 | 10 |
Ресивер** HT | 450 | 1,0 | 98 | 20 |
ТЭ/FC | 2100 | 2,0 | 65 | 10 |
Оптимистический сценарий (ОПТ)/Optimistic scenario (OS) | ||||
ВЭУ/WT | 1200 | 2,0 | 40 | 30 |
ФЭП/PV | 500 | 1,0 | 25 | 30 |
Конвертор Converter | 250 | 2,0 | 98 | 10 |
Электролизёр* EL | 590 | 3,0 | 83 | 20 |
Компрессор Compressor | 650 | 2,0 | 98 | 20 |
Ресивер** HT | 290 | 1,0 | 99 | 20 |
ТЭ/FC | 650 | 2,0 | 80 | 15 |
Примечания: * – на кВт выходной мощности; ** – на м3.
Notes: * – per kW of output power; ** – per m3.
Исходные данные
На основе опубликованных данных [1, 17–22] сформированы два сценария – базовый и оптимистический (таблица). Первый соответствует технико-экономическим показателям, достигнутым в настоящее время, второй – прогнозным на перспективу 10–15 лет. Удельные показатели приблизительно соответствуют мощности ВЭУ 1 МВт, электролизёра, компрессора и топливных элементов – 250 кВт, объему ресивера 1000 м3. Удельные показатели ФЭП, как известно, относительно слабо зависят от суммарной мощности вследствие модульной структуры.
Среднегодовая скорость ветра V варьировалась от 4 м/c (низкая скорость) до 10 м/c (отличные ветровые условия). Суточный и годовой ее ход приблизительно соответствует данным для города Владивостока. Приход солнечной радиации на горизонтальную поверхность Q изменялся от 1000 кВт×ч/м2/год (центральные и северные районы России) до 2000 кВт×ч/м2/год (Ближний Восток и Африка).
В России имеются районы с хорошей скоростью ветра 7–10 м/c (побережья океанов и морей, отдельные горные перевалы). Приход солнечной радиации в южных районах России редко превышает 1400 кВт×ч/м2/год, а в других районах составляет 800–1300 кВт×ч/м2/год.
Результаты расчётов и их анализ
В рассмотренном диапазоне климатических условий ВЭУ и ФЭП вырабатывают электроэнергию стоимостью 2–9 цент/кВт×ч [23]. При хороших климатических условиях (V≥6 м/с, Q≥1400 кВт×ч/м2/год) и оптимистических значениях технико-экономических показателей стоимость электроэнергии составляет 3–4 цент/кВт×ч, стоимость водорода – 2,8–3,4 $/кг (рис. 3, а, б).
При неблагоприятных климатических условиях (V≤5 м/с, Q≤1200 кВт×ч/м2/год) стоимость водорода составляет 7–8 $/кг в базовом сценарии и около 4 $/кг в оптимистическом сценарии.
При работе в автономной системе электроснабжения (рис. 1, в) вследствие суточных изменений скорости ветра и интенсивности солнечного излучения часть вырабатываемой ВИЭ энергии оказывается «избыточной» (суммарное производство ВЭУ и ФЭП превышает потребление энергии нагрузкой). Как показывают результаты расчётов, при оптимальной структуре автономной системы электроснабжения количество «избыточной» энергии может достигать 30 %. Эта энергия с помощью электролизёра и компрессора преобразуется в водород и повышает эффективность системы электроснабжения.
Рис. 3. Стоимость водорода, произведенного на основе электроэнергии ВЭУ (а) и ФЭП (б) в базовом (БАЗ) и оптимистическом (ОПТ) сценариях. КИУМ – коэффициент использования установленной мощности ВЭУ и ФЭП
Fig. 3. Hydrogen cost produced by WT (a) and PV (b) in business-as-usual (BAU) and optimistic (OPT) scenarios. CF – capacity factor
Рис. 4. Стоимость водорода ($/кг) для при среднегодовой скорости 4 и 10 м/с (ВЭУ 1 и ВЭУ 2 соответственно) и среднегодовом приходе солнечной радиации 1000 и 2000 кВт.ч/м2/год (ФЭП 1 и ФЭП 2 соответственно) в базовом (а) и оптимистическом (б) сценариях
Fig. 4. Hydrogen cost at V=4–10 m/s (ВЭУ 1 and ВЭУ 2), Q=1000–2000 kWh/m2/yr (ФЭП 1 and ФЭП 2) and using excess energy (System) in business-as-usual (a) and optimistic (b) scenarios
На рис. 4 сравниваются затраты на производство водорода (и их структура) для всех рассмотренных вариантов конфигурации для худших (V=4 м/с, Q=1000 кВт×ч/м2/год) и лучших (V=10 м/с, Q=2000 кВт×ч/м2/год) климатических условий. В системе автономного электроснабжения затраты на производство водорода минимальны. При благоприятных климатических условиях стоимость водорода составляет 2,5 $/кг в базовом сценарии и 1,6 $/кг в оптимистическом сценарии.
Заключение
Проведены расчёты затрат на производство водорода методом электролиза с использованием электроэнергии, вырабатываемой возобновляемыми источниками энергии – ветроэлектрическими установками и фотоэлектрическими преобразователями. Исследованы варианты, различающиеся технико-экономическими показателями энергоисточников, климатическими условиями и конфигурацией энергосистемы.
Сопоставлены три варианта – две линейные схемы, когда ВЭУ или ФЭП используются только для производства водорода, и работа ВИЭ в автономной энергосистеме, когда для производства водорода используется «избыточная» электроэнергия, вырабатываемая в моменты времени, когда мощность ВЭУ и ФЭП превышают мощность нагрузки.
Показано, что при хороших климатических условиях (V≥6 м/с, Q≥1400 кВт×ч/м2/год) и оптимистических значениях технико-экономических показателей стоимость водорода в линейных схемах составляет 2,8–3,4 $/кг. В системе автономного электроснабжения за счет использования «избыточной» электроэнергии ВИЭ, работающих в стохастическом режиме, затраты на производство водорода минимальны. В базовом сценарии они составляют 2,5 $/кг, в оптимистическом – 1,6 $/кг. Последняя величина позволяет рассчитывать на то, что в перспективе 10–15 лет «зеленый водород» окажется конкурентоспособным с водородом, производимым в настоящее время методом паровой конверсии метана.
Об авторах
Олег Владимирович Марченко
Институт систем энергетики им. Л.А. Мелентьева Сибирского отделения Российской академии наук
Email: marchenko@isem.irk.ru
ORCID iD: 0000-0003-4065-3260
кандидат технических наук, старший научный сотрудник
Россия, ИркутскСергей Владимирович Соломин
Институт систем энергетики им. Л.А. Мелентьева Сибирского отделения Российской академии наук
Автор, ответственный за переписку.
Email: solomin@isem.irk.ru
ORCID iD: 0000-0002-2674-5196
кандидат технических наук, старший научный сотрудник
Россия, ИркутскСписок литературы
- World Energy Outlook. – Paris: IEA, 2022. – 523 p.
- Zgonnik V. The occurrence and geoscience of natural hydrogen: a comprehensive review // Earth-Science Reviews. – 2020. – Vol. 203. – Art. no. 103140. doi: 10.1016/j.earscirev.2020.103140.
- Prinzhofer A., Tahara Cissé C.S., Diallo A.B. Discovery of a large accumulation of natural hydrogen in Bourakebougou (Mali) // International Journal of Hydrogen Energy. –Vol. 43. – Iss. 42. – 2018. – P. 19315–19326. doi: 10.1016/j.ijhydene.2018.08.193.
- Can weathering of banded iron formations generate natural hydrogen? Evidence from Australia, Brazil and South Africa / U. Geymond, E. Ramanaidou, D. Lévy, A. Ouaya, I. Moretti // Minerals. – 2022. – Vol. 12. – № 2. – Art. no. 163. doi: 10.3390/min12020163.
- Arcos J.M.M., Santos D.M.F. The hydrogen color spectrum: techno-economic analysis of the available technologies for hydrogen production // Gases. – 2023. – Vol. 3. – № 1. – P. 25–46. doi: 10.3390/gases3010002.
- Полеванов В.П. Природный водород. Предварительное руководство для поисков // Недра. – 2022. – № 2. – С. 4–11.
- Moretti I., Webber M.E. Natural hydrogen: a geological curiosity or the primary energy source for a low-carbon future? URL: https://www.renewablematter.eu/articles/article/natural-hydrogen-a-geological-curiosity-or-the-primary-energy-source-for-a-low-carbon-future (дата обращения 15.03.2024).
- Green hydrogen cost reduction scaling up electrolysers to meet the 1.5°С climate goal. – Abu Dhabi: IRENA, 2020. – 106 p.
- Rabiee A., Keane A., Soroudi A. Green hydrogen: a new flexibility source for security constrained scheduling of power systems with renewable energies // International Journal of Hydrogen Energy. – 2021. – Vol. 46. – № 37. – P. 19270–19284. doi: 10.1016/j.ijhydene.2021.03.080.
- Prospects for the production of green hydrogen: review of countries with high potential / V.A. Panchenko, Yu.V. Daus, A.A. Kovalev, I.V. Yudaev, Yu.V. Litti // International Journal of Hydrogen Energy. – 2023. – Vol. 48. – № 12. – P. 4551–4571.
- Renewable Energy Statistics 2023. – Abu Dhabi: IRENA, 2023. – 440 p. doi: 10.1016/j.ijhydene.2022.10.084.
- Fasihi M., Breyer C. Baseload electricity and hydrogen supply based on hybrid PV-wind power plants // Journal of Cleaner Production. – 2020. – Vol. 243. – Art. no. 118466. – P. 1–31. doi: 10.1016/j.jclepro.2019.118466.
- Веселов Ф., Соляник А. Экономика производства водорода с учётом экспорта и российского рынка // Энергетическая политика. – 2022. – № 3. – С. 58–67. doi: 10.21122/10.46920/2409-5516_2022_4170_58.
- Малышенко С.П., Счастливцев А.И. Анализ системы водородного аккумулирования электроэнергии в сравнении с другими системами аккумулирования // Теплофизика высоких температур. – 2015. – Т. 53. – № 4. – С. 509–514. doi: 10.7868/S0040364415.
- Marchenko O.V. Mathematical modeling and economic efficiency assessment of autonomous energy systems with production and storage of secondary energy carriers // International Journal of Low-carbon Technologies. – 2010. – Vol. 5. – № 4. – P. 250–255. doi: 10.1093/ijlct/ctq031.
- Марченко О.В., Соломин С.В. Эффективность совместного использования возобновляемых источников энергии // Вестник Иркутского государственного технического университета. – 2017. – Т. 21. – № 8. – С. 111–121. doi: 10.21285/1814-3520-2017-8-111-121.
- Projected costs of generating electricity. 2020 ed. – Paris: IEA/NEA, 2020. – 223 p.
- Petkov I., Gabrielli P. Power-to-hydrogen as seasonal energy storage: an uncertainty analysis for optimal design of low-carbon multi-energy systems // Applied Energy. – 2020. – Vol. 274. – № 115197. – P. 1–25. doi: 10.1016/j.apenergy. 2020.115197.
- Kalantari H., Ghoreishi-Madiseh S.A. Hybrid renewable hydrogen energy solution for remote cold-climate open-pit mines // Hydrogen. – 2022. – № 3. – P. 312–332. doi: 10.3390/hydrogen3030019.
- Modeling a sustainable energy transition in northern Greenland: Qaanaaq case study / A. Pantaleo, M.A. Albert, H.T. Snyder, S. Doig, T. Oshima, N.E. Hagelqvist // Sustainable Energy Technologies and Assessments. – 2022. – Vol. 54. – № 102774. – P. 1–12. doi: 10.1016/j.seta.2022.102774.
- Assessment of hydrogen-based long term electrical storage in residential energy system / P. Lubello, M. Pasqui, A. Mati, C. Carcasci // Smart Energy. – 2020. – Vol. 8. – № 100088. – P. 1–13. doi: 10.1016/j.segy.2022.100088.
- Марченко О.В., Соломин С.В. Конкурентоспособность солнечных и ветровых электростанций в странах СНГ // Энергетика. Известия высших учебных заведений и энергетических объединений СНГ. – 2020. – Т. 63. – № 4. – С. 301–311. doi: 10.21122/1029-7448-2020-63-4-301-311.
- Марченко О.В., Соломин С.В. Исследование экономической эффективности солнечных и ветровых энергоустановок // Эпоха науки. – 2023. – № 36. – С. 62–65. doi: 10.24412/2409-3203-2023-36-62-65.
Дополнительные файлы






