Critical expert analysis of permanent magnet synchronous motors identification methods and state variable observers
- 作者: Glazyrin A.S.1,2, Popov E.I.3, Kopyrin V.A.3, Kovalev V.Z.2,1, Bolovin E.V.1,4, Popov S.S.1,5, Kladiev S.N.1, Filipas A.A.1, Khamitov R.N.3,6
-
隶属关系:
- National Research Tomsk Polytechnic University
- Yugra State University
- Industrial University of Tyumen
- LLC «INT» of JSC «EleSy»
- «NPF Mechatronica-Pro» LTD
- Omsk State Technical University
- 期: 卷 335, 编号 6 (2024)
- 页面: 240-256
- 栏目: Articles
- URL: https://bakhtiniada.ru/2500-1019/article/view/263871
- DOI: https://doi.org/10.18799/24131830/2024/6/4735
- ID: 263871
如何引用文章
全文:
详细
Relevance. In recent years, the oil industry has seen a tendency to transfer low-yield oil wells to intermittent mode. Unregulated electric drive and the open-loop controlled electric drive of electric centrifugal pumping with permanent magnet synchronous motors are typically not suitable for tasks of intermittent operation of wells. Due to objective reasons, there may not be smooth starts and required quality indicators of transient processes, which leads to even more reduction in oil production. The synthesis of a closed-loop electric drive control system of submersible installations is possible only using algorithms for indirect estimation of non-measured mechanical coordinates of the electric drive – state variables identification methods, observers of the rotor angular velocity and the load torque. The installation of sensors of angular velocity and torque on the shaft of the submersible electric motor is associated with technical difficulties, therefore, there is no need for significant modernization of the hardware solutions of the existing electrical equipment system. To date, the theory of identifying non-linear dynamic systems is widely used to derive an indirect estimate of the non-measured state variables of the permanent magnet synchronous motors. The large number of methods presented in scientific sources requires comparative analysis regarding their benefits and disadvantages in order to select the best identification method that meets the requirements of the oil production and takes into account its specificity and features. In this case, identification systems that are focused on minimizing computing power or operating in real time are given priority.
Aim. To determine the best in terms of computational complexity and the convenience of practical use method of identifying state variables of permanent magnet synchronous motors operating in submersible oil well pumping units based on comparative analysis of existing methods presented in Russian and foreign sources.
Methods. Methods for system analysis and identification of dynamic systems, a method of critical expert analysis.
Result and conclusions. The most common methods for identifying and observing the state variables of synchronous motors with permanent magnets have been described in detail, given the general performance of each group of methods, their benefits and disadvantages were reviewed. By comparative critical expert analysis, it was found that for tasks of submersible electric centrifugal pump units electric drive a Luenberger observer, characterized by relatively low computational complexity and ease of setup in engineering practice, can be recommended.
全文:
Введение
В последние два десятилетия синхронные электродвигатели с постоянными магнитами (СДПМ) получают все большее распространение в промышленности. Сфера применения СДПМ охватывает как высокомоментные электроприводы электровозов и прокатных станов, так и высокооборотистые электроприводы, используемые в погружных насосных установках, а также прецезионные электроприводы и сервоприводы [1]. Основные подходы к управлению скоростью и моментом СДПМ, включающие полеориентированное управление и прямое управление моментом, были разработаны в 80-е гг. прошлого века и остаются наиболее распространенными по настоящее время [2].
Как известно, для реализации обеих стратегий управления необходимо знать информацию о текущих скорости и положении ротора СДПМ. С каждым этапом технического прогресса технологические установки, использующие электропривод, все больше усложняются, и применение датчиков скорости ротора и момента сопротивления на валу может оказаться невозможным из технических или экономических соображений. В особенности данная проблема актуальна для электроприводов погружных насосных установок. При этом со временем к электроприводу предъявляются все более жесткие требования по качеству переходных процессов и точности регулирования.
На сегодняшний день бездатчиковый электропривод остается одной из наиболее актуальных и стремительно развивающихся технологий в электротехнике. Для удовлетворения высоких требований современных технологических процессов к бездатчиковому электроприводу применяются методы косвенной оценки неизмеряемых переменных состояния электродвигателей – наблюдатели состояния. Характерной особенностью СДПМ является то, что они представляют собой сложную, сильно нелинейную динамическую систему. Для линейных систем методы и алгоритмы идентификации переменных состояния в достаточной степени изучены [3–5] и могут быть применены в инженерной практике, например, для двигателя постоянного тока с независимым возбуждением, описанного линейной математической моделью при соответствующих допущениях.
В случае нелинейных систем задача идентификации переменных состояния является некорректной и не может быть решена в общем виде. Вследствие этого на сегодняшний день существует довольно много подходов к проблеме восстановления вектора переменных состояния нелинейных динамических систем, обладающих своими достоинствами и недостатками и различающихся степенью сложности с точки зрения вычислений. Отсутствие универсального метода идентификации переменных состояния СДПМ обуславливает необходимость определения наилучшего метода из представленных на данный момент в российских и зарубежных источниках на основе сравнительного критического экспертного анализа, что является целью данной работы.
В данной работе наибольший интерес представляют вопросы идентификации переменных состояния погружных электродвигателей на базе синхронной машины с постоянными магнитами в составе установок электроцентробежных насосов (УЭЦН) добычи нефти. Особенности технологического процесса УЭЦН не позволяют реализовывать системы управления с достаточно большими вычислительными мощностями, а значит, наибольшее внимание при проведении сравнительного анализа должно уделяться вычислительным возможностям рассматриваемых методов и алгоритмов идентификации наблюдателей переменных состояния СДПМ. Приоритет при проведении критического экспертного анализа должен отдаваться методам идентификации, направленным на минимизацию вычислительных затрат или на работу в режиме реального времени при программно-алгоритмической реализации.
Наблюдатели Люенбергера
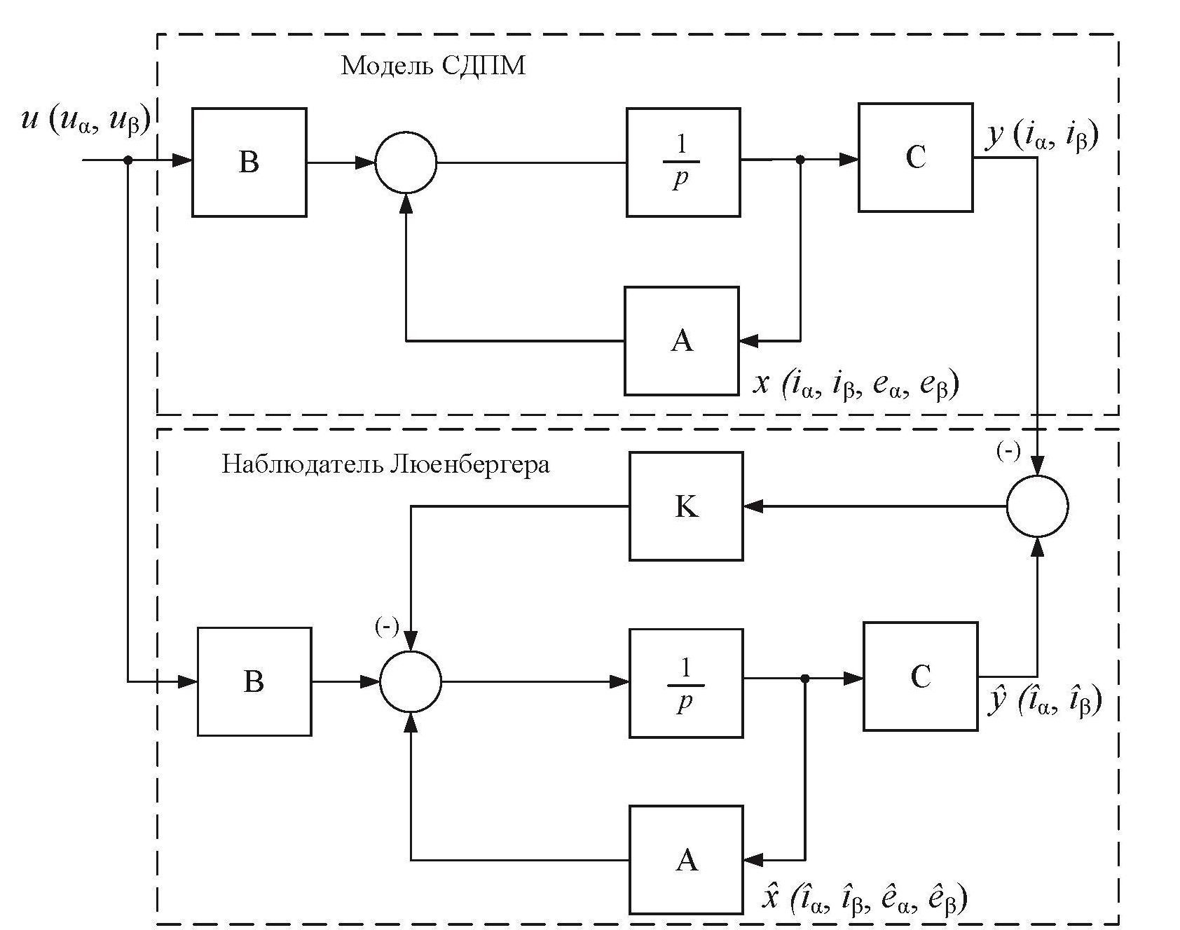
Наблюдатель, предложенный Давидом Люенбергером для линейных систем [3, 5], нашел широкое применение в задачах векторного управления электроприводом, в частности, в схемах полеориентированного управления при питании электродвигателя от преобразователя частоты с векторной широтно-импульсной модуляцией [6–10]. Распространенность наблюдателя Люенбергера (Luenberger observer) обусловлена простотой математического описания [11] и низкой вычислительной сложностью при реализации на цифровых сигнальных процессорах [12]. Типовая структурная схема наблюдателя в системе электропривода изображена на рис. 1.
Рис. 1. Структурная схема типового наблюдателя Люенбергера (наблюдатель потокосцепления) для СДПМ [9] (А – матрица системы; B – матрица управления; С – матрица наблюдаемых параметров; K – матрица коэффициентов наблюдателя; u – вектор управляющих воздействий; x – вектор переменных состояния; y – вектор наблюдаемых переменных состояния; – вектор оценок переменных состояния; – вектор оценок наблюдаемых переменных состояния)
Fig. 1. Basic structure of the traditional Luenberger observer (flux linkage observer) for permanent magnet synchronous motor (PMSM) [9]( А – system matrix; B – control matrix; С – observed parameter matrix; K – observer coefficient matrix; u – vector of controls; x – vector of state variables; y – vector of the observed state variables; – vector of estimates of state variables; – vector of estimates of observed state variables)
Ядром наблюдателя Люенбергера может выступать настраиваемая математическая модель как всего электродвигателя [13], построенная на усилении невязки токов статора объекта и модели, так и его механической подсистемы, например, в системах бездатчикового управления с регуляторами в скользящем режиме [14, 15].
Определенный интерес представляет работа [16]. В ней предложен наблюдатель с каскадной структурой, в котором вычисление оценок всех переменных состояния СДПМ производится только на основании измерения тока звена постоянного тока преобразователя частоты. В статье представлена также и дискретная реализация наблюдателя. Предложенный подход позволяет сократить количество датчиков тока в системе электропривода, однако при этом существенно возрастают вычислительные операции микропроцессора. Кроме того, как следует из результатов работы, наблюдатель имеет большое время отклика на изменение нагрузки двигателя, вследствие чего остаются открытыми вопросы об устойчивости к параметрическим возмущениям (робастности) разработанного наблюдателя.
Как известно, для СДПМ существует проблема определения начального положения ротора при пуске двигателя. В статье [17] авторы рассматривают систему электропривода с вентиляторным моментом нагрузки. Основная идея работы заключается в частотном пуске электродвигателя с разомкнутой системой управления с регулятором тока до момента времени, когда наблюдатель скорости «подхватит» движение электродвигателя, и последующим переходом на замкнутую систему управления. Результаты данной работы не решают проблему определения начального положения ротора, однако экспериментально подтверждают возможность устойчивой работы системы электропривода с векторным управлением при неизвестном начальном положении ротора. Тем не менее необходимо отметить, что требование к отработке рассогласования начальных условий по скорости наблюдателя и электродвигателя является стандартным [18], следовательно, аналогичное требование при некоторых допущениях может быть выдвинуто и по углу начального положения ротора, однако в общем случае рассогласование начальных условий по положению ротора может привести к потере устойчивости системы.
Несмотря на простоту реализации, высокую робастность и время отклика на возмущение, наблюдатель Люенбергера не получил широкого распространения в системах управления СДПМ. К основными проблемам наблюдателя в системах электропривода можно отнести снижение точности оценки неизмеряемых переменных состояния наблюдателем как на низких рабочих частотах вращения вала ротора электродвигателя [8–10], так и при наличии шумов в измерительных каналах по сравнению с другими типами наблюдателей [15, 19].
Однако положительные стороны наблюдателя Люенбергера позволяют рекомендовать его для применения в системах электропривода установок электроцентробежных насосов, функционирующих в режиме циклической эксплуатации и требующих, в связи с этим, перехода на замкнутые по основным переменным состояния системы автоматического управления [20].
Фильтры Калмана
Альтернативой классическому наблюдателю Люенбергера для систем электроприводов, к которым предъявляются высокие требования по качеству переходных процессов или характеризующихся сильной зашумленностью измерительных каналов, является расширенный фильтр Калмана (Extended Kalman filter). В работе [21] показано, что отработка синхронным сервоприводом режима реверса с системой управления, замкнутой по скорости через расширенный фильтр Калмана (РФК), происходит быстрее и с меньшим перерегулированием и пульсациями электромагнитного момента, чем системой управления, замкнутой через типовой наблюдатель потокосцепления (Люенбергера).
В инженерной практике расширенный фильтр Калмана получил распространение в системах векторного управления СДПМ с прямым управлением моментом, так как позволяет не только восстанавливать механические координаты вектора переменных состояния, но и производить идентификацию параметров схемы замещения [22, 23], либо выполнять фильтрацию измеряемых электромагнитных переменных состояния в уже существующей системе электропривода.
Так, например, в работах [24, 25] авторами разработан и исследован алгоритм, позволяющий улучшить гармонический состав тока электродвигателя путем компенсации «мертвого времени» автономного инвертора напряжения, на основе оценки вектора состояния электродвигателя РФК. Показано, что коэффициент гармонических искажений тока в установившихся режимах в рамках проведенных вычислительного и физического экспериментов снижен с 6,22 до 0,74 %, тем самым достигается уменьшение пульсаций электромагнитного момента в переходных и установившихся режимах.
Несмотря на явные преимущества РФК по сравнению с наблюдателями потокосцепления (Люенбергера), его возможности при решении сильно нелинейных задач остаются ограниченными вследствие использования метода линеаризации, снижающего точность и устойчивость алгоритма фильтрации, а также оказывающего высокую вычислительную нагрузку на микроконтроллер при вычислении матрицы Якоби [26]. Как известно, данных недостатков лишен ансцентный фильтр Калмана (Uncented Kalman filter) (АФК).
В работах [27, 28] авторами был проведен сравнительный анализ АФК и РФК для задач бездатчикового управления СДПМ. Как следует из статей, РФК показывает лучшие характеристики в процессе пуска двигателя, однако АФК имеет выше точность оценки переменных состояния, особенно в переходных процессах, а также в условиях большей зашумленности измеренных сигналов и при неизвестном начальном положении ротора. По данным физического эксперимента [28] относительное среднее значение ошибки оценки скорости, полученной с РФК, составляет 3,27 %, для АФК – 1,93 %.
Анализ публикаций показывает, что в настоящее время для задач прямого управления моментом в системах бездатчикового электропривода именно АФК преобладает над РФК [27–30]. Это обусловлено низкими вычислительными затратами АФК в сравнении с РФК, позволяющими использовать более сложные и точные математические модели электродвигателя. Однако в случае простых задач все еще имеет место применение РФК, поскольку на практике настройка и оптимизация его параметров проще относительно АФК [27].
Отдельного рассмотрения заслуживает работа [31], в которой авторы предлагают использовать оптимальный нелинейный фильтр инвариантного погружения, представляющий собой обобщенный фильтр Калмана–Бьюси (ОФКБ), в бездатчиковой системе векторного управления вентильным двигателем на базе синхронной машины с постоянными магнитами. Настройка фильтра, как и в случае РФК, производится заданием матриц ковариаций шумов самой модели и измерительных каналов. Однако, в отличие от РФК, ОФКБ выполняет фильтрацию в непрерывном времени, а объект наблюдения моделируется стохастическими дифференциальными уравнениями [32].
Фильтр инвариантного погружения [31] представляет собой систему двадцатого порядка, редуцированный фильтр – систему девятого порядка. Высокий порядок математической модели системы затрудняет ее реализацию на микроконтроллерах. Редуцированный фильтр показывает худшую в сравнении с фильтром полного порядка динамику в переходных процессах и характеризуется большей колебательностью. Следовательно, на данный момент ОФКБ ни полного, ни редуцированного порядка не может быть рекомендован для применения в цифровых системам управления электроприводами.
Наблюдатели, принцип работы которых основан на теории Калмановской фильтрации, характеризуются высокими вычислительными затратами и сложностью в настройке в сравнении с наблюдателями Люенбергера. При повышении порядка математической модели системы, например, в задачах идентификации динамических систем типа «длинный кабель – погружной электродвигатель» эти недостатки будут особенно существенны.
Наблюдатели на основе скользящих режимов
В настоящее время все большее распространение приобретают методы идентификации динамических систем на основе наблюдателей, работающих по принципу скользящих режимов (Sliding Mode Observers – SMO). В отечественной и зарубежной литературе [33–35] рассматривается применение наблюдателей на основе скользящих режимов в линейных моделях стационарных и нестационарных технических систем с целью идентификации дефектов (функционального диагностирования). Идея метода заключается в построении редуцированной модели исходной системы, которая обладала бы избирательной чувствительностью к дефектам и возмущениям, с целью синтеза отказоустойчивой системы управления.
При построении систем управления СДПМ наблюдатели на основе скользящих режимов, как правило, представляют собой наблюдатели потокосцепления постоянного магнита ротора (или противо-ЭДС двигателя) для получения оценки скорости вращения ротора [36–39]. К достоинствам наблюдателей на основе скользящего режима можно отнести простую структуру, высокую робастность и хорошие динамические свойства. Основной недостаток наблюдателей на основе скользящих режимов – существенные пульсации и искажение гармонического состава оцениваемых величин, поэтому в схемах классических скользящих наблюдателей (рис. 2) предусмотрен фильтр низких частот. Тем не менее использование пассивных фильтров приводит к фазовой задержке и ослаблению амплитуды сигналов, что негативно сказывается на динамических характеристиках наблюдателя.
Рис. 2. Структурная схема наблюдателя на основе скользящих режимов в классическом варианте исполнения [38]
Fig. 2. Structure of the conventional sliding mode observer [38]
Современные варианты реализации наблюдателя на основе скользящих режимов включают в себя различные способы для снижения пульсаций сигналов. Так, в работе [38] предложено заменить в структуре наблюдателя релейную функцию сигмоидной и применить адаптивный фильтр нижних частот с переменной частотой среза, зависящей от оценки положения ротора. Интересной также представляется работа [40], в которой релейная функция заменяется блоком нечеткой логики, функция принадлежности выходного сигнала которого зависит от знака произведения невязки токов и ее производной. Идеи применения нечеткой логики, схем фазовой автоподстройки частоты или сигмоидных функций в структуре наблюдателя на основе скользящих режимов в различных вариантах исполнения [40–42] получили значительное распространение в системах управления СДПМ.
Иное применение наблюдателей на основе скользящих режимов заключается в идентификации дефектов СДПМ. В серии работ [43–45] авторами рассмотрен способ определения размагничивания ротора, основанный на использовании скользящего наблюдателя потокосцепления постоянного магнита. Подавление шумов и пульсаций на выходе релейного элемента реализовано с помощью алгоритма суперскручивания – одного из наиболее распространённых алгоритмов стабилизации динамических систем с неопределенным возмущением только по вектору выхода системы [46], что позволяет получить оценку потокосцепления с высокой степенью точности.
К недостаткам наблюдателей на основе скользящих режимов можно отнести сильную зашумленность сигналов оценки переменных состояния (особенно остро эта проблема проявляется при работе двигателя на низких скоростях, что выражается в возрастании пульсаций электромагнитного момента), свойственную любым скользящим режимам, а также существенное усложнение структуры наблюдателя при попытках преодолеть эту проблему. Включение в структуру наблюдателя блока нечеткой логики ведет к увеличению вычислительных затрат при его реализации на микроконтроллере, а также требует привлечения опытного эксперта для настройки лингвистических правил.
Наблюдатели возмущений
Как уже отмечалось ранее, в сложных эксплуатационных условиях электродвигатель подвержен влиянию как внешних возмущений, так и вариации внутренних параметров, которые оказывают значительное влияние на качество функционирования электродвигателя. При этом они могут быть существенно нелинейны, что сильно усложняет их количественную оценку, а моделирование некоторой аналитической или эмпирической приближенной функцией может быть вовсе недоступно.
Идентификация сложных возмущений может быть осуществлена с помощью наблюдателей возмущений (Disturbance observer). Данные наблюдатели могут быть применены для широкого круга задач. Они могут включать в себя, например, робастное управление скоростью электродвигателя как в достаточно простых электроприводах [47], так и в технических системах сложных технологических процессов, имеющих многомассовую механическую подсистему [48, 49].
Определенный интерес представляют вопросы применения наблюдателей возмущений в системах электропривода с регуляторами скорости, работающими в скользящем режиме [50–52]. Как известно [53], задача управления в скользящем режиме состоит в обеспечении независимости движения динамической системы от внешних возмущений. В случае СДПМ инвариантность динамической системы по отношению к внешним возмущениям можно обеспечить только при известных входных воздействиях. Если же поведение момента нагрузки во времени имеет сложный стохастический характер, его идентификация возможна только построением высокоточного наблюдателя момента нагрузки с хорошими динамическими свойствами, малым временем отклика и глобальной асимптотической устойчивостью, представляющий собой наблюдатель возмущений [54]. Особенно это актуально для высокомоментных электроприводов, функционирующих на низких скоростях вращения [51]. Структурная схема типового наблюдателя возмущений в составе СДПМ приведена на рис. 3.
Рис. 3. Один из вариантов исполнения наблюдателя возмущений в структуре системы управления СДПМ [50] (ШИМ – блок широтно-импульсной модуляции; ПЧ – преобразователь частоты; ДПР – датчик положения ротора)
Fig. 3. One of disturbance observer options in PMSM control system [50] (ШИМ – pulse width modulation block; ПЧ - frequency converter; ДПР - rotor position sensor)
Использование наблюдателя возмущений также возможно и в системах электропривода с робастным управлением током, в том числе и при работе адаптивного регулятора тока в скользящем режиме в условиях изменяющихся во времени параметров схемы замещения электродвигателя [55]. Кроме того, наблюдатели возмущений находят применение в задачах оценки и снижения пульсаций электромагнитного момента с улучшением гармонического состава тока в системах электропривода с классическими ПИ-регуляторами тока [56], а значит, могут быть востребованы при разработке малошумных электроприводов.
Основным недостатком наблюдателя возмущений, как видно из рис. 3, является необходимость точно знать скорость вращения или угловое положение ротора электродвигателя, которое может быть получено только либо с помощью датчиков, установка которых не всегда возможна, либо с другого наблюдателя, что является существенным усложнением системы управления электроприводом. На практике это ограничивает область применения наблюдателя возмущений электротранспортом [50, 51] или прецизионными и сервоприводами [54].
Наблюдатели на основе MRAS
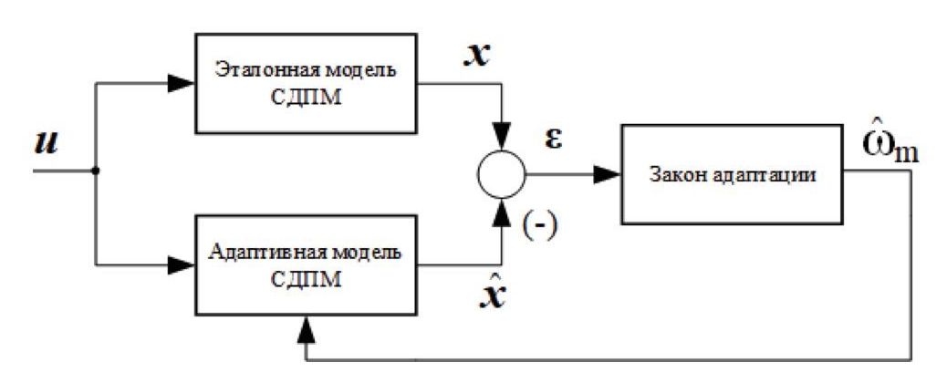
Еще одну самостоятельную группу методов идентификации образуют наблюдатели на основе адаптивных систем с эталонной моделью (Model Reference Adaptive System – MRAS). Принцип работы MRAS основан на обеспечении неизменности динамических характеристик всей системы при изменении параметров объекта управления за счет введения в контур управления модели-эталона и закона адаптации параметров контура управления (рис. 4).
Рис. 4. Структурная схема наблюдателя на основе адаптивной системы с эталонной моделью (MRAS) в общем виде
Fig. 4. General block scheme of MRAS-type observer
Наблюдатели на основе MRAS характеризуются относительной простотой реализации на микроконтроллерах, вследствие чего находят применение в бездатчиковых цифровых системах управления электроприводами для восстановления оценки скорости электродвигателя или идентификации параметров его схемы замещения [57–60]. При этом закон адаптации может быть задан как аналитически, так и с применением метаэвристических алгоритмов, например, искусственных нейронных сетей [61, 62].
Нередко данные наблюдатели выполняются совмещенными с какими-либо другими типами наблюдателей. Так, например, в работе [63] в систему электропривода дополнительно вводится скользящий наблюдатель для реализации feed-forward регулятора с целью улучшения гармонического состава тока и снижения пульсаций электромагнитного момента при работе электродвигателя в диапазоне частот выше номинальной.
Определенный интерес представляет работа [64]. Поскольку за счет наблюдателя на основе адаптивной системы с эталонной моделью невозможно получить одновременную оценку угловой скорости и момента на валу, оценка последнего производится отдельно с помощью наблюдателя Люенбергера. При этом сигнал получаемой оценки момента нагрузки оказывается достаточно зашумленным, а скорость отработки наблюдателем наброса нагрузки уступает классическим наблюдателям Люенбергера полного порядка.
К недостаткам адаптивных систем с эталонной моделью можно отнести высокую сложность настройки и сильную чувствительность к параметрам электродвигателя, выражающуюся в потере точности оценки скорости и нарушении устойчивости работы наблюдателя (особенно в диапазоне низких и высоких скоростей) [65]. Как правило, эти проблемы частично решаются использованием в системе управления электроприводом различных дополнительных алгоритмов, что ведет к усложнению системы управления и трудности в реализации на цифровых сигнальных процессорах.
Метаэвристические методы идентификации
В теории автоматического управления все большую популярность обретают метаэвристические алгоритмы, к которым можно отнести искусственные нейронные сети (ИНС), генетические алгоритмы, методы дифференциальной эволюции, методы оптимизации муравьиной колонии и др. В системах управления электроприводами наибольшее распространение получили методы на основе ИНС, что объясняется их способностью с высокой точностью моделировать сильно нелинейную динамику СДПМ.
Как следствие, наблюдатели на основе ИНС широко применяются в бездатчиковых сервоприводах на базе СДПМ [66, 67], к которым предъявляются крайне высокие требования по точности и устойчивости функционирования при заранее неизвестной нагрузке. При этом предложенные в работах [66–68] архитектуры систем управления отличаются высокой сложностью (вплоть до применения в архитектуре ИНС закона адаптации весов в реальном времени) и связанными с этим трудностями при реализации наблюдателей на микроконтроллерах. Такой подход оправдан для управления электроприводом роботов-манипуляторов, требовательным к высокой точности и скорости отработки наблюдателя, однако не может быть реализован на практике в системах управления электроприводом погружных насосов, вычислительная способность микропроцессоров которых сильно ограничена.
Сравнительно более простой в реализации наблюдатель на основе ИНС представлен в работе [69]. В качестве регулятора скорости ротора и электромагнитного момента в работе рассматривается регулятор в скользящем режиме, порождающий высокочастотные колебания и пульсации скорости и момента электродвигателя. Изложенные в статье результаты имитационного моделирования отражают достаточно высокую точность оценки механических координат электропривода наблюдателем. Однако авторами не приводится описание обучения нейросети, от которого, как известно, критически зависит работоспособность ИНС. Кроме того, отсутствуют результаты апробации предложенного подхода в рамках физического эксперимента для валидации работоспособности наблюдателя.
Определенный интерес представляет серия работ [70, 71], в которой разработан и исследован нейросетевой адаптивный наблюдатель состояния на основе теоремы об устойчивости на конечном промежутке времени и метода бэкстеппинга. Как утверждают авторы, существующие методы адаптивного управления для построения наблюдателей состояния электродвигателей выполнены согласно теореме Ляпунова об асимптотической устойчивости, тогда как для электроприводов, управляемых в скользящем режиме или работающих в условиях переменной и сильно нелинейной нагрузки, должны быть предъявлены требования по устойчивости на конечном интервале времени.
Представленные в работах [70, 71] результаты имитационного моделирования свидетельствуют о том, что предложенная структура нейросетевого наблюдателя обеспечивает устойчивую оценку переменных состояния на необходимом конечном интервале времени, что обеспечивает более высокую робастность и точность работы наблюдателя в динамических режимах при стохастическом характере нагрузки. Необходимо отметить, что архитектура предложенной системы управления остается достаточно громоздкой, а сам наблюдатель относительно сложен в настройке.
Среди метаэвристических методов идентификации в последние годы получили распространение методы на основе генетических алгоритмов. Однако, как показывает практика, на данный момент их применение остается ограниченным только идентификацией параметров технических систем [72, 73], и вопрос использования генетических алгоритмов для восстановления вектора переменных состояния электропривода на базе СДПМ остается открытым.
Недостатки метаэвристических методов оценки переменных состояния на основе ИНС заключаются в высокой вычислительной сложности таких систем, а также необходимости выполнять обучение ИНС, что представляет собой отдельную самостоятельную научно-техническую задачу.
Обобщенный критерий экспертной оценки эффективности способов построения наблюдателей состояния синхронного электродвигателя с постоянными магнитами
Проведенный анализ работ [5–71] не позволяет выявить наилучший метод для идентификации переменных состояния СДПМ с точки зрения его применения в системах управления электроприводов УЭЦН. Для проведения сравнительного анализа рассмотренных методов идентификации воспользуемся методом критического экспертного анализа, изложенным в [74]. Для применения экспертного анализа необходимо сформировать критерии, отражающие работоспособность методов идентификации переменных состояния:
- точность отработки наблюдателя;
- быстродействие отклика наблюдателя;
- простота метода идентификации, заключающаяся в легкой настройке и использовании метода оператором;
- низкая вычислительная сложность при высоком порядке математической модели объекта – динамической системы;
- чувствительность к точности задания параметров схемы замещения;
- устойчивость к шумам в измерительных каналах;
- простота реализации дискретного варианта наблюдателя.
Методы идентификации переменных состояния синхронных электродвигателей с постоянными магнитами пронумерованы следующим образом:
- М1 – методы идентификации на основе наблюдателя Люенбергера [5–19];
- М2 – методы идентификации на основе фильтра Калмана [21–32];
- М3 – методы идентификации на основе наблюдателей на основе скользящих режимов [33–46];
- М4 – методы идентификации на основе наблюдателей возмущений [47–56];
- М5 – методы идентификации на основе адаптивных систем с эталонной моделью (MRAS) [57–65];
- М6 – метаэвристические методы идентификации [66–71].
Результаты критического экспертного анализа сведем в таблицу. Критерии в таблице обозначены К1–К7 по порядку их нумерации. Pi – ранжирование каждого критерия; ВКi – весовой коэффициент для каждого критерия; Ei – оценка эксперта соответствия метода идентификации критерию; Ri – приведенная оценка с учетом весового коэффициента по каждому критерию.
Таблица. Критический экспертный анализ методов идентификации переменных состояния синхронных электродвигателей с постоянными магнитами с позиции технологического процесса УЭЦН
Table. Critical expert analysis of PMSM state variables identification methods from an electrical submersible pump technological process perspective
К
М | Критерий Criteria | Сумма Total | |||||||
К1 | К2 | К3 | К4 | К5 | К6 | К7 | |||
М1 | Ei | 2 | 1 | 3 | 3 | 2 | 1 | 3 | 15 |
Ri | 0,143 | 0,036 | 0,321 | 0,750 | 0,357 | 0,143 | 0,643 | 2,393 | |
М2 | Ei | 3 | 2 | 1 | 2 | 3 | 3 | 2 | 16 |
Ri | 0,214 | 0,071 | 0,107 | 0,500 | 0,536 | 0,429 | 0,429 | 2,286 | |
М3 | Ei | 1 | 3 | 2 | 2 | 3 | 3 | 2 | 16 |
Ri | 0,071 | 0,107 | 0,214 | 0,500 | 0,536 | 0,429 | 0,429 | 2,286 | |
М4 | Ei | 2 | 2 | 3 | 1 | 2 | 2 | 2 | 15 |
Ri | 0,143 | 0,071 | 0,321 | 0,250 | 0,357 | 0,286 | 0,429 | 1,857 | |
М5 | Ei | 3 | 3 | 2 | 2 | 1 | 1 | 2 | 14 |
Ri | 0,214 | 0,107 | 0,214 | 0,500 | 0,179 | 0,143 | 0,429 | 1,786 | |
М6 | Ei | 3 | 3 | 1 | 1 | 3 | 3 | 1 | 15 |
Ri | 0,214 | 0,107 | 0,107 | 0,250 | 0,536 | 0,429 | 0,214 | 1,857 | |
Рi | 2 | 1 | 3 | 7 | 5 | 4 | 6 | 28 | |
ВКi | 0,071 | 0,036 | 0,107 | 0,250 | 0,179 | 0,143 | 0,214 |
| |
Согласно методу критического экспертного анализа [74], эксперт после анализа каждой группы методов идентификации переменных состояния СДПМ выставляет оценку по каждому критерию (3 – полностью соответствует критерию, 2 – частично соответствует критерию, 1 – полностью не соответствует критерию). Затем критериям выставляется уровень ранжирования согласно важности данного критерия относительно всего списка. Далее для каждого критерия вычисляется весовой коэффициент:
Приведенная оценка соответствия метода идентификации критерию с учетом весового коэффициента вычисляется по формуле:
Все приведенные оценки Ri суммируются и выставляются в ячейке столбика «сумма» для каждого метода.
В качестве примера рассмотрим оценку эксперта по первому критерию К1 для первой группы методов идентификации М1. Оценка эксперта по данному критерию – 2, что означает, что наблюдатели Люенбергера имеют точность отработки в переходных режимах ниже, чем наблюдатели на основе метаэвристических алгоритмов (ИНС) группы М6, однако достаточную для инженерной практики.
Поскольку сумма всех уровней ранжирования равна 28, весовой коэффициент ВК1 для К1 составляет 0,071. Следовательно, приведенная оценка для группы методов М1 по первому критерию К1 равна 0,143. Аналогичная последовательность операций производится для каждой группы методов по каждому критерию.
Наибольший приоритет отдается критерию К4, связанному с объемом вычислительных затрат при программно-алгоритмической реализации метода идентификации. Кроме того, при проведении критического экспертного анализа повышенное внимание уделялось критериям К5 и К7, ориентированным на простоту применения методов идентификации в инженерной практике с учетом специфики технологического процесса нефтедобычи.
Наибольшую взвешенную сумму оценок в 2,393 по заявленным критериям, согласно таблице, получила группа методов идентификации переменных состояния на основе наблюдателей Люенбергера. Относительно трех основных критериев: К4, К5, К7, взвешенная сумма оценок группы М1 составляет 1,750. Сравнимый уровень взвешенной суммы оценок демонстрируют группы М2 (методы идентификации на основе фильтров Калмана) и М3 (наблюдатели на основе скользящих режимов), имеющие оценку 2,286, что уступает методам группы М1 на 4,5 %. При рассмотрении приоритетных критериев К4, К5, К7 взвешенная сумма оценок для групп М2, М3 составляет 1,464, что меньше взвешенной суммы оценок для группы М1 на 16,3 %.
На основе произведенного критического экспертного анализа, как следует из анализа таблицы, можно сделать вывод, что для инженерной практики, в особенности для синтеза систем управления электроприводами УЭЦН, в качестве метода идентификации переменных состояния СДПМ в большей степени могут быть рекомендованы наблюдатели Люенбергера, поскольку они просты в настройке, малочувствительны к точности задания параметров схемы замещения электродвигателя и не требуют больших вычислительных мощностей при реализации наблюдателя на цифровых сигнальных процессорах.
Сопоставимым уровнем взвешенной суммы оценок обладают методы на основе фильтров Калмана и наблюдателей на основе скользящих режимов. Расширенные фильтры Калмана обладают большей устойчивостью к шумам в измерительных каналах, однако подбор параметров ковариационных матриц в инженерной практике, как правило, более сложный процесс, чем настройка коэффициентов отработки невязки для наблюдателей Люенбергера. Наблюдатели на основе скользящих режимов также обладают большей устойчивостью к шумам и неопределенности задания параметров динамической системы, однако их точность восстановления вектора переменных состояния ниже в сравнении с фильтрами Калмана и наблюдателями Люенбергера как в интегральном смысле, так и установившихся режимах.
Наиболее подходящей областью применения методов идентификации на основе разновидностей фильтра Калмана и метаэвристических алгоритмов являются системы прецизионных электроприводов, а также системы управления, характеризующиеся большой зашумленностью измерительных каналов. Наблюдатели на основе скользящих режимов, в свою очередь, могут быть рекомендованы для систем управления электроприводами, к которым предъявляются повышенные требования к параметрической робастности, а также меньшие требования к точности отработки задания и качеству переходных процессов.
Заключение
Идентификация переменных состояния таких многосвязных нелинейных динамических систем, как СДПМ, представляет собой сложную научно-техническую проблему, которая на данный момент далека от своего разрешения. Множество существующих способов и алгоритмов эффективной оценки неизмеряемых координат электродвигателей лишь подчеркивает актуальность данной проблемы и отсутствие универсального метода идентификации переменных состояния.
Стоит отметить, что применение методов идентификации и наблюдателей состояния синхронного электродвигателя не ограничивается оценкой переменных состояния. Идентификация таких дефектов электродвигателя, как размагничивание постоянного магнита ротора, смещение оси ротора и др., является не менее важным инструментом при эксплуатации электродвигателя и синтезе отказоустойчивых систем управления.
Выбор того или иного метода идентификации зависит от конкретных условий и технических требований, предъявляемых технологическим процессом. Тем не менее, исходя из проведенного критического экспертного анализа, можно утверждать, что для большинства инженерных задач в большей степени могут быть рекомендованы методы идентификации на основе наблюдателей Люенбергера.
Дальнейшее развитие методов идентификации на основе наблюдателей Люенбергера видится авторами в повышении устойчивости методов к шумам в каналах связи. Кроме того, большой интерес представляют вопросы аппроксимации оценок переменных состояния и их «доопределения» до аналитических функций, что позволит в реальном времени аналитически применять весь математический аппарат теории автоматического управления для повышения эффективности и качества функционирования регулируемых электроприводов.
作者简介
Alexander Glazyrin
National Research Tomsk Polytechnic University; Yugra State University
编辑信件的主要联系方式.
Email: asglazyrin@tpu.ru
Dr. Sc., Professor, Professor
俄罗斯联邦, 30, Lenin avenue, Tomsk, 634050; 16, Chekhov street, Khanty-Mansiysk, 628012Evgeniy Popov
Industrial University of Tyumen
Email: popovei72@mail.ru
ORCID iD: 0000-0003-2088-4280
Assistant
俄罗斯联邦, 38, Volodarsky street, Tyumen, 625000Vladimir Kopyrin
Industrial University of Tyumen
Email: kopyrinva@gmail.com
ORCID iD: 0000-0002-7515-4018
Cand. Sc., Associate Professor
俄罗斯联邦, 38, Volodarsky street, Tyumen, 625000Vladimir Kovalev
Yugra State University; National Research Tomsk Polytechnic University
Email: vz_kovalev@mail.ru
ORCID iD: 0000-0002-4512-6868
Dr. Sc., Professor, Professor
俄罗斯联邦, 16, Chekhov street, Khanty-Mansiysk, 628012; 30, Lenin avenue, Tomsk, 634050Evgeniy Bolovin
National Research Tomsk Polytechnic University; LLC «INT» of JSC «EleSy»
Email: orange@tpu.ru
ORCID iD: 0000-0002-8483-8999
Cand. Sc., Associate Professor, Software Engineer
俄罗斯联邦, 30, Lenin avenue, Tomsk, 634050; 161A, Altaiskaya street, Tomsk, 634021Semen Popov
National Research Tomsk Polytechnic University; «NPF Mechatronica-Pro» LTD
Email: ssp14@tpu.ru
ORCID iD: 0009-0004-4139-8032
Postgraduate Student, Software Engineer
俄罗斯联邦, 30, Lenin avenue, Tomsk, 634050; 119e, Frunze avenue, Tomsk, 634513Sergey Kladiev
National Research Tomsk Polytechnic University
Email: kladiev@tpu.ru
ORCID iD: 0000-0001-9432-0176
Cand. Sc., Associate Professor
俄罗斯联邦, 30, Lenin avenue, Tomsk, 634050Alexander Filipas
National Research Tomsk Polytechnic University
Email: filipas@tpu.ru
ORCID iD: 0000-0002-5376-5416
Cand. Sc., Associate Professor
俄罗斯联邦, 30, Lenin avenue, Tomsk, 634050Rustam Khamitov
Industrial University of Tyumen; Omsk State Technical University
Email: apple_27@mail.ru
ORCID iD: 0000-0001-9876-5471
Dr. Sc., Professor, Professor
俄罗斯联邦, 38, Volodarsky street, Tyumen, 625000; 11, Mira avenue, Omsk, 644050参考
- Pankratov V.V. Valve electric drive: from washing machine to metal-cutting machine and electric locomotive. Elektronnye komponenty, 2007, no. 2, pp. 68–77. (In Russ.)
- Bodkhe S. Steady-state analysis and comparison of control strategies for PMSM. Modelling and Simulation in Engineering, 2015, vol. 15, pp. 1–11.
- Luenberger D.G. Observing the state of linear system. IEEE Trans. Mil. Electron, 1964, vol. Mil-8, April, pp. 74–80.
- Kalman R.E. A new approach to linear filtering and prediction problems. Journal of Basic Engineering, 1960, vol. 82, pp. 35–45.
- Luenberger D.G. An introduction to observers. IEEE Transactions of Automatic Control, 1971, vol. AC-16, no. 6, pp. 596–602.
- Grouz F., Grouz F., Sbita L. Speed sensorless IFOC of PMSM based on adaptive Luenberger observer. International Journal of Computer and Information Engineering, 2010, vol. 4, no. 8, pp. 1256–1262.
- Henwood N., Malaize J., Praly L. A robust nonlinear Luenberger observer for the sensorless control of SM-PMSM: rotor position and magnets flux estimation. 38th Annual Conference on IEEE Industrial Electronics Society. Montreal, Quebec, Canada, 2012. pp. 1625–1630.
- Brandstetter P., Rech P., Simonik P. Sensorless control of permanent magnet synchronous motor using Luenberger observer. Progress in Electromagnetics Research Symposium, PIERS. Cambridge, USA, 2010. pp. 424–428.
- Luo R., Wang Z., Sun Y. Optimized Luenberger observer-based PMSM sensorless control by PSO. Modelling and Simulation in Engineering, 2022, vol. 2022, pp. 1–17.
- Busca C. Open loop low speed control for PMSM in high dynamic. Denmark, Aalborg University, 2010. 119 p.
- Glazyrin A.S. Sensorless control of asynchronous electric drive with synergetic regulator. Bulletin of the Tomsk Polytechnic University, 2010, vol. 321, no. 4, pp. 107–111. (In Russ.)
- He L., Wang F. Zynq Implemented Lunenberger disturbance observer based predictive control scheme for PMSM drives. IEEE Transaction on Power Electronics, 2020, vol. 35, Iss. 2, pp. 1770–1778.
- Glazyrin A.S., Kladiev S.N., Afanasiev K.S., Timaskin V.V., Slepnev I.G. Design of full order observer with real time monitoring of load torque for submersible induction motors. Bulletin of the Tomsk Polytechnic University. Geo Assets Engineering, 2018, vol. 329, no. 2, pp. 118–126. (In Russ.)
- Bakhti I., Chaouch S., Makoug A., Douadi T. Robust sensorless sliding mode control with Luenberger observer design applied to permanent magnet synchronous motor. 5th International Conference on Systems and Control. Marrakesh, Morocco, 2016. pp. 204–210.
- Saihi L., Boutera A. Robust sensorless sliding mode control of PMSM with MRAS and Luenberger extended observer. 8th International on Modelling and Control. Algeria, Algiers, 2016. pp. 174–179.
- Hafez B., Abdel-Khalik A., Massoud A.M., Ahmed S., Lorenz R.D. Single-sensor-based three-phase permanent-magnet synchronous motor drive system with Luenberger observers for motor line current reconstruction. IEEE Transactions on Industry Applications, 2014, vol. 50, Iss. 4, pp. 2602–2613.
- Arafa O., Aziz G.A., El-Sebah M.I., Mansour A.A. Observer-based sensorless speed control of PMSM: a focus on drive’s startup. Journal of Electrical Systems and Information Technology, 2016, vol 3, I. 2, pp. 181–209.
- Glazyrin A.S. Proportional and proportional-integral principles of residual processing in the observer of the full order of the electromechanical object with a linearized model. Nauchny vestnik NGTU, 2015, vol. 58, no. 1, pp. 28–39. (In Russ.)
- Bukreev V.G., Shandarova E.B., Perevoshchikov F.V. State estimation analysis of an induction electric drive by algorithms of Luenberger and Kalman. Scientific and Technical Journal of Information Technologies, Mechanics and Optics, 2023, vol. 23, no. 1, pp. 35–43. (In Russ.)
- Kladiev S.N. Review and critical analysis of the current state and ways to improve regulated power supplies and automatic control systems for electric centrifugal pumping units in intermittent operation of oil wells. Bulletin of the Tomsk Polytechnic University. Geo Assets Engineering, 2023, vol. 334, no. 9, pp. 203–215. (In Russ.)
- Huang M.C., Moses A.J., Anayi F. The comparison of sensorless estimation techniques for PMSM between extended Kalman filter and flux-linkage observer. Twenty-First Annual IEEE Applied Power Electronics Conference and Exposition. Dallas, TX, USA, 2006. pp. 654–659.
- Xu. Z., Rahman M.F. An extended Kalman filter observer for the direct torque controlled interior permanent magnet synchronous motor drive. The Fifth International Conference on Power Electronics and Drive Systems. Singapore, 2003. pp. 686–691.
- Tety P., Konate A., Asseu O. A robust extended Kalman filter for speed-sensorless control of a linearized and decoupled PMSM drive. Engineering, 2015, vol. 7, pp. 691–699.
- Buchta L., Otava L. Compensation of dead-time effects based on Kalman filter for PMSM drives. IFAC PapersOnLine, 2018, vol. 51, Iss. 6, pp. 18–23.
- Buchta L., Bartik O. Dead-time compensation strategies based on Kalman filter algorithm for PMSM drives. 45th Annual Conference of the IEEE Industrial Electronics Society. Lisbon, Portugal, 2019. pp. 986–991.
- Moroz A.N., Khamarski P.A., Haban S.A., Sidorovich O.V. The comparative analysis of unscented and extended Kalman filters for global positioning systems receiver data processing. Doklady BGUIR, 2014, no. 4, pp. 66–72. (In Russ.)
- Borsje P., Chan T.F., Wong Y.K., Ho S.L. A comparative study of Kalman filtering for sensorless control of a permanent-magnet synchronous motor drive. IEEE International Conference on Electric Machines and Drives, San Antonio, TX, USA, 2005. pp. 815–822.
- Chen Z., Wang L., Liu X. Sensorless direct torque control of PMSM using unsected Kalman filter. Proceedings of the 18th World Congress. The International Federation of Automatic Control. Milano, Italy, 2011. pp. 4380–4385.
- Ndjana H.J.N., Lautier Ph. Sensorless vector control of an IPMSM using unscented Kalman filtering. IEEE International Symposium on Industrial Electronics. Montreal, QC, Canada, 2006. pp. 2242–2247.
- Janiszewski D. Unscented Kalman filter for sensorless PMSM drive with output filter fed by PWM converter. 38th Annual Conf. IEEE Industrial Electronics Society. Montreal, Quebec, Canada, 2012. pp. 4660–4665.
- Khaphizov G.T., Kurnosov D.A., Voronin S.G. Usage of invariant immersion filters in sensorless system of vector control of PMSM. News of the Ural Mining University, 2016, no. 4, pp. 72–75. (In Russ.)
- Brammer K., Ziffling G. Kalman–Bucy filter. Moscow, Nauka Publ., 1982. 200 p. (In Russ.)
- Floquet T., Barbot J., Perruquetti W., Djemai M. On the robust fault detection via a sliding mode disturbance observer. Intern. J. Control, 2004, vol. 77, pp. 622–629.
- Zhirabok A.N., Zuev A.N., Shumskij A.E. Diagnosis of linear dynamic systems: an approach based on sliding mode observers. AiT, 2020, no. 2, pp. 18–35. (In Russ.)
- Zuev A.V., Zhirabok A.N., Filaretov V.F., Protsenko A.A. Fault identification in non-stationary systems based on sliding mode observers. Mekhatronika, Avtomatizatsiya, Upravlenie, 2021, no. 22 (12), pp. 625–633. (In Russ.)
- Wang G., Zhan H. A new speed adaptive estimation method based on an improved flux sliding-mode observer for the sensorless control of PMSM drives. ISA Transactions, 2022. vol. 128, pp. 675–685.
- Gaballah M.M., El Bardini M., Saraf M. Chattering-free sliding mode observer for speed sensorless control of PMSM. Applied Computing and Informatics, 2017, vol. 13, Iss. 2, pp. 169–174.
- Chen Y., Li M., Gao Y., Chen Z. A sliding mode speed and position observer for a surface-mounted PMSM. ISA Transactions, 2019, vol. 87, pp. 17–27.
- Ye S. Design and performance analysis of an iterative flux sliding-mode observer for the sensorless control of PMSM drives. ISA Transactions, 2019, vol. 94, pp. 255–264.
- Ye S. Fuzzy sliding mode observer with dual SOGI-FLL in sensorless control of PMSM drives. ISA Transactions, 2019, vol. 94, pp. 161–176.
- Ye S. A novel fuzzy flux sliding-mode observer for the sensorless speed and position tracking of PMSMs. Optik, 2018, vol. 171, pp. 319–325.
- Lin S., Zhang W. An adaptive sliding-mode observer with a tangent function-based PLL structure for position sensorless PMSM drives. International Journal of Electrical Power & Energy Systems, 2017, vol. 88, pp. 64–74.
- Zhao K., Leng A., Zhou R. Demagnetization fault reconstruction for six-phase permanent magnet synchronous motor by improved super-twisting algorithm-based sliding-mode observer. Measurement, 2021, vol. 172, pp. 1–9.
- Zhao K. Jia N., She J. Robust model-free super-twisting sliding-mode control method based on extended sliding-mode disturbance observer for PMSM drive system. Control Engineering Practice, 2023, vol. 139, pp. 105657.
- Huang G., Li J., Fukushima E.F. An improved equivalent-input-disturbance approach for PMSM drive with demagnetization fault. ISA Transactions, 2020, vol. 105, pp. 120–128.
- Moreno J.A., Ovalle L., Fridman L. Multivariable super-twisting algorithm for systems with uncertain input matrix and perturbations. IEEE Transactions on Automatic Control, 2022, vol. 67, Iss. 12, pp. 6716–6722.
- Apte A.A., Joshi V.A., Walambe R.A., Godbole A.A. Speed control of PMSM using disturbance observer. IFAC-PapersOnLine, 2016, vol. 49, Iss. 1, pp. 308–313.
- Dong. H., Lin X., Yao X., Ning B. Composite disturbance-observer-based control and control for high speed trains with actuator faults. Asian Journal of Control, 2018, vol. 20, pp. 735–745.
- Dai Y., Ni S., Xu D., Zhang L., Yan X. Disturbance-observer based prescribed-performance fuzzy sliding mode control for PMSM in electric vehicles. Engineering Applications of Artificial Intelligence, 2021, vol. 104, pp. 3752–3775.
- Hou Q., Ding S., Yu X. Composite super-twisting sliding mode control design for PMSM speed regulation problem based on a novel disturbance observer. IEEE Transactions on Energy Conversion, 2021, vol. 36, pp. 2591–2599.
- Lu E., Wang S., Zhang W., Luo C. Disturbance rejection control for PMSM using integral sliding mode based composite nonlinear feedback control with load observer. ISA Transactions, 2021, vol. 116, pp. 203–217.
- Hu M., Ann H., Chung Y., You K. Speed regulation for PMSM with super-twisting sliding-mode controller via disturbance observer. Mathematics, 2023, vol. 11, pp. 1–15.
- Utkin V.I. Sliding modes and their use in variable structure systems. Moscow, Nauka Publ., 1974. 272 p. (In Russ.)
- Lu X., Lin H., Junlin H. Load disturbance observer-based control method for sensorless PMSM drive. IET Electric Power Applications, 2016, vol. 10, Iss. 8, pp. 735–743.
- Deng Y., Wang J., Li H. Adaptive sliding mode current control with sliding mode disturbance observer for PMSM drives. ISA Transactions, 2019, vol. 88, pp. 113–126.
- Kim Y., Choi K., Kim S., Kim L. A disturbance observer based approach to current control of PMSM drives for torque ripple reduction. IFAC-PapersOnLine, 2019, vol. 52, Iss. 4, pp. 206–209.
- Khlaief A., Boussak M., Chaari A. A MRAS-based stator resistance and speed estimation for sensorless vector controlled IPMSM drive. Electric Power Systems Research, 2014, vol. 108, pp. 1–15.
- Zhang S., Shen A., Luo X. Multi-sliding mode current disturbance suppression scheme based model reference adaptive system for sensorless control of permanent magnet synchronous motor. ISA Transactions, 2023, vol. 137, pp. 615–628.
- Vesely I., Vesely L., Bradac Z. MRAS identification of permanent magnet synchronous motor parameters. IFAC-PapersOnLine, 2018, vol. 51, Iss. 6, pp. 250–255.
- Tian L., He Y., Lu M. Sensorless speed control of high-speed permanent magnet synchronous motor based on model reference adaptive system. Chinese Control Conference. Guangzhou, China, 2019. pp. 3126–3131.
- Zolfaghari V., Taher S.A., Munuz D.V. Neural network-based sensorless direct power control of permanent magnet synchronous motor. Ain Shams Engineering Journal, 2016, vol. 7, Iss. 2, pp. 729–740.
- Gaduo S.M., Giaouris D., Finch J.W. A neural network based stator current MRAS observer for speed sensorless induction motor drives. Industrial Electronics Conference. Washington, D.C. USA, 2008. pp. 650–655.
- Chi X., Wang C., Wu Q. A ripple suppression of sensorless FOC of PMSM electrical drive system based on MRAS. Results in Engineering, 2023, vol. 20, pp. 1–9.
- Zorgani Y.A., Koubaa Y., Boussak M. MRAS state estimator for speed sensorless ISFOC induction motor drives with Luenberger load torque estimation. ISA Trasactions, 2016, vol. 61, pp. 308–317.
- Korzonek M., Tarchala G., Orlowska-Kowalska T. A review on MRAS-type speed estimators for reliable and efficient induction motor drives. ISA Transactions, 2019, vol. 93, pp. 1–13.
- Wang M., Syamsiana I.N., Lin F. Sensorless speed control of permanent magnet synchronous motors by neural network algorithm. Mathematical Problems in Engineering, 2014, vol. 2019, pp. 1–7.
- Yang Q., Yu H., Meng X., Shang Y. Neural network dynamic surface position control of n‐joint robot driven by PMSM with unknown load observer. IET Control Theory & Applications, 2022, vol. 16, pp. 1208–1226.
- Tan L.N., Cong T.P., Cong D.P. Neural network observers and sensorless robust optimal control for partially unknown PMSM with disturbances and saturating voltages. IEEE Transactions on Power Electronics, 2021, vol. 36, Iss. 10, pp. 12045–12056.
- Hussain S., Bazaz M.A. Sensorless control of PMSM drive using neural network observer. IEEE International Conference on Power Electronics, Intelligent Control and Energy Systems. Delphi, India, 2016. pp. 1–5.
- Zhuo S., Li Y., Tong S. Finite-time adaptive neural network event-triggered output feedback control for PMSMs. Neurocomputing, 2023, vol. 533, pp. 10–21.
- Zhuo S., Sui S., Li Y., Tong S. Observer-based finite-time adaptive neural network control for PMSM with state constraints. Neural Computing and Applications, 2022, vol. 35, pp. 6635–6645.
- Gao Y., Wang X., Chen Q. Characteristic model-based adaptive control with genetic algorithm estimators for four-PMSM synchronization system. International Journal of Control, Automation and Systems, 2020, vol. 18, pp. 1605–1616.
- Liu K., Zhu Z.Q. Quantum genetic algorithm based parameter estimation of PMSM under variable speed control accounting for system identifiability and VSI nonlinearity. IEEE Transactions on Industrial Electronics, 2014, vol. 62, Iss. 4, pp. 2363–2371.
- Yriev V.N. Quality and competitiveness evaluation of software products. Prikladnaya informatika, 2013, no. 5 (47), pp. 104–111. (In Russ.)
补充文件






