Modeling of a three-stroke frequency-pulse converter
- Authors: Dunaev M.P.1, Saushkin A.A.1
-
Affiliations:
- National research Irkutsk state technical university
- Issue: No 3 (2024)
- Pages: 94-101
- Section: Mathematical, information and intellectual technologies in the energy sector
- URL: https://bakhtiniada.ru/2413-0133/article/view/275289
- DOI: https://doi.org/10.25729/ESI.2024.35.3.008
- ID: 275289
Cite item
Full Text
Abstract
The article presents a functional diagram of the tree-takt pulse-frequency converter (PFC). Imitation models of tree-takt pulse-frequency converter and PFC-DCM electric drive system in the Matlab/Simulink environment have been developed. Modeling of tree-takt pulse-frequency converter and electric drive system is given. A comparison of the results of modeling and calculation electromechanical characteristics of PFC-DCM electric drive system is given. It is shown that the mathematical model of CHIP-D constructed by the authors describes with sufficient accuracy the static modes of an electric drive system with a three-stroke CHIP.
Keywords
Full Text
Введение. В современных системах управляемого электропривода постоянного тока [1] частотно-импульсный преобразователь (ЧИП) наряду с управляемым выпрямителем и широтно-импульсным преобразователем входят в первую тройку применяемых управляемых преобразователей постоянного тока [2].
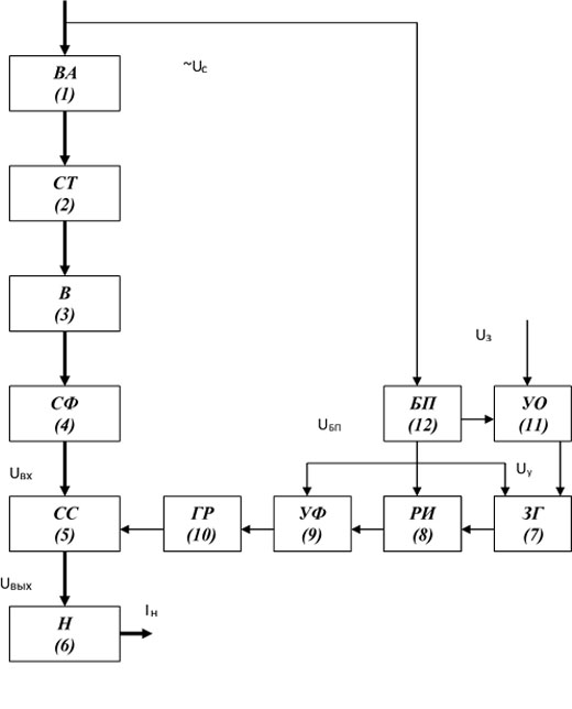
Как правило, сложный технический объект, а именно к таким относятся объекты электропривода, можно разбить на некоторое количество взаимосвязанных блоков, каждый из которых имеет самостоятельное значение. В этом случае математическое описание технического объекта может быть представлено в виде функциональной модели. Функциональная модель является графическим изображением объекта, в котором каждый блок (функциональный элемент) обозначается прямоугольником. Входы и выходы функциональных элементов соответственно отмечены входящими и исходящими стрелками, показывающими направление прохождения сигналов.
При разработке функциональной модели трехтактного частотно-импульсного преобразователя учитывались общепринятые допущения [3 - 8].
Функциональная схема ЧИП [2] представлена на рис. 1, где обозначено: ВА – вводной автоматический выключатель, СТ – силовой трансформатор, В – силовой выпрямитель, СФ – сглаживающий фильтр, СС – силовая схема преобразователя, Н – нагрузка преобразователя, БП – блок питания системы управления, ЗГ – задающий генератор импульсов, УО – управляющий орган, РИ – распределитель импульсов по каналам управления, УФ – усилитель-формирователь импульсов управления, ГР – устройство гальванической развязки, ~Uc – напряжение питающей сети переменного тока, Uвх – входное напряжение силовой схемы преобразователя, Uвых – выходное напряжение преобразователя, Uбп – выходное напряжение блока питания, Uу – выходное напряжение управляющего органа, Uз – задающее напряжение.
В качестве математической модели ЧИП при исследовании динамических режимов его работы можно использовать передаточную функцию [2]
где UВЫХ - среднее выходное напряжение ЧИП; UУ – напряжение управления ЧИП; КЧИП - коэффициент усиления ЧИП; t - время запаздывания реакции силовой части ЧИП на изменение сигнала управления UУ.
Однако для более точного расчета характеристик ЧИП предпочтительнее использовать имитационное моделирование схемы ЧИП.
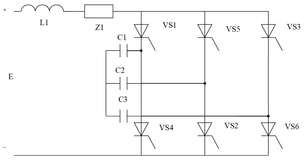
Моделирование схемы трехтактного частотно-импульсного преобразователя. Рассмотрим частотно-импульсный преобразователь с резонансным инвертором [9], схема которого изображена на рис. 2.
Рис. 1. Функциональная схема ЧИП
Резонансный инвертор имеет: трехфазный мост из тиристоров VS1, VS2, VS3, VS4, VS1, VS2; коммутирующие конденсаторы C1, C2, C3; коммутирующий дроссель L1; источник питания E; нагрузку Z1.
Инвертор работает в трехтактном режиме на нагрузку Z1. Для замыкания тока нагрузки во время закрытого состояния тиристоров она может быть шунтирована диодом VD1.
Устройство работает следующим образом. Попарно импульсами управления открываются тиристоры VS1, VS2; VS3, VS4; VS5, VS6 и т.д. Происходит перезаряд коммутирующих конденсаторов по колебательному закону в контуре, содержащем коммутирующий дроссель L1, нагрузку Z1, и соответствующую пару тиристоров (VS1, VS2 или VS3, VS4 или VS5, VS6).
Рис. 2. ЧИП с резонансным инвертором
В установившемся режиме работы инвертора напряжение на коммутирующих конденсаторах является знакопеременным и периодическим во времени. В нагрузке Z1 протекает ток, частота которого втрое превышает частоту включения пар тиристоров.
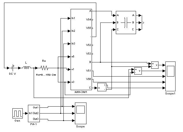
На рис. 3 представлена имитационная модель трехтактного ЧИП в среде Matlab/Simulink [10-13], работающего на активную нагрузку.
С помощью модели, изображенной на рис. 3, были определены осциллограммы напряжений и токов на элементах виртуальной модели. Данные осциллограммы представлены на рис. 4.
Зависимость среднего напряжения на нагрузке Uн ср от частоты следования импульсов выходного напряжения ЧИП f (регулировочная характеристика ЧИП) описывается формулой [2]:
Uн ср = S*Un = Kf , (1)
где S – скважность импульсов выходного напряжения ЧИП,
Kf – коэффициент передачи ЧИП,
Un – напряжение источника питания ЧИП.
Уравнение электромеханической характеристики электропривода по системе ЧИП – Д в режиме непрерывных токов в относительных единицах будет иметь вид:
Ω* = S – Iср/Iк, (2)
где Ω* - относительное значение частоты вращения двигателя, Ω* = Ω/ Ω0;
Ω - текущее значение частоты вращения двигателя,
Ω0 – значение частоты вращения двигателя при идеальном холостом ходе, Ω0=Un/c;
Iср – средний ток якоря двигателя;
Iк – ток короткого замыкания, Iср = Un/(Rп+Rя);
Rп – внутреннее сопротивление ЧИП;
Rя – сопротивление якоря двигателя.
Рис. 3. Имитационная модель трехтактного ЧИП при работе на активную нагрузку
Рис. 4. Осциллограммы, снятые с датчиков модели трехтактного ЧИП при работе на активную нагрузку
Модель системы ЧИП-Д приведена на рис. 5 и предназначена для изучения статических и динамических характеристик электропривода с последовательным ЧИП с резонансной коммутацией.
В состав модели входят: источник постоянного напряжения (V1); силовая часть (тиристоры T1 – T6); задающий генератор (f); распределитель импульсов управления (R1 – R2); устройство задания нагрузки (L); осциллограф (Scope); двигатель постоянного тока с независимым возбуждением (DC Machine).
Рис. 5. Модель системы ЧИП-Д
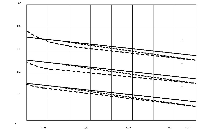
Электромеханические характеристики системы ЧИП-Д представлены на рис. 6.
Рис. 6. Электромеханические характеристики системы ЧИП-Д
Расчетные электромеханические характеристики системы ЧИП-Д, построенные по выражению (2), показаны на рис. 6 сплошными линиями. Смоделированные электромеханические характеристики системы ЧИП-Д, полученные с помощью модели рис. 5, показаны на рис. 6 точками. Экспериментальные электромеханические характеристики системы ЧИП-Д [14] показаны на рис. 6 пунктиром. Параметры скважности на рис. 6 соответствуют следующим числовым значениям: s1=0,73; s2=0,55; s3=0,36.
Характеристики рис. 6 представлены только в зоне непрерывных токов, так как из-за значительной частоты следования импульсов выходного напряжения ЧИП (fмакс=900 Гц) экспериментальное определение электромеханических характеристик системы ЧИП-Д в зоне прерывистых токов оказалось затруднительным.
Сравнивая представленные на рис. 6 расчетные, модельные и экспериментальные характеристики, можно увидеть, что погрешность электромеханических характеристик, полученных при помощи математического моделирования при режимах, близких к номинальному, не превышает 8%.
Таким образом, построенные в среде MATLAB математические модели системы ЧИП-Д с достаточной точностью описывают статические режимы ЧИП с резонансным инвертором.
Заключение. Представлена функциональная схема трехтактного частотно-импульсного преобразователя (ЧИП). Разработаны имитационные модели трехтактного ЧИП и системы электропривода ЧИП-Д в среде Matlab/Simulink. Проведено моделирование трехтактного ЧИП и системы электропривода ЧИП-Д. Приведено сравнение результатов моделирования и расчета электромеханических характеристик системы электропривода ЧИП-Д. Показано, что построенная в среде MATLAB математическая модель ЧИП-Д с достаточной точностью описывает статические режимы системы электропривода с трехтактным ЧИП.
About the authors
Mikhail P. Dunaev
National research Irkutsk state technical university
Author for correspondence.
Email: mdunaev10@mail.ru
ORCID iD: 0000-0002-1523-5553
doctor of technical sciences, professor
Russian Federation, IrkutskAleksei A. Saushkin
National research Irkutsk state technical university
Email: leha-34714@inbox.ru
ORCID iD: 0000-0001-5600-4615
graduate student
Russian Federation, IrkutskReferences
- Kruglikov O.V., Makarov L.N., Piskunov S.V. Razrabotka, proizvodstvo i primeneniye energoeffektivnykh elektricheskikh mashin i privodov [Development, production and application of energy efficient electrical machines and drives]. Elektrotekhnika [Electrical Engineering], 2015, no. 3, pp. 4-8.
- Dunaev M.P. Rezonansnyye invertory dlya upravleniya elektroprivodami [Resonant inverters controlling electric drives]. Irkutsk. IrGTU [Irkutsk state technical university], 2004, 103 p.
- Dunaev M.P., Dovudov S.U. Modelirovaniye poter' moshchnosti v preobrazovatele chastity [Simulation of losses in frequency converter]. Elektrotekhnicheskiye sistemy i kompleksy [Electrical systems and complexes], 2021, no. 2(51), pp. 45-51.
- Dunaev M.P., Dovudov S.U. Sravneniye energoeffektivnosti skhem avtonomnykh invertorov napryazheniya s sinusoidal'noy shirotno-impul'snoy i chastotno-impul'snoy modulyatsiyey [Comparison of Energy efficiency of autonomous voltage inverters with sine wave pulse width and pulse frequency modulation circuits]. Elektrotekhnicheskiye sistemy i kompleksy [Electrical systems and complexes], 2021, no. 4(53), pp. 50-55.
- Dunaev M.P., Dovudov S.U., Arshinskiy L.V. Energy characteristics the autonomous voltage inverter with the pulse-frequency modulation. International scientific conference “FarEastCon” 6-9 October 2020, Far Eastern federal university, Vladivostok.
- Sharifov B., Gulyamov K., Yunusov R., Dovudov S. et al. The mathematical model of pulse width modulation frequency converter. Proceedings of the 2021 Ural-Siberian smart energy conference, USSEC 2021, Novosibirsk, 13–15 November 2021, Novosibirsk, 2021, pp. 81-84.
- Dovudov S.U., Dunaev M.P., Zhiravetska A. et al. Analysis and comparison of energy indices of dc-dc pulse convert-ers. Przeglad Elektrotechniczny, 2022, vol. 98, no 6, pp. 99-103.
- Dovudov S.U., Dunayev M.P. Analiz energeticheskikh pokazateley impul'snykh preobrazovateley [Analysis of energy indicators of pulse converters]. Vestnik IrGTU [ISTU Bulletin], 2020, vol. 24, no 2, pp. 345-355.
- Dunayev M.P., Markovets U. Odnofaznii posledovatelnii invertor [Single-phase series inverter]. Patent na poleznuy model [Patent for utility model], no. 74018, BI no. 21, 2008.
- Diakonov V.P. MATLAB 6.5 SP1/7 + SIMULINK 5/6. Osnovi primenenia [Basics of application]. M. SOLON-Press, 2005, 800 p.
- Dunayev M.P., Dovudov S.U Modelirovaniye odnofaznogo dvukhurovnevogo avtonomnogo invertora napryazheniya s chastotno-impul'snoy modulyatsiyey [Simulation of a single-phase two-level autonomous voltage inverter with pulse frequency modulation]. Informatsionnyye i matematicheskiye tekhnologii v nauke i upravlenii [Information and mathematical technologies in science and management], 2020, no. 2 (18), pp. 134-143.
- Dunaev M.P., Dovudov S.U., Arshinskiy L.V. Simulation of losses in autonomous inverter circuits with pulse-width and pulse-frequency modulation. Computational Technologies, 2022, vol. 27, no 5, pp. 5-13.
- Markovets U.S. Virtualnaia model dlia issledovania elektroprivoda s posledovatelnim CHIP s rezonansnoi kommutaciei. [Virtual model for studying an electric drive with a sequential CHIP with resonant switching] Vestnik IrGTU [Bulletin of Irkutsk state technical university], 2007, no. 1-2, pp. 49-50.
- Dunaev M.P., Markovets U.S. Harakteristiki sistemi elektroprivoda postoianogo toka s rezonansnim [Characteristics of a DC electric drive system with a resonant inverter]. Povishenie effektivnosti proizvodstva I ispolzovania elektroenergii v usloviah Sibiri, Mat. Vserossiiskoi nauch.-prakt. Konf. Irkutsk, IrGTU [Increasing the efficiency of production and use of electric power in Siberia. Proc. All-Russian scientific-practical. conf. Irkutsk, IrSTU], 2005, pp.163-166.
Supplementary files






