Transistor Switches Driving in ADS-B / Mode 4 Amplifiers
- Authors: Stepanov F.M.1
-
Affiliations:
- Air Chief Marshal Novikov Saint Petersburg State University of Civil Aviation
- Issue: No 1 (2025)
- Pages: 46-63
- Section: Aviation radio communication systems, radar, radio navigation and methods of their operation
- URL: https://bakhtiniada.ru/2312-1327/article/view/278414
- DOI: https://doi.org/10.51955/2312-1327_2025_1_46
- ID: 278414
Cite item
Full Text
Abstract
Design process of highly efficient means of communication, surveillance and navigation using switch-mode amplifiers requires a revision of traditional approaches to the circuitry of radio transmitting devices. The parameters of the physical layer of ADS-B systems using VHF datalink mode 4 (VDL-4) theoretically allow the use of switch-mode amplifiers as part of their transmitters. Such an improvement plays a particularly important role in the context of integrating unmanned aerial vehicles (UAV) with limited energy reserves on board into the general airspace.
One of the important tasks in the design of such radio technical support for flights operating in the VHF range (primarily onboard, but also ground-based) is to determine approaches to control transistor switches of a power amplifier based on the criteria of efficiency, stability and the ability to provide different operation modes of the switch-mode amplifier. Requirements for the control device have been developed taking into account the standard for the physical layer of VHF datalink mode 4. A conclusion is given on the optimal solutions suitable for building a VDL-4 transmitter with a switch-mode power amplifier, opening up prospects for increasing the efficiency of more than 90%, compared to today’s not exceeding 46%.
Full Text
Введение
Ключевые усилители мощности получили заслуженное распространение в радиопередатчиках диапазонов СЧ [Алипов и др., 2005], ВЧ [Варламов и др., 2011] и СВЧ [Кириллов и др., 2018; Кищинский, 2018]. Не менее перспективным видится применение передатчиков с ключевыми усилителями мощности для средств связи, наблюдения и навигации ОВЧ диапазона. В частности, одним из направлений применения таких схемотехнических решений являются транспондеры АЗН-В режима 4 (VDL-4). Неоспоримым преимуществом ключевых усилителей мощности является высокий КПД передатчиков, оснащённых такими усилительными каскадами, порядка 95-98% в теории и 90-93% на практике [Tong et al., 2021]. Однако, с конструкторской точки зрения невозможно просто произвести замену линейного усилителя мощности на усилитель, работающий в ключевых режимах. Необходимо практически полностью пересмотреть традиционную структурную схему радиопередающего устройства (РПДУ) (рис. 1–2) [Степанов, 2024а].
Рисунок 1. Структура РПДУ с линейным усилением сигналов угловых видов модуляции
Рисунок 2. Структура РПДУ с ключевым усилением сигналов угловых видов модуляции
Постановка задачи
Одним из основных ограничений реализации подобных КУМ являлось отсутствие до недавнего времени достаточных по быстродействию и подходящих по диапазону рабочих частот транзисторов, серийно производимых промышленностью. Немаловажным также является тот факт, что для научного и инженерного сообщества авиационный ОВЧ-диапазон в данном ключе не представлял того интереса, которого он заслуживает. Основными направлениями исследований последнее время были преимущественно ключевые усилители мощности класса Е, работающие в СВЧ диапазоне [Ahmadi et al., 2018], и ранее ключевые усилители мощности различных режимов работы в диапазонах СЧ [Алипов, 2006] и ВЧ [Варламов и др., 2011; Зудов, 2019]. Наиболее близко к авиационному ОВЧ-диапазону в своих исследованиях подошли учёные школы Санкт-Петербургского Политехнического университета (Сороцкий В.А., Зудов Р.И., Треймут Н.А.), изучая возможность построения ключевых усилителей мощности для средств метеорной радиосвязи на частотах до 60 МГц [Треймут, 2023]. Тем не менее, даже эта частота более чем в два раза ниже применяемых в технологии VDL-4.
В связи с появлением элементной базы усилительных приборов, удовлетворяющей требованиям стандарта VHF mode 4 [VHF air-ground…, 2015], в части энергетических и спектральных характеристик [Степанов, 2024а], становится актуальным вопрос управления такими транзисторами, работающими в ключевом режиме в ОВЧ диапазоне. Выборка из современных транзисторов с указанием их характеристик приведена в таблице 1.
Таблица 1. Параметры GaN транзисторов
Транзистор | Напряжение сток-исток (Uси), В | Ток стока (Iс), А | Сопротивление сток-исток (Rси), мОм | Сопротивление затвор-исток (Rзи), мОм | Макс. время задержки импульса (Tdelay.maх), нс | Время нарастания импульса (Тr), нс | Время спада импульса (Tfall), нс |
GS61008P | 100 | 90 | 7 | 0.8 | <1 | 0.51 | 0.5 |
CGH40025 | 84 | 3 | 20 | 285 | <1 | <1 | <1 |
EPC8008 | 40 | 2.7 | 0.325 | 2.85 | <1 | 1.77 | 2.1 |
GS61004B | 40 | 38 | 16 | 0.9 | <1 | 1.1 | 0.7 |
В ряде ранее опубликованных работ [Иванюшкин и др., 2020; Нгуен и др., 2022] управление транзисторными ключами в различных схемах усилителей рассматривается весьма ограниченно. Основной фокус внимания уделяется самим усилительным приборам, в то время как управляющие прямоугольные импульсы предполагаются как идеальные (форма, напряжение, ток), поступающие на вход транзисторов в должной последовательности и от идеального источника. Не описаны, в частности, особенности работы устройства управления при многоступенчатой схеме усилителя, когда различные группы ключей коммутируют разные по уровню напряжения стока-истока. В настоящей статье рассматриваются различные подходы к задаче управления транзисторными ключами в диапазоне частот 118-137 МГц.
Материалы и методы
При проектировании радиостанции VDL-4 существует соблазн использования готовых модуляторов, выполненных на одном кристалле, например, таких как Si4464 производства Silicon Instruments или ADF7020-1 от Analog Devices. Несмотря на то, что оба они удовлетворяют большинству требований стандарта, приведённых в таблице 2, ни один, ни другой не способны создавать на своих ВЧ-выходах меандровые (прямоугольные) сигналы, предназначенные для управления транзисторными ключами.
Таблица 2. Параметры физического уровня VDL-4
Диапазон частот | 118-137 МГц (ОВЧ) | |
Рабочая частота | 136,925 МГц | |
Точность установки частоты несущей | ± 0,0002% (± 2 × 10-6) | |
Класс излучения | F1D | |
Мощность передатчика | класс А | класс В |
15 Вт ± 1,5 дБ | 4 Вт ± 1,5 дБ | |
Тип модуляции | GFSK | |
BT параметр фильтра Гаусса | 0,28 ± 0,03 | |
Индекс модуляции | 0,25 ± 0,03 | |
Кодирование | NRZI | |
Скорость передачи данных | 19200 бит/с | |
Оба модулятора предназначены для формирования чистого синусоидального выходного сигнала, как указано в технической документации [Analog Devices…, 2018; Silicon Laboratories…, 2020]. При подаче такого сигнала на управляющий контакт транзистора непосредственно положительный эффект высокого КПД от ключевых режимов работы достигнут не будет, поскольку управляющий сигнал будет изменяться по гармоническому закону, а не будет попеременно изменять своё состояние до значений напряжения отсечки и обратно к нулю, то есть по сути будет работать в линейном режиме усиления класса А.
(1)
(2)
(3)
где I (t) – мгновенное значение тока гармонического сигнала;
I0 – амплитуда (максимальное значение) тока;
f – частота сигнала в Герцах;
j – начальная фаза сигнала;
Uout(t) – мгновенное значение напряжения усиленного сигнала;
Ku – коэффициент усиления по напряжению;
Id – ток стока усилительного прибора;
Vgs – напряжение затвор-исток;
Vth – напряжение отсечки;
Rd – сопротивление нагрузки.
Поскольку GFSK-сигнал является частным случаем частотно-модулированного сигнала с постоянной огибающей, одним из наиболее технологичных способов преобразования промодулированного сигнала в прямоугольные импульсы без потери информации является применение компаратора. Компараторы, применяемые для преобразования радиочастотных сигналов, должны обладать существенным быстродействием, чтобы формировать на выходе сигналы с достаточно крутыми фронтами импульса для соответствующей радиочастоты. Для обеспечения возможности реализации различных режимов работы ключевого усилителя мощности формируемый импульс должен удовлетворять следующим критериям:
, (4)
где Trise(crtl) – время нарастания управляющего импульса;
Tfall(crtl) – время спада нарастающего импульса;
Trise(amp) – время нарастания выходного импульса на транзисторе;
Tfall(amp) – время спада выходного импульса на транзисторе;
Trf – длительность периода колебаний радиочастоты.
Сумма длительности формируемых на транзисторе фронтов импульсов должна быть меньше половины периода радиочастотного сигнала, при этом длительность фронтов управляющего импульса должна быть меньше длительности фронтов импульса на выходе усилительного прибора (транзистора).
В целях оценки времени перезаряда затворной ёмкости управляемого транзистора удобно пользоваться следующей формулой:
, (5)
где Rg – сопротивление входной цепи транзистора;
Rdrv – выходное сопротивление компаратора (драйвера);
Cgs – входная ёмкость затвор-исток полевого транзистора.
При этом общим правилом также будет условие согласования нагрузки. В случае с ключевым усилителем мощности в роли нагрузки выступает сопротивление в затворной цепи полевого транзистора .
, (6)
где Rg – сопротивление входной цепи транзистора;
Rdrv – выходное сопротивление компаратора (драйвера).
Таким критериям отвечают компараторы, приведённые в таблице 3.
Таблица 3. Параметры компараторов
Компаратор | Время задержки импульса (Tdelay), пс | Время нарастания импульса (Trise), пс | Время спада импульса (Tfall), пс | Минимальная ширина импульса, пс | Напряжение питания, В | Выходной ток, мА |
ADCMP580 | 180 | 37 | 37 | 100 | 0,5 — 6 | 25 |
LMH7220 | 290 | 590 | 550 | 1100 | 2,7 — 12 | 16 |
ADCMP551 | 500 | 510 | 490 | 700 | 3,13 — 5,25 | 70 |
LMH7322 | 703 | 155 | 155 | 260 | 2,7 — 12 | 25 |
AD96687 | 2000 | 2500 | 2500 | 2000 | 0 — 6,5 | 30 |
LT1721 | 4000 | 2500 | 2200 | 7000 | 2,7 — 6 | 20 |
К преимуществам такого подхода можно отнести возможность реализации изменяемой скважности управляющих импульсов путём регулирования напряжения на инверсном входе компаратора, что в теории позволяет реализовать различные режимы работы ключевого усилителя мощности, такие как DE и EF. Также некоторые из представленных компараторов имеют разделение на прямой и инвертирующий выходы (Q и ), что позволяет реализовать режим D без дополнительных схемотехнических решений [Красько, 2006].
(7)
где Uout – выходное напряжение компаратора;
U0 – напряжение, соответствующее сигналу низкого уровня;
U1 – напряжение, соответствующее сигналу высокого уровня;
Uref – напряжение порога сравнения.
Однако у такого подхода существуют и недостатки. У реальных компараторов существуют параметры задержки распространения сигнала (tPDH и tPDL) ((рис. 3) [Texas Instruments…, 2013]), которые определяются как время, необходимое компаратору для изменения выходного напряжения Uout при переходе сигнала от низкого уровня (L) к высокому (H) или наоборот [Texas Instruments…, 2013], в ответ на момент, когда входной сигнал пересекает значение переключения Uref. Из-за возможных разного рода различий внутри интегральной схемы оба параметра не обязательно будут иметь одинаковое значение. В результате этого эффекта определяется еще один параметр: ΔtPD. Этот параметр определяется как абсолютное значение разницы между tPDH и tPDL [Texas Instruments…, 2013].
(8)
(9)
, (10)
где ΔtPDLH – временное смещение между 50% уровнями нарастающего фронта выхода Q и нисходящего фронта выхода ;
ΔtPDHL – временное смещение между 50% уровнями нарастающего фронта выхода Q и нисходящего фронта выхода ;
tPDH и tPDL – время задержки между моментом пересечения входным сигналом уровня переключения L на H и моментом пересечения выходным сигналом 50% переднего фронта выхода Q (tPDH) или время задержки между моментом пересечения входным сигналом уровня переключения H на L и моментом пересечения выходным сигналом 50% заднего фронта выхода Q (tPDL);
или – время задержки между моментом, когда входной сигнал пересекает уровень переключения L в H, и моментом, когда выходной сигнал пересекает 50% переднего фронта выхода (), или время задержки между моментом, когда входной сигнал пересекает уровень переключения H в L, и моментом, когда выходной сигнал пересекает 50% переднего фронта выхода ().
Рисунок 3. Распределение задержек распространения сигнала
При существенном значении ΔtPDLH, соизмеримом с временем нарастания и/или спада импульса Trise / Tfall, управление двухтактными схемами усилителей в классе D становится не реализуемым, поскольку при этом в управляющих импульсах появляются участки перекрытий (τотк > π), как показано на рисунке 3, и недокрытий (τотк < π). Двухтактная схема с переключением напряжения ((рис. 4а) [Алипов, 2006]) не допускает работы с перекрытиями, поскольку при этом источник питания замыкается через малое сопротивление последовательно включенных открытых транзисторов, и возникает значительный сквозной ток. В результате рассеиваемая в транзисторах мощность может резко возрасти, а КПД – упасть. В схеме с переключением токов ((рис. 4б) [Алипов, 2006]), наоборот, недопустима работа с недокрытиями, поскольку, когда оба транзистора закрыты, токи блокировочных дросселей текут через выходные емкости транзисторов, вызывая перенапряжения на их выходных электродах, и в таком случае возможен пробой.
Рисунок 4. Схемы УМ класса D: двухтактная ПН (а), двухтактная ПТ (б)
Однотактные ключевые УМ лишены этого недостатка, однако их КПД по первой гармонике даже в теории не может превышать значений η1 = 0,81, что значительно менее эффективно по сравнению с двухтактными схемами. Можно осуществить мостовое сложение мощностей двух однотактных УМ типа (рис. 5а), получив двухтактную схему ((рис. 5б) [Алипов, 2006]), в которой допустимы недокрытия и перекрытия. Однако в подобных схемах на частотах выше средних паразитные индуктивности трансформаторов, обеспечивающих по выходу транзисторов короткое замыкание на четных гармониках, приводят к появлению перенапряжений на транзисторах, что не применимо на частотах VDL-4, поскольку может повлечь пробой транзисторов [Алипов, 2006] и выход транспондера из строя.
Рисунок 5. Схемы УМ класса D: однотактная (а), мостовая (б)
Используя компараторы с множественными выходами или функцией гистерезиса (например, LMH7322), можно добиться изменения коэффициента заполнения импульса D, что позволит реализовать более сложные режимы (такие как E и DE), что в свою очередь положительно скажется на КПД ключевого усилителя мощности. Симметрично изменяя значение Uref на инвертирующем выходе параллельных компараторов, можно синхронно изменять длину управляющих импульсов для верхнего и нижнего транзисторов в двухтактной схеме (рис. 6).
(11)
(12)
(13)
(14)
, (15)
где Uin+ (t) – мгновенное значение напряжения на неинвертирующем входе компаратора;
Uin– – установленное значение напряжения на инвертивующем входе компаратора;
D – коэффициент заполнения импульса, определяется как отношение времени, в течение которого сигнал оказывается в высоком состоянии, к общему периоду (обратное к скважности);
Thigh – время, в течение которого выход компаратора находится в высоком состоянии.
Рисунок 6. Изменение скважности импульса на выходе компаратора
При симметричной одноступенчатой схеме, характерной для КУМ, работающих в режиме D, мощность первой гармоники определяется как [:
, (16)
где Р1 – мощность по первой гармонике;
Р – общая мощность выходного сигнала.
Параллельное преобразование модулированного синусоидального сигнала на нескольких каналах компаратора может быть использовано для управления более сложными КУМ, когда на выходе усилителя формируется ступенчатая аппроксимированная синусоида. Такой сигнал содержит существенно большую долю полезного сигнала в первой гармонике, а внеполосные излучения высших гармоник несут значительно меньшую мощность, что в свою очередь положительно сказывается на энергетических и спектральных характеристиках КУМ и снижает требования к выходной фильтрующей системе радиопередающего устройства.
Достигнуто это может быть за счёт коммутации группами ключей различных уровней питающих напряжений. Степень аппроксимации тем выше, чем большее количество уровней коммутируется.
(17)
, (18)
где Pn – мощность n-ной высшей гармоники;
P – общая мощность сигнала;
N – количество уровней аппроксимации.
Сами схемы при этом могут быть весьма различны и вариативны. Управление такой схемой осуществляется по нескольким каналам, где длительность управляющего импульса будет определять продолжительность горизонтального участка аппроксимированной синусоиды соответствующего уровня. Для этого на инвертирующих входах многоканального компаратора устанавливаются значения напряжения, равные уровню входного сигнала для углов α ∈ [0; 2π] для соответствующей N-ной ступени, где длина каждого интервала Δt = 2π / N. В общем виде результирующий сигнал будет описываться формулой:
, (19)
где ⌊.⌋ – функция «округление вниз» (получение целой части);
N – количество коммутируемых уровней (ключей).
Однако, реализация многоканальной системы управления накладывает существенные дополнительные критерии на элементную базу по быстродействию и мощности входного сигнала. В ряде случаев может потребоваться включение в цепь промежуточного усилителя мощности с высокой линейностью.
, (20)
где Trise – время нарастания импульса;
Tfall – время спада импульса;
Trf – период колебаний сигнала радиочастоты;
Rm – выходное сопротивление модулятора;
RQ – сопротивление входов коммутатора.
Рисунок 7. Ступенчатая аппроксимация синусоиды и управляющие импульсы
Учитывая тот факт, что скорость формирования импульсов на выходах компараторов будет возрастать пропорционально количеству каналов управления в целях формирования всё более коротких импульсов, поиск подходящей элементной базы становится всё более затруднительным. Автору не удалось найти серийные образцы компараторов, кратно превышающие по быстродействию приведённые в таблице 3.
Таким образом, целесообразно рассматривать приложенные в статье варианты управления для относительно «несложных» схем КУМ (с 1-2 каналами управления), тем не менее обладающих внушительными показателями КПД.
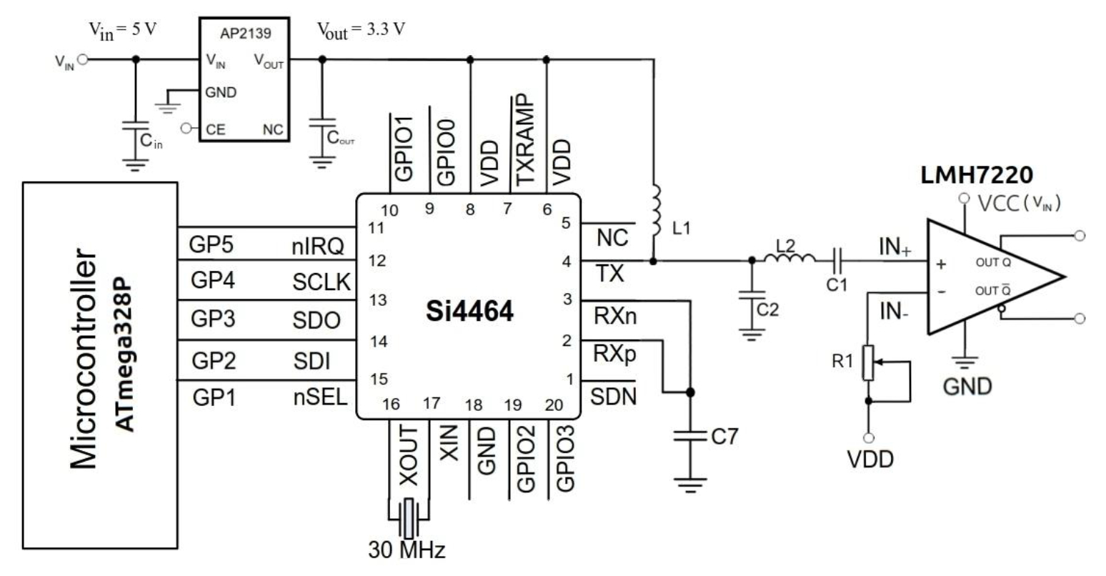
С применением решений, предложенных в настоящей статье, был сконструирован экспериментальный макет, принципиальная схема которого приведена на рисунке 8. Эксперимент проводился на предмет оценки возможности применения данной схемы управления в двухтактном КУМ (рис. 4а), оценки возможности изменения скважности импульсов для реализации различных режимов (D, DE и EF), а также удовлетворения критериям по быстродействию и мощности.
На схеме модулятор Si4464 взаимодействует с главным микроконтроллером через стандартный 4-проводной последовательный периферийный интерфейс (SPI) и настроен на постоянную передачу, линии приёма RX при этом замкнуты на землю через конденсатор С7. Компаратор LMH7220 подключен неинвертирующим входом к линии ТХ модулятора через LC-фильтр нижних частот, а инвертирующий вход подключен к линии входного напряжения 5 В с регулировкой напряжения через резистор R1. Клеммы осциллографа подключены к прямому (неинвертирующему) выводу компаратора. Сигнал с инвертирующего (обратный) выхода компаратора не снимался.
Результаты
На неинвертирующем выходе компаратора LMH7220 (вывод OUT Q на схеме (рис. 8)) получена серия управляющих импульсов, близких по форме к прямоугольным (рис. 9а). При этом на вход компаратора (IN+) был подан немодулированный сигнал с постоянной огибающей на частоте 136,925 МГц. Длительность фронтов сформированных импульсов (Trise / Tfall) получилась в пределах 400-500 пс, при этом времена нарастания и спада импульса оказались соизмеримы по продолжительности. Общая продолжительность импульса составила 3,65 - 3,66 нс, что удовлетворяет критериям быстродействия для управления КУМ на частотах VDL-4. Уровни напряжения полученных импульсов для приведённой одноканальной схемы соответствуют 4,5 В при напряжении питания в 5 В, что достаточно для управления некоторыми транзисторами, приведёнными в таблице 1, напрямую без промежуточных линейных усилителей, например GS61008P.
Рисунок 8. Принципиальная схема экспериментального макета
Для получения изменяемой скважности импульсов на инвертирующий вход (IN-) было подано напряжение в диапазоне от 0 В до 2,1 В путём изменения сопротивления переменного резистора R1. В результате были получены импульсы с коэффициентом заполнения менее 38% (рис. 9б). Длительность полученных импульсов составила ≈ 2,7 нс. При этом время спада импульса Tfall 0,5 нс оказалось больше времени нарастания импульса Trise 0,4 нс. Дальнейшее увеличение напряжения на инвертирующем входе компаратора (IN-) приводило к существенному искажению формы выходного сигнала и потере меандра, что делает сигнал непригодным для управления КУМ.
Рисунок 9. Выходной сигнал: D = 50% (а), D = 38% (б)
В целях оценки коммутативных потерь КУМ и последующего расчёта электронного КПД для транзистора GS61008P использованы полученные показатели быстродействия управляющей схемы.
Исходя из требований ESTI EN 302 842-1, приведенных в таблице 2, выходная мощность P для передатчиков класса А составляет 15 Вт ± 1,5 дБ. Отсюда пиковая мощность Ppeak составляет 21,2 Вт (более не допускается). Для напряжения питания VDS в 12 В (типичное значение напряжения для бортовой сети малогабаритных БВС) среднее значение тока Iavg составит:
.
Энергию, затрачиваемую на включения и выключения транзистора, можно рассчитать, используя формулы, основанные на параметрах переключения, свойствах и режимах транзистора [Calculation…, 2016]:
Расчёт потерь Psw на переключение [Calculation…, 2016]:
.
Расчёт потерь Pcond на проводимость [ROHM Co., LTd, 2016]:
.
Расчёт общих потерь [Calculation…, 2016]:
.
Отсюда расчётный эКПД составляет:
.
Обсуждение
Полученные результаты позволяют утверждать о пригодности предложенной методики управления транзисторными ключами в усилителях мощности классов D, E и DE, работающих в авиационном ОВЧ диапазоне с сигналами постоянной амплитуды. Сформированные импульсы соответствуют критериям по быстродействию (4) для стандартов цифровых ЛПД, в частности ESTI EN 302 842-1, и позволяют управлять однотактными и двухтактными схемами КУМ (рис. 4, 5). Однако диапазон изменения скважности импульсов для реализации режима DE на практике ограничен 12%, в то время как в теории минимальная ширина импульса для LMH7220 составляет 1,1 нс вместо 2,7 нс, полученных на практике. Это же ограничение не позволяет реализовать двух и более ступенчатую аппроксимацию сигнала и управление более сложными схемами КУМ.
Допустимо выдвинуть предположение, что это может быть связано с недостаточной амплитудой сигнала модулятора (11), что может потребовать поиска других решений для более сложных и более эффективных задач, а также проведения дальнейших экспериментов. Такими решениями могут быть замена компаратора на более быстродействующий, например, LMH7322, и установка промежуточного линейного усилителя мощности.
Дополнительными ограничивающими факторами могут быть относительная дороговизна готовых модуляторов, выполненных на одном кристалле по сравнению с такими решениями, как схемы на операционных усилителях, и КМОП тактовые генераторы, также имеют значение ограничения международной торговли, препятствующие свободному хождению товаров и компонентов для радиопередающей аппаратуры.
Заключение
К преимуществам описанного решения безусловно можно отнести программное управление и реализованные на базе самой микросхемы различные виды модуляции с изменяемыми параметрами для GFSK модуляции, такие как BT, индекс модуляции и другие, что значительно упрощает реализацию ряда требований стандарта к физическому уровню, приведённых в таблице 2. Полученные результаты позволяют утверждать о пригодности приведённых решений для использования в схемах управления КУМ с небольшим количеством управляющих каналов, различными режимами работы, в целях построения радиопередатчиков VDL-4, а также о наличии соответствующей элементной базы. Наиболее принципиальным является наличие возможности изменять скважность импульсов, что позволит реализовать наиболее энергоэффективные режимы работы КУМ, такие как DE, где значения КПД достигают 93%, а также компенсировать реактивную фильтровую нагрузку КУМ.
About the authors
Fedor M. Stepanov
Air Chief Marshal Novikov Saint Petersburg State University of Civil Aviation
Author for correspondence.
Email: stepanovfm@yandex.ru
ORCID iD: 0009-0007-0929-6011
Applicant
Russian Federation, 38, Pilots St., Saint Petersburg, 196210References
- Ahmadi M. A., Ghandi S. (2018). A Class-E Power Amplifier With Wideband FSK Modulation for Inductive Power and Data Transmission to Medical Implants. IEEE Sensors Journal. (99): 1-1. doi: 10.1109/JSEN.2018.2851605.
- Alipov A. C., Kozyrev V. B. (2005). A new classification of transistor power amplifiers. Proceedings of the LX Scientific Session dedicated to Radio Day. Moscow: Journal «Radiotechnika» Publishing, 2005. 2: 101-104. (in Russian)
- Alipov A. S. Research and development of key power amplifiers for high-efficiency MF digital broadcasting transmitter: specialty 05.12.13 "Systems, networks and telecommunications devices": dissertation for the degree of Candidate of Technical Sciences / Anton Sergeevich Alipov. Moscow, 2006. 203 p. EDN NOJXUP. (in Russian)
- Analog Devices. ADF7020-1 High Performance FSK/ASK Transceiver IC: Data Sheet. Rev. A. (2018). Available at: https://www.analog.com/media/en/technical-documentation/data-sheets/ADF7020-1.pdf. (accessed 12 June 2024).
- Calculation of Power Loss (Synchronous). (2016). Available at: https://fscdn.rohm.com/en/products/databook/applinote/ic/power/switching_regulator/power_loss_appli-e.pdf (accessed 24 October 2024).
- Dyakonov V. P. (2013). Ultra-high-speed solid-state electronics. Vol. 1: General-purpose devices. Moscow: DMK Press, 2013. 601 p. (in Russian)
- Ivayushkin R. Y., Tereshin M. N. (2020). Computer simulation of key power amplifiers of classes D and DE for transmitters of digital broadcasting in the UHF range. Electronic Devices and Systems for Infocommunication Technologies - REDS-2020. Moscow: Russian Scientific and Technical Society of Radio Engineering, Electronics and Communications named after A.S. Popov. 122-126. EDN DXSCBL. (in Russian)
- Kirillov V. V., Turalchuk P. A. (2018). Broadband power amplifier of the X-band on AlGaN/GaN transistors. Electronics and Microwave Microelectronics. 1: 371-375. EDN XUGJDF. (in Russian)
- Kishchinsky A. A. (2018). Ultra-wideband solid-state power amplifiers of the microwave range: circuitry, constructions, technologies. Electronics and Microwave Microelectronics: Proceedings of the VII All-Russian Conference. SPb.: Publishing house of SPbGETU "LETI", 2018. 4-13. (in Russian)
- Kras'ko A. S. (2006). Comparators. Semiconductor Circuit Engineering. Tomsk: V-Spectr Publishing, 2006. 149-151. (in Russian)
- Nguyen D. K., Varlamov O. V. (2022). A simulation model for studying the operation of key RF power amplifiers with separate amplification of components on a narrowband load. High-Tech Technologies in Space Research of the Earth. 14(2). 10-18. doi: 10.36724/2409-5419-2022-14-2-10-18. EDN CAFGOC. (in Russian)
- Silicon Laboratories Inc. Si446x - High-Performance, Low-Current Transceiver: Data Sheet. Rev (2020). Available at: https://www.silabs.com/documents/public/data-sheets/Si446x.pdf. (accessed 12 June 2024).
- Stepanov F. M. (2024). Analysis of options for improving the efficiency of final stages of the VDL-4 transmitter. Bulletin of Saint Petersburg State University of Civil Aviation. 2(43): 123-131. EDN HVQDQR. (in Russian)
- Stepanov F. M. (2024). Design tasks for building an efficient VDL-4 transmitter. Proceedings of the II International Youth Scientific and Practical Conference on the State and Main Trends in the Development of Civil Aviation. Saint Petersburg: Saint Petersburg State University of Civil Aviation named after Chief Marshal of Aviation A.A. Novikov, 2024. Pp. 86-91. EDN OJWPWW. (in Russian)
- Texas Instruments. LMH7220 Ultra Low Power, 1.8V, 115 MHz Rail-to-Rail Output Comparator: Data Sheet. Rev. (2013). Available at: https://www.ti.com/lit/ds/symlink/lmh7220.pdf. (accessed 20 June 2024).
- Tietze U., Schenk K. (2008). The Field Transistor as a Controllable Resistor. Semiconductor Circuit Technology. 12th ed. Vol. I: Trans. from German. Moscow: DMK Press, 2008. Pp. 209-213. (in Russian)
- Tong R., Bengtsson O., Olsson J. (2021). Kilowatt Power Amplifier With Improved Power Back-Off Efficiency for Cyclotron Application. IEEE Transactions on Microwave Theory and Techniques. 69(12): 5483-5491. doi: 10.1109/TMTT.2021.3134957.
- Treimut N. A. (2023). Energy and spectral characteristics of class E power amplifier in modulation mode. Available at: https://elib.spbstu.ru/dl/3/2023/vr/vr23-5777.pdf (accessed 06 May 2024). (in Russian)
- Varlamov O. V., Gromorushkin V. N., Lavrushenkov V. G. (2011). Development of an HF keying power amplifier with separate amplification of single sideband signal components. T-Comm: Telecommunications and Transport. 5(9): 42-44. EDN OPIESZ. (in Russian)
- VHF air-ground and air-air Digital Link (VDL) Mode 4 radio equipment; Technical characteristics and methods of measurement for aeronautical mobile (airborne) equipment; Part 1: Physical layer. ESTI EN 302 842-1. 2015. 21 p.
- Zudov R. I. Expansion of the frequency tuning range of class DE power amplifiers designed for HF radio transmitting devices: specialty 05.12.14 «Radio engineering, including television systems and devices»: dissertation for the degree of Candidate of Technical Sciences / Zudov Roman Igorevich. Saint Petersburg, 2019. 149 p. (in Russian)
Supplementary files












