Физические основы построения локальной системы управления полностью оптического коммутатора и методика расчета ее элементов
- Авторы: Барабанова Е.А.1, Вытовтов К.А.1, Казаков С.Э.2
-
Учреждения:
- Институт проблем управления им. В.А. Трапезникова Российской академии наук
- Национальный исследовательский университет «МЭИ»
- Выпуск: Том 13, № 3 (2024)
- Страницы: 92-99
- Раздел: ИНФОРМАЦИОННО-ИЗМЕРИТЕЛЬНЫЕ СИСТЕМЫ
- URL: https://bakhtiniada.ru/2225-4293/article/view/293835
- DOI: https://doi.org/10.25210/jfop‑2403FJBTQJ
- EDN: https://elibrary.ru/FJBTQJ
- ID: 293835
Цитировать
Полный текст
Аннотация
В данной работе представлены физические принципы построения локальных устройств управления полностью оптического коммутатора 64⤫64 с децентрализованным управлением и методики его расчета. Представлена его структура в виде двухзвенной композиции из элементарных коммутирующих устройств 8⤫8. Определены логические схемы обработки управляющих (адресных) сигналов, представляемых в виде последовательности импульсов с разным монохроматическим заполнением. Описаны методы селективной фильтрации сигналов в коммутирующих элементах первого и второго звена, которые могли бы быть реализованы на многослойных фильтрах Брэгга с использованием метаматериалов. Рассчитаны параметры фильтров, обеспечивающих передачу управляющих и информационных сигналов, и спектры сигналов при прохождении каждого звена. Показана возможность адресации информационных оптических импульсов на произвольный выход составного коммутатора. Представлена методика расчета задержки сигналов при прохождении через фильтры Брэгга, а также проведена оценка быстродействия коммутирующих элементов, которая определяется скоростью переходных процессов в цепях обработки и преобразования управляющих сигналов.
Ключевые слова
Полный текст
Введение
В последние годы среди актуальных тенденций развития оптических систем связи определилось новое направление — фотонные или так называемые полностью оптические сети. Их особенностью является возможность передавать информацию без дополнительных преобразований оптического сигнала в электрический, что способствует уменьшению задержек при передаче информации и повышению пропускной способности сети [1, 2], а также повышению ее энергоэффективности.
Ключевым звеном полностью оптической сети является оптический коммутатор. На сегодняшний день разработаны различные типы полностью оптических коммутаторов. Они отличаются технологией и архитектурой построения коммутационной матрицы, а также используемым способом управления [1–3]. В этой связи различают термооптические, акустооптические, микроэлектромеханические и электрооптические переключатели, основанные на соответствующих физических принципах [3–5]. Следует отметить, что наиболее перспективными полностью оптическими коммутаторами являются электрооптические устройства с децентрализованным управлением, на основе которых возможно построение высокоскоростных и масштабируемых оптических систем [6, 7]. Это связано с тем, что наличие внешнего электронного управляющего устройства уменьшает быстродействие таких систем на порядок и более [8], что особенно сказывается на системах большой размерности [9]. В связи с этим в последнее время получили распространение гибридные оптико-электронные системы, где пассивные оптические коммутационные матрицы большой размерности используются для высокоскоростной коммутации оптических сигналов, а электронные коммутаторы обеспечивают сложный процесс управления буфером и маршрутизации потоков информации [9].
Уменьшить нагрузку на электронные блоки управления возможно, используя коммутационные структуры с децентрализованным управлением, в которых коммутация осуществляется с помощью локальных оптических управляющих элементов [10]. При этом управляющая информация содержится в заголовке передаваемого оптического пакета и преобразуется в локальных управляющих элементах в электрические сигналы управления, определяющие выход коммутатора.
Параметры локальных управляющих устройств влияют на характеристики производительности оптического коммутатора в целом, поэтому разработка принципов построения локальных оптических управляющих устройств и разработка методик расчета их характеристик являются актуальными задачами и имеют важное практическое значение при проектировании оптических коммутаторов.
В работе рассматривается двухзвенный полностью оптический коммутатор 64×64 с децентрализованным управлением, составленный из шестнадцати коммутационных оптических элементов 8×8. Целью данной работы является разработка физических принципов построения этих элементарных коммутаторов, способов их объединения и коммутации сигналов, алгоритма работы всей системы и ее элементов, методов расчета их параметров и характеристик управляющих сигналов.
1. Архитектура и принципы работы коммутаторов
Составная коммутационная система 64×64 состоит из двух звеньев, каждое из которых содержит 8 оригинальных элементарных коммутационных устройств 8×8, схема соединения которых приведена на рис. 1. Каждый из 64-х выходов составного коммутатора однозначно определяется шестибитным числом (от 000000 до 111111) и кодируется комбинацией управляющих оптических сигналов, поступающих на длинах волн . При этом амплитуда каждого из шести соответствующих им электрических сигналов после оптоэлектрического преобразования может принимать одно из двух значений или (), первое из которых соответствует логическому нулю, а второе — единице.
Рис. 1. Структурная схема оптического коммутатора 64×64.
На несколько входов системы 64×64 одновременно поступают оптические пакеты, содержащие управляющие сигналы на шести длинах волн и информационный сигнал на длине волны . Информационный сигнал несет полезную информацию, а две тройки управляющих сигналов на длинах волн и используются для его адресации в коммутаторах первого и второго звена.
Каждое элементарное коммутирующее устройство 8×8 содержит следующие компоненты (рис. 2): фильтр Брэгга (ФБ), частотный детектор (ЧД), отклоняющую систему 18 (ОС), формирователь управляющего сигнала (ФУС), а также и буферное устройство.
Рис. 2. Схема элементарного коммутатора 8×8 в первом и втором (б) звеньях.
Фильтр Брэгга производит разделение управляющих сигналов, передаваемых на различных длинах волн. При этом три первых сигнала, кодирующие адрес одного из восьми выходов устройства, проходят через фильтр и поступают на частотный детектор, а остальные, включая информационный сигнал, отражаются от фильтра Брэгга и поступают на оптический вход отклоняющей системы. Прошедшие на частотный детектор сигналы преобразуются в сигналы и в формирователе управляющих сигналов вырабатываются три электрических сигнала которые селектируются по амплитуде, усиливаются и подаются на управляющие входы отклоняющей системы, задача которой отправить входной сигнал на один из восьми выходов (рис. 3).
Рис. 3. Схема отклоняющей системы (маршрутизатора).
Особенностью ее является отсутствие механических отклоняющих элементов, вместо чего используется электрооптическое управление трассой прохождения оптических сигналов (маршрутизация). Это происходит за счет подачи на управляющие (электрические) входы отклоняющей системы, размещенные в слоях I, IV, IX соответствующего напряжения. Отклоняющая система представляет собой многослойную структуру (рис. 3): I, IV, IX — слои ниобата лития, в которых осуществляется управление, III, VI, VIII — слои обычного диэлектрика, II, V, VII — слои оптического метаматериала с особыми свойствами [11]. Для пространственного управления траекторией распространения лучей используется эффект «отрицательного преломления» в резонансной области анизотропного материала [12]. Для большего пространственного разнесения в структуре использованы слои метаматериала с отрицательным углом преломления [13].
Принцип работы отклоняющей системы можно объяснить на примере передачи информационного сигнала на 5-й выход. Для этого комбинация управляющих напряжений должна повторять двоичную запись адреса — 110: , , . Тогда поступающий на вход оптический луч, несущий информационный сигнал, проследует по траектории: 2–4–7–11–17. При этом преломление луча под «отрицательным углом» осуществляется в тех слоях, на которые подано напряжение . Более подробное описание принципа работы аналогичной отклоняющей системы представлено в [11].
2. Расчет параметров фильтров Брэгга
Для разделения сигналов, представленных в виде различных спектральных компонент, можно использовать фильтры Брэгга (рис. 4) в виде периодической структуры, содержащей чередующиеся слои двух разных диэлектриков с диэлектрической проницаемостью и и толщиной слоя и . При этом число периодов (пар слоев) N может достигать несколько десятков.
Рис. 4. Структура фильтра Брэгга элементарного оптического коммутатора.
Задача заключается в том, чтобы обеспечить прохождение света на одних длинах волн и отражение — на других. В пределах диапазона прозрачности оптоволокна 1235÷1585 нм необходимо выбрать семь равномерно распределенных длин волн и подобрать параметры фильтров Брэгга для первого и второго звеньев таким образом, чтобы одни длины волн отражались с коэффициентом, близким к 100%, а другие с высокой эффективностью проходили (рис. 5).
Рис. 5. Искомый спектр отражения фильтров Брэгга 1-го (а) и 2-го звеньев (б).
Разработка принципов работы полностью оптического коммутатора проводится в рамках волновой теории [14, 15]. В частности, для построения требуемой спектральной функции фильтров Брэгга ниже используется метод, основанный на нахождении характеристической матрицы [16], которая связывает компоненты x и y электрического (или магнитного) вектора в однородной среде на плоскости z = 0 c этими компонентами на произвольной плоскости z = const:
, (1)
где , — диэлектрическая и магнитная проницаемость однородного диэлектрического слоя, n — показатель преломления диэлектрика, — волновое число, — угол падения (см. рис. 4).
Тогда, если матрица соответствует одному периоду из двух слоев, то согласно [16] элементы матрицы , описывающей N периодов структуры, определяются по формуле:
, (2)
где – полиномы Чебышева второго рода, , , , — элементы матрицы , .
Это позволяет вычислить коэффициент отражения фильтра Брэгга [11] на разных длинах волн:
, (3)
где .
С использованием этой формулы были выбраны параметры фильтров Брэгга первого и второго звеньев (см. табл. 1), обеспечивающие коэффициенты отражения по энергии не менее 95% и коэффициент пропускания не менее 80% при следующем выборе длин волн: мкм, мкм, мкм, мкм, мкм, мкм, мкм. Результаты расчетов представлены на рис. 6.
Таблица 1. Параметры фильтров Брэгга
Номер звена | , мкм | , мкм | , мкм | , мкм | N | |
1 | 6 | 1.2 | 7.2 | 2.5 | 25 | 12 |
2 | 5 | 1.2 | 6.2 | 2.5 | 35 | 12 |
Рис. 6. Коэффициенты отражения фильтров Брэгга 1-го (а) и 2-го (б) звеньев.
3. Анализ искажений оптических импульсов
Важной характеристикой коммутатора является степень искажения оптических импульсов. Для оценки этих искажений необходимо рассчитать спектры оптических импульсов, поступающих на вход коммутатора и приходящих на выход.
Спектральная плотность прямоугольных импульсов имеет вид [17]: , где , типичная их длительность пс, а напряжение В.
Спектральные характеристики оптических импульсов, прошедших через фильтр Брэгга первого или второго звеньев, описываются выражениями (рис. 7)
, (4)
, (5)
где , – спектральные зависимости коэффициентов отражения фильтров Брэгга первого и второго звена; — входная спектральная плотность i-го импульса, который имеет несущую частоту .
Рис. 7. Спектры сигналов, прошедших через фильтр Брэгга 1-го (а) и 2-го (б) звеньев.
Анализ задержки сигнала при прохождении оптических импульсов через фильтры Брэгга был выполнен по следующей методике с использованием фазо-частотных характеристик (ФЧХ) и .
С учетом ширины области участков ФЧХ (рис. 8), соответствующих информационному и управляющим сигналам, задержки в каждом звене коммутатора определены по формуле: , где j — номер звена, i — номер импульса (и длины волны). Для каждого звена определена максимальная задержка управляющего сигнала и вычислены величины полной задержки для управляющих и для информационного сигналов, прошедших через весь коммутатор: и .
Рис. 8. Фазо-частотные характеристики сигналов, прошедших через фильтр Брэгга 1-го (а) и 2-го (б) звеньев.
Суммарное время задержки управляющих сигналов, вычисленное с использованием описанной выше методики, составило c, а информационного сигнала — с.
С использованием обратного преобразования Фурье [17] были построены временные диаграммы отдельных прямоугольных импульсов на выходе первого и второго звеньев (рис. 9), демонстрирующие искажения формы прямоугольных импульсов исходной длительностью пс, подаваемого на вход коммутатора. Полученные временные диаграммы выходных сигналов свидетельствуют о том, что при передаче оптических импульсов появляются искажения, обусловленные различием ширины полосы пропускания фильтров Брэгга и спектральной ширины сигналов. Анализ показывает, что для детектирования последовательности импульсов должно выполняться условие на скважность следования импульсов: . Коэффициент добротности , где – время нарастания фронта импульса.
Рис. 9. Временные профили оптических прямоугольных импульсов на выходе фильтра Брэгга 1-го (а) и 2-го (б) звеньев.
4. Расчет быстродействия локальной системы управления
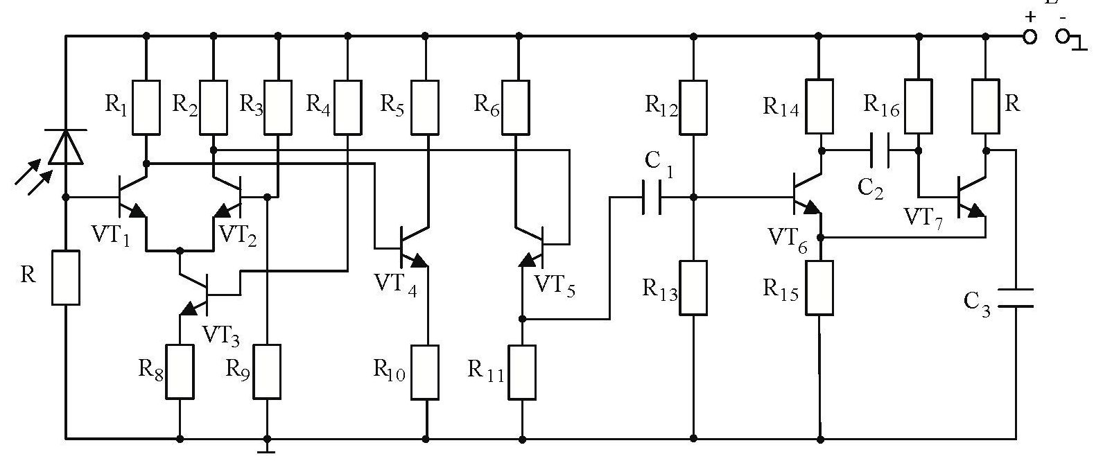
Принципиальным вопросом при проектировании полностью оптического коммутатора является оценка его быстродействия. Самое большое влияние на быстродействие коммутатора оказывает время установления управляющего сигнала при преобразовании его из оптической формы в электрическую. Для оценки быстродействия необходимо составить эквивалентную электрическую схему формирователя управляющего сигнала и рассчитать время переходного процесса. В качестве схемы формирователя управляющего сигнала в данной работе предлагается использовать два последовательно соединенных каскада на дифференциальных схемах, включающих усилитель мощности, эмиттерный повторитель, а также одновибратор (рис. 10). На вход схемы подключается фотодиод, на выход — отклоняющая система с емкостью Сз.
Рис. 10. Эквивалентная схема формирователя управляющего сигнала.
Расчет переходного режима в цепи ФУС с подбором оптимальных номиналов элементов в схеме позволил сократить время переходного процесса до 4 пс (рис. 11).
Рис. 11. Динамика нарастания напряжения на выходе.
Заключение
Представленные схемы, проведённые расчеты и полученные результаты демонстрируют принципиальную возможность построения составного оптического коммутатора 64×64. Описанные методы позволяют рассчитать необходимые фильтры Брэгга для обеспечения маршрутизации оптических импульсов. Рабочий диапазон был выбран в пределах окна прозрачности существующих оптоволоконных линий передачи. Методика оценки задержки проходящих оптических импульсов позволила определить требуемую скважность импульсов при заданной их длительности для возможности детектирования сигналов на выходе коммутатора. Методика расчета времени переходных процессов в цепи управления позволила оценить потенциальное быстродействие полностью оптического коммутатора.
Разработанные методы переноса, селекции и адресации информационных и управляющих сигналов открывают возможности построения элементарных (8×8) оптических коммутирующих элементов и построения на их основе составного полностью оптического коммутатора оптических импульсных сигналов.
Благодарности
Исследование выполнено за счет средств гранта Российского научного фонда № 23–29–00795, https://rscf.ru/project/23–29–00795/.
Об авторах
Е. А. Барабанова
Институт проблем управления им. В.А. Трапезникова Российской академии наук
Автор, ответственный за переписку.
Email: elizavetaalexb@yandex.ru
д.т.н., доцент, в.н.с.
Россия, МоскваК. А. Вытовтов
Институт проблем управления им. В.А. Трапезникова Российской академии наук
Email: vytovtov_konstan@mail.ru
д.т.н., доцент, в.н.с.
Россия, МоскваС. Э. Казаков
Национальный исследовательский университет «МЭИ»
Email: staskazackoff@yandex.ru
студент
Россия, МоскваСписок литературы
- El-Bawab, T.S. Optical switching. Springer Science and Business Media, 2006. 451 p.
- Барабанова Е. А., Вытовтов К. А., Вишневский В. М., Подлазов В. С. Новый принцип построения оптических устройств обработки информации для информационно-измерительных систем // Датчики и системы. 2019. № 9 (239). С. 3–9.
- Cheng, Q., Rumley, S., Bahadori, M., Bergman, K. Photonic switching in high performance datacenters // Optics Express. 2018. Vol. 26. Iss. 12. P. 16022–16043. doi: 10.1364/OE.26.016022
- Yoo, S.J.B. Photonic switching technologies, architectures, and integrated-systems for future disaggregated and optically reconfigurable data centers // 2022 International Conference on Optical Network Design and Modelling (ONDM). P. 1–6. doi: 10.23919/ONDM54585.2022.9782842
- Никитин П. А. Энергоэффективный акустооптический модулятор тарагерцевого излучения // Физические основы приборостроения. 2022. Т. 11. № 3(45). С. 64–71. doi: 10.25210/jfop-2203-064071
- Ma, X., Kuo, G.S. Optical Switching Technology Comparison: Optical Mems vs. Other Technologies // IEEE Optical Communications. 2003. Vol. 41. Iss. 11. P. S16-S23. doi: 10.1109/MCOM.2003.1244924
- Sato, K. Design and Performance of Large Port Count Optical Switches for Intra Data Centre Application // 22nd International Conference on Transparent Optical Networks (ICTON). 2020. P. 1–4. doi: 10.1109/ICTON51198.2020.9203276
- Xue, X., Calabretta, N. Nanosecond optical switching and control system for data center networks // Nature communications. 2022. Vol. 13. Iss. 1. P. 2257. doi: 10.1038/s41467-022-29913-1
- Seok, T.J., Kwon, K., Henriksson, J., Luo, J., Wu, M.C. High Port Count Silicon Photonic Switches // 2019 24th OptoElectronics and communications conference (OECC) and 2019 International Conference on Photonics in Switching and Computing (PSC). 2019. P. 1–3. doi: 10.23919/PS.2019.8817661
- Barabanova, E.A., Vytovtov, K.A., Podlazov, V.S. Model and algorithm of next generation optical switching systems based on 8х8 elements // Lecture Notes in Computer Science. 2019. Vol. 11965. P. 58–70. doi: 10.1007/978-3-030-36614-8_5
- Vytovtov, K.A., Barabanova, E.A., Barabanov, I.O. Next-generation switching system based on 8х8 self-turning optical cell // IEEE Proceedings of the International Conference on Actual Problems of Electron Devices Engineering (APEDE). 2018. P. 306–309. doi: 10.1109/APEDE.2018.8542431
- Силин Р. А. Необычные законы преломления и отражения. М.: ФАЗИС, 1999. 80 с.
- Dolling, G. et al. Cut-wire pairs and plate pairs as magnetic atoms for optical metamaterials // Optics Letters. 2005. Vol. 30. Iss. 23. P. 3198–3200. doi: 10.1364/OL.30.003198
- Кравченко В. Ф. Преобразование и излучение электромагнитных волн открытыми резонансными структурами: моделирование и анализ переходных и установившихся процессов. М.: ФИЗМАТЛИТ, 2011. 316 с.
- Кравченко В. Ф., Лабунько О. С., Лерер А. М., Синявский Г. П. Вычислительные методы в современной радиофизике. М.: Физматлит, 2009. 463 с.
- Борн М., Вольф Э. Основы Оптики. М.: Наука, 1973. 720 с.
- Гоноровский И. С. Радиотехнические цепи и сигналы. М.: Радио и связь, 1986. 512 с.
Дополнительные файлы














