Mathematical formulation of the problem and a model of quasi-optimal structural-parametric synthesis of adaptive algorithms of the synchronization system
- Autores: Povasin M.Y.1, Filatov V.I.2
 - 
							Afiliações: 
							
- JSC «Corporation for Special Purpose Space Systems “Kometa”»
 - Bauman Moscow State Technical University
 
 - Edição: Volume 28, Nº 3 (2025)
 - Páginas: 16-27
 - Seção: Articles
 - URL: https://bakhtiniada.ru/1810-3189/article/view/343626
 - DOI: https://doi.org/10.18469/1810-3189.2025.28.3.16-27
 - ID: 343626
 
Citar
Texto integral
Resumo
Background. When testing systems with new synchronization algorithms, including synchronization as part of signal transmission systems, it is necessary at any moment to know the set of current measured parameters obtained by the synchronization receiver in order to determine its state. At any given time, the measurement, conversion, transmission, reception, processing, and presentation of synchronization system parameters in the required form must be performed. The rationale for the structural–parametric synthesis of synchronization system algorithms presented in the article is characterized by increasing requirements for the synchronization of radio signals transmitting information streams from unmanned systems. Aim. The paper considers the improvement of advanced synchronization algorithms, taking into account the reduction of the system’s acquisition time. Methods. Implementation of the proposed methods leads to an increase in the number of measurable parameters. This is primarily caused by the need to obtain objective data during transmission tests with strict synchronization requirements. These factors affect the characteristics of both the individual synchronization system and the overall system in which it operates. The paper substantiates advanced synchronization system tasks for unmanned systems, considering the need to extend control range under various unintentional interference conditions, such as radio signal interference and fading. Results. It is shown that the proposed model makes it possible to account for the requirements of limiting the error probability of the received synchronization sequence by means of spatio-temporal synchronization in the process of data transmission from unmanned systems. Conclusion. In advanced information transmission channels, it is necessary to develop new algorithms for adaptive spatio-temporal signal synchronization, which will ultimately allow adaptive control of the noise immunity parameters of the synchronization system.
Palavras-chave
Texto integral
Введение
В процессе повышения требований к характеристикам систем синхронизации и связанного с этим их технического усложнения все более значительную роль играет поиск оптимальных алгоритмов быстрой синхронизации систем передачи сигналов с учетом ограничений по стоимости. При разработке современных систем синхронизации, в том числе узлов в составе систем широкополосной связи, из-за невозможности получения адекватного теоретического описания примерно 40 % всех возникающих проблем решаются с помощью натурных испытаний [1]. Этот факт значительно замедляет поиск оптимальных алгоритмов синхронизации сигналов в различных условиях функционирования систем. При этом любое испытание, в том числе алгоритмов синхронизации, представляет собой определение степени соответствия синтезированных алгоритмов синхронизации и предъявляемых к ним требований.
1. Обоснование
Качество передачи данных, одним из показателей которого является верность передаваемой информации, напрямую зависит от формирования, передачи, получения, обработки и синхронизации сигналов в радиоканале. На практике в качестве показателя верности обычно принимают наибольшую допустимую вероятность ошибки на бит Вероятность ошибки на бит – это теоретическое понятие ошибочных бит в данной системе. Также используют понятие – коэффициент ошибок. – это эмпирическая запись числа фактических ошибок в системе. Коэффициент ошибок измеряется и затем сравнивается с ожидаемой вероятностью ошибки для оценки параметров системы [1; 2]. Качество принимаемых данных в системе связи зависит от характеристик радиолинии. Наиболее удобной характеристикой удельного расхода энергии в радиолинии передачи данных является средняя энергия сигнала на входе приемника, затрачиваемая на передачу единичного объема информации и обеспечивающая заданную верность в заданной помеховой обстановке. При действии на входе приемника аддитивного нормального белого шума с односторонней спектральной плотностью мощности целесообразно использовать показатель удельного расхода энергии:
(1)
Зависимость определяется аналитически или численно для каждого случая модуляции и кодирования. В большинстве случаев требования, предъявляемые к стандартным системам передачи данных с использованием радиоканалов, ограничены значениями при [2; 4].
В соответствии с проектом общих технических требований к системам передачи данных по радиоканалам достоверность передачи и сбора данных характеризуется коэффициентом ошибок по элементам, определяемым отношением числа ошибочных двоичных элементов (бит) информации к общему числу двоичных элементов (бит) информации, переданных на определенном интервале времени [3; 5]. При этом коэффициент ошибок по элементам средств передачи и сбора данных системы синхронизации должен быть не более 10–6 [5]. Следовательно, на основании требований к качеству синхропоследовательности необходимо обеспечить вероятность ошибки на бит Обеспечение для подвижных объектов, особенно в условиях влияния замираний и интерференции радиоволн, является более сложной задачей, чем для статических объектов в условиях отсутствия переотражений радиоволн. В частности, для перспективных беспилотных систем негативные явления в синхронизации будут все более актуальны с увеличением дальностей расстояний в каналах управления. Следовательно, для систем синхронизации, функционирующих в составе таких беспилотных систем, эти изменения будут являются новыми условиями функционирования, а значит, и области пространства, где обеспечивалось бы требуемое качество приема данных уменьшились с увеличением требуемой дальности управления беспилотными системами.
В результате этого образуются области пространства, где не обеспечивается требуемое качество принимаемых данных или верность бит синхропоследовательности, т. е. Основной фактор, влияющий на – отношение сигнал/шум на входе приемного устройства.
2. Цель
Из проведенного анализа можно заключить, что необходимо совершенствовать существующие алгоритмы синхронизации в радиоканалах беспилотных систем, поскольку увеличение требуемой дальности их полета не будет обеспечиваться в силу различных эффектов при распространении радиоволн. Таким образом, с одной стороны, в перспективе будет происходить ужесточение требований, предъявляемых к системам синхронизации, функционирующим в составе системы передачи данных по радиолинии, а с другой стороны, структура методов формирования, передачи, получения, обработки и синхронизации сигналов будет статично обоснована различными стандартами и останется прежней.
Качество передачи и приема данных с беспилотных платформ зависит от отношения сигнал/шум на входе приемника или от энергетических характеристик радиолинии [2]. Кроме удельного расхода энергии существуют другие показатели. Эффективность использования радиолинией частотных ресурсов целесообразно оценивать по удельному расходу необходимой полосы частот:
(2)
и удельному расходу занимаемой полосы частот:
(3)
затрачиваемых на передачу единичного объема информации с заданным показателем верности при фиксированном уровне внеполосных излучений . Вместе с тем используют и отношение сигнал/шум по мощности в полосе пропускания приемника:
(4)
Повысить качество принимаемых данных возможно за счет увеличения отношения сигнал/шум на входе приемника, т. е. повысив значение
(5)
где – коэффициент усиления передающего АФУ; – эффективная площадь приемной антенны; – мощность передатчика; – уровень внеполосных излучений; – коэффициент ослабления радиосигнала; – постоянная Больцмана; – шумовая температура приемника; – максимальная дальность между приемником и передатчиком; – скорость передачи информации.
Из выражения (5) видно, что при неизменяемых параметрах бортовой радиотехнической системы беспилотной платформы и среды распространения сигнала повысить можно, увеличив эффективную площадь приемной антенны [6]. Таким образом, область пространства, где обеспечивается требуемое качество принимаемых данных увеличится (рис. 1). При этом увеличение приведет к росту массогабаритных характеристик системы передачи данных, что недопустимо.
Рис. 1. Схема построения системы приема и передачи сигналов между НП и беспилотными платформами
Fig. 1. Diagram of the signal reception and transmission system between the NP and unmanned platforms
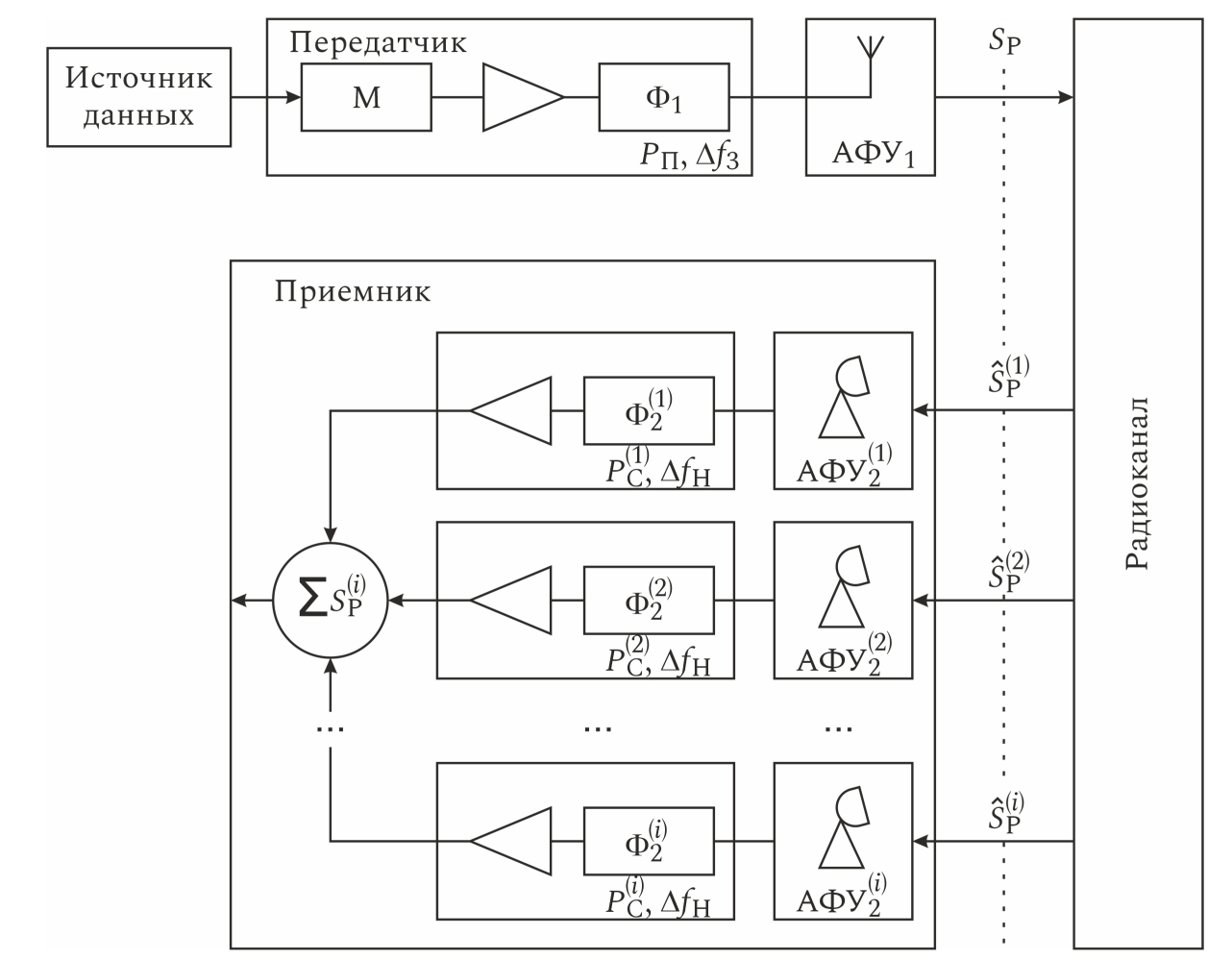
Другим способом решения рассматриваемой проблемы может быть применение дополнительных наземных пунктов управления для повышения уровня отношения сигнал/шум суммарного сигнала. Его сущность заключается в увеличении числа недорогих по стоимости и связанных между собой в единую сеть наземных пунктов управления с изотропными антеннами с низким коэффициентом усиления с возможностью приема данных от беспилотных платформ. По сути, такая распределенная в пространстве система представляет собой разнесенную антенную решетку, элементами которой являются антенны приемных пунктов. Структурная схема предлагаемого решения показана на рис. 1. Необходимо отметить, для реализации данного варианта необходимо, чтобы все пункты имели единую непрерывную зону радиовидимости. Из рис. 1 видно, что дополняется и .
Радиосигнал синхронизируется и принимается на соответствующих НП и после суммирования поступает по наземным каналам в центральный узел обработки данных, где происходит их преобразование с требуемым качеством [5].
Так, на рис. 2 представлен типовой радиосигнал, обеспечивающий синхронизацию в радиоканале передачи данных (синхросигнал СС) на выходе передатчика в радиоканале «беспилотная платформа – пункт управления», который представляет собой колебание, модулированное по фазе КИМ2 – ФМ [9] (рис. 2).
Рис. 2. Сигнал на выходе передатчика в радиоканале «беспилотная платформа – пункт управления»
Fig. 2. Transmitter output signal in the «unmanned platform – control room» radio channel
В результате замираний, интерференции и других явлений, негативно сказывающихся на функционировании и рассинхронизации опорных генераторов (ОГ) передатчика и приемника, возникает дополнительное модулирующее колебание (огибающая несущего колебания) – мультипликативный шум, или «биение». Кроме разности частот ОГ влияние на синхронизацию оказывает возникающий вследствие движения беспилотной платформы эффект Доплера.
Сигнал на выходе устройства синхронизации с мультипликативным шумом представлен на рис. 3.
Рис. 3. Сигнал на выходе приемного устройства синхронизации с мультипликативным шумом
Fig. 3. Output signal of the synchronization receiver with multiplicative noise
Из рис. 3 видно, что возможна ситуация, когда при изменении фазы на амплитуда несущего колебания будет близка или равна нулю. Это может привести к тому, что будет происходит ошибочное декодирование синхропоследовательности по причине инверсии бит.
3. Методы
В существующих системах синхронизации пунктов управления при достаточно высоком отношении сигнал/шум дополнительные модулирующие колебания устраняют при помощи системы фазовой автоподстройки частоты (ФАПЧ), при этом происходит синхронизация ОГ передатчика и приемника. При низком отношении сигнал/шум система ФАПЧ работает некорректно, в результате чего количество ошибок в процессе приема данных возрастает.
Для множества реализаций радиосигналов, принимаемых на разнесенных пунктах управления, кроме пространственной синхронизации ОГ передатчика и соответствующего приемника, необходима временная синхронизация, обусловленная временной разностью прихода высокочастотного сигнала на соответствующий пункт.
Входной высокочастотный сигнал в приемном устройстве:
(6)
где – амплитуда сигнала; – несущая частота; – изменение фазы в соответствии с модулирующим сигналом.
В современных цифровых приемниках принимаемый сигнал делится на синфазную и квадратурную составляющие:
(7)
(8)
Кроме полезного радиосигнала на входы приемника действуют помехи и шумы, как внешние, так и внутренние.
Как правило, принято выделять три типа источников внешнего шума: атмосферный, внеземной и шум искусственного происхождения [7]. Атмосферные помехи образуются при естественных электрических возмущениях в земной атмосфере. Основным источником атмосферных помех являются молнии. Эти помехи, как правило, имеют импульсную природу, и их энергия распределяется в широком диапазоне частот. Внеземной шум состоит из сигналов, которые возникают за пределами земной атмосферы. Искусственный шум – это шум, который обусловлен результатами индустриальной деятельности. Искусственный шум имеет импульсную природу и занимает широкий диапазон частот.
Внутренний шум – это электрическая помеха, возникающая в пределах устройства. Различают три основных вида внутреннего шума: дробный шум, шум переноса и тепловой шум. Дробный шум вызван случайным движением носителей зарядов (электронов и дырок) электронных устройств, таких как диод, транзистор. Любые изменения потока носителя, возникающие при прохождении от входа к выходу устройства, например от эмиттера к коллектору транзистора, в виде случайных, непериодических отклонений, относят к шумам переноса. Тепловой шум связан с быстрым и случайным перемещением электронов в проводнике под действием теплового возмущения. Тепловой шум присутствует во всех электронных компонентах. Тепловой шум можно рассматривать как форму аддитивного шума, так как его нельзя устранить, а его интенсивность возрастает с увеличением числа устройств в цепи и дальности передачи.
Как отмечалось ранее, частоты ОГ передатчика и приемника должны быть настроены строго на одну частоту [7]. Ввиду нестабильности колебаний, вызванных физическими особенностями ОГ, частоты передатчика и приемника не совпадают, возникает дополнительное модулирующее колебание. Кроме нестабильности ОГ негативное влияние на «передачу – прием» оказывает эффект Доплера.
Таким образом, сигнал на выходе приемного устройства представляет собой сигнал с дополнительным модулирующим колебанием [8]. Также этот сигнал имеет синфазную и квадратурную составляющие, смешанные с аддитивным и мультипликативным шумом.
Очевидно, при сложении таких сигналов ввиду того, что дополнительные модулирующие колебания (огибающие) у всех реализаций различны, какого-либо положительного эффекта не произойдет. Под положительным эффектом при этом будем понимать повышение уровня суммарного сигнала, приводящее к увеличению отношения сигнал/шум, следовательно, к уменьшению ошибки на бит или повышению достоверности принимаемых данных. Таким образом, одним из факторов, влияющих на отношение сигнал/шум суммарного сигнала, является пространственная синхронизация (синхронизация ОГ передатчика и приемников) [10].
Вторым фактором, влияющим на сложение сигналов, является временная синхронизация [8]. Так как ПУ, имеющие общую зону радиовидимости при работе с беспилотной платформой, расположены на удалении друг от друга, то сигнал будет приходить с задержкой по времени относительно ближайшего к беспилотной платформе.
В настоящее время интерес к пространственно разнесенным системам приема сигналов существенно возрос, особенно в системах радиолокации и навигации [2]. Это связано, с одной стороны, с возрастающими требованиями к характеристикам радиосистем, их помехозащищенности и надежности, с другой стороны, с развитием техники широкополосных сигналов, фазированных антенных решеток и достижениями в области синхронизации многопозиционных систем, открывающии новые возможности улучшения их характеристик.
Многопозиционные измерительные радиолокационные и навигационные системы позволяют получать информацию об удаленных объектах путем измерения параметров волновых полей, отраженных от объектов зондирующих сигналов, либо за счет их собственного излучения [9]. Структура и параметры волнового поля, создаваемого объектом в точках приема радиосигналов, зависят от местоположения, скорости движения объекта и характеристик последнего [6], т. е. регистрируемое поле является пространственно-временным сигналом. Для выделения полезной информации, содержащейся в пространственно-временном сигнале – переносчике информации от беспилотной платформы, необходима соответствующая обработка с учетом особенностей его пространственно-временной структуры. Существующая теория обработки сигналов с учетом их пространственно-временной структуры получила значительное развитие [5]. На базе статистической теории оптимального приема сигналов [3; 10] созданы основы теории оптимальной обработки пространственно-временных сигналов с плоскими и сферическими волновыми фронтами при наличии внешних и внутренних помех. Опубликовано большое количество работ, посвященных принципам оптимального построения систем пространственно-временной обработки сигналов в радиолокационных системах [8; 10].
Однако в подавляющем большинстве источников вопросы пространственно-временной синхронизации рассматриваются в общем виде без учета мультипликативных составляющих шума, а обязательным условием для осуществления обработки являлась жесткая синхронизация опорных генераторов.
Задачи синтеза оптимальных и квазиоптимальных алгоритмов пространственно-временной обработки сигналов с фазированными антенными решетками и когерентных многопозиционных систем приема и передачи данных различного назначения в условиях воздействия помех рассматривались в научном труде Г.С. Нахмансона «Пространственно-временная обработка широкополосных сигналов» [11].
Рассматривалось также влияние среды и других дестабилизирующих факторов на качество приема сигналов. Однако основные результаты были получены для случаев обработки сигналов при локации неподвижных объектов в условиях воздействия помех, создаваемых неподвижными внешними источниками.
Вопросы использования высокоточных фазовых измерений и приема синхросигнала, а также использования в навигационной аппаратуре пространственно-временной обработки радиосигналов рассматривались в многочисленных источниках [1–6]. Также проведен анализ задач символьной синхронизации, однако разнесение приемников осуществлялось на малую базу, что не позволяло использовать сферические модели фронта волны [8; 9].
Следует отметить, что в настоящее время беспилотные платформы становятся сложнее и могут состоять из группы объектов, маневрирование которых осуществляется на малом расстоянии и должно быть синхронизировано. Поэтому появляется потребность в контроле большего числа параметров такого «роя» беспилотных платформ, ввиду чего требования к качеству принимаемых и передаваемых данных ужесточились. Так как качество данных напрямую зависит от отношения сигнал/шум, то увеличение этого показателя является важной задачей. Для решения этой задачи предлагается увеличение показателя отношения сигнал/шум за счет синхронного суммирования сигналов пространственно разнесенным методом на распределенных в пространстве ПУ, аналогичным функционированию фазированной антенной решетки. Таким образом, повысить качество принимаемых и передаваемых данных возможно при увеличении отношения сигнал/шум за счет сложения реализаций радиосигнала с выполнением пространственно-временной синхронизации.
Сущность данного метода заключается в том, что осуществляется временная и фазовая синхронизация принимаемых синхропоследовательностей с метками времени.
Важно отметить, что процесс разнесения может быть осуществлен по поляризации радиосигнала (выделяют сигналы вертикальной и горизонтальной поляризации), по частоте (применяют несколько несущих частот, например, метрового и дециметрового диапазонов), в пространстве (осуществляют прием на разные антенны, которые размещены на некотором расстоянии друг от друга), во времени (обеспечивают повторную передачу синхропоследовательностей). Следует заметить, что в случае двух каналов разнесения возможности выбора наиболее достоверных данных для их последующего размещения в массиве обобщенных данных весьма ограничены. В практике необходимо иметь 4 или 5 каналов разнесения. Кроме того, в случае устойчивого приема предлагаемый способ становится неактуальным (впрочем, это относится и к другим способам улучшения помехоустойчивости данных). Наиболее целесообразно использовать предлагаемое решение в случае, когда принятые по нескольким каналам разнесения данные в разной степени искажены помехами (тогда при выборе достоверных данных возможно взаимодополнение) [2].
Таким образом, возникает задача, заключающаяся в обеспечении требуемого качества приема синхропоследовательности по всей увеличивающейся требуемой дальности полета беспилотных систем. Одним из решений вышеизложенной задачи является применение распределенного приема с учетом общей зоны радиовидимости наземных пунктов управления, регистрации реализаций сигналов синхропоследовательности, их суммирования с целью повышения отношения сигнал/шум, следовательно, и повышения качества функционирования системы синхронизации [4]. Для решения этой задачи необходимо решить следующие частные научные задачи:
- разработать математическую модель адаптивных алгоритмов синхронизации;
 - разработать алгоритм пространственно-временной синхронизации принимаемых синхропоследовательностей сигналов.
 
Таким образом, постановку научной задачи можно сформулировать следующим образом: в процессе функционирования системы передачи данных в составе беспилотных систем при известной совокупности аппаратно-программных средств, существующих методик формирования и передачи синхросигналов требуется разработать алгоритмы адаптивной пространственно-временной синхронизации сигналов, полученных приемными средствами пунктов управления с учетом совместных зон радиовидимостей с целью обеспечения требуемого качества принимаемых данных за счет пространственно-временной синхронизации сигналов с последующим их сложением.
4. Теоретические положения модели и математическая постановка задачи
Реализации принимаемого на приемнике сигнала с распределенными в пространстве антеннами:
где – номер приемной антенны; – номер отсчета; – амплитуда сигнала; – частота сигнала; – фаза сигнала (2-ФМ); – фаза дополнительного модулирующего колебания, связанного с изменением частоты Доплера, свойствами ионосферы и тропосферы, уходом частоты опорных синхрогенераторов приемника и передатчика; – белый гауссовский шум (БГШ).
Зона радиовидимости i-го приемного устройства:
где – координаты приемника.
Способ формирования суммарного сигнала включает ограничения:
- – совместная зона радиовидимости приемников в системе передачи данных;
 - – БГШ с нулевым математическим ожиданием и односторонней спектральной плотностью.
 
Показатель пространственно-временной синхронизации сигналов:
– верность принимаемых данных (вероятность ошибки на бит), где – суммарный сигнал.
Критерий пространственно-временной синхронизации радиосигналов:
при нахождении соответствующих где – верность принимаемых данных (вероятность ошибки на бит).
Нужно обеспечить в соответствии с критерием и ограничениями требуемое качество принимаемых данных за счет пространственно-временной синхронизации радиосигналов.
Необходимо ввести дополнительные ограничения, учитывающие свойства реальных цифровых радиоприемных устройств, предназначенных для преддетекторной обработке радиосигналов на промежуточной частоте. Для оценки таких устройств в работе были рассмотрены следующие показатели:
- частота временной дискретизации радиосигнала;
 - разрядность аналого-цифрового преобразователя (АЦП).
 
5. Результат
В состав радиолинии входят видео- и радиотракты на беспилотной платформе в виде бортовой (БА) и наземной (НА) аппаратуры (рис. 4).
Рис. 4. Состав передаваемых по радиолинии данных
Fig. 4. Composition of data transmitted over a radio link
На вход радиолинии подают групповой сигнал:
(9)
Выражение (9) представляет собой совокупность неперекрывающихся канальных первичных сигналов:
(10)
длительность которых равна длительности канального интервала, а значения определяются значениями соответствующих выборок Формирование радиосигнала осуществляют в два этапа: сначала в видеотракте с учетом (9) и (10) получают видеосигнал:
(11)
символы которого промодулированы по выбранному параметру соответствующими канальными первичными сигналами а затем в радиотракте полученным видеосигналом (11) модулируют гармоническую несущую. Полученный радиосигнал
(12)
искажается в радиоканале за счет действия помех, шумов и интерференции сигналов от одновременной работы других радиолиний.
Обратное преобразование искаженного в радиоканале радиосигнала в видеосигнал а затем выдаваемый в наземный пункт групповой сигнал осуществляют в радио- и видеотрактах НП.
Для радиоканалов передачи синхропоследовательностей необходимо, чтобы в разных частотных диапазонах были выделены радиоканалы с полосами пропускания (рис. 5), в пределах которых одновременно могут работать на различных частотах несущих несколько радиолиний [8].
Рис. 5. Полоса пропускания канала передачи данных
Fig. 5. Data channel bandwidth
Передаваемые сигналы всегда ограничены по времени, поэтому они имеют теоретически бесконечные по частоте энергетические спектры Полная мощность сигнала определяется площадью под графиком энергетического спектра:
(13)
Если радиолиния работает в занимаемой полосе частот то мощность внеполосных излучений за ее пределами:
(14)
определяет соответствующий уровень внеполосных излучений
дБ. (15)
Внеполосные излучения радиолинии, работающей на частоте являются специфической помехой для радиолиний [10], работающих на смежных частотах и (рис. 6). При этом различие в мощности сигналов указанных радиолиний может достигать 10…30 дБ.
Рис. 6. Структура пространственно-временной синхронизации радиолинии
Fig. 6. Structure of the radio line space-time synchronization
Основная мощность сигнала, обеспечивающая его опознание с заданной верностью, сосредоточена в необходимой полосе частот причем обычно (рис. 6). Мощность сигнала в необходимой полосе частот:
(16)
где – уровень внеполосных излучений за пределами необходимой полосы частот Понятие необходимой полосы частот связано с заменой исходного сигнала имеющего энергетический спектр и мощность на передаваемый сигнал с ограниченным по ширине энергетическим спектром и мощностью
(17)
Радиолиния тем лучше использует выделенную полосу частот радиоканала, чем меньше различие между ее необходимой и занимаемой полосами частот при заданном уровне внеполосных излучений
При проектировании радиолинии необходимо решать задачу согласования параметров группового сигнала с характеристиками радиоканала (частотным диапазоном, полосой пропускания канала занимаемой полосой частот и др.). Для решения указанной задачи в состав радиотракта включают преобразователь структуры группового сигнала и формирователь символов (ФС) радиосигнала, а в состав радиотракта БА – передатчик, содержащий модулятор (М), линейный усилитель и фильтр а также бортовое антенно-фидерное устройство В состав радиотракта НА входят распределенные в пространстве наземные антенно-фидерные устройства и приемники, содержащие фильтры линейные тракты усиления/преобразования частоты и демодулятор (ДМ), а в состав видеотракта НА – опознаватель символов (ОС) видеосигнала и преобразователь структуры радиосигнала. Структура пространственно-временной синхронизации радиолинии показана на рис. 7.
Рис. 7. Преобразование энергетического спектра синхросигнала
Fig. 7. Conversion of the energy spectrum of the sync signal
Опознаватель ОС осуществляет оценку символов принятого видеосигнала которые преобразуют затем с помощью преобразователя в двоичный цифровой сигнал Радиосигнал формируют в передатчике с помощью модулятора М, усилителя мощности и фильтра передатчика [8; 10]. Модулятор в соответствии со значениями символов видеосигнала изменяет предусмотренные выбранным модуляционным форматом параметры гармонической несущей, обеспечивая получение радиосигнала с энергетическим спектром и уровнем внеполосных излучений вне занимаемой полосы частот (рис. 7).
Усилитель мощности определяет значение полной мощности сформированного радиосигнала [10]. Для доведения уровня внеполосных излучений до требуемого значения в составе радиотракта бортовой аппаратуры используют фильтр с амплитудно-частотной характеристикой, удовлетворяющей следующим условиям [9]:
(18)
где – значение АЧХ в необходимой полосе частот (полосе пропускания фильтра); – значение АЧХ вне занимаемой полосы частот (в полосе подавления фильтра).
При этом требуемое значение коэффициента подавления фильтра вне занимаемой радиолинией полосы частот:
(19)
На выходе передатчика получают радиосигнал с энергетическим спектром мощностью в необходимой полосе частот и требуемым уровнем внеполосных излучений Сформированный радиосигнал передают через бортовое радиоканал и наземные на входы приемников (рис. 7).
Бортовое АФУ содержит изотропную антенну для обеспечения связи [7]. Наземные АФУ могут содержать как узконаправленные параболические (зеркальные), так и решетчатые антенны.
Кроме полезного радиосигнала на входы действуют помехи и шумы как внешние, так и внутренние.
Допустимо учесть, что в процессе организации функционирования радиоканалов передачи информации между беспилотными платформами и НА за счет организационных мероприятий возможно исключить индустриальные и непреднамеренные помехи от других радиоэлектронных средств, поэтому в дальнейшем будем рассматривать функционирование радиолинии в условиях нормального белого шума с двусторонней спектральной плотностью мощности:
(19)
где – постоянная Больцмана; – шумовая температура приемника, определяемая его линейным трактом.
Фильтры приемников осуществляют фильтрацию принимаемого радиосигнала в необходимой полосе частот и определяют мощность шума а также отношение сигнал/шум по мощности в необходимой полосе частот.
В линейном тракте приемника происходит усиление с коэффициентом принимаемого сигнала и перенос его спектра на промежуточную частоту [9]. Обычно АЧХ фильтров и одинаковы, поэтому суммарный сигнал на входе демодулятора ДМ имеет энергетический спектр (рис. 7), совпадающий по форме в необходимой полосе частот с энергетическим спектром сигнала на выходе модулятора.
Верность передаваемой по радиолинии информации зависит от алгоритмов работы радиотрактов беспилотных систем и НА и определяется при прочих равных условиях отношением сигнал/шум при принятии решения в опознавании символа синхропоследовательности [10].
Заключение
Представленное в статье обоснование необходимости повышения требований к перспективным системам синхронизации радиосигналов, функционирующих в составе беспилотных систем, позволили сформулировать постановку научной задачи, отличительной особенностью которой является учет возможности обеспечения требуемых ограничений к вероятности ошибки принимаемой синхропоследовательности за счет пространственно-временной синхронизации в процессе функционирования системы передачи данных в составе беспилотных систем, что в перспективе необходимо для синтеза новых алгоритмов адаптивной пространственно-временной синхронизации сигналов.
Sobre autores
Maxim Povasin
JSC «Corporation for Special Purpose Space Systems “Kometa”»
							Autor responsável pela correspondência
							Email: povasin@corpkometa.ru
				                					                																			                								
chief engineer
Research interests: radiophysics, radio wave propagation, and radio communication theory
Rússia, 5, Velozavodskaya Street, Moscow, 115068Vladimir Filatov
Bauman Moscow State Technical University
														Email: vfil10@mail.ru
				                					                	Código SPIN: 9514-7430
																		                								
Candidate of Technical Sciences, associate professor of the Department of Information Security
Research interests: radiophysics, radio wave propagation, and radio communication theory
Rússia, 5, 2nd Baumanskaya Street, Moscow, 105005Bibliografia
- S. Yi and Y. Wu, “Projection-based robust adaptive beamforming with quadratic constraint,” Signal Process., no. 2, pp. 65–74, 2017, doi: https://doi.org/10.1016/j.sigpro.2015.11.016.
 - S. E. Mishchenko et al., “Method of synthesizing a linear virtual antenna array with angular super-resolution of weak signals,” Antenny, no. 6, pp. 23–32, 2021, doi: https://doi.org/10.18127/j03209601-202106-03. (In Russ.)
 - H. Chen and E. H. W. Chan, “Photonics-based CW/pulsed microwave signal AOA measurement system,” J. Lightwave Technol., vol. 38, no. 8, pp. 2292–2298, 2020, doi: https://doi.org/10.1109/JLT.2020.2975229.
 - A. V. Popov, “Development of an optimality indicator for the state of a special-purpose communication network based on conflict theory,” Vestnik Povolzhskogo gosudarstvennogo tekhnologicheskogo universiteta. Ser.: Radiotekhnika i infokommunikatsionnye sistemy, no. 2 (58), pp. 53–63, 2023, doi: https://doi.org/10.25686/2306-2819.2023.2.53. (In Russ.)
 - D. S. Klyuev et al., “Occurrence of amplitude and phase fluctuations of radio signals in a turbulent atmosphere,” Physics of Wave Processes and Radio Systems, vol. 26, no. 1, pp. 28–37, 2023, doi: https://doi.org/10.18469/1810-3189.2023.26.1.28-37. (In Russ.)
 - A. A. Kostoglotov et al., “Analysis of the effectiveness of innovative solutions based on the combined maximum principle in problems of information processing and control,” Innovatika i ekspertiza: nauchnye trudy, no. 2 (15), pp. 38–51, 2015. (In Russ.)
 - A. Kostoglotov, S. Lazarenko, and I. Pugachev, “Synthesis of phase-locked loop systems under conditions of a disturbance based on the model of the combined maximum principle and the discrete invariant immersion method,” in Proc. 2021 Int. Conf. Ind. Eng., Appl. Manuf. (ICIEAM), pp. 503–508, 2021, doi: https://doi.org/10.1109/ICIEAM51226.2021.9446360.
 - X. J. Zhang et al., “Robust quasi-adaptive beamforming against direction-of-arrival mismatch,” IEEE Trans. Aerosp. Electron. Syst., vol. 54, no. 3, pp. 1197–1207, 2018, doi: https://doi.org/10.1109/TAES.2017.2776678.
 - B. Jabal et al., “Fast and robust variable-step-size LMS algorithm for adaptive beamforming,” IEEE Antennas Wirel. Propag. Lett., vol. 19, pp. 1206–1210, 2020, doi: https://doi.org/10.1109/LAWP.2020.2995244.
 - Y. Q. Liu et al., “Robust adaptive beamforming against random calibration error via interference matrix reconstruction,” Signal Process., vol. 158, pp. 107–115, 2019, doi: https://doi.org/10.1016/j.sigpro.2019.01.003.
 - S. N. Eliseev and L. N. Filimonova, “Impact of fast Rayleigh fading and frequency mismatch of subchannels on OFDM signal characteristics,” Physics of Wave Processes and Radio Systems, vol. 25, no. 2, pp. 67–72, 2022, doi: https://doi.org/10.18469/1810-3189.2022.25.2.67-72. (In Russ.)
 
Arquivos suplementares
				
			
						
						
						
						
					
				








