Development of a Linear Position-Sensitive Scintillation Neutron Detector Based on ZnS(AG):6Li and Silicon Photomultipliers
- Authors: Trunov D.N.1, Marin V.N.1,2, Sadykov R.A.3, Altynbaev E.V.1, Glushkova T.I.1
-
Affiliations:
- National Research Centre “Kurchatov Institute” — Petersburg Institute of Nuclear Research
- Institute of Nuclear Research of the Russian Academy of Sciences
- Институт ядерных исследований РАН
- Issue: No 8 (2024)
- Pages: 3-10
- Section: Articles
- URL: https://bakhtiniada.ru/1028-0960/article/view/274319
- DOI: https://doi.org/10.31857/S1028096024080012
- EDN: https://elibrary.ru/ELVOTL
- ID: 274319
Cite item
Full Text
Abstract
A linear position-sensitive neutron detector based on two silicon photomultiplier and an organic light guide has been developed. Determination of the coordinate of the neutron hitting the detector comes from analyzing the amplitude of the signal received from two silicon photomultipliers located at the ends of the light guide. The results of measurements using a collimated 252Cf source and two types of detectors based on silicon photomultipliers from SensL with a diffusion reflector and from Hamamatsu without and with a diffusion reflector are presented. Signals from silicon photomultipliers are recorded using an analog-to-digital converter. The neutron impact coordinates were analyzed using the amplitude characteristics of the photosignal. For a detector based on silicon photomultiplier from SensL, there was no obvious dependence of the signal amplitude on the coordinate of the neutron detection event, in contrast to detectors from Hamamatsu. The resolution of the detector coated with a diffusion reflector was about 10 mm, and without the diffusion reflector it was approximately 5 mm.
Full Text
ВВЕДЕНИЕ
В настоящее время в России существует несколько нейтронных исследовательских центров “ИБР-2” (ОИЯИ, Дубна) [1], “ИР-8” (НИЦ “Курчатовский институт”, Москва) [2], “ИН-06” (ИЯИ РАН, Троицк) [3] и другие). В рамках развития современных исследовательских установок для исследования материалов в разработке находятся исследовательский реактор “ПИК” (Гатчина) [4], импульсный нейтронный источник нейтронов “Омега” (Протвино) [5] и Проект DARIA [6]. Детекторы нейтронов являются одними из основных частей нейтронных исследовательских установок. В качестве детекторов обычно используют детекторы на основе гелий-3, детекторы с борным конвертором, сцинтилляционные и другие. Детекторы на основе гелий-3 обладают самой высокой эффективностью, но имеют высокую стоимость, связанную с ограниченной доступностью данного изотопа [7]. Детекторы с борным конвертором имеют низкую эффективность одного слоя (1–5% для нейтрона с длиной волны излучения 1.8 Å [8]), которая связана с максимально возможной толщиной конвертора (1–3 мкм) [8]. Увеличение эффективности детектора возможно несколькими методами: увеличение количества слоев, наклоном пластинок относительно траектории нейтрона, а также создания определенной морфологии поверхности конвертора [8].
Параллельно с этим во всем мире происходит активное развитие различных сцинтилляционных детекторов нейтронов [9, 10]. Принцип работы подобных детекторов основан на захвате нейтрона изотопами с высоким сечением захвата (6Li, 10B, Gd) и конвертации продуктов реакции в фотоны. Сцинтилляторы обладают простотой изготовления и высоким световыходом. Например, для состава соотношением ZnS(Ag) к 6LiF 1:2 при толщине сцинтиллятора 0.45 мм [11] световыход составляет 1.6 × 105 фотонов на нейтрон [12], гамма-чувствительность 10–6 [13], эффективность регистрации нейтронов ~42% (для нейтронов 1.9 Å). Время вспышки от события захвата нейтрона составляет около 300 нс, что позволяет использовать данные детекторы для проведения экспериментов на времяпролетных источниках нейтронов. Для увеличения сбора фотонов и увеличения площади детектора сцинтиллятор крепят к световоду. Световод транспортирует фотоны до детектора фотонов, в качестве которого в основном используют фотоэлектронный умножитель (ФЭУ). В качестве световода применяют спектросмещающие волокна (Wave-Length Shifter Fiber, WLSF) либо органический прозрачный световод (ОПС). Спектросмещающие волокна обладают низкой эффективностью конверсии (переизлучения) [14], но у них достаточно низкое затухание фотонов в объеме, что позволяет создавать большие детекторы (500 × 500 мм). Органический световод, в отличие от спектросмещающих волокон, захватывает весь свет, но за счет поглощения и переотражения происходит уменьшение количества передаваемых на детектор фотонов, что ограничивает максимальные размеры детектора (до 200 × 200 мм) [15].
Для регистрации фотонов в настоящее время все чаще вместо фотоэлектронного умножителя используют кремниевый фотоумножитель (SiPM) [16, 17]. Это связано с тем, что по параметрам регистрации фотонов они вплотную приблизились к фотоэлектронному умножителю, однако имеют компактные размеры (от 1 × 1 мм), низкое напряжение питания (не более 100 В) [17] и низкую стоимость. Основные недостатки кремниевого фотоумножителя — это тепловой шум, но он имеет достаточно низкий уровень (1–5 фотоэлектрон) и при достаточном большом количестве фотонов от сцинтиллятора он оказывает незначительное влияние, а также, в случае использования двух кремниевых фотоумножителей, от него можно избавиться, используя схему совпадения [18].
Существует несколько подходов для создания сцинтилляционного позиционно-чувствительного детектора (ПЧД). Первый метод основан на изготовлении массива спектросмещающих волокон, которые приклеены непосредственно к сцинтиллятору [19]. Координата попадания нейтрона в подобном типе детектора определяется как пересечение волокон, на которых зарегистрирован сигнал. Разрешение в этом случае зависит от размеров спектросмещающих волокон. Недостаток такого детектора в том, что требуется больше количество регистрирующих каналов для независимой обработки сигналов с каждого волокна. Эффективность детектора возможно увеличить, используя большее количество слоев, что в свою очередь увеличивает количество волокон, и требуемых регистрирующих каналов.
Еще один вариант изготовления ПЧД основан на регистрации нейтронов прозрачным сцинтиллятором (камера Ангера) и анализе амплитуд, получаемых с множества фотоприемников, расположенных в оптическом контакте со световодом [20]. За счет прозрачности сцинтиллятора, фотоны, получаемые при захвате нейтрона, распространяются во всех направлениях, и методом “взвешивания” сигналов с матрицы фотодетектора возможно восстановить координату события. Одним из частных случаев камеры Ангера является детектор, основанный на массиве кремниевых фотоумножителей [21], который приклеивают напрямую на непрозрачный сцинтиллятор. Определение координаты регистрации нейтрона основано на выявлении отдельного кремниевого фотоумножителя, который зарегистрировал фотоны. В подобных детекторах возможно достичь высокого пространственного разрешения (около 1 × 1 мм), но сложно добиться увеличения эффективности. Для прозрачного сцинтиллятора с увеличением толщины будет падать разрешение, а в случае использования непрозрачного сцинтиллятора невозможно добавить дополнительный слой сцинтиллятора. Также данные детекторы требуют большого количества регистрирующих каналов для независимой регистрации сигналов, получаемых с фотоприемников.
В качестве линейного позиционного детектора (Linear Position Sensitive Detector, LPSD) в настоящее время используют цилиндрический пропорциональный счетчик, основанный на трубках, наполненных гелием-3. Они обладают пространственным разрешением 3.5 мм при длине 600 мм [22], но требуют высокого давления газа 10–30 бар. Одним из недостатков данного детектора является высокая текучесть гелия и необходимость в высоком напряжении (2000 В).
Одним из вариантов замены подобного типа детектора, является детектор, основанный на сцинтилляторе и временном анализе распространения фотонов в органическом световоде [23]. В этом способе одновременно анализируют время прихода сигналов от кремниевого фотоумножителя. Время распространения фотонов в объеме световода зависит от расстояния, которое проходят фотоны до кремниевого фотоумножителя. Разрешение определяется разницей времени регистрации фотонов, которое составляет около 16 пс на 1 мм пройденного нейтроном пути [23]. В данном методе для регистрации сигналов требуется намного меньше регистрирующих каналов, чем в других, так как использовано всего два кремниевых фотоумножителя (для линейного позиционно-чувствительного детектора), но необходимо точно определять разницу во времени прихода сигналов в пределах нескольких пс, что в свою очередь требует достаточно быстрого аналого-цифрового преобразователя для анализа сигналов.
В настоящей работе стояла задача создать прототип недорогого сцинтилляционного одномерного ПЧД с простой электроникой, основанного на анализе амплитуды сигнала, и оценить параметры подобного типа детектора. Для исследования параметров были протестированы два типа кремниевых фотоумножителей с различным количеством ячеек. Также проведена оценка влияния типа покрытия световода на параметры детекторов.
СОЗДАНИЕ ДЕТЕКТОРА
В качестве прототипа для создания детектора использованы разработанные ранее детекторы [18, 24]. Габаритные размеры детектора 5 × 60 мм, размер сцинтиллятора 5 × 50 мм, количество слоев сцинтиллятора — 1. В качестве сцинтиллятора использован BC-704 с соотношением ZnS к 6LiF 1:2, толщиной 0.45 мм. Световод изготавливали из полиметилметакрилата (ПММА) со светопропусканием 92% (для излучения с длиной волны 400–800 нм). Для регистрации фотонов использовали кремниевые фотоумножители: SensL MicroSC/FC30035 и Hamamatsu s12572-015p.
Параметры кремниевых фотоумножителей фирмы SensL: количество ячеек 4774, квантовая эффективность 47%, коэффициент усиления 6 × 106. Параметры кремниевых фотоумножителей фирмы Hamamatsu: количество ячеек 40000, квантовая эффективность 25%, коэффициент усиления 2.30 × 105. Размер чувствительной области обоих кремниевых фотоумножителей 3 × 3 мм.
Кремниевые фотоумножители фирмы Hamamatsu имеют меньшую квантовую эффективность и меньший коэффициент усиления, но большее количество ячеек, что позволяет зарегистрировать большее количество фотонов без перегрузки фотоумножителя и получить более высокое разрешение при определении амплитуды.
Схема детектора показана на рис. 1. Для улучшения параметров сбора света по краям световода изготовлены сверхширокоугольные объективы с целенаправленно увеличенной дисторсией, которые заполнены клеем типа “оптический цемент” EJ-500 (в результате получаются линзы типа “рыбий глаз”). Сцинтиллятор также прикреплен к световоду клеем типа “оптический цемент”. В дальнейшем, после полного отвердевания клея, один образец детектора покрывали диффузионной отражающей лентой фторопласт-4, второй образец оставался без покрытия. Сделано это для того, чтобы изучить влияние покрытия на амплитуду сигналов в световоде. Для экранирования от внешнего света весь детектор покрывали термоусадочной непрозрачной черной трубкой с коэффициентом усадки 1:4. Внешний вид детектора показан на рис. 2.
Рис. 1. Схема детектора: 1 — кремниевый фотоумножитель; 2 — линза типа “рыбий глаз”, заполненная клеем; 3 — сцинтиллятор ZnS:LiF; 4 — клеевая прослойка.
Рис. 2. Внешний вид детектора.
ОПИСАНИЕ УСТАНОВКИ ДЛЯ ТЕСТИРОВАНИЯ
Для тестирования детектора была собрана схема, изображенная на рис. 3. В качестве источника нейтронов использовали 252Cf, после которого расположен замедлитель нейтронов толщиной 100 мм, заполненный тяжелой водой D2O. Детектор расположен на линейном трансляторе Zaber LHM100A-T3A с ходом 100 мм, которая перемещает детектор вдоль пучка. После замедлителя распложена комбинированная защита толщиной 5 см, состоящая из слоев кадмия и свинца со щелью размером 2 × 20 мм. Общая толщина кадмия около 2 см, свинца — 3 см. Расстояние источник нейтронов–детектор 30 см. Детектор расположен на расстоянии около 3 мм от щели. Дополнительно для защиты от рассеянного излучения детектор с системой перемещения закрыты со всех сторон свинцовыми кирпичами толщиной 30 мм, перед которыми располагали листы кадмия толщиной 2 мм. Сигналы, полученные с кремниевых фотоумножителей, попадают на предусилитель с временем интегрирования 1.5 мкс, сигналы с которого анализируются и сохраняются аналогово-цифровым преобразователем Caen DT5720.
Для автоматизации эксперимента была написана управляющая программа, которая сохраняла данные с преобразователя и после сбора необходимой статистики перемещала детектор с шагом 1 мм вдоль пластины сцинтиллятора до тех пор, пока не будет пройдена вся ее длина. Программа имеет функцию установки минимального и максимального порога для отсеивания теплового шума и записи сигнала, если произошло событие — регистрация одновременно с двух кремниевых фотоумножителей.
ТЕСТИРОВАНИЕ ДЕТЕКТОРА
Первым протестирован детектор на основе кремниевого фотоумножителя фирмы SensL с диффузным отражателем. Аналоговый сигнал снимали сразу после зарядово-чувствительного усилителя. Напряжение питания кремниевого фотоумножителя составило 33.1 В. На рис. 4 отображено отношение амплитуды сигнала, полученного от правого кремниевого фотоумножителя, к сигналу от левого. Из результатов измерений не удалось получить зависимость амплитуды от положения регистрации нейтрона. Можно предположить, что это связано с высоким количеством фотонов, доходящих до кремниевого фотоумножителя, которые вызывали его перегрузку.
Рис. 3. Схема установки для тестирования: 1 — кремниевый фотоумножитель; 2 — сцинтиллятор; 3 — световод; 4 — предусилитель; 5 — замедлитель D2O; 6 — комбинированная щель со створками из свинца и кадмия; 7 — аналого-цифровой преобразователь.
Рис. 4. Отношение средней амплитуды (пиковое значение) сигнала, полученного от правого кремниевого фотоумножителя Aпр, к сигналу от левого Aлев в точке за 1000 событий детектирования нейтронов: точки — экспериментальные данные, линия — аппроксимация.
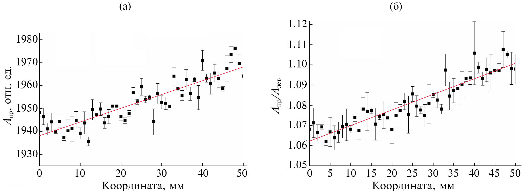
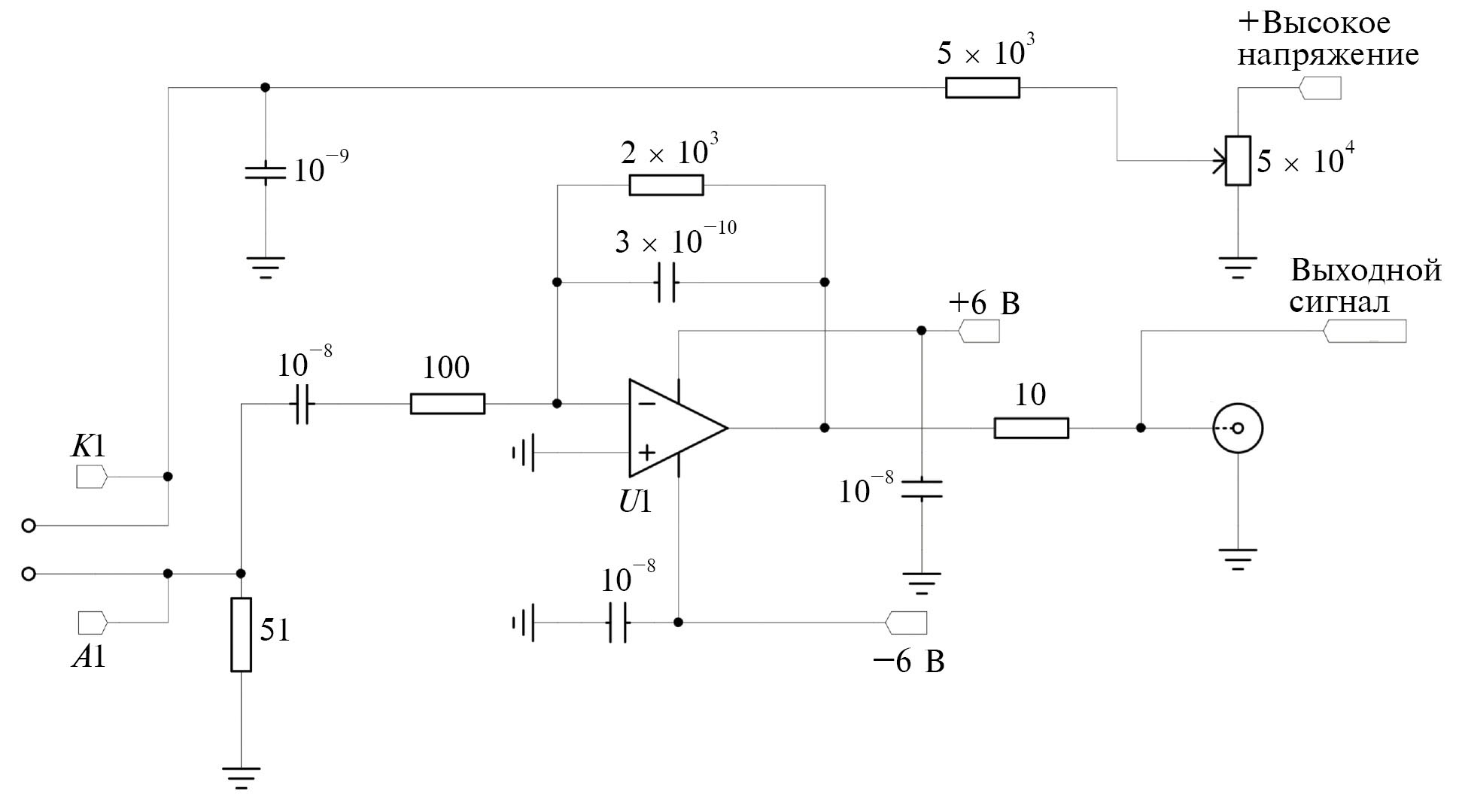
Для тестирования детектора на основе кремниевого фотоумножителя фирмы Hamamatsu необходимо было модифицировать предусилитель, т.к. параметры этого кремниевого фотоумножителя сильно отличаются от фотоумножителя фирмы SensL. В частности, первый имеет меньшее усиление и требует большего напряжения питания. Модифицированный предусилитель рассчитан на напряжение питания до 80 В и имеет больший коэффициент усиления. Схема модифицированного предусилителя показана на рис. 5. В первую очередь было проведено тестирование детектора с диффузным отражателем. Результаты измерения показаны на рис. 6. Амплитуду сигнала определяли, как среднюю амплитуду (пиковое значение) за 5000 измерений, выполненных при перемещении детектора вдоль щели с шагом 1 мм.
Рис. 5. Схема цепи предусилителя. Цифрами у каждого элемента даны сопротивление в Ом или емкость в Ф (для резисторов и конденсаторов соответственно).
Рис. 6. Результаты измерений с помощью детектора с диффузионным отражателем: а — средняя амплитуда сигнала от правого кремниевого фотоумножителя; б — отношение амплитуды сигнала, полученного от правого кремниевого фотоумножителя Aпр, к сигналу от левого Aлев: точки — экспериментальные данные, линия — аппроксимация.
Из результатов измерения видно, что форма затухания фотонов в световоде имеет линейный характер и можно проследить зависимость амплитуды от координаты регистрации нейтрона (положение щели относительно торцов детектора), которую можно описать линейной функцией (рис. 6а). В общем виде, затухание фотонов в объеме световода описывается законом Бугера–Ламберта–Бера:
, (1)
где I — интенсивность света, прошедшего слой вещества толщиной l; I0 — интенсивность света на входе в вещество; k — показатель поглощения, соответствующий длине волны излучения [25]. Из формулы следует, что затухание света в веществе происходит по экспоненциальному закону и не учитывает отражения от стенок световода. Линейная форма зависимости, полученной из экспериментальных данных, позволяет сделать вывод, что на данной длине световода затухание фотонов происходит слабо, и позволяет предположить, что возможно увеличить длину детектора без сильной потери интенсивности. На рис. 6б показано отношение амплитуд кремниевых фотоумножителей.
Оценку разрешения детектора основывали на расчете абсолютной ошибки определения амплитуды сигнала и расчета ошибки определения координаты регистрации нейтрона от аппроксимирующей кривой для каждой точки по длине детектора. Среднее значение этой величины во всем диапазоне считали оценкой разрешения детектора. Пространственное разрешение изученного детектора с диффузионным отражателем составляет примерно 10 мм.
Также были проведены измерения детектора без диффузионного отражателя. Результаты измерения показаны на рис. 7. По результатам измерения видно, что такой детектор имеет большее затухание сигнала, и форма затухания сигнала приближается к экспоненциальной, однако имеет линейный характер вблизи правого кремниевого фотоумножителя. За счет большего затухания данный детектор имеет лучшее разрешение (примерно 5 мм).
Рис. 7. Результаты измерений с помощью детектора без диффузионного отражателя: а — средняя амплитуда сигнала от правого кремниевого фотоумножителя; б — отношение амплитуды сигнала, полученного от правого кремниевого фотоумножителя Aпр, к сигналу от левого Aлев: точки — экспериментальные данные, линия — аппроксимация.
ВЫВОДЫ
Из проведенных измерений можно сделать вывод, что возможно получать координату нейтрона на подобном типе детекторов, основанных на анализе амплитудной характеристики с двух кремниевых фотоумножителей, что в свою очередь позволяет создавать дешевые линейные ПЧД. Подобные ПЧД не позволяют получить высокое пространственное разрешение, но позволяют получать дополнительную информацию при проведении нейтронных экспериментов, например, информацию о текстуре образца.
Возможность получения координаты нейтрона в первую очередь зависит амплитудного разрешения кремниевого фотоумножителя и затухания фотонов в объеме световода. Пространственное разрешение детектора в нашем случае ограничено шириной детектора (5 мм) и сильно зависит от типа отражающей поверхности световода. Это позволяет сделать вывод, что подбором материалов, типа покрытия и геометрических размеров световода позволит варьировать параметры подобных детекторов. Минимальная возможная толщина световода в подобного типа детекторов ограничена размерами кремниевого фотоумножителя (1 мм) и является одним из ограничений пространственного разрешения детектора.
ФИНАНСИРОВАНИЕ РАБОТЫ
Результаты получены при финансовой поддержке Министерства науки и высшего образования РФ (соглашение № 075-10-2021-115 от 13 октября 2021 г., внутренний номер 15.СИН.21.0021).
КОНФЛИКТ ИНТЕРЕСОВ
Авторы заявляют, что у них нет конфликта интересов.
About the authors
D. N. Trunov
National Research Centre “Kurchatov Institute” — Petersburg Institute of Nuclear Research
Author for correspondence.
Email: dtrunov@inr.ru
Russian Federation, Gatchina, 188300
V. N. Marin
National Research Centre “Kurchatov Institute” — Petersburg Institute of Nuclear Research; Institute of Nuclear Research of the Russian Academy of Sciences
Email: dtrunov@inr.ru
Russian Federation, Gatchina, 188300; Troitsk, 108840
R. A. Sadykov
Институт ядерных исследований РАН
Email: dtrunov@inr.ru
Russian Federation, Troitsk, 108840
E. V. Altynbaev
National Research Centre “Kurchatov Institute” — Petersburg Institute of Nuclear Research
Email: dtrunov@inr.ru
Russian Federation, Gatchina, 188300
T. I. Glushkova
National Research Centre “Kurchatov Institute” — Petersburg Institute of Nuclear Research
Email: dtrunov@inr.ru
Russian Federation, Gatchina, 188300
References
- Аксенов В.Л., Балагуров А.М., Козленко Д.П. // Физика элементарных частиц и атомного ядра. 2016. Т. 47. № 4. С. 1154.
- Ковальчук М.В., Ильгисонис В.И., Штромбах Я.И., Курский А.С., Андреев Д.В. // Вопросы атомной науки и техники. Серия: Физика ядерных реакторов. 2017. № 3. С. 4.
- Сидоркин С.Ф., Коптелов Э.А. Нейтронный комплекс ИЯИ РАН: импульсный источник нейтронов: идеология, история создания, возможности развития. Препринт № 1280/2011. Москва: ИЯИ РАН, 2011. 35 с. ISBN978-5-94274-154-9
- Ковальчук М.В., Смольский С.Л., Коноплев К.А. // Кристаллография. 2021. Т. 2. С. 184. https://www.doi.org/10.31857/S0023476121020053
- Ковальчук М.В., Тюрин Н.Е., Иванов С.В., Солдатов А.П. // Кристаллография. 2022. Т. 5. С. 795. https://www.doi.org/10.31857/S0023476122050101
- Кулевой Т.В. Компактный источник нейтронов DARIA. // Лазерные, плазменные исследования и технологии: Сборник научных трудов IX Международной конференции, Москва: Национальный исследовательский ядерный университет “МИФИ”, 2023. С. 276.
- Shea D., Morgan D. The Helium-3 Shortage: Supply, Demand, and Options for Congress // Report for Congressional Research Service. 2010. https://sgp.fas.org/crs/misc/R41419.pdf
- Кащук А.П., Левицкая О.В. // Журнал технической физики. 2020. Т. 90. № 5. С. 703. https://www.doi.org/10.21883/JTF.2020.05.49168.85-19
- Rhodes N. // Neutron News. 2006. V. 17. № 1. P. 16. https://www.doi.org/17.16-18.00.1080/ 10448630500517597
- Cieślak M.J., Gamage K.A.A., Glover R. // Crystals. 2019. V. 9. № 9. P. 480. https://www.doi.org/10.3390/cryst9090480
- Gnezdilov I.I., Dedenko G.L., Ibragimov R.F., Idalov V.A., Kadilin V.V., Kaplun A.A., Klemetiev A.V., Mukhin V.I., Taraskin A.A., Turin E.M., Zaripov R.N. // Physics Procedia. 2015. V. 74. P. 199. https://www.doi.org/10.1016/j.phpro.2015.09.192
- Бушама Л., Громушкин Д.М., Дмитриева А.Н. // Ученые записки физического факультета Московского университета. 2018. № 4. С. 1840202.
- Pino F., Stevanato L., Cester D., Nebbia G. // J. Instrumentation. 2015. V. 10. https://www.doi.org/10.1088/1748-0221/10/08/T08005
- Saint-Gobain Bicron fiber (2023) France. https://ethz.ch/content/dam/ethz/special-interest/phys/particle-physics/precisionphysicsatlowenergy-dam/TeachingContent/ASL/bicronfiber.pdf Cited 25 September 2023.
- Трунов Д.Н., Марин В.Н., Садыков Р.А., Алтынбаев Е.В., Глушкова Т.И. // Поверхность. Рентген., синхротрон. и нейтрон. исслед. 2023. № 4. С. 71. https://www.doi.org/10.31857/S1028096023040209
- Cates J.W., Steele J., Balajthy J., Negut V., Hausladen P., Ziock K. // Sensors. 2022. V. 22. P. 3553. https://www.doi.org/10.3390/s22093553
- SIPM vs PMT (2021) The University of Chicago, USA. https://voices.uchicago.edu/ucflow/2021/11/22/sipm-vs-pmt-a-photon-finish/ Cited 13 June 2023
- Марин В.Н., Садыков Р.А., Трунов Д.Н., Литвин В.С., Аксенов С.Н., Столяров А.А. // Письма в Журнал технической физики. 2015. Т. 41. № 18. С. 96.
- Nakamura T., Toh K., Kawasaki T., Ebine M., Birumachi A., Sakasai K., Soyama K. // Nucl. Instrum. Methods Phys. Res. A. 2015. V. 784. P. 202. https://www.doi.org/10.1016/j.nima.2014.12.035
- Morozov A., Sena M.J., Margato L., Roulier D., Solovov, V. // J. Instrumentation. 2019. V. 14. № 3. https://www.doi.org/10.48550/arXiv.1902.04513
- Abreu Y., Amhis Y., Ban G., Beaumont W., Binet S., Bongrand M., Boursette D., Castle B.C., Chanal H., Clark K., Coupé B., Crochet P., Cussans D., de Roeck A., Durand D., Fallot M., Ghys L., Giot L., Graves K., Guillon B., Henaff D., Hosseini B., Ihantola S., Jenzer S., Kalcheva S. et al // J. Instrumentation.2019. V. 14. № 11. P. 11003. https://www.doi.org/10.1088/1748-0221/14/11/P11003
- Кащук А.П., Левицкая О.В. // Журнал технической физики. 2020. Т. 90. № 4. С. 519. https://www.doi.org/10.21883/JTF.2020.04.49074.84-19
- Tian Y., Fu Y., Li Y., Li Y., Development of a 3-D Position Sensitive Neutron Detector Based on Organic Scintillators with Double Side SiPM Readout. // IEEE Nuclear Science Symposium and Medical Imaging Conference (NSS/MIC). 2017. P. 1. https://www.doi.org/10.1109/NSSMIC.2017.8532612
- Марин В.Н., Садыков Р.А., Трунов Д.Н. Литвин В.С., Аксенов С.Н. // Приборы и техника эксперимента. 2018. № 1. С. 5. https://www.doi.org/10.7868/S003281621801007X
- Иванов Д.Ю., Васильева Л.И. Дисперсия, поглощение света и молекулярная рефракция: учебное пособие. / Ред. Федоров Д.Л. Санкт-Петербург: БГТУ “Военмех” им. Д.Ф. Устинова, 2018. 24 с.
Supplementary files









