ОПТИМИЗАЦИЯ ПРОЦЕССОВ ЗАТУХАНИЯ ПОПЕРЕЧНЫХ ДВИЖЕНИЙ ПРИЦЕПА, СЛЕДУЮЩЕГО ЗА ТЯГАЧОМ
- Авторы: Смирнов А.С.1,2, Муравьев А.С.3
-
Учреждения:
- Санкт-Петербургский политехнический университет Петра Великого
- Институт проблем машиноведения Российской академии наук
- АО “Газпром оргэнергогаз”
- Выпуск: № 4 (2023)
- Страницы: 138-151
- Раздел: Статьи
- URL: https://bakhtiniada.ru/1026-3519/article/view/137539
- DOI: https://doi.org/10.31857/S0572329922600244
- EDN: https://elibrary.ru/QVZVKO
- ID: 137539
Цитировать
Полный текст
Аннотация
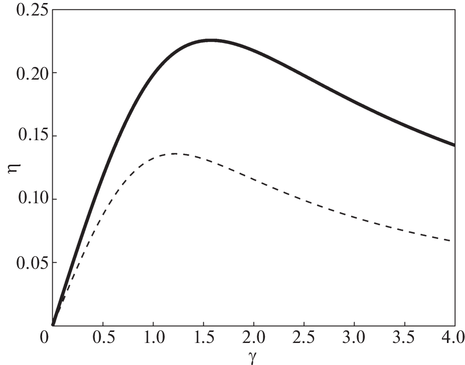
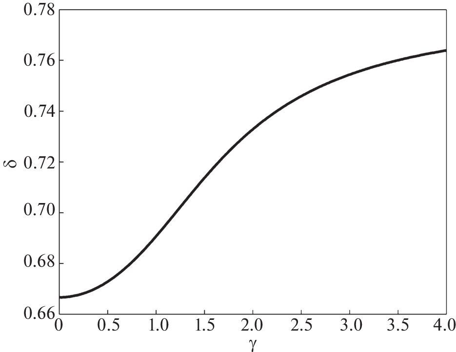
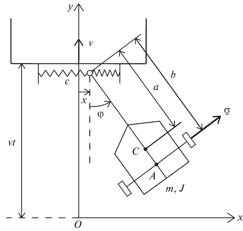
В работе рассматриваются вопросы оптимизации процессов затухания поперечных движений прицепа, который присоединен к движущемуся с постоянной скоростью тягачу при помощи шарнира и с учетом податливого сцепления. В качестве критерия оптимизации, характеризующего эффективность этого затухания, принимается максимизация степени устойчивости системы. При этом в качестве оптимизируемого параметра выступает расстояние от центра масс прицепа до точки его сцепления с тягачом. Производится подробное аналитическое решение задачи, в ходе которого определяется оптимальная кривая на плоскости безразмерных параметров, состоящая из нескольких участков и расположенная в области устойчивости движения. Приводятся наглядные графические иллюстрации, поясняющие смысл найденного решения и его основные особенности. Кроме того, осуществляется сопоставление полученных результатов с вариантом расположения центра масс прицепа ровно посередине между точкой его сцепления с тягачом и осью колесной пары и дается оценка эффективности полученного оптимального решения. Сделанные в работе выводы представляют не только теоретический интерес, но могут найти и определенное практическое применение.
Об авторах
А. С. Смирнов
Санкт-Петербургский политехнический университет Петра Великого; Институт проблем машиноведения Российской академии наук
Email: smirnov.alexey.1994@gmail.com
Россия, Санкт-Петербург; Россия, Санкт-Петербург
А. С. Муравьев
АО “Газпром оргэнергогаз”
Автор, ответственный за переписку.
Email: Muravyoff97@mail.ru
Россия, Санкт-Петербург
Список литературы
- Рокар И. Неустойчивость в механике. М.: изд-во иностранной литературы, 1959. 287 с. Rokard Y. L’instabilité en mècanique. Automobiles. Avions. Ponts suspendus. Paris, Masson, 1954.
- Закин Я.Х. Прикладная теория движения автопоезда. М.: Транспорт, 1967. 255 с.
- Nastasoiu M., Ispas N. Comparative analysis into the tractor-trailer braking dynamics: tractor with single axle brakes, tractor with all wheel brakes // Cent. Eur. J. Eng. 2014. V. 4 (2). P. 142–147. https://doi.org/10.2478/s13531-013-0155-0
- Astolfi A., Bolzern P., Locatelli A. Path-Tracking of a Tractor-Trailer Vehicle Along Rectilinear and Circular Paths: A Lyapunov-Based Approach // IEEE Trans. Rob. Autom. 2004. V. 20. № 1. P. 154–160. https://doi.org/10.1109/TRA.2003.820928
- Lin J.J.-C., Yang C.-E., Hung W.-H., Kang S.-C. Accessibility evaluation system for site layout planning – a tractor trailer example // Vis. Eng. 2013. V. 1 (1). P. 12. https://doi.org/10.1186/2213-7459-1-12
- Rouchon P., Fliess M., Levine J., Martin P. Flatness and motion planning: The car with n trailers // Proc. European Control Conf., Groningen, The Netherlands, 1993. IEEE, 1993. P. 1518–1522.
- Tanaka K., Kosaki T. Design of a stable fuzzy controller for an articulated vehicle // IEEE Trans. Syst. Man. Cybern. Part B. 1997. V. 27. № 3. P. 552–558. https://doi.org/10.1109/3477.584963
- Смирнов А.С., Смольников Б.А., Леонтьев В.А. Принципы неголономной механики в управлении движением группы транспортных роботов // Научно-технические ведомости СПбПУ. Информатика. Телекоммуникации. Управление. 2017. № 3. С. 83–91. https://doi.org/10.18721/JCSTCS.10307
- Циглер Г. Основы теории устойчивости конструкций. М.: Мир, 1971. 192 с. Ziegler H. Principles of Structural Stability. Waltham, Massachusetts, Toronto, London: Blaisdell Publishing Company, 1968.
- Муравьев А.С., Смирнов А.С. Динамика и устойчивость движения тягача с прицепом // Неделя науки СПбПУ. Материалы научной конференции с международным участием. 18–23 ноября 2019 года, Санкт-Петербург. СПб.: Политех Пресс, 2019. С. 92–95.
- Муравьев А.С., Смирнов А.С. Устойчивость движения тягача с прицепом с учетом сил сопротивления // Труды семинара “Компьютерные методы в механике сплошной среды” 2020–2021. СПб.: Наука, 2021. С. 29–40.
- Меркин Д.Р., Смольников Б.А. Прикладные задачи динамики твердого тела. СПб.: СПбГУ, 2003. 534 с.
- Маркеев А.П. Теоретическая механика. М., Ижевск: Регулярная и хаотическая динамика, 2007. 591 с.
- Андронов А.А., Витт А.А., Хайкин С.Э. Теория колебаний. Изд. 2-е. М.: Физматгиз, 1959. 918 с.
- Блехман И.И., Мышкис А.Д., Пановко Я.Г. Механика и прикладная математика. Логика и особенности приложений математики. М.: Наука, 1983. 328 с.
- Пановко Я.Г., Губанова И.И. Устойчивость и колебания упругих систем. М.: Наука, 1987. 352 с.
- Трегубов В.П. Системы с нецелым числом степеней свободы // Вiсник Харкiвського нацiонального унiверситету iменi В.Н. Каразiна. Серiя “Математика, прикладна математика i механiка”. 2009. № 850. С. 83–90.
- Смирнов А.С., Муравьев А.С. Оптимизация демпфирования колебаний в системах с нецелым числом степеней свободы // Вестн. СПбГУ. Мат. Мех. Астрон. 2022. Т. 9 (67). № 1. С. 164–175. https://doi.org/10.21638/spbu01.2022.116
- Теория автоматического управления. Ч. 1. Теория линейных систем автоматического регулирования / Под ред. А.А. Воронова. Изд. 2-е, перераб. и доп. М.: Высшая школа, 1986. 367 с.
- Меркин Д.Р., Бауэр С.М., Смольников Б.А., Смирнов А.Л. Теория устойчивости в примерах и задачах. М., Ижевск: Регулярная и хаотическая динамка, 2007. 208 с.
- Болотник Н.Н. Оптимизация амортизационных систем. М.: Наука, 1983. 256 с.
- Смольников Б.А. Проблемы механики и оптимизации роботов. М.: Наука, 1991. 232 с.
- Муравьев А.С., Смирнов А.С. Оптимизация демпфирования колебаний маятника с упруго-подвижной точкой подвеса // IX Поляховские чтения. Материалы международной научной конференции по механике. СПб.: Издательство ВВМ, 2021. С. 115–117.
- Нагаев Р.Ф., Степанов А.В. Об оптимизации коэффициента затухания свободных колебаний двухмассовой системы // Изв. АН СССР. МТТ. 1979. № 4. С. 24–28.
- Мирер С.А., Прилепский И.В. Оптимальные параметры гравитационной системы спутник–стабилизатор // Космические исследования. 2010. № 48 (2). С. 198–208.
- Леонтьев В.А., Смирнов А.С., Смольников Б.А. Оптимальное демпфирование колебаний двухзвенного манипулятора // Робототехника и техническая кибернетика. 2018. № 2 (19). С. 52–59.
- Кумакшев С.А. Активное гашение колебаний несущих конструкций перемещением внутренней массы // Устойчивость и колебания нелинейных систем управления (конференция Пятницкого). Материалы XV Международной научной конференции / Под общ. ред. В.Н. Тхай. М.: ИПУ РАН, 2020. С. 250–252.
- Бесекерский В.А., Попов Е.П. Теория систем автоматического регулирования. М.: Наука, 1972. 768 с.
Дополнительные файлы








