Development of Next-Generation Spherical Tokamak Concept. The Globus-3 Tokamak
- Authors: Minaev V.B.1, Mineev A.B.2, Sakharov N.V.1, Petrov Y.V.1, Bakharev N.N.1, Bondarchuk E.N.2, Bondar A.V.2, Varfolomeev V.I.1, Voronova A.A.2, Gusev V.K.1, D’yachenko V.V.1, Kavin A.A.2, Kedrov I.V.2, Konin A.Y.2, Kudryavtseva A.M.2, Kurskiev G.S.1, Labusov A.N.2, Miroshnikov I.V.1, Rodin I.Y.2, Tanchuk V.N.2, Trofimov V.A.2, Filatov O.G.2, Shchegolev P.B.1
-
Affiliations:
- Ioffe Institute, Russian Academy of Sciences
- JSC “Efremov Scientific Research Institute of Electrophysical Apparatus”(NIIEFA)
- Issue: Vol 49, No 12 (2023)
- Pages: 1375-1384
- Section: TOKAMAKS
- URL: https://bakhtiniada.ru/0367-2921/article/view/233152
- DOI: https://doi.org/10.31857/S0367292123600851
- EDN: https://elibrary.ru/CGJWHV
- ID: 233152
Cite item
Full Text
Abstract
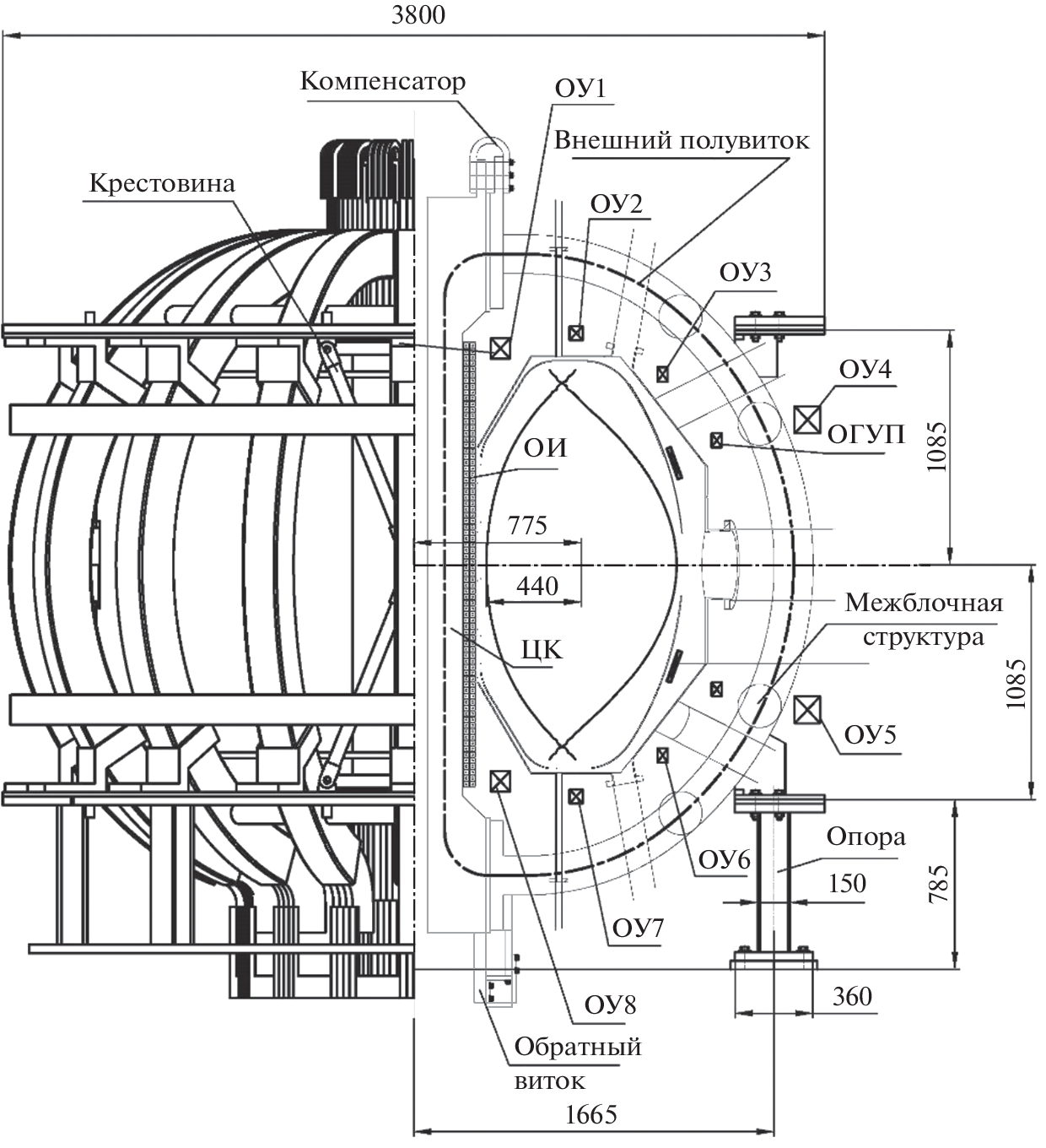
The concept of next-generation spherical tokamak is being considered: the Globus-3 project,
which, in its characteristics, is compatible with the infrastructure existing at the Ioffe Institute, but differs
from the currently operating Globus-M2 tokamak in the stronger toroidal magnetic field (1.5–3.0 T) and
increased duration of plasma discharge. The parametric analysis data are presented that determined the preliminary
selection of the facility parameters. Three options for the electromagnetic system were considered:
with the warm copper coils, with the pre-cooled copper coils and with the coils made of high-temperature
superconductors. For the first option, the concept for designing the electromagnetic system and vacuum vessel
of the facility has been developed. The basic shot scenario with duration of up to 3 s at the field of 1.5 T
and plasma current of 0.8 MA is presented.
About the authors
V. B. Minaev
Ioffe Institute, Russian Academy of Sciences
Email: Vladimir.Minaev@mail.ioffe.ru
Saint Petersburg, 194021 Russia
A. B. Mineev
JSC “Efremov Scientific Research Institute of Electrophysical Apparatus”(NIIEFA)
Email: Vladimir.Minaev@mail.ioffe.ru
Saint Petersburg, 196641 Russia
N. V. Sakharov
Ioffe Institute, Russian Academy of Sciences
Email: Vladimir.Minaev@mail.ioffe.ru
Saint Petersburg, 194021 Russia
Yu. V. Petrov
Ioffe Institute, Russian Academy of Sciences
Email: Vladimir.Minaev@mail.ioffe.ru
Saint Petersburg, 194021 Russia
N. N. Bakharev
Ioffe Institute, Russian Academy of Sciences
Email: Vladimir.Minaev@mail.ioffe.ru
Saint Petersburg, 194021 Russia
E. N. Bondarchuk
JSC “Efremov Scientific Research Institute of Electrophysical Apparatus”(NIIEFA)
Email: Vladimir.Minaev@mail.ioffe.ru
Saint Petersburg, 196641 Russia
A. V. Bondar
JSC “Efremov Scientific Research Institute of Electrophysical Apparatus”(NIIEFA)
Email: Vladimir.Minaev@mail.ioffe.ru
Saint Petersburg, 196641 Russia
V. I. Varfolomeev
Ioffe Institute, Russian Academy of Sciences
Email: Vladimir.Minaev@mail.ioffe.ru
Saint Petersburg, 194021 Russia
A. A. Voronova
JSC “Efremov Scientific Research Institute of Electrophysical Apparatus”(NIIEFA)
Email: Vladimir.Minaev@mail.ioffe.ru
Saint Petersburg, 196641 Russia
V. K. Gusev
Ioffe Institute, Russian Academy of Sciences
Email: Vladimir.Minaev@mail.ioffe.ru
Saint Petersburg, 194021 Russia
V. V. D’yachenko
Ioffe Institute, Russian Academy of Sciences
Email: Vladimir.Minaev@mail.ioffe.ru
Saint Petersburg, 194021 Russia
A. A. Kavin
JSC “Efremov Scientific Research Institute of Electrophysical Apparatus”(NIIEFA)
Email: Vladimir.Minaev@mail.ioffe.ru
Saint Petersburg, 194021 Russia
I. V. Kedrov
JSC “Efremov Scientific Research Institute of Electrophysical Apparatus”(NIIEFA)
Email: Vladimir.Minaev@mail.ioffe.ru
Saint Petersburg, 196641 Russia
A. Yu. Konin
JSC “Efremov Scientific Research Institute of Electrophysical Apparatus”(NIIEFA)
Email: Vladimir.Minaev@mail.ioffe.ru
Saint Petersburg, 196641 Russia
A. M. Kudryavtseva
JSC “Efremov Scientific Research Institute of Electrophysical Apparatus”(NIIEFA)
Email: Vladimir.Minaev@mail.ioffe.ru
Saint Petersburg, 196641 Russia
G. S. Kurskiev
Ioffe Institute, Russian Academy of Sciences
Email: Vladimir.Minaev@mail.ioffe.ru
Saint Petersburg, 194021 Russia
A. N. Labusov
JSC “Efremov Scientific Research Institute of Electrophysical Apparatus”(NIIEFA)
Email: Vladimir.Minaev@mail.ioffe.ru
Saint Petersburg, 196641 Russia
I. V. Miroshnikov
Ioffe Institute, Russian Academy of Sciences
Email: Vladimir.Minaev@mail.ioffe.ru
Saint Petersburg, 194021 Russia
I. Yu. Rodin
JSC “Efremov Scientific Research Institute of Electrophysical Apparatus”(NIIEFA)
Email: Vladimir.Minaev@mail.ioffe.ru
Saint Petersburg, 196641 Russia
V. N. Tanchuk
JSC “Efremov Scientific Research Institute of Electrophysical Apparatus”(NIIEFA)
Email: Vladimir.Minaev@mail.ioffe.ru
Saint Petersburg, 196641 Russia
V. A. Trofimov
JSC “Efremov Scientific Research Institute of Electrophysical Apparatus”(NIIEFA)
Email: Vladimir.Minaev@mail.ioffe.ru
Saint Petersburg, 196641 Russia
O. G. Filatov
JSC “Efremov Scientific Research Institute of Electrophysical Apparatus”(NIIEFA)
Email: Vladimir.Minaev@mail.ioffe.ru
Saint Petersburg, 196641 Russia
P. B. Shchegolev
Ioffe Institute, Russian Academy of Sciences
Author for correspondence.
Email: Vladimir.Minaev@mail.ioffe.ru
Saint Petersburg, 194021 Russia
References
- Valovic M., Akers R., Cunningham G., Garzotti L., Lloyd B., Muir D., Patel A., Taylor D., Turnyanskiy M., Walsh M. and the MAST team // Nucl. Fusion. 2009. V. 49. P. 075016. https://doi.org/10.1088/0029-5515/49/7/075016
- Kaye S.M., Bell M.G., Bell R.E., Fredrickson E.D., LeBlanc B.P., LeeK.C., Lynch S., Sabbagh S.A. // Nucl. Fusion. 2006. V. 46. P. 848.https://doi.org/10.1088/0029-5515/46/10/002
- Kurskiev G.S., Bakharev N.N., Bulanin V.V., Cherny-shev F.V., Gusev V.K., Khromov N.A., Kiselev E.O., Minaev V.B., Miroshnikov I.V., Mukhin E.E., Patrov M.I., Petrov A.V., Petrov Yu.V., Sakharov N.V., Shchegolev P.B., Sladkomedova A.D., Solokha V.V., Telnova A.Yu., Tolstyakov S.Yu., Tokarev V.A., Yashin A.Yu. // Nucl. Fusion. 2019. V. 59. P. 066032. https://doi.org/10.1088/1741-4326/ab15c5
- Minaev V.B., Gusev V.K., Sakharov N.V., Varfolomeev V.I., Bakharev N.N., Belyakov V.A., Bondarchuk E.N., Brunkov P.N., Chernyshev F.V., Davydenko V.I., Dyachen-ko V.V., Kavin A.A., Khitrov S.A., Khromov N.A., Kise-lev E.O., Konovalov A.N., Kornev V.A., Kurskiev G.S., Labusov A.N., Melnik A.D., Mineev A.B., Mironov M.I., Miroshnikov I.V., Patrov M.I., Petrov Yu.V., Rozhan-sky V.A., Saveliev A.N., Senichenkov I.Yu., Shchego-lev P.B., Shcherbinin O.N., Shikhovtsev I.V., Sladkomedova A.D., Solokha V.V., Tanchuk V.N., Telnova A.Yu., Tokarev V.A., Tolstyakov S.Yu., Zhilin E.G. // Nucl. Fusion. 2017. V. 57. P. 066047. https://doi.org/10.1088/1741-4326/aa69e0
- Минеев А.Б., Бондарчук Э.Н., Кавин А.А., Конин А.Ю., Родин И.Ю., Танчук В.Н., Филатов О.Г., Бахарев Н.Н., Жильцов Н.С., Курскиев Г.С., Киселев Е.О., Мина-ев В.Б., Сахаров Н В., Петров Ю.В., Тельнова А.Ю. // ВАНТ. Сер.: Термоядерный синтез. 2021. Т. 44. С. 37. https://doi.org/10.21517/0202-3822-2021-44-3-37-51
- Минеев А.Б., Бондарчук Э.Н., Кавин А.А., Конин А.Ю., Родин И.Ю., Танчук В.Н., Трофимов В.А., Фила-тов О.Г., Бахарев Н.Н., Жильцов Н.С., Курскиев Г.С., Киселев Е.О., Минаев В.Б., Сахаров Н.В., Пет-ров Ю.В., Тельнова А.Ю. // ВАНТ. Сер.: Термоядерный синтез. 2021. Т. 44. С. 43. https://doi.org/10.21517/0202-3822-2021-44-4-43-53
- Минеев А.Б., Минаев В.Б., Сахаров Н.В., Бахарев Н.Н., Бондарчук Э.Н., Воронова А.А., Глушаев А.М., Григорьев С.А., Гусев В.К., Жильцов Н.С., Запретилина Е.Р., Кавин А.А., Киселев Е.О., Конин А.Ю., Кудрявце-ва А.М., Курскиев Г.С., Лабусов А.Н., Петров Ю.В., Родин И.Ю., Танчук В.Н., Тельнова А.Ю., Трофи-мов В.А., Филатов О.Г. // ВАНТ. Сер.: Термоядерный синтез. 2022. Т. 45. С. 15. https://doi.org/10.21517/0202-3822-2022-45-2-15-36
- Kurskiev G.S., Miroshnikov I.V., Sakharov N.V., Gu-sev V.K., Petrov Yu.V., Minaev V.B., Balachenkov I.M., Bakharev N.N., Chernyshev F.V., Goryainov V.Yu., Ka-vin A.A., Khromov N.A., Kiselev E.O., Krikunov S.V., Lobanov K.M., Melnik A.D., Novokhatskii A.N., Filippov S.V., Zhiltsov N.S., Mineev A.B., Mukhin E.E, Pat-rov M.I., Petrov A.V., Ponomarenko A.M., Solokha V.V., Shulyatiev K.D., Shchegolev P.B., Skrekel O.M., Telno-va A.Yu., Tkachenko E.E, Tukhmeneva E.A., Toka-rev V.A., Tolstyakov S.Yu., Varfolomeev V.I., Voro-nin A.V., Yashin A.Yu., Solovey V.A., Zhilin E.G. // Nu-clear Fusion. 2022. V. 62. P. 104002.https://doi.org/10.1088/1741-4326/ac881d
- Курскиев Г.С., Сахаров Н.В., Гусев В.К., Минаев В.Б., Мирошников И.В., Петров Ю.В., Тельнова А.Ю., Бахарев Н.Н., Киселев Е.О., Жильцов Н.С., Щеголев П.Б., Балаченков И.М., Варфоломеев В.И., Воронин А.В., Горяинов В.Ю., Дьяченко В.В., Жилин Е.Г., Ильясо-ва М.В., Кавин А.А., Коновалов А.Н., Крикунов С.В., Лобанов К.М., Мельник А.Д., Минеев А.Б., Новохацкий А.Н., Патров М.И., Петров А.В., Пономарен-ко А.М., Скрекель О.М., Соловей В.А., Солоха В.В., Ткаченко Е.Е., Токарев В.А., Толстяков С.Ю., Тюхменева Е.А., Хилькевич Е.М., Хромов Н.А., Черны-шев Ф.В., Шевелев А.Е., Шулятьев К.Д., Яшин А.Ю. // Физика плазмы. 2023. Т. 49. С. 305. https://doi.org/10.31857/S0367292122601497
- Kurskiev G.S., Gusev V.K., Sakharov N.V., Petrov Yu.V., Bakharev N.N., Balachenkov I.M., Bazhenov A.N., Chernyshev F.V., Khromov N.A., Kiselev E.O., Kriku-nov S.V., Minaev V.B., Miroshnikov I.V., Novokhat-skii A.N., Zhiltsov N.S., Mukhin E.E., Patrov M.I., Shulyatiev K.D., Shchegolev P.B., Skrekel O.M., Telno-va A.Yu., Tkachenko E.E., Tukhmeneva E.A., Toka-rev V.A., Tolstyakov S.Yu., Varfolomeev V.I., Voronin A.V., Goryainov V.Yu., Bulanin V.V., Petrov A.V., Ponomaren-ko A.M., Yashin A.Yu., Kavin A.A., Zhilin E.G. and So-lovey V.A. // Nuclear Fusion. 2022. V. 62. P. 016011.https://doi.org/10.1088/1741-4326/ac38c9
- Хвостенко П.П., Анашкин И.О., Бондарчук Э.Н., Инютин Н.В., Крылов В.А., Левин И.В., Минеев А.Б., Соколов М.М. // ВАНТ. Сер. Термоядерный синтез. 2019. Т. 42. С. 15. https://doi.org/10.21517/0202-3822-2019-42-1-15-38
- Красильников А.В., Коновалов С.В., Бондарчук Э.Н., Мазуль И.В., Родин И.Ю., Минеев А.Б., Кузьмин Е.Г., Кавин А.А., Карпов Д.А., Леонов В.М., Хайрутди-нов Р.Р., Кукушкин А.С., Портнов Д.В., Иванов А.А., Бельченко Ю.И., Денисов Г.Г. // Физика плазмы. 2021. Т. 47. С. 970.https://doi.org/10.31857/S0367292121110196
- Gusev V.K., Sakharov N.V., Shpeizman V.V., Korotkov V.A., Panin A.G., Soikin V.F., Kivivuori S.O.J., Helenius A.J., Somerkoski J.V.A., Heikkinen J.A. // Fusion Technology. 1998. V. 34. 9. P. 137.
- Gusev V.K., Alimov V.Kh., Arkhipov I.I., Ber B.Ya., Gorodetsky A.E., Khromov N.A., Kurdumov A.A., Lebedev V.M., Litunovsky N.V., Mazul I.V., Nikolaev Yu.A., Novo-khatsky A.N., Petrov Yu.V., Sakharov N.V., Terukov E.I., Trapeznikova I.N., Zakharov A.P., Zalavutdinov R.Kh. // Nuclear Fusion. 2009. V. 49. P. 095022. https://doi.org/10.1088/0029-5515/49/9/095022
Supplementary files











