Generation of Runaway Electrons near Micro-Inhomogeneities on the Cathode Surface in Subnanosecond Self-Sustained Discharges in a Wide Range of High Pressures
- Authors: Ivanov S.N.1, Lisenkov V.V.1
-
Affiliations:
- Institute of Electrophysics, Ural Branch, Russian Academy of Sciences
- Issue: Vol 49, No 11 (2023)
- Pages: 1222-1236
- Section: LOW TEMPERATURE PLASMA
- URL: https://bakhtiniada.ru/0367-2921/article/view/233151
- DOI: https://doi.org/10.31857/S0367292123600796
- EDN: https://elibrary.ru/FXTBRM
- ID: 233151
Cite item
Full Text
Abstract
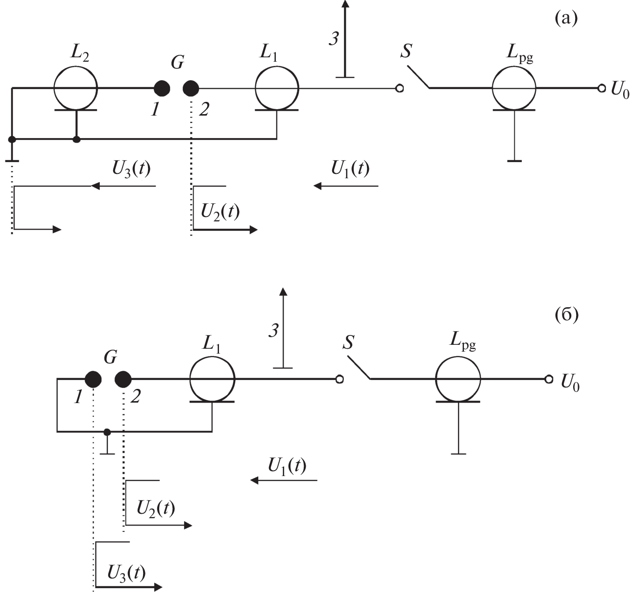
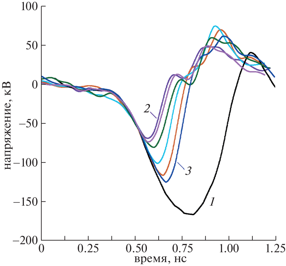
The results of numerical 3D modeling of the development of an electron avalanche initiated by a field emission electron in a small-sized region of an amplified electric field near the microinhomogeneities at the cathode have been presented. The simulation has been carried out for the discharge gaps with an initially homogeneous distribution of the electric field with a reduced intensity significantly lower than that required by the electron runaway criterion. The possibility of the transition of the field emission electrons initiating avalanches and the electrons in these avalanches into runaway regime has been investigated. The microinhomogeneities in the form of a cone, metal droplets, and boundaries between pores or microcraters have been considered. The calculations were carried out for nitrogen in the pressure range from atmospheric to 40 atm. It has been shown that the initial energy obtained near the microinhomogeneity can significantly facilitate the transition of the electron into the runaway mode. And the electron will continue to run away in a discharge gap electric field weak according to the runaway criterion. It has been shown that this effect is especially noticeable at gas pressures above 10 atm. A comparative analysis of the simulation results with the experimental data obtained by us on the switching characteristics of a discharge gap filled with nitrogen when exposed to voltage pulses with subnanosecond fronts of different steepness has been carried out. This made it possible to divide the ranges of experimental conditions into those when only the amplification of the electric field near the microinhomogeneities is sufficient for the runaway of electrons and when the electric field of an avalanche of critical or close to critical size is additionally necessary for the runaway.
About the authors
S. N. Ivanov
Institute of Electrophysics, Ural Branch, Russian Academy of Sciences
Email: stivan@iep.uran.ru
Yekaterinburg, Russia
V. V. Lisenkov
Institute of Electrophysics, Ural Branch, Russian Academy of Sciences
Author for correspondence.
Email: stivan@iep.uran.ru
Yekaterinburg, Russia
References
- Королев Ю.Д., Месяц Г.А. Автоэмиссионные и взрывные процессы в газовом разряде. Новосибирск: Наука, 1982.
- Королев Ю.Д., Месяц Г.А. Физика импульсного пробоя газов. М.: Наука, 1991.
- Ретер Г. Электронные лавины и пробой в газах / Пер. с нем. под ред. В.С. Комелькова. М.: Мир, 1968.
- Месяц Г.А., Бычков Ю.И., Кремнев В.В. // УФН. 1972. Т. 107. С. 201.
- Бабич Л.П., Лойко Т.В., Цукерман В.А. // УФН. 1990. Т. 160. С. 49.
- Babich L.P. High-energy Phenomena in Electric Discharges in Dense Gases. Theory, Experiment and Natural Phenomena. ISTC Science and Technology Series. V. 2. Arlington, Virginia: Futurepast, 2003.
- Генерация убегающих электронов и рентгеновского излучения в разрядах повышенного давления / Под ред. В.Ф. Тарасенко. Томск: ООО “СТТ”, 2015.
- Ivanov S.N. // Plasma Sources Sci. Technol. 2022. V. 31. P. 055001.https://doi.org/10.1088/1361-6595/ac6693
- Frankel S., Highland V., Sloan T., Van Dyck O., Wales W. // Nucl. Instrum. Methods. 1966. V. 44. P. 345.
- Станкевич Ю.Л., Калинин Н.С. // ДАН СССР. 1967. Т. 177. С. 72.
- Noggle R.C., Kriger E.P., Wayland J.R. // J. Appl. Phys. 1968. V. 39. P. 4746.
- Кремнев В.В., Курбатов Ю.А. // ЖТФ. 1972. Т. 42. С. 795.
- Тарасова Л.В., Худякова Л.Н., Лойко Т.В., Цукерман В.А. // ЖТФ. 1974. Т. 44. С. 564.
- Гуревич А.В. // ЖЭТФ. 1960. Т. 39. С. 1296.
- Бабич Л.П., Станкевич Ю.Л. // ЖТФ. 1972. Т. 42. С. 1669.
- Станкевич Ю.Л. // ЖТФ. 1970. Т. 40. С. 1476.
- Павловский А.И., Бабич Л.П., Лойко Т.В., Тарасо-ва Л.В. // ДАН СССР. 1985. Т. 281. С. 1359.
- Ландау Л.Д., Лифшиц Е.М. Электродинамика сплошных сред. М.: Наука, 1982.
- Bakhov K.I., Babich L.P., Kutsyk I.M. // IEEE Trans. Plasma Sci. 2000. V. 28. P. 1254.https://doi.org/10.1109/27.893314
- Лисенков В.В., Иванов С.Н., Мамонтов Ю.И., Тихонов И.Н. // ЖТФ. 2018. Т. 88. С. 1912.https://doi.org/10.21883/JTF.2018.12.46798.68-18
- Иванов С.Н., Шарыпов К.А. // Письма в ЖТФ. 2016. Т. 42. С. 102.
- Тарасенко В.Ф., Белоплотов Д.Ф., Ломаев М.И. // Физика плазмы. 2015. Т. 41. С. 902.https://doi.org/10.7868/S0367292115100091
- Yatom S., Shlapakovski A., Beilin L., Stambulchik E., Tskhai S. and Krasik Ya.E. // Plasma Sources Sci. Technol. 2016. V. 25. P. 064001.https://doi.org/10.1088/0963-0252/25/6/064001
- Burachenko A.G., Tarasenko V.F., Baksht E.K. // High Voltage. 2017. V. 2. P. 56.https://doi.org/10.1049/hve.2017.0016
- Tarasenko V.F., Baksht E.K., Beloplotov D.V., Burachenko A.G., Sorokin D.A., Lomaev M.I. // J. Phys. D: Appl. Phys. 2018. V. 51. P. 424001.https://doi.org/10.1088/1361-6463/aad8dc
- Месяц Г.А. Импульсная энергетика и электроника. М.: Наука, 2004.
- Gurevich A.V., Milikh G.M., Roussel-Dupre R. // Phys. Lett. A. 1992. V. 165. P. 463.
- Gurevich A.V., Milikh G.M., Roussel-Dupre R. // Phys. Lett. A. 1994. V. 187. P. 197.https://doi.org/10.1016/0375-9601(94)90062-0
- Gurevich A.V., Zybin K.P. // Phys. Lett. A. 2004. V. 329. P. 341.https://doi.org/10.1016/j.physleta.2004.06.094
- Бабич Л.П., Бочков Е.И., Куцык И.М. // ЖЭТФ. 2011. Т. 139. С. 1028.
- Бабич Л.П., Бочков Е.И., Куцык И.М. // // Письма в ЖЭТФ. 2014. Т. 99. С. 452.https://doi.org/10.7868/S0370274X14070066
- Ivanov S.N. // J. Phys. D: Appl. Phys. 2013. V. 46. P. 285201.https://doi.org/10.1088/0022-3727/46/28/285201
- Зубарев Н.М., Иванов С.Н. // Физика плазмы. 2018. Т. 44. С. 397.https://doi.org/10.7868/S0367292118040108
- Иванов С.Н., Шарыпов К.А. // ЖТФ. 2015. Т. 85. С. 64.
- Verboncoeur J.P., Langdon A.B., Gladd N.T. // Computer Physics Communications. 1995. V. 87. P. 199.
- Лисенков В.В., Шкляев В.А. // ЖТФ. 2014. Т. 84. С. 43.
- Lisenkov V.V., Shklyaev V.A. // Physics of Plasmas. 2015. V. 22. P. 113507. https://doi.org/10.1063/1.4935398
- Shklyaev V.A., Belomyttsev S.Ya., Ryzhov V.V. // J. Applied Phys. 2012. V. 112. P. 113303.https://doi.org/10.1063/1.4768912
- Иванов С.Н., Шпак В.Г., Шунайлов С.А., Ялан-дин М.И. // ПТЭ. 2000. № 5. С. 51.
- Месяц Г.А., Яландин М.И., Реутова А.Г., Шары-пов К.А., Шпак В.Г., Шунайлов С.А. // Физика плазмы. 2012. Т. 38. № 1. С. 34.
- Naidis G.V., Tarasenko V.F., Babaeva N.Y. and Loma-ev M.I. // Plasma Sources Sci. Technol. 2018. V. 27. P. 013001.https://doi.org/10.1088/1361-6595/aaa072
- Дядьков А.Н., Иванов С.Н., Ульмаскулов М.Р. // ПТЭ. 1998. № 3. С. 69.
- Korolev Yu.D., Bykov N.M. // IEEE Trans. Plasma Sci. 2012. V. 40. P. 2443. https://doi.org/10.1109/TPS.2011.2178041
- Ефремов А.М., Ковальчук Б.М., Королев Ю.Д. // ЖТФ. 2012. Т. 82. С. 52.
- Мик Д., Крэгс Д. Электрический пробой в газах. М.: ИЛ., 1960.
- Иванов С.Н. // ДАН. 2004. Т. 399. С. 472.
- Иванов С.Н., Литвинов Е.А., Шпак В.Г. // Письма в ЖТФ. 2006. Т. 32. С. 23.
- Королев Ю.Д., Быков Н.М., Иванов С.Н. // Физика плазмы. 2008. Т. 34. С. 1104.
- Иванов С.Н., Лисенков В.В., Шпак В.Г. // ЖТФ. 2008. Т. 78. С. 62.
- Иванов С.Н., Лисенков В.В. // ЖТФ. 2010. Т. 80. С. 54.
- Ivanov S.N., Lisenkov V.V., Shpak V.G. // J. Phys. D: Appl. Phys. 2010. V. 43. P. 315204.https://doi.org/10.1088/0022-3727/43/31/315204
- Ivanov S.N., Shpak V.G. // IEEE Trans. Plasma Sci. 2011. V. 39. P. 2596.https://doi.org/10.1109/TPS.2011.2157173
- Ivanov S.N., Lisenkov V.V. // Journal of Applied Physics. 2018. V. 124. P. 103304.https://doi.org/10.1063/1.5024974
- Ivanov S.N., Lisenkov V.V., Mamontov Y.I. // Plasma Sources Sci. Technol. 2021. V. 30. P. 075021.https://doi.org/10.1088/1361-6595/abf31f
- Ivanov S.N., Shklyaev V.A., Grishkov A.A. // J. Phys.: Conf. Ser. 2018. V. 1115. P. 022038.https://doi.org/10.1088/1742-6596/1115/2/022038
- Иванов С.Н., Лисенков В.В. // Физика плазмы. 2018. Т. 44. С. 323.https://doi.org/10.7868/S0367292118030046
- Lisenkov V.V., Mamontov Y.I. // J. Phys.: Conf. Ser. 2018. V. 1141. P. 012051.https://doi.org/10.1088/1742-6596/1141/1/012051
- Kieffer L.J., Dunn G.H. // Rev. Modern Phys. 1966. V. 38. P. 1.
- Гашков М.А., Зубарев Н.М., Зубарева О.В., Месяц Г.А., Уйманов И.В. // ЖЭТФ. 2016. Т. 149. С. 896.https://doi.org/10.7868/S0044451016040180
- Mesyats G.A., Zubarev N.M. // J. Applied Phys. 2015. V. 117. P. 043302.https://doi.org/10.1063/1.4906559
- Гашков М.А., Зубарев Н.М., Месяц Г.А., Уйманов И.В. // Письма ЖТФ. 2016. Т. 42. С. 48.
Supplementary files













