Neutral Injection Complex for Globus-M2 Spherical Tokamak
- Authors: Shchegolev P.B.1, Minaev V.B.1, Tel’nova A.Y.1, Varfolomeev V.I.1, Gusev V.K.1, Esipov L.A.1, Zhil’tsov N.S.1, Kolmogorov V.V.2, Kondakov A.A.2, Kurskiev G.S.1, Miroshnikov I.V.1, Panasenkov A.A.3, Sorokin A.V.2, Shikhovtsev I.A.2
-
Affiliations:
- Ioffe Institute, Russian Academy of Sciences
- Budker Institute of Nuclear Physics, Siberian Branch Russian Academy of Sciences
- National Research Center “Kurchatov Institute”
- Issue: Vol 49, No 12 (2023)
- Pages: 1293-1307
- Section: TOKAMAKS
- URL: https://bakhtiniada.ru/0367-2921/article/view/233135
- DOI: https://doi.org/10.31857/S0367292123601261
- EDN: https://elibrary.ru/CZOASL
- ID: 233135
Cite item
Full Text
Abstract
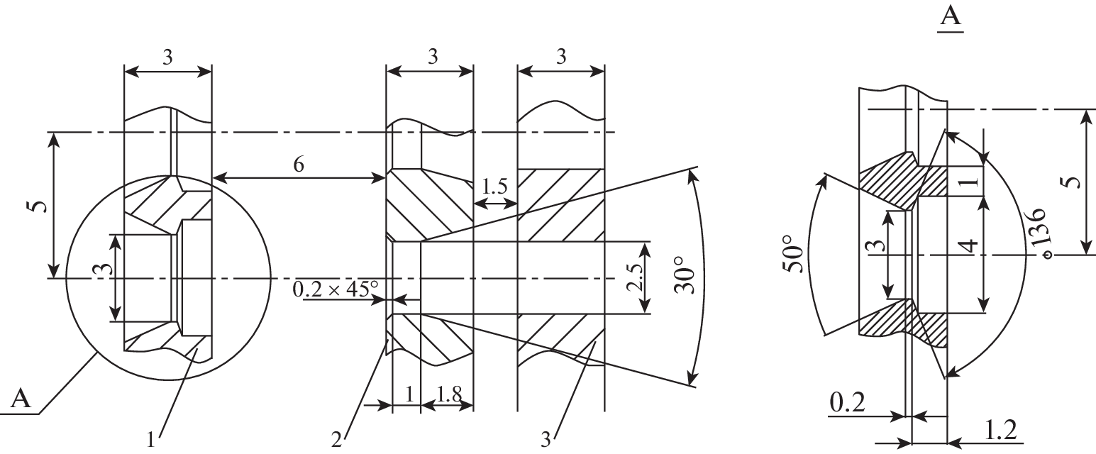
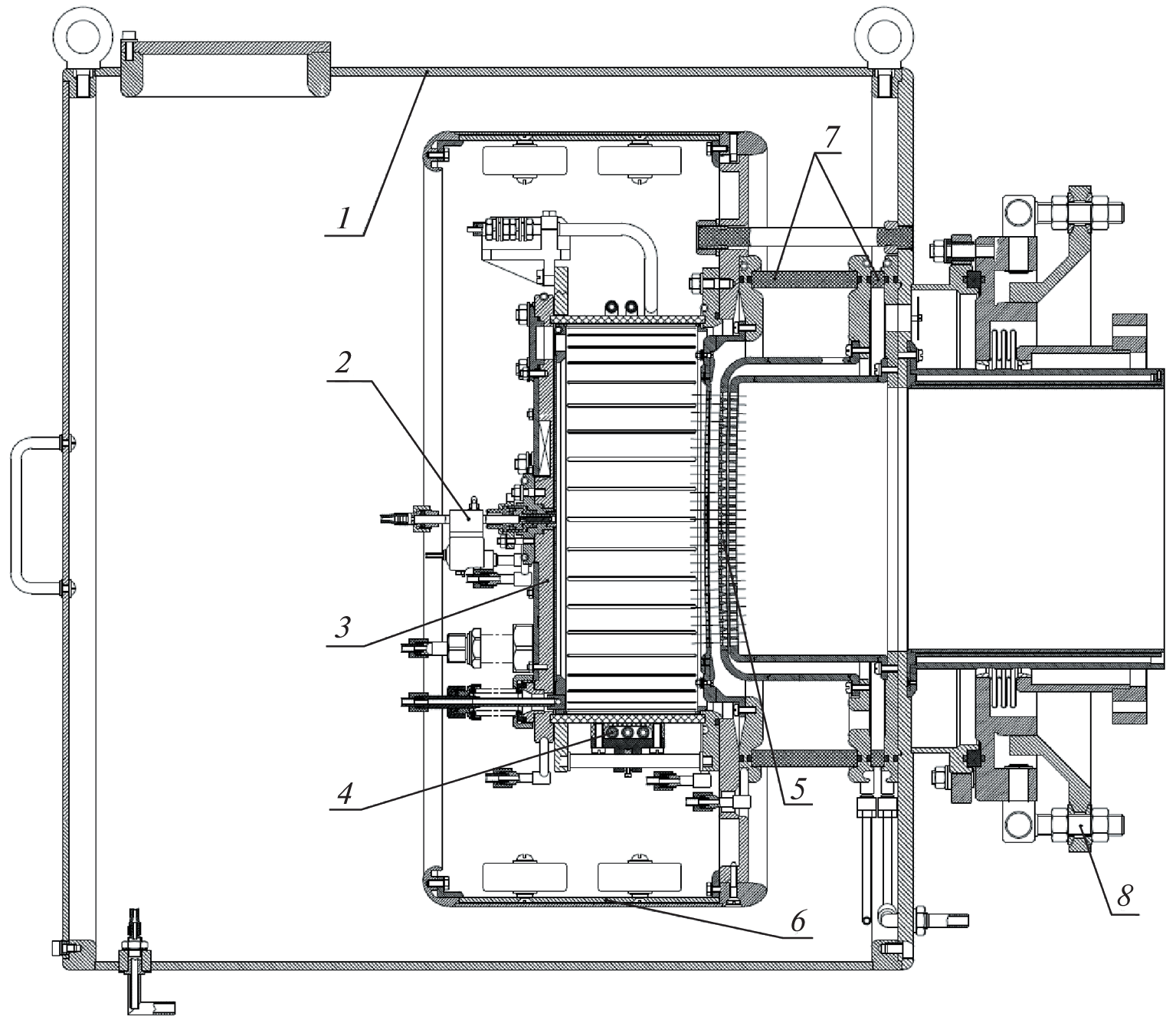
The injection complex that heats plasma of Globus-M2 spherical tokamak consists of two injectors
which supply high-energy beams of hydrogen (deuterium) atoms into the device’s plasma. Injectors are
autonomous and allow for preparing and setting up the device and measuring the parameters of the atomic
beam independently of the other injector and of the tokamak. The authors provide detailed analysis of each
injector’s configuration, substantiate their selection of the experiment layout for introducing beams into the
tokamak plasma, set forth characteristics of both injectors’ atomic beams injected into the tokamak plasma,
and discuss the results of experiments on additional heating of Globus-M2 tokamak plasma obtained by
injecting two atomic beams.
About the authors
P. B. Shchegolev
Ioffe Institute, Russian Academy of Sciences
Email: peter_shchegolev@mail.ioffe.ru
St. Petersburg, Russia
V. B. Minaev
Ioffe Institute, Russian Academy of Sciences
Email: peter_shchegolev@mail.ioffe.ru
St. Petersburg, Russia
A. Yu. Tel’nova
Ioffe Institute, Russian Academy of Sciences
Email: peter_shchegolev@mail.ioffe.ru
St. Petersburg, Russia
V. I. Varfolomeev
Ioffe Institute, Russian Academy of Sciences
Email: peter_shchegolev@mail.ioffe.ru
St. Petersburg, Russia
V. K. Gusev
Ioffe Institute, Russian Academy of Sciences
Email: peter_shchegolev@mail.ioffe.ru
St. Petersburg, Russia
L. A. Esipov
Ioffe Institute, Russian Academy of Sciences
Email: peter_shchegolev@mail.ioffe.ru
St. Petersburg, Russia
N. S. Zhil’tsov
Ioffe Institute, Russian Academy of Sciences
Email: peter_shchegolev@mail.ioffe.ru
St. Petersburg, Russia
V. V. Kolmogorov
Budker Institute of Nuclear Physics, Siberian Branch Russian Academy of Sciences
Email: peter_shchegolev@mail.ioffe.ru
Novosibirsk, Russia
A. A. Kondakov
Budker Institute of Nuclear Physics, Siberian Branch Russian Academy of Sciences
Email: peter_shchegolev@mail.ioffe.ru
Novosibirsk, Russia
G. S. Kurskiev
Ioffe Institute, Russian Academy of Sciences
Email: peter_shchegolev@mail.ioffe.ru
St. Petersburg, Russia
I. V. Miroshnikov
Ioffe Institute, Russian Academy of Sciences
Email: peter_shchegolev@mail.ioffe.ru
St. Petersburg, Russia
A. A. Panasenkov
National Research Center “Kurchatov Institute”
Email: peter_shchegolev@mail.ioffe.ru
Moscow, Russia
A. V. Sorokin
Budker Institute of Nuclear Physics, Siberian Branch Russian Academy of Sciences
Email: peter_shchegolev@mail.ioffe.ru
Novosibirsk, Russia
I. A. Shikhovtsev
Budker Institute of Nuclear Physics, Siberian Branch Russian Academy of Sciences
Author for correspondence.
Email: peter_shchegolev@mail.ioffe.ru
Novosibirsk, Russia
References
- Minaev V.B., Gusev V.K., Sakharov N.V., Varfolomeev V.I., Bakharev N.N., Belyakov V.A., Bondarchuk E.N., Brunkov P.N., Chernyshev F.V., Davydenko V.I., Dyachen-ko V.V., Kavin A.A., Khitrov S.A., Khromov N.A., Kise-lev E.O., Konovalov A.N., Kornev V.A., Kurskiev G.S., Labusov A.N., Melnik A.D., Mineev A.B., Mironov M.I., Miroshnikov I.V., Patrov M.I., Petrov Yu.V., Rozhan-sky V.A., Saveliev A.N., Senichenkov I.Yu., Shchego-lev P.B., Shcherbinin O.N., Shikhovtsev I.V., Sladkomedova A.D., Solokha V.V., Tanchuk V.N., Telnova A.Yu., Tokarev V.A., Tolstyakov S.Yu., Zhilin E.G. // Nucl. Fusion. 2017. V. 57. P. 066047. https://doi.org/10.1088/1741-4326/aa69e0
- Gusev V.K., Golant V.E., Gusakov E.Z., D’yachenko V.V., Irzak M.A., Minaev V.B., Mukhin E.E., Novokha-tskii A.N., Podushnikova K.A., Razdobarin G.T., Sakha-rov N.V., Tregubova E.N., Uzlov V.S., Shcherbinin O.N., Belyakov V.A., Kavin A.A., Kostsov Yu.A., Kuz’min E.G., Soikin V.F., Kuznetsov E.A., Yagnov V.A. // Tech. Phys. 1999. V. 44. № 9. P. 1054. https://doi.org/1 10.1134/1.1259469
- Gusev V.K., Dech A.V., Esipov L.A., Minaev V.B., Barsu-kov A.G., Igon’kina G.B., Kuznetsov V.V., Panasenkov A.A., Sokolov M.M., Tilinin G.N., Lupin A.V., Markov V.K. // Tech. Phys. 2007. V. 52. № 9. P. 1127. https://doi.org/10.1134/S1063784207090058
- Heidbrink W.W., Sadler G.J. // Nucl. Fusion. 1994. V. 34. № 4. P. 535. https://doi.org/10.1088/0029-5515/34/4/I07
- Kurskiev G.S., Miroshnikov I.V., Sakharov N.V., Gu-sev V.K., Petrov Yu.V., Minaev V.B., Balachenkov I.M., Bakharev N.N., Chernyshev F.V., Goryainov V.Yu., Ka-vin A.A., Khromov N.A., Kiselev E.O., Krikunov S.V., Lobanov K.M., Melnik A.D., Novokhatskii A.N., Filippov S.V., Zhiltsov N.S., Mineev A.E., Mukhin E.E., Patrov M.I., Petrov A.V., Ponomarenko A.M., Solokha V.V., Shulyatiev K.D., Shchegolev P.B., Skrekel O.M., Telno-va A.Yu., Tkachenko E.E., Tukhmeneva E.A., Toka-rev V.A., Tolstyakov S.Yu., Varfolomeev V.I., Voronin A.V., Yashin A.Yu., Solovey V.A., Zhilin E.G. // Nucl. Fusion. 2022. V. 62. № 10. P. 104002. https://doi.org/10.1088/1741-4326/ac881d
- Petty C.C., Wade M.R., Kinsey J.E., Groebner R.J., Luce T.C., Staebler G.M. // Phys. Rev. Lett. 1999. V. 83. № 18. P. 3661
- Fasoli A., Gormenzano C., Berk H.L., Breizman B., Briguglio S., Darrow D.S., Gorelenkov N., Heidbrink W.W., Jaun A., Konovalov S.V., Nazikian R., Noterdaeme J.M., Sharapov S., Shinohara K., Testa D., Tobita K., Todo Y., Vlad G., Zonca F. // Nucl. Fusion. 2007. V. 47. № 6. P. S264. https://doi.org/10.1088/0029-5515/47/6/S05
- Schlossberg D.J., McKee G.R., Fonck R.J., Burrell K.H., Gohil P., Groebner R.J., Shafer M.W., Solomon W.M., Wang G. // Phys. Plasmas. 2009. V. 16. № 8. P. 080701. https://doi.org/10.1063/1.3192766
- Shchegolev P.B., Minaev V.B., Telnova A.Yu., Bakha-rev N.N., Goncharov P.R., Gusev V.K., Kurskiev G.S., Miroshnikov I.V., Patrov M.I., Petrov Yu.V., Sakha-rov N.V., Shikhovtsev I.V., Tolstyakov S.Yu. // J. Phys. Conf. Ser. 2017. V. 907. № 1. https://doi.org/10.1088/1742-6596/907/1/012013
- Sorokin A., Belov V., Davydenko V., Deichuli P., Iva-nov A., Podyminogin A., Shikhovtsev I., Shulzhenko G., Stupishin N., Tiunovet M. // Rev. Sci. Instrum. 2010. V. 81. № 2. P. 02B108. https://doi.org/10.1063/1.3266141
- Семашко Н.Н., Владимиров А.Н., Кузнецов В.В., Кулыгин В.М., Панасенков А.А. Инжекторы быстрых атомов водорода. М.: Энергоиздат, 1981.
- Bakharev N.N., Balachenkov I.M., Chernyshev F.V., Chugunov I.N., Dyachenko V.V., Gusev V.K., Iliasova M.V., Khilkevitch E.M., Khromov N.A., Kiselev E.O., Kono-valov A.N., Kurskiev G.S., Minaev V.B., Melnik A.D., Miroshnikov I.V., Novokhatsky A.N., Patrov M.I., Pet-rov Y.V., Sakharov N.V., Shchegolev P.B., Shevelev A.E., Skrekel O.M., Telnova A.Y., Tokarev V.A., Tolstya-kov S.Y., Tukhmeneva E.A., Varfolomeev V.I., Voro-nin A.V. // Plasma Phys. Reports. 2020. V. 46. № 7. P. 675–682. https://doi.org/10.1134/S1063780X20070016
- Boers J.E. // Proc. IEEE Particle Accelerator Conference, New York: American Physical Society. 1995. P. 2312
- Telnova A.Y., Minaev V.B., Shchegolev P.B., Razumen-ko D.V., Kurskiev G.S., Lupin A.V. // Tech. Phys. 2017. V. 62. № 7. P. 1112–1118. https://doi.org/10.1134/S1063784217070246
- Telnova A.Yu., Minaev V.B., Panasenkov A.A., Shchegolev P.B. // Tech. Phys. 2022. V. 92. № 4. P. 449. https://doi.org/10.21883/TP.2022.04.53600.292-21
- Bakharev N.N., Chernyshev F.V., Goncharov P.R., Gu-sev V.K., Iblyaminova A.D., Kornev V.A., Kurskiev G.S., Melnik A.D., Minaev V.B., Mironov M.I., Patrov M.I., Petrov Yu.V., Sakharov N.V., Shchegolev P.B., Tolstya-kov S.Y., Zadvitskiy G.V. // Nucl. Fusion. IOP Publishing, 2015. V. 55. № 4. P. 43023. https://doi.org/10.1088/0029-5515/55/4/043023
- Telnova A.Yu., Minaev V.B., Shchegolev P.B., Bakha-rev N.N., Shikhovtsev I.V., Varfolomeev V.I. // J. Phys. Conf. Ser. 2019. V. 1400. № 7. https://doi.org/10.1088/1742-6596/1400/7/077015
- Щеголев П.Б., Минаев В.Б., Мирошников // НТВ СПбГПУ. 2012. Т. 4. № 158. С. 79–84
- Петров Ю.В. в этом выпуске
- Bakharev N.N., Balachenkov I.M., Chernyshev F.V., Gusev V.K., Kiselev E.O., Kurskiev G.S., Melnik A.D., Minaev V.B., Mironov M.I., Nesenevich V.G., Petrov Yu.V., Sakharov N.V., Shchegolev P.B., Skrekel O.M., Telno-va A.Yu., Tukhmeneva E.A., Varfolomeev V.I. // Plasma Phys. Control Fusion. 2021. V. 63. № 12. P. 125036. https://doi.org/10.1088/1361-6587/ac3497
- Kurskiev G.S., Zhiltsov N.S., Koval A.N., Kornev A.F., Makarov A.M., Mukhin E.E., Petrov Yu.V., Sakha-rov N.V., Solovey V.A., Tkachenko E.E., Tolstyakov S.Yu., Chernakov P.V. // Tech. Phys. Letters. 2022. V. 48. № 15. P. 78–82. https://doi.org/10.21883/PJTF.2021.24.51799.19019
Supplementary files

















