Study of the Acoustic Characteristics of Suspensions Based on Glycerol and Synthetic Diamond Microparticles Using a Resonator with a Longitudinal Electric Field
- Authors: Semenov A.P.1, Zaitsev B.D.1, Teplykh A.A.1, Borodina I.A.1
-
Affiliations:
- Saratov Branch, Kotelnikov Institute of Radio Engineering and Electronics, Russian Academy of Sciences, Saratov, 410019 Russia
- Issue: Vol 69, No 6 (2023)
- Pages: 702-712
- Section: ФИЗИЧЕСКАЯ АКУСТИКА
- URL: https://bakhtiniada.ru/0320-7919/article/view/233399
- DOI: https://doi.org/10.31857/S0320791923600294
- EDN: https://elibrary.ru/ZHNFZQ
- ID: 233399
Cite item
Full Text
Abstract
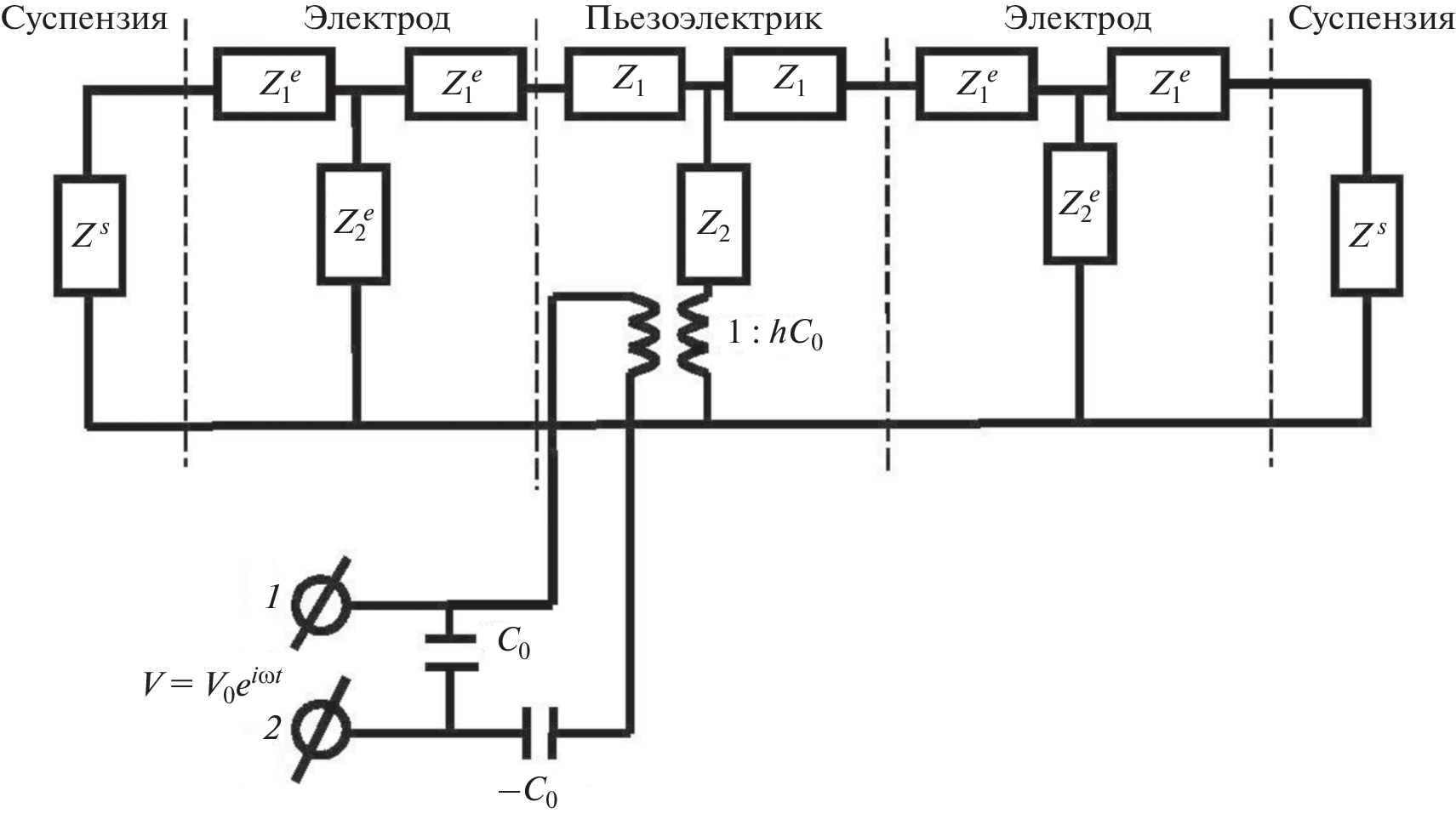
The acoustic properties of suspensions based on pure glycerol and diamond powder with a particle size of 1–2 μm and different concentrations were studied using a resonator with a longitudinal electric field. A disk resonator made of langasite with round electrodes on both sides of the plate with a frequency of 4.1MHz, operating on a longitudinal acoustic wave, was completely immersed in a liquid container with the studied suspension. Based on the measured frequency dependences of the real and imaginary parts of the
electric impedance of the resonator using an equivalent electromechanical circuit, the longitudinal elastic modulus and longitudinal viscosity coefficient of the samples were determined. Comparison of the experimental dependences of the longitudinal elastic modulus, viscosity coefficient, and longitudinal acoustic wave
velocity on the volume concentration of diamond particles in the suspension with the calculated dependences demonstrated good agreement.
About the authors
A. P. Semenov
Saratov Branch, Kotelnikov Institute of Radio Engineering and Electronics, Russian Academy of Sciences,Saratov, 410019 Russia
Email: alex-sheih@ya.ru
Россия, 410019, Саратов, ул. Рабочая 24
B. D. Zaitsev
Saratov Branch, Kotelnikov Institute of Radio Engineering and Electronics, Russian Academy of Sciences,Saratov, 410019 Russia
Email: alex-sheih@ya.ru
Россия, 410019, Саратов, ул. Рабочая 24
A. A. Teplykh
Saratov Branch, Kotelnikov Institute of Radio Engineering and Electronics, Russian Academy of Sciences,Saratov, 410019 Russia
Email: alex-sheih@ya.ru
Россия, 410019, Саратов, ул. Рабочая 24
I. A. Borodina
Saratov Branch, Kotelnikov Institute of Radio Engineering and Electronics, Russian Academy of Sciences,Saratov, 410019 Russia
Author for correspondence.
Email: alex-sheih@ya.ru
Россия, 410019, Саратов, ул. Рабочая 24
References
- Mayer A.E., Pogorelko V.V., Yalovets A.P. Elastic waves in suspensions // Acoust. Phys. 2011. V. 57. № 2. P. 136–143.
- Егошина В.Д., Гонгальский М.Б., Цурикова У.А., Свиридов А.П., Осминкина Л.А., Андреев В.Г. Кавитационная активность водных суспензий пористых кремниевых наночастиц с различной степенью гидрофобности поверхности // Акуст. журн. 2023. Т. 69. № 1. С. 92–100.
- Minakov A.V., Pryazhnikov M.I., Damdinov B.B., Nemtsev I.V. Acoustic Spectroscopy Study of the Bulk Viscosity of Nanosuspensions // Acoust. Phys. 2022. V. 68. № 2. P. 155–161.
- Казаков Л.И. Ячеечные модели вязкоупругой среды с твердыми сферическими включениями // Акуст. журн. 2022. Т. 68. № 2. С. 173–181.
- Шамсутдинова Е.С., Анисимкин В.И., Фионов А.С., Смирнов А.В., Колесов В.В., Кузнецова И.Е. Совершенствование методов исследования электрофизических и вязкостных свойств жидкостей // Акуст. журн. 2023. Т. 69. № 1. С. 56–62.
- Lebedev-Stepanov P.V., Rudenko O.V. Sound attenuation in a liquid containing suspended particles of micron and nanometer dimensions // Acoust. Phys. 2009. V. 55. № 6. P. 729–734.
- Zaitsev B.D., Borodina I.A., Teplykh A.A. Compact liquid analyzer based on a resonator with a lateral excitation electric field // Ultrasonics. 2022. V. 126. P. 106814.
- Zaitsev B.D., Teplykh A.A., Borodina I.A., Kuznetsova I.E., Verona E. Gasoline sensor based on piezoelectric lateral electric field excited resonator // Ultrasonics. 2017. V. 80. P. 96–100. https://doi.org/10.1016/j.ultras.2017.05.003
- Kondoh J., Nakayama K., Kuznetsova I. Study of frequency dependence of shear horizontal surface acoustic wave sensor for engine oil measurements // Sensors and Actuators A: Physical. 2021. V. 325. P. 112503. https://doi.org/10.1016/j.sna.2020.112503
- Song S., Chen D., Wang H., Guo Q., Yu W. Shear mode bulk acoustic viscosity sensor for blood coagulation monitoring in oral anticoagulant therapy // J. Nanoscience Nanotech. 2018. V. 18. P. 8099–8104. https://doi.org/10.1166/jnn.2018.16425
- Бородина И.А., Зайцев Б.Д., Алсовэйди А.К.М., Караваева О.А., Гулий О.И. Биологический датчик на основе акустической щелевой моды с использованием микробных клеток для определения ампициллина // Акуст. журн. 2022. Т. 68. № 6. С. 583–588.
- Zaitsev B.D., Joshi S.G., Kuznetsova I.E., Borodina I.A. Acoustic waves in piezoelectric plates bordered with viscous and conductive liquids // Ultrasonics. 2001. V. 39. № 1. P. 45–50. https://doi.org/10.1016/S0041-624X(00)00040-8
- Guo F.L., Sun R. Propagation of Bleustein–Gulyaev wave in 6 mm piezoelectric materials loaded with viscous liquid // Int. J. Solids and Structures. 2008. V. 45. № 13. P. 3699–3710. https://doi.org/10.1016/j.ijsolstr.2007.09.018
- Anisimkin V., Shamsutdinova E., Li P., Wang B., Zhu F., Qian Z., Kuznetsova I. Selective detection of liquid viscosity using acoustic plate waves with in-plate polarization // Sensors. 2022. V. 22. P. 2727. https://doi.org/10.3390/s22072727
- Zhao Z., Qian Z., Yong Y.-K. Frequency shift prediction of a shear mode multi-layered FBAR sensor in viscous media using transfer matrix method // Appl. Math. Model. 2021. V. 99. P. 555–565. https://doi.org/10.1016/j.apm.2021.07.009
- Caliendo C., Hamidullah M. Guided acoustic wave sensors for liquid environments // J. Phys. D: Appl. Phys. 2019. 52. P. 153001. https://doi.org/10.1088/1361-6463/aafd0b
- Chen D., Xu Y., Li D., Zhang L., Liu W., Wang J. A lateral field excited ZnO film bulk acoustic wave sensor working in viscous environments // J. Micromech. Microeng. 2013. V. 23. № 9. P. 095032
- Wang M., Shi H., Ma T., Yuan L., Wang J., Du J., Qian Z., Kuznetsova I., Zhang C. High-frequency vibration analysis of LiTaO3 piezoelectric plates excited by lateral electric fields produced by surface electrodes under viscous liquid loadings for sensing // Smart Materials and Structures. 2020. V. 29. № 4. P. 045004.
- Hu Y., French L.A., Radecsky K., Da Cunha M.P., Millard P. and Vetelino J.F. A lateral field excited liquid acoustic wave sensor // IEEE Trans. Ultrason. Ferroelectr. Freq. Control. 2004. V. 51. № 11. P. 1373–1380.
- Зайцев Б.Д., Теплых А.А., Шихабудинов А.М. Датчик вязкой и проводящей жидкости на основе пьезоэлектрического резонатора с поперечным электрическим полем // Нелинейный мир. 2016. Т. 14. № 1. С. 61–63.
- Durning C.J., Nwankwo E. Mechanical response of thickness-shear mode quartz-crystal resonators to linear viscoelastic fluids // Sensors and Actuators A: Physical. 1998. V. 64. № 2. P. 119–124.
- Kuznetsova I.E., Zaitsev B.D., Shikhabudinov A.M. Elastic and viscosity properties of Nanocomposite Films Based on Low-Density Polyethylene // Trans. Ultrason. Ferroel. Freq. Control. 2010. V. 57. № 9. P. 2099.
- Semyonov A., Zaitsev B., Teplykh A., Borodina I. The Effect of Glycerol-Based Suspensions on the Characteristics of Resonators Excited by a Longitudinal Electric Field // Sensors. 2023. V. 23. P. 608.
- Singh A., Walvekar R., Khalid M., Wong W.Y., Gupta T.C.S.M. Thermophysical properties of glycerol and polyethylene glycol (PEG600) based DES // J. Mol. Liquds. 2018. V. 252. P. 439–444.
- Kuznetsova I., Zaitsev B., Krasnopolskaya L., Teplykh A., Semyonov A., Avtonomova A., Ziangirova M., Smirnov A., Kolesov V. Influence of humidity on the acoustic properties of mushroom mycelium films used as sensitive layers for acoustic humidity sensors // Sensors. 2020. V. 20. P. 2711.
- Chilla E., Flannery C.M., Fröhlich H.-J., Straube U. Elastic properties of langasite-type crystals determined by bulk and surface acoustic waves // J. Appl. Phys. 2001. V. 90. № 12. P. 6084. https://doi.org/10.1063/1.1409574
- Harker A.H., Temple J.A.G. Velocity and attenuation of ultrasound in suspensions of particles in fluids // J. Phys. D: Appl. Phys. 1988. V. 21. P. 1576–1588.
- Григорьев И.С., Мейлихов Е.3. Физические величины. М.: Энергоатомиздат, 1991. 1232 с.
- Енохович А.С. Справочник по физике и технике. М.: Просвещение, 1983. 255 с.
- Зайцев Б.Д., Семенов А.П., Теплых А.А., Бородина И.А. Исследование продольной акустической волны в суспензии “глицерин–микрочастицы синтетического алмаза” // СВЧ-техника и телекоммуникационные технологии (КрыМиКо’2022). Вып. 4. С. 187–188.
Supplementary files











