Testing Procedure for the Tribological Properties of Axial Bearings
- Authors: Cheremisinov E.M.1, Splavskiy I.S.2
-
Affiliations:
- Moscow, Russia
- Mechanical Engineering Research Institute of the Russian Academy of Sciences, 101900, Moscow, Russia
- Issue: No 3 (2023)
- Pages: 100-105
- Section: ЭКСПЕРИМЕНТАЛЬНАЯ МЕХАНИКА. ДИАГНОСТИКА ИСПЫТАНИЯ
- URL: https://bakhtiniada.ru/0235-7119/article/view/137592
- DOI: https://doi.org/10.31857/S0235711923020025
- EDN: https://elibrary.ru/VPIJZT
- ID: 137592
Cite item
Full Text
Abstract
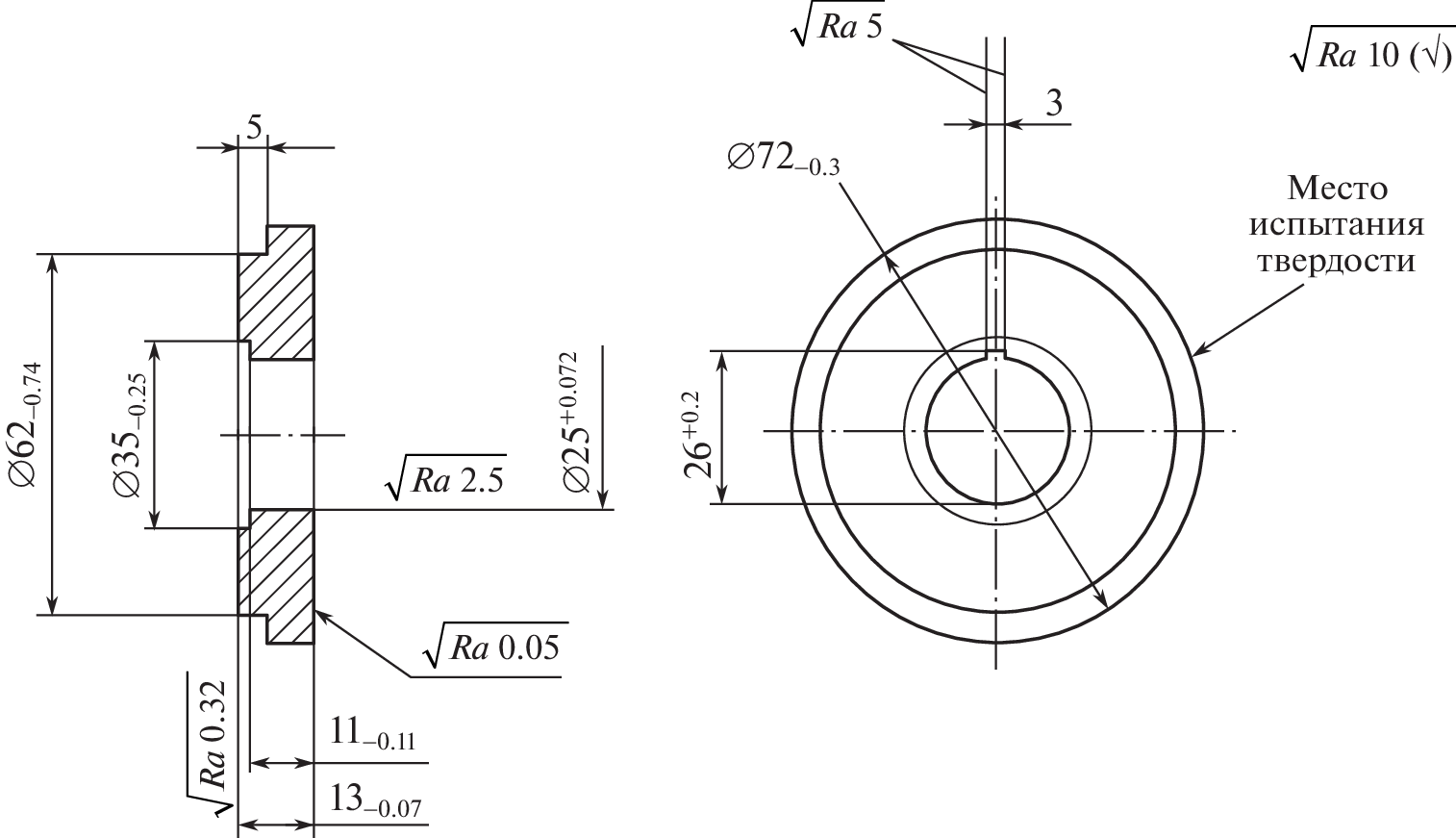
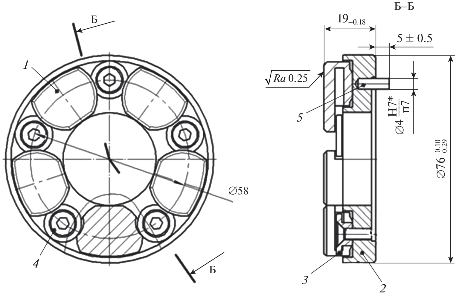
The testing procedures of tribological properties of axial bearings are discussed. A protector with a heavy-duty axial bearing for high-speed impeller pumps has been selected as the study object. The experimental specimen is comprised of a Michell thrust block and a thrust journal. In the course of the experiments, the main operability properties have been determined.
About the authors
E. M. Cheremisinov
Moscow, Russia
Email: spl-igor@yandex.ru
Россия, Москва
I. S. Splavskiy
Mechanical Engineering Research Institute of the Russian Academy of Sciences, 101900, Moscow, Russia
Author for correspondence.
Email: spl-igor@yandex.ru
Россия, Москва
References
- Юшин Е.С. Насосное оборудование системы трубопроводного транспорта нефти и нефтепродуктов. Ухта: Ухтинский государственный технический университет, 2019.
- Ветохин В.И. Погружной асинхронный электродвигатель открытого исполнения нового поколения типа “АМВ НГС” для нефтегазовых скважин // Морской вестник. 2011. № 3 (39). С. 51.
- Чичинадзе А.В., Браун Э.Д., Буше Н.А. и др. Основы трибологии (трение, износ, смазка) / Под ред. А.В. Чичинадзе. М.: Машиностроение, 2001. 664 с.
- Шихватов А.М. Об устойчивости упорных газодинамических подшипников, профилированных спиральными канавками // Проблемы машиностроения и надежности машин. 2004. № 6. С. 27.
- Емельянов И.А. Повышение эксплуатационных характеристик упорных газодинамических подшипников: Дис. … канд. техн. наук. Калуга: Моск. гос. техн. универ. им. Н.Э. Баумана (Калужский филиал), 2001. 178 с.
- Qiu Y., Khonsari M.M. Investigation of tribological behaviors of annular rings with spiral groove // Tribology International. 2011. V. 44. P. 1610.
- Suh M., Chae Y., Kim S., Hinoki T., Kohyama A. Effect of geometrical parameters in micro-grooved crosshatch pattern under lubricated sliding friction // Advanced Materials Research. 2008. V. 47–50. P. 507.
- Песковацков М.Н., Сплавский И.С., Воронин Н.А. Модельный трибоанализ перспективных материалов для высокооборотных упорных подшипников скольжения. Фундаментальные исследования и инновационные технологии в машиностроении // Научные труды VII Международной научной конференции. 2021. С. 189.
- Корчак А.В. Моделирование и программа расчета упорных лепестковых газодинамических подшипников // Вестник Воронежского государственного технического университета. 2011. Т. 7. № 4. С. 138.
- Сытин А.В., Киричек А.А., Тюрин В.О. Динамическая модель упорного лепесткового газодинамического подшипника с учетом осевых воздействий // Известия Тульского государственного университета. Технические науки. 2021. № 4. С. 93.
- Сплавский И.С., Кулаков О.И. Способы повышения триботехнических свойств упорных подшипников скольжения // В сборнике: XXXII Международная инновационная конференция молодых ученых и студентов по проблемам машиноведения. Сборник трудов конференции. 2021. С. 241.
- Прокопенко А.А., Марцинковский В.С., Лазаренко А.Д. Обеспечение экономической эффективности и экологической безопасности турбокомпрессоров синтез-газа. Исследование, конструирование и технология изготовления компрессорных машин // Труды XI Международной научно-технической конференции молодых специалистов. Казань, 2022. С. 123.
Supplementary files








