Влияние низкотемпературных сред на качество поверхностного слоя после комбинированной обработки
- Авторы: Яковлева А.П.1, Албагачиев А.Ю.2, Воронов В.А.1, Борисенко А.В.1, Иванова Ю.С.1
-
Учреждения:
- Московский государственный технический университет им. Н.Э. Баумана
- Институт машиноведения им. Благонравова РАН
- Выпуск: № 2 (2023)
- Страницы: 28-33
- Раздел: МЕХАНИКА МАШИН
- URL: https://bakhtiniada.ru/0235-7119/article/view/137572
- DOI: https://doi.org/10.31857/S0235711923020116
- EDN: https://elibrary.ru/COSLTV
- ID: 137572
Цитировать
Полный текст
Аннотация
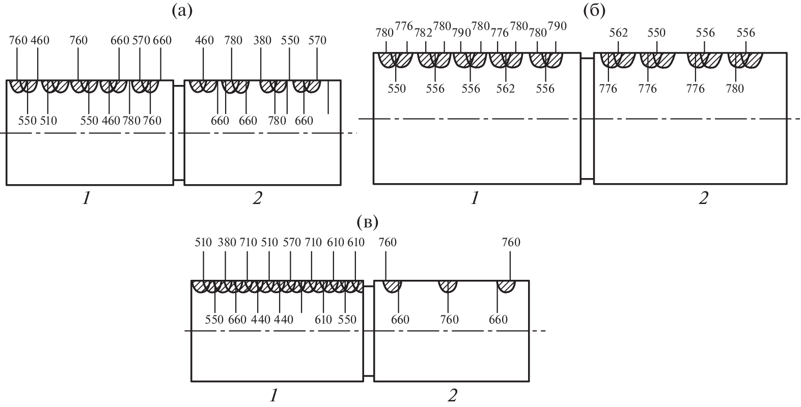
По подсчетам специалистов, количество поломок и аварий, изнашивание деталей стандартной техники при эксплуатации в условиях низких температур в 3–5 раз, а иногда в 8–10 раз больше, чем в условиях умеренного климата. Поэтому повышение качества поверхностей деталей различных машин и механизмов, работающих в условиях Арктики, является актуальной задачей. В статье разработан метод комбинированной обработки, который позволяет повысить твердость, снизить шероховатость, получить оптимальные значения остаточных напряжений и создать на поверхности регулярный микрорельеф для удерживания смазки на поверхности. Но эти свойства необходимо сохранить при воздействии температур до –50°С. Проведены исследования влияния низкотемпературных воздействий на изменение в поверхностном слое деталей после комбинированной обработки. Статья будет полезна специалистам, которые занимаются проектированием машин для работы в условиях Арктики.
Ключевые слова
Об авторах
А. П. Яковлева
Московский государственный технический университет им. Н.Э. Баумана
Email: yakovleva525@mail.ru
Россия, Москва
А. Ю. Албагачиев
Институт машиноведения им. Благонравова РАН
Email: yakovleva525@mail.ru
Россия, Москва
В. А. Воронов
Московский государственный технический университет им. Н.Э. Баумана
Email: yakovleva525@mail.ru
Россия, Москва
А. В. Борисенко
Московский государственный технический университет им. Н.Э. Баумана
Email: yakovleva525@mail.ru
Россия, Москва
Ю. С. Иванова
Московский государственный технический университет им. Н.Э. Баумана
Автор, ответственный за переписку.
Email: yakovleva525@mail.ru
Россия, Москва
Список литературы
- Kalia S. Cryogenic processing: a study of materials at low temperatures // J. of Low Temperature Physics. 2010. V. 158 (5). P. 934.
- Makhutov N.A., Moskvichev V.V., Fomin V.M. Designing machinery for the arctic: a problem of socioeconomic development of russia’s eastern regions // Herald of the Russian Academy of Sciences. 2015. V. 85 (1). P. 79.
- Rokosh K. Technology of surface treatment of metals and alloys // Metals. 2019. V. 9 (11). P. 1134.
- Григорьев Р.С., Ларионов В.П., Уржумцев Ю.С. Методы повышения работоспособности техники в северном исполнении. Новосибирск: Наука, 1987. 256 с.
- Ларионов В.П., Кузьмин В.Р., Слепцов О.И. Хладостойкость материалов и элементов конструкций: результаты и перспективы. Новосибирск: Наука, 2005. 290 с.
- Surberg C.H., Stratton P.F., Lingenhöl K. The effect of cryogenic treatment on the properties of AISI D2 // Mater. Manuf. Process. 2009. V. 24. P. 863.
- Villa M., Somer M.A.J. Cryogenic treatment of steel: From concept to metallurgical understanding // In Proceedings of the 24th Int. Feration for Heat Treatment and Surface Engineering Congress, Nice, France, 26–29 June 2017.
- Fedorov S., Albagachiev A., Isaenkova M., Yakovleva A., Zaripov V., Minushkin R. The effect of combined processing 278 schedules on the value and nature of residual stresses in the surface layer of cylindrical friction pairs // IOP Conf. Ser.: Mater. Sci. 279 Eng. 2019. T. 589. P. 012032. https://doi.org/10.1088/1757-899X/589/1/012032. 280
- Yakovleva A.P. Improving the durability of machine parts using a combined method // Materials Science Forum. 2019. T. 946. P. 37. https://doi.org/10.4028/www.scientific.net/MSF.946.37
- Yakovleva A., Isaenkova M., Minushkin R. The Effect of Combined Processing on Residual Stresses in the Surface Layer of Power Plant Parts // Materials. 2022. V. 15 (2). P. 420.
- Yakovleva A.P., Albagachiev A.Y. Theoretical Investigation of the Influence of Combined Machining Modes on the Value and Character of Residual Stresses in the Surface Layer of Cylindrical Friction Pairs // J. of Machinery Manufacture and Reliabilitythis link is disabled. 2020. V. 49 (3). P. 237.
- Perlovich Y., Isaenkova M., Bunge H.J. The fullest description of the structure of textured metal materials with generalized pole figures: The example of rolled Zr alloys // Mater. Sci. Forum. 2001. V. 378–381. P. 180.
- Perlovich Y., Isaenkova M. Effects of dynamical deformation ageing on structure and texture of hot-rolled sheets from alloyed BCC metals // Int. J. Mater. Form. 2010. V. 3. P. 1143.
- Dasa D., Duttab A.K., Rayc K.K. Correlation of microstructure with wear behavior of deepcryogenically treated AISI D2 steel // Wear. 2009. V. 267. P. 1371.
- Dasa D., Rayb K.K., Dutta A.K. Influence of temperature of sub-zero treatments on the wear behavior of die steel // Wear. 2009. V. 267. P. 1361.
- Barron R.F. Cryogenic treatment of metals to improve wear resistance // Cryogenics. 1982. V. 22. P. 409.
- Dumasia C.A., Kulkarni V.A., Sonar K.A. Review on the effect of cryogenic treatment on metals // Int. Res. J. Eng. Technol. 2017. V. 4. P. 2402.
- Podgornik B., Paulin I., Zajec B., Jacobson S., Leskovšek V. Deep cryogenic treatment of tool steels // J. Mater. Process. Technol. 2016. V. 229. P. 398.
- Gogte C.L., Likhite A., Peshwe D., Bhokarikar A., Shetty R. Effect of cryogenic processing on surface roughness of age hardenable AA6061 alloy // Mater. Manuf. Process. 2014. V. 29. P. 710.
- Bensely A., Prabhakaran A., Mohan Lal D., Nagarajan G. Enhancing the wear resistance of case carburized steel (En 353) by cryogenic treatment // Cryogenics. 2006. V. 45. P. 747.
- Barron R.F., Burt W., Byrns R., Clapp M., Clark A., Daniels A., Frederking T., Hassenzahll W., Kittell P., Klipping C. et al. Cryogenic engineering conference/international cryogenic materials conference // Boston, MA, USA. Cryogenics. 1986. V. 26. P. 49.
- Das D., Dutta A.K., Ray K.K. Sub-zero treatments of AISI D2 steel: Part I // Microstructure and hardness. Mater. Sci. Eng. A 2010. V. 527. P. 2182.
- Das D., Dutta A.K., Ray K.K. Sub-zero treatments of AISI D2 steel: Part II // Wear behavior. Mater. Sci. Eng. A. 2010. V. 527. P. 2194.
- Darwin J.D., Mohan Lal D., Nagarajan G. Optimization of cryogenic treatment to maximize the wear resistance of 18% Cr martensitic stainless steel by Taguchi method // J. Mater. Process. Technol. 2008. V. 195. P. 241.
Дополнительные файлы







