Общая концепция построения линейных систем автоматики для передвижения исследуемого параметра во временных структурах
- Авторы: Алгазин Е.И.1
-
Учреждения:
- ФГБОУ ВО «Новосибирский государственный технический университет»
- Выпуск: Том 30, № 3 (2024)
- Страницы: 446-455
- Раздел: Автоматика. Информатика. Управление. Приборы
- URL: https://bakhtiniada.ru/0136-5835/article/view/278507
- DOI: https://doi.org/10.17277/vestnik.2024.03.pp.446-455
- ID: 278507
Цитировать
Полный текст
Аннотация
Рассмотрены принципы построения линейных систем автоматики, предназначенных для передвижения их исследуемого параметра в цепях с различными постоянными времени. Моделирование таких систем основано на реализациях электрических цепей, позволяющих получать требуемые постоянные времени. Для этого на основе дифференциальных уравнений, описывающих поведение исследуемых цепей, формируются характеристические уравнения. Корни данных уравнений позволяют определить режим функционирования исследуемых цепей и постоянные времени. В качестве рассматриваемых цепей выбраны электрические, у которых исследуемым параметром является напряжение на конденсаторе.
Полный текст
Введение
Изначально рассматриваются цепи, являющиеся линейными системами автоматики (ЛСА). В цепи, состоящей из последовательно соединенных индуктивности L и емкости C, предварительно заряженной до напряжения , отсутствует диссипация. В остальных цепях содержится резистор, обусловливающий наличие диссипации.
Во всех рассматриваемых цепях существует обмен энергией между электростатическим полем конденсатора и магнитным полем катушки индуктивности. В цепях с резистором существует трансформация энергии обоих полей в тепловую энергию, выделяемую на резисторе R.
В зависимости от режима работы рассматриваемых цепей им соответствуют определенного вида корни, используемые при описании исследуемого параметра U0 – напряжения на конденсаторе. Для нахождения аналитического выражения постоянных интегрирования используется система уравнений. Матричная форма записи используется для проверки решения классическим способом.
В настоящей работе рассмотрены следующие режимы функционирования цепей: колебательный без диссипации для цепи, содержащей емкостный элемент и катушку индуктивности без резистивного элемента; колебательный с диссипацией для цепи второго порядка с наличием резистивного элемента; критический апериодический для цепи второго порядка с наличием резистивного элемента и апериодический для цепи второго порядка с наличием резистивного элемента.
При использовании матричного описания аналитических выражений исследуемого параметра (напряжения на конденсаторе) порядок цепи соответствует количеству реактивных элементов в ней и размерности используемых матриц. Это представление на плоскости. Увеличение порядка матриц (а также количества реактивных элементов в цепи) не ведет к качественному изменению результатов, а лишь усложняет вычисления и представление результатов.
Результатом исследований является получение корней, соответствующих определенному режиму функционирования рассматриваемых цепей.
В настоящей работе получены корни чисто мнимые, без вещественной части, комплексно-сопряженные, содержащие вещественную и мнимую части, и чисто вещественные, содержащие только вещественную часть.
Общепринято, что когда вычисляем постоянную времени исследуемой цепи, то принимаем ее равной обратному значению корня, взятого с обратным знаком. Это справедливо для всех корней, как для вещественных, так и для комплексных и мнимых.
Но при этом следует помнить, что в описании времени, которым является постоянная времени, появляется мнимая составляющая (в случае комплексных и мнимых корней). Об этом справедливо замечено в [1]. Поэтому необходимо найти данному явлению объяснение, позволяющее толковать наличие мнимой составляющей в описании постоянных времени.
Соответствие колебательных режимов без диссипации мнимым корням и с диссипацией комплексно-сопряженным корням дает объяснение в виде происходящего с исследуемым параметром колебательного процесса.
Постановка задачи
Даны следующие ЛСА:
- система, состоящая из последовательно соединенных катушки с индуктивностью L и конденсатора емкостью C. Источник питания отсутствует. Конденсатор предварительно заряжен до напряжения . (Далее цепь
- системы, состоящие из последовательно соединенных катушки с индуктивностью L, конденсатора емкостью C, предварительно заряженного до напряжения , а также резистора с сопротивлением R. В зависимости от значения R в таких цепях реализуется колебательный, критический апериодический и апериодический режим (далее цепь
Допущения: R, С и L – сосредоточенные элементы.
Источник питания отсутствует [2].
Необходимо:
- найти корни характеристического уравнения, описывающего режим работы данных электрических цепей;
- вывести аналитическое выражение исследуемого параметра (напряжения на конденсаторе);
- найти аналитические выражения для постоянных времени каждой из данных электрических цепей ЛСА.
Пути решения
Рассмотрим ЛСА в виде электрической цепи (рис. 1).
Рис. 1. Линейная система автоматики в виде электрической цепи L – C – 0 – U0
Опишем ее состояние на основе второго закона Кирхгофа (рис. 2).
Рис. 2. Линейная система автоматики после коммутации ключа вправо
Получим следующие уравнения:
Сложим их почленно
Продифференцируем обе части и упростим:
.
Получим характеристическое уравнение
,
откуда
.
Найдем выражение для исследуемого параметра в виде
,
где и – постоянные интегрирования.
Решим классическим методом:
;
Преобразуем:
;
;
;
;
;
;
.
Получим выражение для исследуемого параметра
Проведем проверку предыдущего решения с помощью матричного представления [3]:
;
;
;
.
Матрица A и имеют вид
.
Пусть для момента времени t = 0.
Тогда:
;
;
;
Рассмотрим цепь (рис. 3).
Рис. 3. Линейная система автоматики, реализованная в виде электрической цепи R – C – L – 0 – U0
Для реализации апериодического режима необходимо выполнение условия , где – значение сопротивления критического. Корни исследуемой цепи находим из ее характеристического уравнения.
.
Найдем выражение для исследуемого параметра в виде
.
При t = 0
;
,
откуда
;
.
Преобразуем к виду:
;
.
Проверим проведенные вычисления в матричной форме:
Откуда
.
Рассмотрим цепь , а это предельный апериодический режим при выполнении условия . Решение будем искать в виде
.
При t = 0
Проверим эти выкладки в матричной форме
При t = 0
.
Рассмотрим цепь . При выполнении условия , режим в цепи будет колебательный.
В рассматриваемом случае колебательного режима решение будем искать в виде
с учетом того, что , где ; а – угловая частота собственных затухающих или свободных колебаний в рассматриваемой цепи. Поскольку при t = 0
, (1)
то постоянные интегрирования имеют следующий вид:
.
Вместо и подставим их комплексные выражения:
После подстановки полученных комплексных выражений и в систему (1) получим тождества, что говорит о верности расчетов. Проверим в матричной форме:
откуда
.
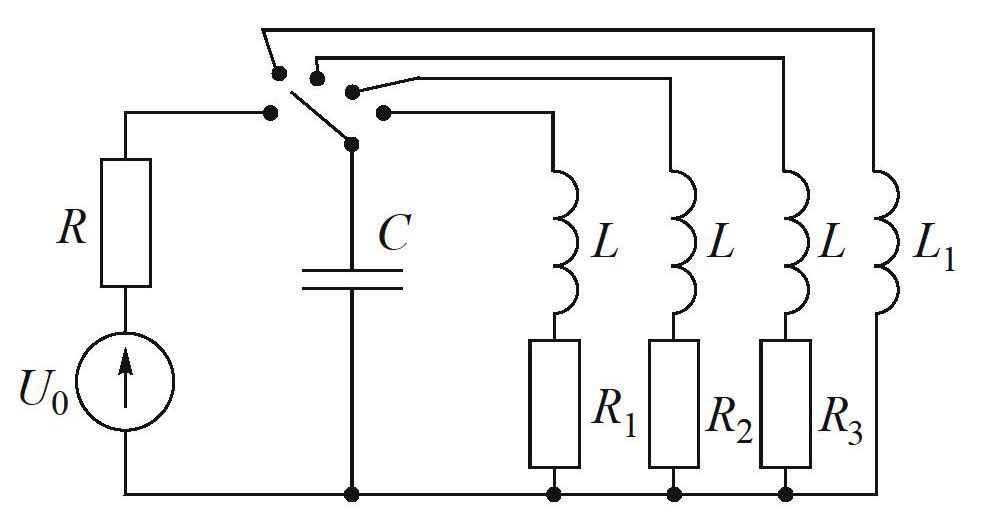
Объединим предыдущие цепи, изображенные на рис. 1 и 3, в одну цепь, которая и будет окончательным вариантом ЛСА (рис. 4).
Рис. 4. Окончательный вариант электрической цепи, реализующей ЛСА: ,
Цепь реализует незатухающий колебательный режим, которому соответствуют два мнимых корня, равные по модулю, но с различными знаками:
Цепь реализует затухающий колебательный режим, которому соответствуют два комплексно-сопряженных корня:
.
Цепь реализует критический апериодический режим, которому соответствуют два равных вещественных корня
.
Цепь реализует апериодический режим, которому соответствуют два различных вещественных корня
.
Формально-логический переход от корней (мнимых, комплексных, вещественных) к временным структурам jt, t + jt и t заключаются в том, что во всех случаях , откуда , где – постоянная времени рассматриваемой цепи, которая может быть чисто мнимая, комплексно-сопряженная или вещественная, что указывает на принадлежность к временной структуре.
Результаты
Для цепи найдена постоянная времени. Величина мнимая. Режим колебательный незатухающий.
Для цепи найдены постоянные времени для колебательного затухающего, критического апериодического и апериодического режимов работы цепи. Эти величины комплексно-сопряженные и вещественные.
Полученные постоянные времени принадлежат в случае цепи к мнимой структуре времени, в случае цепи – к комплексной либо вещественной структуре времени.
Полученная окончательная схема позволяет переводить исследуемый параметр из одной временной структуры в другую.
Выводы
Найденные постоянные времени для цепей и указывают на режим функционирования цепи. Общая концепция построения ЛСА для передвижения их исследуемого параметра в различных структурах времени заключается в установлении исходного состояния электрической цепи ЛСА и последующего переключения на ветвь, где постоянные времени мнимые, комплексно-сопряженные или вещественные.
Об авторах
Евгений Игоревич Алгазин
ФГБОУ ВО «Новосибирский государственный технический университет»
Автор, ответственный за переписку.
Email: algazin@corp.nstu.ru
доктор технических наук, профессор кафедры «Электроника и электротехника»
Россия, НовосибирскСписок литературы
- Арнольд, В. И. Дополнительные главы теории обыкновенных дифференциальных уравнений / В. И. Арнольд. – М. : Наука, Гл. ред. физ.-мат. лит-ры, 1978. – 304 с.
- Веселовский, О. Н. Основы электротехники и электротехнические устройства радиоэлектронной аппаратуры / О. Н. Веселовский, Л. М. Брославский. – М. : Высшая школа, 1977. – 312 с.
- Краткий физико-технический справочник / Под общ. ред. К. П. Яковлева. – Том 1. Математика. Физика. – М. : Гос. изд-во физ.-мат. лит-ры, 1960. – 448 с.
Дополнительные файлы







