Исследование газоразрядного электроакустического преобразователя и его применение в задачах неразрушающего контроля
- Авторы: Дерусова Д.А.1, Вавилов В.П.1, Нехорошев В.О.2, Шпильной В.Ю.1, Зуза Д.А.2, Колобова Е.Н.1
-
Учреждения:
- Томский политехнический университет
- Институт сильноточной электроники СО РАН
- Выпуск: № 2 (2024)
- Страницы: 3-16
- Раздел: Акустические методы
- URL: https://bakhtiniada.ru/0130-3082/article/view/255591
- DOI: https://doi.org/10.31857/S0130308224020015
- ID: 255591
Цитировать
Полный текст
Аннотация
Представлены результаты исследования газоразрядного электроакустического преобразователя (ГЭАП), функционирующего на основе импульсного разряда в воздухе при атмосферном давлении. Путем измерения уровня звукового давления и регистрации амплитудно-частотного спектра колебаний мембраны получена акустическая характеристика ГЭАП в диапазоне частот от 40 Гц до 4 МГц. Изучены электротермоакустические процессы, протекающие в газоразрядной системе «открытого типа», т.е. в случае, когда объем электродной системы сообщается с внешней средой. Выявлены особенности, характерные для подобных ГЭАП, в частности возникающие при их применении в задачах неразрушающего контроля. Показано, что износ электродов и изоляции, с одной стороны, ограничивает ресурс электродной системы преобразователя, а с другой стороны, приводит к напылению микрочастиц на поверхность тестового объекта. Количественно определена скорость износа элементов электродной системы. Приведены результаты химического анализа микрочастиц, выделившихся из объекта в ходе функционирования ГЭАП. Показана возможность применения ГЭАП для бесконтактного возбуждения локальных резонансных колебаний дефектов в композиционных материалах на примере неразрушающего контроля стеклопластикового композита с применением сканирующей лазерной доплеровской виброметрии.
Полный текст
ВВЕДЕНИЕ
Развитие промышленного производства конструкционных материалов определяет актуальность контроля их качества с целью обнаружения производственных и эксплуатационных дефектов. Особое внимание уделяют разработке перспективных методов неразрушающего контроля (НК) изделий авиакосмической [1, 2], атомной [3, 4] и металлургической [5] промышленностей, включая испытания композиционных материалов, металлов и сплавов. В ряде случаев результаты НК имеют решающее значение для принятия решения о дальнейшей эксплуатации изделий [4—8]. Следует заметить, что контроль тонких, гидрофильных и слоистых структур, а также изделий сложной геометрии, представляет определенные трудности, в связи с чем необходимо разработать новые и усовершенствовать известные виды контроля качества.
Одним из сравнительно новых методов неразрушающих испытаний материалов является сканирующая лазерная доплеровская виброметрия [8—14]. Суть метода заключается в широкополосной акустической стимуляции объектов с целью определения резонансного отклика в области дефектов путем регистрации колебаний на поверхности изделий с использованием сканирующего лазерного виброметра [12—16]. Основным преимуществом метода является возможность проведения исследований без прямого контакта с контролируемым объектом, что позволяет с высокой точностью измерять вибрации на расстоянии до нескольких десятков метров [12], а также исследовать объекты, находящиеся под напряжением, под воздействием высоких температур, в вакуумных камерах и в жидкостях [14, 15]. В последние годы лазерная виброметрия находит все более широкое применение в НК современных конструкционных материалов [15], а также используется для исследования сопутствующего оборудования, в частности акустических излучателей [10, 16—22].
Традиционными типами акустических излучателей, применяемых для возбуждения упругих колебаний при проведении НК, являются пьезоэлектрические [17, 20] и магнитострикционные преобразователи, широко используемые в коммерческих диагностических системах [23]. Ввиду существенного различия акустического импеданса воздушной среды и исследуемых материалов, для эффективной передачи ультразвука, как правило, используют иммерсионные среды. На практике это усложняет техническое исполнение устройств, увеличивает стоимость и длительность процедуры диагностики и ограничивает номенклатуру материалов и изделий, подлежащих контролю качества. Более того, после проведения дефектоскопии изделий с использованием соединительной среды необходима дальнейшая обработка их поверхности с удалением иммерсионной жидкости.
Появление так называемых воздушносвязанных ультразвуковых (у.з.) систем привело к разработке новых способов контроля [24—28]. Общей особенностью бесконтактных систем возбуждения является исключение влияния присоединенной массы и отсутствие необходимости использовать иммерсионный слой для ввода акустического сигнала в исследуемый объект [27—29]. Постоянно совершенствуются имеющиеся технологии и предлагаются новые акустические преобразователи, различающиеся по принципу действия [10, 28, 24—32]. Например, в работах [33, 34] для НК композитов использовали воздушносвязанный магнитострикционный преобразователь, потребляемая электрическая мощность которого составляла 1 кВт. Важно отметить, что магнитострикционные излучатели являются резонансными и работают на фиксированной частоте ультразвука. В связи с этим при проведении НК необходимо исключать совпадение частоты стимулирующих у.з. волн с собственными резонансными частотами элементов конструкции объекта.
Воздушносвязанные излучатели пьезоэлектрического типа также имеют ряд ограничений. Например, в работах [35, 36] показано, что совместное использование лазерного вибросканирования и бесконтактной стимуляции материалов с помощью пьезопреобразователей для контроля многокомпонентных дефектов затруднительно. Пьезоэлектрические преобразователи имеют ограничение по амплитуде приложенного электрического напряжения и, следовательно, по излучаемой мощности. Помимо этого, они характеризуются относительно узким диапазоном рабочих частот, и резонансная частота пьезоэлектрического преобразователя зависит от его размера. Указанные особенности ограничивают применение бесконтактных пьезопреобразователей для контроля слоистых композитов [37—40].
В работе [41] было предложено возбуждать акустические волны с помощью импульсного электрического разряда, который вызывает быстрые изменения давления в окружающей среде. Быстрый рост температуры, сопровождающийся расширением области плазмы газового разряда, вызывает волну сжатия (в ряде случаев подобную ударной), распространяющуюся в окружающем пространстве. Совокупность этих физических явлений условно называют электротермоакустическим эффектом [38]. Волна сжатия распространяется в разрядном промежутке и, кроме того, взаимодействует с электродами и разрядной камерой, вызывая их отклонение от равновесного положения. Соответственно, в процессе релаксации системы энергия колебаний частично трансформируется в окружающую среду с образованием акустических волн, что используют для создания бесконтактных акустических излучателей для НК [38, 41].
В работах [22, 38] нами был предложен газоразрядный электроакустический преобразователь (ГЭАП), принцип работы которого основан на электротермоакустическом эффекте. В частности, в ГЭАП формирование акустических колебаний происходит на основе импульсного разряда в воздухе при атмосферном давлении. При быстром нагреве и расширении газа в области плазмы разряда формируется волна давления, которая распространяется в окружающем пространстве. Было показано, что ГЭАП генерирует акустические волны в воздушной среде в диапазоне от 0 до 100 кГц, а максимальная амплитуда виброперемещения на мембране излучателя сопоставима с источниками возбуждения магнитострикционного и пьезоэлектрического типа [41].
В настоящей работе рассмотрены как акустические, так и эксплуатационные характеристики ГЭАП «открытого типа», т.е. с электродной системой, объем которой сообщается с окружающим пространством. Изучены электротермоакустические процессы, протекающие в газоразрядной системе, оценен химический состав напыления, образованного в электродной системе, проведены ресурсные испытания электродов и изолятора преобразователя.
МАТЕРИАЛЫ И МЕТОДЫ
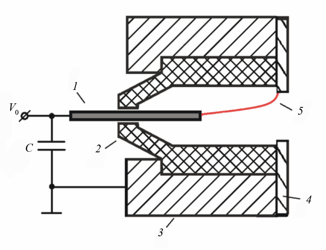
Использовали ГЭАП, упрощенная схема которого представлена на рис. 1.
Рис. 1. Упрощенная схема ГЭАП: 1 — острийный электрод; 2 — изолятор; 3 — обратный электрод (токопровод); 4 — мембрана (дисковый электрод); 5 — схематичное положение канала разряда
По своей сути рассматриваемый ГЭАП представляет собой неуправляемый разрядник, работающий в режиме самопробоя. Ввиду наличия отверстия в мембране 4, объем электродной системы сообщается с атмосферой, что позволяет осуществить вывод акустических колебаний в окружающее пространство. В исследуемой конфигурации излучателя система электродов близка к типу «острие—плоскость». В этом случае перед пробоем электрическое поле в межэлектродном промежутке распределяется неоднородно. Кроме того, электрод 1 контактирует с изолятором 2, что может привести к развитию пробоя по поверхности диэлектрика. Оба этих фактора сопровождаются уменьшением напряжения, необходимого для пробоя газоразрядного промежутка.
ГЭАП работает следующим образом: при подаче импульса тока от генератора начинается зарядка емкости С, а напряжение V0 на газоразрядном промежутке (разность потенциалов между электродами 1 и 4) возрастает до тех пор, пока не произойдет пробой. Протекание тока разряда сопровождается так называемым электротермоакустическим эффектом [38]. Суть этого явления заключается в формировании перепада давления в результате быстрого нагрева и расширения газа в области канала разряда 5 при протекании электрического тока. Кроме того, под воздействием перепада давления элементы конструкции отклоняются от положения равновесия, осуществляя релаксационные колебания. Таким образом, излучающей поверхностью ГЭАП фактически является область плазмы газового разряда, а также электроды и изолятор. По мере протекания тока разряда емкость С разряжается, и при некотором напряжении ток разряда обрывается, после чего происходит рекомбинация остаточной плазмы газового разряда, электрическая прочность промежутка восстанавливается. В эксперименте суммарная емкость C, с учетом емкости подводящего кабеля и межэлектродной емкости, была на уровне 2 нФ.
Упрощенная схема лабораторной установки и различных средств, использованных в настоящей работе для исследования электротермоакустических процессов в ГЭАП и в воздушном пространстве, приведена на рис. 2.
Рис. 2. Упрощенная схема лабораторной установки для исследования ГЭАП: а — система для возбуждения акустических колебаний на основе ГЭАП; б — измеритель уровня звукового давления; в — образец для исследования напыления; г — сканирующая головка лазерного виброметра (l — расстояние до торца преобразователя)
В настоящем исследовании разряд возбуждали с частотой 3 Гц от генератора импульсов тока с выходным напряжением до 20 кВ аналогично принципу, описанному в [22]. Ток короткого замыкания генератора достигал 700 A, время нарастания напряжения на емкости С не превышало 2 мкс.
Для измерения акустического давления, создаваемого в газоразрядном излучателе в области частот от 31,5 Гц до 8 кГц, использовали шумомер «ATE-9015» (Актаком, Россия), который размещали на расстоянии l = 30 см от торца ГЭАП. Погрешность измерения не превышала ±1,4 дБ.
При проведении исследования электроизноса элементов конструкции для взвешивания использовали полумикровесы «Госметр ВЛ120-М». Микрофотографии поверхности электродов были получены с помощью металлографического микроскопа «Альтами МЭТ1».
Для оценки напыления, возникающего в результате уноса массы элементов конструкции, использовали стеклянный образец (рис. 2в), размещенный на расстоянии l = 1 мм и менее от ГЭАП. Химический состав поверхностного слоя напыления (до 15 нм) был исследован методом рентгеновской фотоэлектронной спектроскопии с использованием сверхвысоковакуумного фотоэлектронного спектрометра «Thermo Scientific K-Alpha Nexsa». Для возбуждения монохроматизированного рентгеновского излучения использовали рентгеновскую трубку с анодом Al (1486,74 эВ). Площадь образца составила 200 мкм2. Перед помещением в спектрометр образцы хранили в течение 3 дней при атмосферном давлении и комнатной температуре. Обзорные спектры записывали при энергии пропускания 200 эВ с шагом 1 эВ. Обработку полученных спектров проводили с использованием программного обеспечения «Avantage Thermo Fisher software».
Лазерным виброметром PSV-500-3D HV (рис. 2г) измеряли вибрации на поверхности мембраны ГЭАП на расстоянии l = 1,5 м в диапазоне частот от 100 кГц до 4 МГц с шагом 30 Гц. Упрощенная схема лабораторной установки для НК приведена на рис. 3.
Рис. 3. Упрощенная схема лабораторной установки для проведения НК с использованием сканирующей лазерной доплеровской виброметрии и бесконтактного способа стимуляции материалов на основе ГЭАП
Неразрушающие испытания композиционных материалов были выполнены на панели из стеклопластика размерами 315×225×14 мм3 с дефектами различного происхождения: несквозными круглыми отверстиями и расслоениями. Для проведения НК использовали лабораторную установку [35], включающую сканирующий лазерный доплеровский виброметр PSV-500-3D HV, газоразрядный электроакустический преобразователь и генератор импульсов тока, как показано на рис. 3. В ходе контроля качества ГЭАП размещали на расстоянии 20 мм от торцевой стороны пластины. Лазерное вибросканирование поверхности стеклопластикового композита осуществляли в диапазоне частот от 50 Гц до 50 кГц с шагом по частоте 31 Гц (количество спектральных линий — 1600).
ЭКСПЕРИМЕНТАЛЬНЫЕ РЕЗУЛЬТАТЫ
3.1. Исследование акустических характеристик газоразрядного излучателя
C помощью метода лазерной виброметрии проведен спектральный анализ колебаний в пяти точках на мембране излучателя (количество измерений — 5). Время записи колебаний в каждой точке сканирования составило 4 мс при длительности релаксации колебаний мембраны около 2 мс [22]. В ходе лазерного сканирования был измерен амплитудно-частотный спектр колебаний мембраны ГЭАП в диапазоне частот от 100 кГц до 4 МГц с разрешением 30 Гц. На рис. 4 приведен амплитудно-частотный спектр ГЭАП, имеющего отверстие диаметром 1 мм в центре мембраны.
Рис. 4. Спектр колебаний на поверхности мембраны ГЭАП (отверстие диаметром 1 мм в центре) в диапазоне частот от 100 кГц до 4 МГц
Спектр на рис. 4 представлен явно выраженными полосами в диапазоне частот от 100 до 500 кГц и от 3 до 4 МГц, а также набором большого количества узких линий во всем рассматриваемом интервале частот вплоть до 3,5 МГц. Первая полоса с частотой от 100 до 500 кГц соответствует процессам с характерной длительностью порядка 2—10 мкс, что можно сопоставить, соответственно, с активной длительностью импульса тока и характерной постоянной времени процесса нагрева и расширения газа в области плазмы разряда. Быстропротекающие газоразрядные процессы в электродной системе приводят к возникновению вибраций на поверхности мембраны в диапазоне частот от 3 до 4 МГц с максимумом, соответствующим собственной резонансной частоте газоразрядного контура при индуктивности порядка 1 мкГн и емкости 2 нФ. Сравнительно высокая амплитуда зарегистрированного сигнала в указанном диапазоне частот может быть обусловлена как изменениями состояния плазмы разряда при осцилляции тока в газоразрядном контуре, так и действием потока заряженных частиц и силы Ампера. В целом, полученный вид спектра характерен для импульсных сигналов подобного рода, например, близкая форма акустического спектра при возмущении от искрового разряда была приведена в работе [41]. Наличие большого числа спектральных линий объясняется как собственными резонансами элементов конструкции и их гармониками, так и наличием переотражений в электродной системе. Следует отметить, что спектр на рис. 4 практически непрерывен во всей исследуемой полосе частот, а основная доля энергии выделяется в диапазоне частот до 400 кГц, что фактически соответствует требованиям, предъявляемым к акустическим излучателям в НК [40].
В работе [22] был приведен спектр колебаний мембраны ГЭАП закрытого типа (без отверстия), следовательно, объем электродной системы не сообщался с окружающей средой. Было отмечено влияние собственных частот мембраны излучателя (около 10 кГц) на диапазон его рабочих частот. В настоящем исследовании также наблюдалось влияние резонансных колебаний элементов конструкции ГЭАП, вызванных импульсом разряда, на регистрируемый амплитудно-частотный спектр. Однако характеристика ГЭАП открытого типа (см. рис. 4) существенно шире, чем соответствующие амплитудно-частотные характеристики излучателя закрытого типа [19]. Это можно объяснить тем, что в закрытой конфигурации ГЭАП объем газоразрядного промежутка отделен от окружающей среды мембраной (диафрагмой), в результате чего излучающей поверхностью является только сама мембрана преобразователя. В открытой конфигурации, ввиду наличия отверстия, объем газоразрядного промежутка сообщается с окружающим пространством. Следовательно, акустические волны формируются как у поверхности мембраны, так и в межэлектродном промежутке газоразрядного преобразователя. Резюмируя, можно заключить, что исследуемый источник звука является широкополосным, некогерентным, с неравномерным амплитудно-частотным спектром, отличающимся наличием выраженных полос поглощения и резонансных линий, которые соответствуют собственным колебаниям и переотражениям волн от элементов конструкции. Частотная характеристика изменялась незначительно от импульса к импульсу, однако амплитуда акустического сигнала была нестабильной.
Для исследования стабильности генерации акустических волн и получения интегральной акустической характеристики ГЭАП было измерено давление звука. Давление измеряли на расстоянии 30 см от мембраны ГЭАП. На рис. 5 приведены результаты измерения акустического давления в помещении для 1000 импульсов разряда.
Рис. 5. Уровень шума на расстоянии 30 см от ГЭАП: N — порядковый номер импульса; частота следования импульсов — 2 Гц; межэлектродный зазор 5 мм
Судя по графику (см. рис. 5), от импульса к импульсу наблюдаются существенные изменения амплитуды звукового давления (разброс от 60 до 90 дБ). В некоторых случаях была достигнута амплитуда звукового давления более 85 дБ, что соответствует перепаду давления в области измерения на уровне 0,2 Па в полосе частот до 8 кГц. При этом, с учетом данных о распределении спектральной плотности мощности (см. рис. 4), суммарный перепад давления будет еще выше. Вероятно, нестабильность амплитуды сигнала связана со спецификой газоразрядных процессов, например, с различной длиной и положением разрядного канала, что также было отмечено в работе [38]. В связи с этим при использовании акустических преобразователей газоразрядного типа необходимо учитывать разброс амплитуды сигнала.
3.2. Ресурсные испытания ГЭАП
Поскольку ГЭАП является газоразрядным устройством, работающим с импульсными токами, для него характерен электроизнос элементов электродной системы. Были проведены ресурсные испытания излучателя, что подразумевает микроскопию поверхности и измерение потери массы элементов электродной системы при наработке порядка 103—104 импульсов.
Микрофотографии дискового электрода до и после проведения ресурсных испытаний приведены на рис. 6.
Рис. 6. Фотографии дискового электрода до испытаний (а) и картины микрократеров, образовавшихся на его поверхности (б)
На микрофотографии (рис. 6б) видны характерные оплавления мембраны излучателя — микрократеры. В ходе детального исследования эрозии электродов были обнаружены микрократеры с характерным линейным размером от 10 до 20 мкм. Поскольку края кратера имеют неоднородную структуру, существует значительная вероятность привязки разряда к краю микрократера. В дальнейшем образования из микрократеров перекрываются друг с другом и формируют наплавления субмиллиметрового масштаба. Этот процесс может вносить нестабильности в поведение разряда, приводящие к разбросу уровня звукового давления в ГЭАП, конструкция которого описана в разделе 2. Кроме того, фактически наблюдался износ электродов.
Был исследован унос массы с электродов и изолятора при наработке свыше 104 импульсов, для чего проводили серию ресурсных испытаний по 1000 и 10000 импульсов. Затем на основе данных, полученных в результате взвешиваний, были выполнены оценки скорости потери массы электродов и изолятора. Результаты исследования представлены на рис. 7 в виде графиков.
Рис. 7. Унос массы изолятора (а) и электродов (б) в зависимости от количества импульсов разряда (пунктирными линиями обозначены линейные аппроксимации для оценки скорости потери массы, межэлектродный зазор —10 мм)
Наименьшая скорость потери массы наблюдалась для острийного электрода и составляла (50—100) нг/имп. Для дискового электрода скорость потери массы составляла (250—500) нг/имп. Ввиду различия материалов электродов (холоднокатаная сталь для острия и латунь для диска) унос массы с дискового электрода был приблизительно в 5 раз больше. Вероятно, это связано с меньшей температурой плавления компонентов латуни и другими различиями физических свойств сплавов, из которых были изготовлены электроды.
Максимальная скорость уноса массы изолятора составляла (0,5—3,5) мкг/имп, что превышает соответствующие значения уноса массы электродов (рис. 7б). Полученный результат, вероятно, объясняется механическим разрушением, испарением и распылением с последующим уносом продуктов этих реакций из объема электродной системы ГЭАП. По мере выхода на режим скорость потери массы изолятора стабилизировалась на уровне 500 нг/имп.
Таким образом, скорость потери массы для изолятора была значительно больше, чем для электродов. Если для металлических электродов потеря массы объясняется испарением и распылением, то для изолятора характерны дополнительные потери массы из-за взаимодействия с плазмой разряда. Кроме того, на металлических токоведущих частях эрозия происходит, в основном, в зонах привязки разряда на электродах (катодные и анодные пятна), в то время как при пробое по поверхности диэлектрика возникает область контакта значительной площади, порядка нескольких мм2 и более.
В результате деградации (эрозии) острийного электрода изменялась длина межэлектродного промежутка. Для величины зазора d = 12 мм, принимая допустимое относительное изменение длины зазора на уровне 20 %, абсолютное изменение длины электрода составило около 2,4 мм. Принимая плотность стали 7,9 г/см3 и средний диаметр острийного электрода около 3 мм, оценим ресурс газоразрядного излучателя, исходя из состояния электрода. На основе данных о скорости уноса массы (см. рис. 7) оценка ресурса дает величину на уровне 106—107 импульсов. При частоте следования импульсов до 3 Гц полученный результат будет приближаться к 1000 ч непрерывной работы. По прошествии этого времени генерация акустических колебаний не прервется, однако их амплитуда возрастет. Это объясняется тем, что с ростом длины межэлектродного промежутка увеличивается пробивное напряжение, следовательно, возрастает энергия, запасенная в емкостном накопителе генератора.
При изменении массы элементов конструкции продукты этих процессов попадают в окружающее пространство. Часть продуктов может оседать на объекте исследования и приводить к загрязнению его поверхности. Соответствующие исследования описаны ниже.
3.3. Рентгеновская фотоэлектронная спектроскопия
Напротив выходного отверстия, вплотную к выходному отверстию ГЭАП, размещали предварительно очищенную стеклянную подложку (схематично показанную как позиция в на рис. 2). На рис. 8а приведена фотография электроакустического преобразователя со стеклянной подложкой для улавливания напыления, на рис. 8б — фотография области напыления на стеклянной подложке по истечении 1000 импульсов.
Рис. 8. Фотография ГЭАП в ходе эксперимента (а), напыления на предметном стекле (б) и участков поверхности предметного стекла при различном увеличении (в — след соскоба; г — детальный вид напыления)
Как видно из рис. 8б, на поверхности стеклянной подложки образовалось неоднородное матовое напыление, основная доля которого сосредоточена в области окружности диаметром приблизительно 10 мм. После эксперимента на поверхности предметного стекла видно матовое покрытие (см. рис. 8б) светлобежевого цвета. Область напыления имеет радиальную симметрию. Однако покрытие неоднородно распределено по поверхности стекла, а именно, заметно снижение плотности напыления от центра к периферии. Для исследования микроструктуры напыления состояние поверхности образца было сфотографировано с использованием металлографического микроскопа.
На фотографии (рис. 8в) изображена картина после соскоба, на левой части снимка наблюдается покрытие, на правой части — поверхность очищенного стекла. Силы адгезионного взаимодействия покрытия к стеклу относительно низкие, что позволило сделать соскоб без существенных усилий. При детальном рассмотрении напыления (рис. 8г) наблюдается структура, состоящая из напыленных микрочастиц с характерным размером менее 1 мкм, однако отмечено присутствие включений размером около 3 мкм и более. Таким образом, наглядно показано, что при функционировании излучателя (вследствие испарения, разрушения электродов и изолятора) образуются микрочастицы, часть которых создает осадок (напыление на тестовом объекте).
С целью определения химического состава напыления был проведен его химический анализ методом рентгеновской фотоэлектронной (РФЭ) спектроскопии, причем по трем точкам на поверхности стекла было показано, что покрытие однородно. На рис. 9 приведен обзорный спектр РФЭ.
Рис. 9. Обзорный РФЭ-спектр напыления
На обзорном РФЭ-спектре наблюдается множество линий, соответствующих электронным уровням и подуровням различных химических элементов с их характерными энергиями связей. Это свидетельствует о сложном химическом составе напыления.
Наличие относительно интенсивных фотоэлектронных линий Fe 2s, Fe 3p, Fe 2p и Оже-линии Fe LMM указывает на содержание атомов железа в напылении. Фотоэлектронные линии Cr 3s и Cr 2p совместно с Оже-линией Cr LMM свидетельствуют о содержании хрома. Наблюдаются слабоинтенсивные спектральные линии, соответствующие атомам никеля (Ni 2p, Ni 2s). Все вышеперечисленные линии относятся к нержавеющей стали, из которой был выполнен острийный электрод (позиция 1 на рис. 1).
Выраженные спектральные линии Cu 3p, Cu 3s, Cu 2s и Zn 3p, Zn 3s, Zn 2p, Zn LMM относятся к атомам меди и цинка соответственно. Следовательно, происходит распыление материала дискового электрода (позиция 4 на рис. 1), изготовленного из латуни.
Необходимо отметить, что обратный токопровод ГЭАП (позиция 3 на рис. 1) выполнен из алюминия. Следовательно, при вибрации мембраны (позиция 4 на рис. 1) в месте контакта могут образовываться частицы и пары алюминия как при нагреве в месте контакта при протекании электрического тока, так и при механическом взаимодействии колеблющейся мембраны с обратным токопроводом. При вибрациях мембраны пары и микрочастицы алюминия могут проникать через зазор между мембраной и обратным токопроводом в межэлектродный промежуток. Однако перекрытие спектральных линий алюминия Al 2s с Cu 3s и линий Al 2p с Cu 3p не позволяет достоверно утверждать о содержании алюминия в напылении.
Также на РФЭ-спектре наблюдаются спектральные линии, соответствующие атомам углерода (C 1s) и фтора (F 1s, F 2s, F KLL), из которых состоят макромолекулы политетрафторэтилена — материала изолятора.
Таким образом, показано, что в разряде происходит разрушение материалов элементов конструкции (электродов и изолятора). В результате деструктивных плазмохимических и термических процессов в объеме электродной системы образуется многокомпонентная гетерогенная смесь из газов и твердых микрочастиц. При расширении газа вследствие нагрева в области плазмы разряда формируется направленный поток продуктов деструкции на подложку. В итоге, на поверхности подложки образуется напыление, которое может формироваться как из газовой фазы, так и в процессе прилипания микрочастиц. Наличие линий кислорода (O 1s и O KLL) и азота (N 1s) свидетельствует о взаимодействии продуктов реакций с воздухом, прежде всего, об их окислении.
Следовательно, при конструировании и эксплуатации ГЭАП необходимо учитывать влияние тепловых и плазмохимических процессов, протекающих под воздействием плазмы разряда, на материалы системы. Здесь важны три аспекта.
Во-первых, для элементов конструкции газоразрядной системы характерен электроизнос, обусловленный деструктивным воздействием разряда. Появление катодных пятен и локальный разогрев электродов приводят к испарению паров металлов и образованию микрокапель. Пробой по диэлектрику и взаимодействие фотонов и активированных в плазме частиц с изолятором приводит к разрыву ковалентных связей в макромолекулах политетрафторэтилена и выделению низкомолекулярных веществ в газовую фазу [42]. Этот аспект определяет ресурс ГЭАП. В целом, электроизнос элементов конструкции электродной системы характерен для большинства импульсных газоразрядных приборов.
Во-вторых, при использовании в качестве изолятора политетрафторэтилена возможно образование токсичных продуктов деструкции, таких как тетрафторэтилен, гексафторэтилен, карбонилфторид, фтороводород, перфторизобутилен [43, 44]. Отсюда вытекает второй аспект — необходимость обеспечения безопасной эксплуатации при условии выноса в атмосферу продуктов деструкции материалов электродов и изолятора.
В-третьих, часть продуктов реакции оседает на объекте. Следовательно, на поверхности подложки образуется напыление, что может загрязнять объекты исследования. Экспериментально показано, что значительный слой образуется при числе имульсов порядка 103, причем при минимальном расстоянии до выходного отверстия в электродной системе. При увеличении расстояния между газоразрядным излучателем и предметным стеклом более 10 мм, напыление на тестовом объекте практически не наблюдается. Поскольку для проведения виброизмерения в одной точке достаточно одного импульса разряда, в большинстве случаев при проведении НК на практике можно пренебречь этим фактором.
3.4. Применение ГЭАП для бесконтактного возбуждения резонансных колебаний в дефектах при проведении НК
Неразрушающие испытания стеклопластикового композита были проведены с использованием лабораторной установки (см. рис. 3) на основе сканирующей лазерной виброметрии и бесконтактной акустической стимуляции с использованием газоразрядного электроакустического преобразователя, описанного в разделе 2. По результатам лазерного вибросканирования были получены виброграммы (рис. 10), отображающие распределение амплитуды скорости колебаний исследуемого образца на частотах от 7,33 до 35,9 кГц, а также усредненные амплитуды скорости колебаний стеклопластика в диапазоне частот от 50 Гц до 50 кГц (рис. 11). Локальное усиление амплитуды колебаний в зоне дефектов (vd) по сравнению с бездефектной зоной (vnd) определяется как k = vd / vnd и отражено на соответствующих виброграммах.
Рис. 10. Виброграммы стеклопластикового композита на частотах 7,33 кГц (а); 10,3 кГц (б); 12,8 кГц (в); 35,9 кГц (г)
По результатам лазерного вибросканирования были обнаружены три несквозных отверстия, а также расслоения на краю пластины стеклопластикового композита. Несквозные отверстия, имеющие резонанс на частоте 7,33 и 12,8 кГц, были расположены на глубине 3 мм от поверхности композита и имели высокий коэффициент усиления сигнала (от 3,2 до 4,4), в то время как несквозное отверстие, резонанс которого был определен на частоте 35,9 кГц, отличалось меньшим коэффициентом усиления (3) из-за большей глубины залегания (4 мм). Стоит отметить, что на краю пластины наблюдались расслоения, которые проявлялись на частотах 10,3 и 35,9 кГц, однако при усреднении данных эти дефектные отметки оказались менее выраженными по сравнению с колебаниями несквозных отверстий (см. рис. 11). В целом, полученные результаты подтверждают возможность использования газоразрядного излучателя для обнаружения дефектов в виде несквозных отверстий и расслоений в стеклопластиковых композитах.
Рис. 11. Виброграмма колебаний стеклопластикового композита, усредненная в диапазоне частот от 50 Гц до 50 кГц (ГЭАП снабжен демпфером)
ЗАКЛЮЧЕНИЕ
В настоящем исследовании показано, что ГЭАП является мощным широкополосным источником звука, генерирующим акустические волны с частотами от единиц герц до 4 МГц. Данный источник является некогерентным, поскольку излучающая поверхность преобразователя представлена совокупностью поверхности области плазмы разряда и поверхностей элементов конструкции. Выявлены особенности ГЭАП, такие как сильная неравномерность АЧХ ввиду наличия резонансов и полос поглощения, соответствующих колебаниям элементов конструкции, а также существенный разброс амплитуды сигнала от импульса к импульсу. Уровень звукового давления для диапазона частот от 30 Гц до 8 кГц имел существенный разброс (60—85) дБ от импульса к импульсу, что соответствовало максимальному перепаду давления в области измерения на уровне 0,2 Па.
Были определены скорости потери массы элементов конструкции. На основе полученных данных, ресурс электродной системы был оценен на уровне 1000 часов при частоте следования импульсов до 3 Гц. Следует заметить, что по мере износа электродов геометрия газоразрядного промежутка изменялась, что влияло на акустическую характеристику преобразователя.
Показано, что износ электродов и изолятора под воздействием плазмы разряда приводит к образованию микрочастиц, часть которых попадает в атмосферу, а другая часть может осаждаться на объекте исследования в виде напыления. Состав напыления представлен, в основном, микрочастицами пластика, металлов и их оксидов. Таким образом, фактически происходит загрязнение объекта исследования, однако на практике показано, что количество загрязнений во многих случаях незначительно.
Все вышеперечисленные особенности необходимо учитывать при эксплуатации ГЭАП. Результаты неразрушающих испытаний показали возможность использования системы на основе газоразрядного электроакустического преобразователя для бесконтактной акустической стимуляции материалов. В области частот до 50 кГц методом сканирующей лазерной виброметрии обнаружены дефекты в виде несквозных отверстий и расслоений в стеклопластиковых композитах.
Работа выполнена при финансовой поддержке Министерства науки и высшего образования Российской Федерации в рамках Государственного задания «Наука», проект № FSWW-2023-0019, в работе применяли оборудование ЦКП НОИЦ «Наноматериалы и нанотехнологии» ТПУ.
Об авторах
Д. А. Дерусова
Томский политехнический университет
Автор, ответственный за переписку.
Email: red@tpu.ru
Россия, 634028 Томск, ул. Савиных, 7
В. П. Вавилов
Томский политехнический университет
Email: vavilov@tpu.ru
Россия, 634028 Томск, ул. Савиных, 7
В. О. Нехорошев
Институт сильноточной электроники СО РАН
Email: nvo@lnp.hcei.tsc.ru
Россия, 634055 Томск, пр-т Академический, 2/3
В. Ю. Шпильной
Томский политехнический университет
Email: vshpilnoy@list.ru
Россия, 634028 Томск, ул. Савиных, 7
Д. А. Зуза
Институт сильноточной электроники СО РАН
Email: zzdnl@yandex.ru
Россия, 634055 Томск, пр-т Академический, 2/3
Е. Н. Колобова
Томский политехнический университет
Email: ekaterina_kolobova@mail.ru
Россия, 634028 Томск, ул. Савиных, 7
Список литературы
- Кругленя А.И. Неразрушающий контроль в аэрокосмической промышленности / Сборник материалов VII Международной научно-практической конференции, посвященной Дню космонавтики: в 3 томах. Т. 2. Под общей редакцией Ю. Ю. Логинова. Красноярск: Федеральное государственное бюджетное образовательное учреждение высшего образования «Сибирский государственный университет науки и технологий имени академика М.Ф. Решетнева», 2021. С. 813—815.
- Щербаков М.И. Новые аспекты использования теплового неразрушающего контроля для различных объектов авиационной промышленности / Материалы III отраслевой конференции по измерительной технике и метрологии для исследований летательных аппаратов. Жуковский: Центральный аэрогидродинамический институт имени профессора Н.Е. Жуковского, 2018. С. 381—386
- Bertovic M., Fahlbruch B., Müller C. Human Factors Perspective on the Reliability of NDT in Nuclear Applications // Materials testing. 2013. № 55 (4). P. 243—253. doi: 10.3139/120.110431
- Chatillon S., Cattiaux G., Serre M., Roy O. Ultrasonic non-destructive testing of pieces of complex geometry with a flexible phased array transducer // Ultrasonics. 2000. № 38 (1—8). P. 131—4.
- Bida G.V. Nondestructive Testing of Mechanical Properties of Rolled Steel (Review): 1. Tests of Strength and Plastic Properties // Russian Journal of Nondestructive Testing. 2005. № 41(5). С. 296—306. doi: 10.1007/s11181-005-0169-7
- Solodov I., Kreutzbruck M. Local defect resonance of a through-thickness crack / // Ultrasonics. 2021. № 118 (21). P. 106565. doi: 10.1016/j.ultras.2021.106565
- Malinowski P.H., Wandowski T., Ostachowicz W.M., Sagnard M., Berthe L., Ecault R., Solodov I., Ségur D., Kreutzbruck M. Extended Non-destructive Testing for the Bondline Quality Assessment of Aircraft Composite Structures // Adhesive Bonding of Aircraft Composite Structures. 2021. doi: 10.1007/978-3-319-92810-4_4
- Solodov I., Kreutzbruck M. Mode matching to enhance nonlinear response of local defect resonance //Journal of Sound and Vibration. 2019. V. 461. P. 114916.
- Vanlanduit S., Vanherzeele J., Vuye C., Guillaume P. Characterization of acoustic materials using the scanning laser Doppler vibrometer / Proc. of the 7th Int. Conf. on Vibr. Measur. by Laser Tech. 2006. V. 6345. P. 634517.
- Derusova D.A., Vavilov V.P., Druzhinin N.V. Investigating vibration characteristics of magnetostrictive transducers for air-coupled ultrasonic NDT of composites // NDT and E Int. 2019. V. 107. Article number 102151.
- White R.D., Schmid E.S., Neeson I. Flow testing of a sonic anemometer for the martian environment // AIAA Scitech Forum. 2020. No. 1. P. 237189.
- Polytec Laser vibration measurement. Areas of application / Polytec // polytec.com URL: https://www.polytec.com/int/vibrometry/areas-of-application (дата обращения: 06.11.2023).
- Solodov I., Doring D., Busse G. Air-coupled laser vibrometry: analysis and applications // Appl. Opt. 2009. V. 48. P. 33—37.
- Solodov I., Kreutzbruck M. Single-sided access remote imaging via resonant airborne activation of damage // NDT & E Int. 2019. V. 107. P. 102146.
- Najib Abou Leyla, Moulin E., Assaad J., Benmeddour F., Grondel S. Modeling a surface-mounted Lamb wave emission-reception system: Applications to structural health monitoring // PACS. 2008. № 43. 40.Le, 43.20.Ks, 43.60.Qv, 43.38.Ar YHB. P. 3521—3527. doi: 10.5772/30139
- Vinogradov S.A. , Cobb A. C., Fisher J. New Magnetostrictive Transducer Designs for Emerging Application Areas of NDE // Materials. 2018. № 11(5). С. 755. doi: 10.3390/ma11050755
- Хмелев В.Н., Шалунов А.В., Нестеров В.А., Доровских Р.С. Исследование влияния второстепенных мод колебаний на равномерность распределения колебаний ультразвуковых дисковых излучателей // Научно-технический вестник Поволжья. 2017. № 5. С. 106—108.
- Гуревич С.Ю., Голубев Е.В., Петров Ю.В. Излучатель и приемник ультразвука для бесконтактного контроля качества тонколистовых металлоизделий // Вестник ЮУрГУю. Серия «Математика. Механика. Физика». 2015. Т. 7. № 1. С. 57—64.
- Derusova D.A., Vavilov V. P., Xingwang G., Shpil’noi V.Yu., Danilin N.S. Infrared Thermographic Testing of Hybrid Materials Using High-Power Ultrasonic Stimulation // Russian Journal of Nondestructive Testing. 2018. V. 10. P. 58—64.
- Ultrasonic transducers, Technical notes, Olympus NDT, 2006.
- Xingwang G., Liang Z. Vibro-thermography of calibrated defects in hybrid plates focusing on viscoelastic heat generation // Quantitative InfraRed Thermography Journal. 2021. V. 18. Is. 5. P. 314—331.
- Derusova D.A., Vavilov V.P., Guo X., Druzhinin N.V. Comparing the Efficiency of Ultrasonic Infrared Thermography under High-Power and Resonant Stimulation of Impact Damage in a CFRP Composite // Russian Journal of Nondestructive Testing. 2018. V. 5. P. 356—362.
- Yano T., Tone M., Fukumoto A. 1 MHz Ultrasonic Transducer Operating in Air / In: A. J. Berkhout, J. Ridder, and L. F. van der Wal. Eds. Acoustical Imaging. Boston, MA: Springer US, 1985. P. 575—584.
- Schiller S., Hsieh C.K., Chou C., Khuri-yakub B. Novel high frequency air transducers / Review of progress in quantitative NDE. 1990. P. 795.
- Hutchins D.A., Schindel D.W. Advances in non-contact and air-coupled transducers // Proceedings of IEEE Ultrasonics Symposium. 1993. V. 2. P. 1245—1254. doi: 10.1109/ULTSYM.1994.401811
- Chen J., Wang X., Yang X., Zhang L., Wu H. Application of air-coupled ultrasonic nondestructive testing in the measurement of elastic modulus of materials // Applied Sciences. 2021. V. 11. Is. 19. Article number 9240. doi: 10.3390/app11199240
- Adelegan O.J., Coutant Z.A., Wu X., Yamaner F.Y., Oralkan O. Design and Fabrication of Wideband Air-Coupled Capacitive Micromachined Ultrasonic Transducers with Varying Width Annular-Ring and Spiral Cell Structures // IEEE Transactions on Ultrasonics, Ferroelectrics, and Frequency Control. 2021. V. 68. Is. 8. P. 2749—2759. doi: 10.1109/TUFFC.2021.3076143
- Bernhardt Y., Kreutzbruck М. Integrated defect sensor for the inspection of fiber-reinforced plastics using air-coupled ultrasound // Journal of Sensors and Sensor Systems. 2021. V. 9. Is. 1. P. 127—132. doi: 10.5194/jsss-9-127-2020
- Marhenke T., Neuenschwander J., Furrer R., Zolliker P., Twiefel J., Hasener J., Wallaschek J., Sanabria S.J. Air-Coupled Ultrasound Time Reversal (ACU-TR) for Subwavelength Nondestructive Imaging // IEEE Transactions on Ultrasonics, Ferroelectrics, and Frequency Control. 2020. V. 67. Is. 3. P. 651—663. doi: 10.1109/TUFFC.2019.2951312
- Daschewski M., Kreutzbruck M., Prager J., Dohse E., Gaal M., Harrer A. Resonanzfreie Messung und Anregung von Ultraschall // Technisches Messen. 2015. V. 82 (3). P. 156—66.
- Gaal M., Kotschate D. New technologies for air-coupled ultrasonic transducers / Proceedings of 12th ECNDT conference, 2018, Gothenburg, Sweden. Author profiles for this publication at: https://www.researchgate.net/publication/325685745
- Migachev S.A., Kurkin M.I., Smorofinskii Y.G. Noncontact excitation of sound in metals by a video pulse of electric field // Russian Journal of Nondestructive Testing. 2016. V. 52. Is. 11. P. 653—6561.
- Kachanov V.K., Sokolov I.V., Karavaev M.A., Kontsov R.V. Selecting Optimum Parameters of Ultrasonic Noncontact Shadow Method for Testing Products Made of Polymer Composite Materials // Russian Journal of Nondestructive Testing. 2020. V. 56. Is. 10. P. 831—842
- Shpil’noi V.Yu., Vavilov V.P., Derusova D.A., Druzhinin N.V., Yamanovskaya A.Yu. Specific Features of Nondestructive Testing of Polymer and Composite Materials Using Air-Coupled Ultrasonic Excitation and Laser Vibrometry // Russian Journal of Nondestructive Testing. 2021. V. 57. No. 8. P. 647—655.
- Derusova D.A., Vavilov V.P., Nekhoroshev V.O., Shpil’noi V.Yu., Druzhinin N.V. Features of Laser-Vibrometric Nondestructive Testing of Polymer Composite Materials Using Air-Coupled Ultrasonic Transducers // Russian Journal of Nondestructive Testing. 2021. V. 57. P. 1060—1071.
- Solodov I., Dillenz A., Kreutzbruck M. A new mode of acoustic NDT via resonant air-coupled emission // J. of Appl. Phys. 2017. V. 121. P. 245101.
- Vuye C., Vanlanduit C., Guillaume P. Accurate estimation of normal incidence absorption coefficients with confidence intervals using a scanning laser Doppler vibrometer // Opt. and Las. in Eng. 2009. V. 47. Is. 6. P. 644—650.
- Derusova D.A., Nekhoroshev V.O., Shpil’noi V.Y., Vavilov V.P. Developing Novel Gas Discharge Emitters of Acoustic Waves in Air for Nondestructive Testing of Materials // Sensors. 2022. V. 22. Is. 23. Article number 99056. 14 p.
- Zipser L., Seeling H.-D., Franke H. Refracto-vibrometry for visualizing ultrasound in small-sized channels, cavities and objects / Proc. - IEEE Ultras. Symp. IUS 2009. P. 2588—2590.
- Solodov I., Rahammer M., Kreutzbruck M. Analytical evaluation of resonance frequencies for planar defects: Effect of a defect shape // NDT and E Internationalthis link is disabled. 2019. V. 102. P. 274—280.
- Ayrault C., Bequin P., Baudin S. Characteristics of spark discharge as an adjuistable acoustic source for scale model measurements / Proceedings of the acoustics 2012 Nantes conf. 23—27 April. P. 3555—3559. Nantes, France. 2012.
- Rittmann J., Rahammer M., Holtmann N., Kreutzbruck M. A mobile nondestructive testing (NDT) system for fast detection of impact damage in fiber-reinforced plastics (FRP) // Journal of Sensors and Sensor Systems. 2020. V. 9. Is. 1. P. 43—50.
- Suh G., Kim H., Yôiti S. Measurement of resonance frequency and loss factor of a microphone diaphragm using a laser vibrometer // Appl. Acoust. 2010. V. 71. P. 258—261. doi: 10.1016/j.apacoust.2009.09.007
- Zipser L., Franke H. Laser-scanning vibrometry for ultrasonic transducer development // Sens. Actuators A Phys. 2004. V. 110. P. 264—268. doi: 10.1016/j.sna.2003.10.051
Дополнительные файлы













