Synthesis, Crystal Structure and Magnetic Properties of Y3–xCex(Fe0.5Ga0.5)5O12 (х = 0, 0.5)
- Authors: Romanova Е.S.1, Smirnova M.N.1, Nikiforova G.E.1, Ketsko V.A.1, Yanushkevich K.I.2
-
Affiliations:
- Kurnakov Institute of General and Inorganic Chemistry of the Russian Academy of Sciences
- Scientific and Practical Center for Materials Science of the National Academy of Sciences of Belarus
- Issue: Vol 69, No 8 (2024)
- Pages: 1104-1108
- Section: СИНТЕЗ И СВОЙСТВА НЕОРГАНИЧЕСКИХ СОЕДИНЕНИЙ
- URL: https://bakhtiniada.ru/0044-457X/article/view/274243
- DOI: https://doi.org/10.31857/S0044457X24080022
- EDN: https://elibrary.ru/XKYNPW
- ID: 274243
Cite item
Full Text
Abstract
The specific magnetisation and magnetic susceptibility of ferrogranates of the composition Y3–xCex(Fe0.5Ga0.5)5O12 (x = 0, 0.5) obtained by the gel combustion method have been measured. It was found that after synthesis and subsequent crystallisation at pressure ≈ 10–2 Pa at 1023 K for 2 h, the temperature of magnetic phase transformation in the studied compositions Y3–xCex(Fe0.5Ga0.5)5O12 increases with the replacement of yttrium ions Y3+ by Ce3+. Partial substitution of iron ions in the ferrogranate lattice by gallium leads to the appearance of antiferromagnetic ordering with sufficiently high Curie-Weiss temperature Θef.
Keywords
Full Text
ВВЕДЕНИЕ
Разработка новых материалов с высокими магнитооптическими свойствами для устройств магнитоплазмоники по-прежнему остается актуальной проблемой химии и физики конденсированного состояния [1–8]. Принцип работы таких устройств основан на фарадеевском вращении плоскости поляризации в магнитоупорядоченных материалах во внешнем магнитном поле [7–10]. Это обусловлено тем, что кристаллическая решетка феррогранатов, состоящая из трех катионных позиций разных размеров (додекаэдрической, тетраэдрической и октаэдрической), позволяет регулировать функциональные характеристики вещества в широком интервале параметров состояния, используя различные варианты замещения ионов металлов в элементарной кристаллической ячейке [11, 12].
Среди феррогранатов особое место занимает Се3Fe5O12, так как он характеризуется наиболее высоким среди известных веществ показателем качества, определяемым отношением магнитооптического эффекта к оптическому поглощению [13]. В то же время практическое использование этого состава ограничивается проблемой синтеза гомогенного Ce3Fe5O12 в виде керамики и монокристаллов, что обусловлено размерным фактором ионов. Ионный радиус церия Сe3+ (1.14 Å) больше, чем иттрия Y3+ (1.02 Å), и встраивание Сe3+ в элементарную ячейку феррограната приводит к возникновению структурных деформаций и образованию нежелательных примесных фаз [14].
На протяжении последних лет многие научные коллективы предпринимали попытки получить стабильные керамические материалы частичным замещением ионов редкоземельных элементов в кристаллической решетке феррогранатов на Сe3+, например части ионов Y3+ в Y3Fe5O12 на Сe3+. В работах [15, 16] такие материалы были получены, но содержание в них церия, по данным РФА, не превышало 8%, например Ce0.122Y2.878Fe5O12.
Авторами настоящей работы ранее синтезирован гомогенный порошкообразный феррогранат Y2.5Ce0.5Fe2.5Ga2.5O12 с содержанием церия 16.7% [17–19]. Такое рекордное содержание Сe3+ в материале получено отжигом Y2.5Ce0.5Fe2.5Ga2.5O12 в вакууме и заменой части ионов железа Fe3+ на Ga3+. В то же время в литературе отсутствуют сведения о магнитных характеристиках церийзамещенных феррогранатов.
В связи с этим целью данной работы являлись синтез, исследование удельной намагниченности и магнитной восприимчивости Y2.5Ce0.5Fe2.5Ga2.5O12 и сравнение его свойств со свойствами феррограната Y3(Fe0.5Ga0.5)5O12.
ЭКСПЕРИМЕНТАЛЬНАЯ ЧАСТЬ
Синтез Y3–xCex(Fe0.5Ga0.5)5O12 (х = 0, 0.5) проводили методом сжигания геля [20, 21]. Для этого стехиометрические количества 3-водного карбоната иттрия (х. ч.), нитрата церия (х. ч.), карбонильного железа (ос. ч.) и металлического галлия (х. ч.) растворяли в разбавленной азотной кислоте. Затем в полученный раствор добавляли поливиниловый спирт [–CH2CH(OH)–]n (ПВС) из расчета 0.12/n моль ПВС на 0.01 моль феррита. Полученный раствор упаривали (~90–100°С) в реакторе при перемешивании до состояния гелей. При температуре >100°С начиналась интенсивная реакция горения, в результате которой наблюдали образование порошков желто-бежевого цвета. После охлаждения порошки Y2.5Ce0.5Fe2.5Ga2.5O12 диспергировали в шаровой мельнице и отжигали при 1023 K в течение 2 ч при давлении ~10–2 Па. Затем Y2.5Ce0.5Fe2.5Ga2.5O12 и Y3(Fe0.5Ga0.5)5O12 подвергали термической обработке на воздухе при 1023 K в течение 5 ч.
РФА образцов выполняли на дифрактометре Bruker Advance D8 (CuKα-излучение) в интервале углов 2θ 10°–70° с шагом сканирования 0.0133°.
Морфологию порошков изучали с помощью растровой электронной микроскопии (РЭМ) на приборе Tescan Amber GMH (Tescan, Чехия).
Измерения удельной намагниченности σ и удельной магнитной восприимчивости 10–2/χ (для удобства определения температуры Кюри–Вейса удельная магнитная восприимчивость выражена в 10–2/χ) проводили пондеромоторным методом в магнитном поле с индукцией 0.86 Тл в интервале температур 77–600 K [22]. Погрешность измерения σ составляла ±0/005 А м2/кг, а магнитной восприимчивости χ на единицу массы — ±10–9 м3/кг.
РЕЗУЛЬТАТЫ И ОБСУЖДЕНИЕ
Как следует из результатов РФА, после синтеза и отжига на воздухе при 1023 K порошок Y3(Fe0.5Ga0.5)5O12 не содержит примесей (рис. 1, дифрактограмма 1). Y2.5Ce2.5(Fe0.5Ga0.5)5O12 (рис. 1, дифрактограмма 2) после отжига в вакууме при 1023 K также является однофазным и характеризуется отсутствием примеси CeO2. После синтеза в вакууме и последующей термической обработки на воздухе при 1023 K в течение 5 ч в образце Y2.5Ce2.5(Fe0.5Ga0.5)5O12 не обнаружено примесных фаз (рис. 1, дифрактограмма 3). Это может свидетельствовать о достаточно высокой термической устойчивости синтезированного Y2.5Ce0.5(Fe0.5Ga0.5)5O12.
Рис. 1. Дифрактограммы Y3(Fe0.5Ga0.5)5O12 после синтеза и отжига на воздухе при 1023 K (1) и Y2.5Ce0.5(Fe0.5Ga0.5)5O12 после синтеза и отжига в вакууме (2) и последующего отжига на воздухе при 1023 K (3)
Для оценки областей когерентного рассеяния (ОКР) и микронапряжений кристаллической решетки образцов использовали метод построения Вильямсона−Холла, основанный на соотношении:
,
где β — физическое уширение дифракционного максимума; k − коэффициент, равный 0.95 для кубической структуры; λ − длина волны рентгеновского излучения (λ = 0.15406 нм); D — размер ОКР; θ − брэгговский угол; ε − величина микроискажений кристаллической решетки.
Полученные данные, а также результаты расчета кристаллической структуры представлены в табл. 1.
Таблица 1. Структурные и микроструктурные параметры Y3(Fe0.5Ga0.5)5O12 после синтеза и отжига на воздухе при 1023 K (1) и Y2.5Ce0.5(Fe0.5Ga0.5)5O12 после синтеза и отжига в вакууме (2) и последующего отжига на воздухе при 1023 K (3) (пр. гр. Iad)
Образец | a, нм | V, нм3 | D, нм | ε × 10–3 |
1 | 1.2352 | 188.48 | 140.2 | 2.5 |
2 | 1.2397 | 190.52 | 65.8 | 2.1 |
3 | 1.2365 | 189.03 | 90.5 | 0.4 |
Как следует из табл. 1, отжиг на воздухе после вакуумной обработки Y2.5Ce2.5(Fe0.5Ga0.5)5O12 при повышенной температуре приводит к увеличению размеров отдельных кристаллитов, при этом происходит уплотнение кристаллической решетки за счет уменьшения количества микродеформаций.
Из результатов микроструктурных исследований Y3(Fe0.5Ga0.5)5O12 (рис. 2) следует, что галлийзамещенный феррогранат состоит из сильно “спрессованных” пористых агломератов размером от 100 нм до нескольких микрон, характеризующихся острыми гранями.
Рис. 2. РЭМ-изображение Y3(Fe0.5Ga0.5)5O12 после синтеза и отжига на воздухе при 1023 K
С учетом анализа РЭМ-изображения Y2.5Ce0.5(Fe0.5Ga0.5)5O12 после синтеза и отжига в вакууме (рис. 3а) следует отметить, что церийсодержащий феррогранат состоит из плотно сросшихся между собой зерен, образующих агломераты неопределенной формы, которые на изломе имеют пористую губчатую структуру.
Рис. 3. РЭМ-изображение Y2.5Ce0.5(Fe0.5Ga0.5)5O12 после синтеза и отжига в вакууме (а) и последующего отжига на воздухе (б)
После отжига на воздухе феррогранат Y2.5Ce0.5(Fe0.5Ga0.5)5O12 сохраняет пористую структуру, однако размер отдельных агломератов и их плотность заметно уменьшаются (рис. 3б). Образец становится более “рыхлым” и однородным. Таким образом, дополнительная термообработка на воздухе способствует увеличению дисперсности образца за счет роста кристаллитов и уменьшения внутренних напряжений в кристаллической структуре.
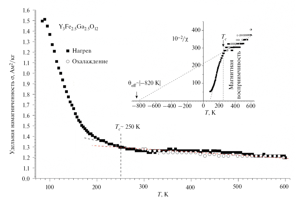
На рис. 4 представлена температурная зависимость удельной намагниченности и обратной величины удельной магнитной восприимчивости Y3(Fe0.5Ga0.5)5O12. Эксперимент показывает, что магнитный фазовый переход к ферримагнитному состоянию в Y3(Fe0.5Ga0.5)5O12 происходит при 250 K. Для сравнения: железоиттриевый гранат Y3Fe5O12 является ферромагнетиком с температурой Кюри (ТС) 558.9 K [24]. Замена части ионов железа в решетке феррограната на ионы галлия приводит к усилению в Y3(Fe0.5Ga0.5)5O12 антиферромагнитного упорядочения с достаточно высокой температурой Ɵэф Кюри–Вейса. Это наглядно показывает зависимость 10–2/χ = f(Т) (вставки на рис. 4 и 5).
Рис. 4. Температурная зависимость удельной намагниченности и магнитной восприимчивости (вставка) феррограната Y3(Fe0.5Ga0.5)5O12
Рис. 5. Температурная зависимость удельной намагниченности (σ, σ2) и магнитной восприимчивости (10–2/χ) Y2.5Сe0.5Fe2.5Ga0.5O12 после синтеза и отжига при 1073 K в вакууме
При этом Y3(Fe0.5Ga0.5)5O12 демонстрирует высокую термическую устойчивость, о чем свидетельствует идентичный ход кривых нагрев–охлаждение в Y3(Fe0.5Ga0.5)5O12. В то же время величина удельной намагниченности при температуре 77 K составляет 1.5 А м2/кг.
На рис. 5 представлены результаты температурных зависимостей удельной намагниченности (σ) и обратной величины удельной магнитной восприимчивости (10–2/χ = f(T)) для состава Y2.5Ce0.5(Fe0.5Ga0.5)5O12 после синтеза и отжига в вакууме при 1023 K в течение 2 ч.
Из температурных зависимостей (рис. 5) следует, что температура магнитного фазового превращения увеличивается при замещении катионов в c-подрешетке феррограната ионами Се3+. Отметим, что для более точного определения ТС использована зависимость σ2 = f(T). Очевидно, что повышение TC по сравнению с аналогичной величиной для Y3(Fe0.5Ga0.5)5O12 обусловлено структурными изменениями, а также изменением геометрии связей и смешиванием волновых функций ионов Се3+ и О2–, усиливающих внутри- и межподрешеточные сверхобменные взаимодействия и спин-орбитальную связь [10] при замене части ионов Y3+ в Y3Fe5O12 на Сe3+. Отметим также, что повышение TC происходит и при замене части ионов Y3+ в Y3Fe5O12 на Вi3+ [25, 26].
Температурные зависимости удельной намагниченности в режимах нагрев–охлаждение в диапазоне температур 250–550 K идентичны при нагреве и охлаждении (рис. 5). В интервале температур 77–250 K при охлаждении образцов величина σ несколько увеличивается по сравнению с аналогичной величиной, полученной при нагреве. При 77 K σ возрастает от 4.3 до 4.5 А м2/кг, что может быть следствием отжига состава, приводящего к дополнительному упорядочению катионов в междоузлиях кристаллической структуры.
Изменения температурных зависимостей σ = f(T) и 10–2/χ = f(T) Y2.5Ce0.5(Fe0.5Ga0.5)5O12 после вакуумной обработки и последующего отжига на воздухе при 1073 K в течение 5 ч (рис. 6) могут свидетельствовать об изменении магнитных обменных взаимодействий вследствие изменения условий температурных воздействий. Так, величина удельной намагниченности вблизи температуры жидкого азота увеличилась с 4.3 до 4.7 А м2/кг (на 19%). Температура магнитного фазового превращения ТС магнитный порядок–магнитный беспорядок увеличилась с 340 до 360 K (на 6%). Эффективная температура Кюри–Вейса антиферромагнитной составляющей обменных магнитных взаимодействий изменилась от Ɵэф = |— 570| до Ɵэф = |–650| K (на 14%).
Рис. 6. Температурная зависимость удельной намагниченности (σ, σ2) и магнитной восприимчивости (10–2/χ) Y2.5Сe0.5Fe2.5Ga0.5O12 после синтеза, отжига при 1073 K в вакууме и изотермической выдержки при 1073 K в течение 5 ч
Наблюдаемые изменения могут быть обусловлены тем, что отжиг на воздухе приводит в Y2.5Сe0.5Fe2.5Ga0.5O12 к уменьшению вакансий в подрешетке кислорода. В результате это приводит к увеличению температуры перехода в парамагнитное состояние ТС и увеличению удельной намагниченности.
ЗАКЛЮЧЕНИЕ
Показано, что температура Кюри, удельная намагниченность и магнитная восприимчивость для состава Y2.5Ce0.5(Fe0.5Ga0.5)5O12, полученного после кристаллизации в вакууме и последующего отжига на воздухе, существенно выше, чем для образцов, отожженных в вакуумной печи при давлении ~10–2 Па, и феррограната Y3(Fe0.5Ga0.5)5O12.
БЛАГОДАРНОСТЬ
Исследования проводили с использованием оборудования ЦКП ФМИ ИОНХ РАН.
ФИНАНСИРОВАНИЕ РАБОТЫ
Работа выполнена при финансовой поддержке Минобрнауки России в рамках государственного задания ИОНХ РАН.
КОНФЛИКТ ИНТЕРЕСОВ
Авторы заявляют, что у них нет конфликта интересов.
About the authors
Е. S. Romanova
Kurnakov Institute of General and Inorganic Chemistry of the Russian Academy of Sciences
Email: ketsko@igic.ras.ru
Russian Federation, Moscow
M. N. Smirnova
Kurnakov Institute of General and Inorganic Chemistry of the Russian Academy of Sciences
Email: ketsko@igic.ras.ru
Russian Federation, Moscow
G. E. Nikiforova
Kurnakov Institute of General and Inorganic Chemistry of the Russian Academy of Sciences
Email: ketsko@igic.ras.ru
Russian Federation, Moscow
V. A. Ketsko
Kurnakov Institute of General and Inorganic Chemistry of the Russian Academy of Sciences
Author for correspondence.
Email: ketsko@igic.ras.ru
Russian Federation, Moscow
K. I. Yanushkevich
Scientific and Practical Center for Materials Science of the National Academy of Sciences of Belarus
Email: ketsko@igic.ras.ru
Belarus, Minsk
References
- Никитов С.А., Сафин А.Р., Калябин Д.В. и др. // УФН. 2020. Т. 190. № 10. С. 1009. https://doi.org/10.3367/UFNr.2019.07.038609
- Barman A., Gubbiotti G., Ladak S. et al. // J. Phys.: Condens. Matter. 2021. V. 33. P. 413001. https://doi.org/10.1088/1361-648X/abec1a
- Xiong D., Jiang Y., Shi K. et al. // Fundamental Research. 2022. V. 2. P. 522. https://doi.org/10.1016/j.fmre.2022.03.016
- Chumak A.V., Kabos P., Fellow L. et al. // IEEE Trans. Magn. 2022. V. 58. № 6. P. 0800172. https://doi.org/10.1109/TMAG.2022.3149664.
- Garskaite E., Gibson K., Leleckaite A. et al. // Chem. Phys. 2006. V. 323. P. 204. https://doi.org/10.1016/j.chemphys.2005.08.055
- McCloy J.S., Walsh B. // IEEE Trans. Magn. 2013. V. 49. № 7. P. 4253. https://doi.org/10.1109/TMAG.2013.2238510.
- Park M.B., Cho N.H. // J. Magn. Magn. Mater. 2001. V. 231. P. 253. https://doi.org/10.1016/S0304-8853(01)00068-3
- Shen T., Dai H., Song M. // J. Supercond. Nov. Magn. 2017. V. 30. P. 937. https://doi.org/10.1007/s10948-016-3880-9
- Gomi M., Furuyama H., Abe M. // J. Appl. Phys. 1991. V. 70. P. 7065. https://doi.org/10.1063/1.349786
- Рандошкин В.В., Червоненкис А.Я. // Прикладная магнитооптика. М.: Энергоатомиздат, 1990. 320 с.
- Shen T., Dai H., Song M. // J. Supercond. Nov. Magn. 2017. V. 30. P. 937. https://doi.org/10.1007/s10948–016–3880–9
- Huang M., Zhang S. // Appl. Phys. A. 2022. V. 74. P. 177. https://doi.org/10.1007/s003390100883
- Onbasli M. C., Beran L., Zahradnik M. et al. // Scientific Reports. 2016. Т. 6. № 1. С. 23640. https://doi.org/10.1038/srep23640
- Shen T., Dai H., Song M. // J. Supercond. Nov. Magn. 2017. V. 30. P. 937. https://doi.org/10.1007/s10948-016-3880-9
- Sharm V., Kuanr B.K. // J. Alloys Compd. 2018. V. 748. P. 591. https://doi.org/10.1016/j.jallcom.2018.03.086
- Huang M., Zhang S. // Appl. Phys. A. 2002. V. 74. P. 177. https://doi.org/10.1007/s003390100883
- Smirnova M.N., Glazkova I.S., Nikiforova G.E. et al. // Nanosystems: Physics, Chemistry, Mathematics. 2021. V. 12. № 2. P. 210. https://doi.org/10.17586/2220-8054-2021-12-2-210-217
- Teterin Yu.A., Smirnova M.N., Maslakov K.I. et al. // Dokl. Phys. Chem. 2022. V. 503. P. 45. https://doi.org/10.1134/S0012501622040029
- Тетерин Ю.А., Смирнова М.Н., Маслаков К.И. и др. // Журн. неорган. химии. 2023. Т. 68. № 7. С. 904. https://doi.org/10.31857/S0044457X23600135
- Смирнова М.Н., Копьева М.А., Береснев Э.Н. и др. // Журн. неорган. химии. 2018. Т. 63. С. 411. https://doi.org/10.1134/S0036023618040198
- Смирнова М.Н., Кондратьева О.Н., Никифорова Г.Е., Хорошилов А.В. // Журн. неорган. химии. 2023. Т. 68. № 5. С. 581. https://doi.org/10.31857/S0044457X22602383
- Маковецкий Г.И., Галяс А.И., Богуш А.К. и др. // Вести НАН Беларуси. Сер. физ.-тех. наук. 2000. № 3. С. 10.
- Winkler G. Magnetic Garnets. F. Viroeand Sohn: Braunshweig/Wiesbaden. 1981. 735 p.
- Крупичка С. Физика ферритов и родственных им магнитных окислов. М.: Мир, 1976. Т. 1. 360 с.
- Gu B.X., Zhang H.Y., Wang H., Zhai H.R. // J. Magn. Magn. Mater. 1997. V. 168. P. 31. https://doi.org/10.1016/S0304-8853(96)00696-8
- Scott G.B., Lacklison D.E., Page J.L. // J. Phys. C: Solid State Phys. 1975. V. 8. P. 519. https://doi.org/10.1103/PhysRevB.10.971
Supplementary files








