Анализ теплофизического обоснования применимости толерантного топлива для АЭС. Современные концепции, технологии и химическая стойкость толерантного топлива
- Authors: Забиров А.Р.1,2, Молотова И.А.1,2, Ягов В.В.2, Сиделёв Д.В.3, Яшников Д.А.1, Шевченко С.А.1
-
Affiliations:
- ФБУ Научно-технический центр по ядерной и радиационной безопасности
- ФГБОУ ВО «Национальный исследовательский университет «МЭИ»
- Национальный исследовательский Томский политехнический университет
- Issue: Vol 62, No 5 (2024)
- Pages: 757–786
- Section: Обзор
- URL: https://bakhtiniada.ru/0040-3644/article/view/280994
- DOI: https://doi.org/10.31857/S0040364424050141
- ID: 280994
Cite item
Full Text
Abstract
В обзоре рассмотрены предпосылки к созданию толерантного топлива и представлены основные концепции, касающиеся использования новых оболочек ТВЭЛов для АЭС с водо-водяными реакторами. Описано текущее состояние работ в области толерантного топлива в России и за рубежом. Рассмотрены методы нанесения защитных покрытий на циркониевые оболочки ТВЭЛов и технологии замены циркония различными сплавами (FeCrAl, 42ХНМ, молибден) и керамическими композитами. Выполнен анализ результатов исследований химической стойкости оболочек ТВЭЛов по отношению к воде и газам, в том числе при высоких температурах.
Full Text
Оглавление
Введение
1. Концепции толерантного топлива
2. Современное состояние работ по толерантному топливу в мире
3. Технологии и методы
3.1. Нанесение покрытий
3.2. Замена материала циркониевых оболочек ТВЭЛов на стали и/или сплавы
3.3. Молибден
3.4. Карбид кремния
4. Химическая стойкость оболочек ТВЭЛов и покрытий
4.1. Металлические покрытия
4.2. Хромовые покрытия
4.3. Покрытия из сплава FeCrAl
4.4. Керамические покрытия
4.5. Оболочки ТВЭЛов из ферритной стали
4.6. Хром-никелевые сплавы
4.7. Карбид кремния SiC
Заключение
Список литературы
Введение
В эксплуатирующихся в РФ АЭС с реакторами типа ВВЭР используются тепловыделяющие элементы (ТВЭЛы), оболочка которых состоит из циркониевых сплавов, а ядерное топливо – из диоксида урана. Циркониевые оболочки ТВЭЛов имеют ряд преимуществ, таких как устойчивость к коррозионному растрескиванию под напряжением (особенно со стороны теплоносителя), а также низкое сечение поглощения нейтронов. Кроме того, технология создания таких ТВЭЛов отработана десятилетиями, поскольку активное использование циркония взамен аустенитных нержавеющих сталей в ядерных реакторах началось еще с 1960-х годов. В России в реакторах ВВЭР и РБМК в качестве материала оболочек ТВЭЛов используется сплав Э110, представляющий собой комбинацию высокочистого йодидного циркония и ниобия в качестве легирующего компонента, доля которого составляет 1%. За рубежом широкое распространение получили сплавы «циркалой» (в частности, Zircaloy-2 и 4), Zirlo (компания Westinghouse, США), M5 (Framatome, Франция).
В режимах нормальной эксплуатации АЭС на поверхности циркониевой оболочки ТВЭЛа образуется тонкий слой оксида циркония, который защищает металл от дальнейшей коррозии. Несмотря на то, что для циркониевых сплавов имеют место такие негативные явления, как нодулярная (очаговая, язвенная) коррозия [1], теневая (гальваническая) коррозия на наружной поверхности ТВЭЛа [2, 3], наводороживание циркония [4, 5] и коррозионное растрескивание под напряжением с внутренней стороны ТВЭЛа [6], стоит признать, что они достаточно глубоко изучены и имеются методы предупреждения и контроля нежелательных процессов.
Недостатки циркониевых сплавов могут проявляться в случае возникновения аварийных ситуаций. Согласно требованиям НП-082-07 [7], максимальный проектный предел повреждения ТВЭЛов соответствует непревышению, в том числе, следующего предельного параметра: температура оболочек ТВЭЛов должна быть не более 1200°С. Однако уже при температурах от 750–1000°С происходит пластическое деформирование циркониевой оболочки ТВЭЛа под действием химических и механических процессов, что может привести к их разгерметизации (рис. 1). При температурах ~800°С начинается α → β-превращение в Zr, при котором цирконий переходит в состояние сверхпластичности («баллунинг» ТВЭЛов). С началом «баллунинга» возникает перекрытие каналов течения теплоносителя. Также при взаимодействии разогретых до высоких температур оболочек ТВЭЛов с парами воды на АЭС протекает пароциркониевая реакция, сопровождающаяся образованием водорода и значительным выделением тепла [8, 9]:
2H2O + Zr = 2H2 + ZrO2 + Q.
Так, окисление циркониевых оболочек ТВЭЛов в паре при температурах 1200°С и выше ускоряется. В результате энерговыделение от этого химического источника становится сопоставимым или даже выше мощности остаточного тепловыделения в ТВЭЛах. Таким образом, скорость разогрева циркониевых оболочек ТВЭЛов увеличивается, в том числе за счет положительной обратной связи температуры со скоростью окисления. Начиная с 1500°С, рост температуры оболочек ТВЭЛов приобретает экспоненциальный характер, в результате чего температура ТВЭЛов и конструкционных материалов активной зоны (АЗ) быстро возрастает и превышает точку плавления циркония [10].
Рис. 1. Плавление ТВЭЛа и сопутствующие процессы в случае АПТ в легководном реакторе [11].
На рис. 1 [11] представлено плавление ТВЭЛа с сопутствующими ему процессами в случае аварий с потерей теплоносителя (АПТ, loss-of-coolant accident – LOCA).
Во время разрушения АЗ реактора на АЭС «Фукусима-Дайичи» протекала окислительная реакция между цирконием и водяным паром, в ходе которой генерировался водород, послуживший причиной взрывов в помещении реакторного здания. При этом герметичное ограждение реакторной установки (контейнмент) не было разрушено, однако была локально нарушена его целостность в области фланцевого соединения крышки сухого бокса контейнмента. Через эту негерметичность водород мог вытекать из контейнмента в верхние помещения реакторного здания. Подробный анализ событий, произошедших в 2011 г. на АЭС «Фукусима-Дайичи», представлен в [12–17]. Авария на Фукусима-1 послужила стимулом для проведения крупномасштабных научных исследований, направленных на исключение возможности протекания или смягчения последствий пароциркониевой реакции [11].
Одно из направлений таких исследований связано с созданием новых материалов топливной матрицы и оболочек ТВЭЛов. Ядерное топливо АЭС с легководными реакторами, создаваемое с использованием новых конструкционных и топливных материалов и обеспечивающее устойчивость топлива к аварийным условиям, в том числе к высокотемпературному окислению оболочек ТВЭЛов в условиях запроектных аварий (ЗПА), в зарубежной терминологии принято называть «accident tolerant fuel» (ATF) [18], или «толерантное топливо» (ТТ).
Концепция толерантного топлива предполагает использование защитных покрытий на существующих циркониевых оболочках ТВЭЛов либо применение новых материалов оболочек ТВЭЛов для легководных реакторов. Предполагается, что даже в случае потери теплоносителя в АЗ реактора ТТ должно в течение более длительного времени (по сравнению с топливом, эксплуатирующимся в настоящее время) сохранять целостность без возникновения пароциркониевой реакции. Так, в отчете [19] вводится термин «fuel coping time», фактически определяющий время до достижения топливом порогового значения (после достижения которого развитие аварии станет необратимым), поддающегося количественной оценке. В качестве критериев обычно используются пиковая температура и процент окисления оболочек ТВЭЛов, количество генерируемого водорода. Так, в работе [20] представлены результаты моделирования ЗПА при использовании материалов ТТ (сплав FeCrAl и Zr с покрытием Cr) и сплава Zircaloy. Продемонстрировано, что материалы ТТ в течение более длительного времени (по сравнению с материалами оболочек ТВЭЛов, эксплуатирующихся в настоящее время) сохраняют целостность за счет стойкости к высокотемпературному окислению. Полный выход водорода при моделировании аварий с использованием циркония с покрытием такой же, как и для Zr без покрытия, и лишь смещен по времени (начинается по мере разрушения покрытия). Мотивация замены циркониевых оболочек ТВЭЛов заключается в уменьшении нагрузки на систему аварийного охлаждения активной зоны (САОЗ) при протекании тяжелой аварии за счет снижения скорости тепловыделения и уменьшения общего количества тепла, выделяемого при окислении оболочек ТВЭЛов в высокотемпературном паре, для повышения безопасности АЭС [21]. Более медленный рост температуры оболочек ТВЭЛов приводит к задержке деградации АЗ реактора и обеспечивает дополнительное время реагирования.
Стоит отметить, что нанесение покрытий на цирконий рассматривается в краткосрочной перспективе, в дальнейшем предполагается полная замена циркония другими сталями/сплавами или керамическими композитами для исключения пароциркониевой реакции. Хромовое покрытие предлагается использовать для обеспечения кратковременной дополнительной защиты циркониевой оболочки ТВЭЛа в диапазоне температур до 1100°С [6]. Результаты исследований свидетельствуют о том, что при замене циркония материалами с более высокой теплоемкостью пиковые температуры оболочек ТВЭЛов в случае АПТ могут быть существенно снижены [22]. Так, например, для оболочек ТВЭЛов из сплава FeCrAl указанная температура может быть снижена на 75°С по сравнению с цирконием, а в случае, если включение САОЗ задерживается или исключается, эта температура может быть снижена на 225°С или время достижения пиковой температуры задерживается на 150 с при замене циркониевой оболочки ТВЭЛа более устойчивыми к окислению материалами [22]. Такие радикальные изменения должны сопровождаться полноценным обоснованием безопасности использования толерантного топлива.
В данной статье представлен обзор научных исследований по разработке ТТ применительно к материалам оболочек ТВЭЛов, выполненных в России [23–26] и за рубежом [6, 11, 19, 27–33]. Настоящий обзор посвящен анализу проектов перспективных концепций ТТ применительно к оболочкам ТВЭЛов в отношении их поведения как в режимах нормальной эксплуатации АЭС, так и при нарушениях нормальной эксплуатации АЭС, включая аварии.
1. Концепции толерантного топлива
Поскольку оболочка ядерного топлива находится в непосредственном контакте с ним с одной стороны и теплоносителем с другой, а также является барьером для предотвращения выбросов радиоактивных веществ в окружающую среду (рис. 2) [9], ТВЭЛы должны отвечать ряду требований по механическим, нейтронно-физическим, термогидравлическим и теплофизическим свойствам (рис. 3). Необходимо, чтобы ТВЭЛы обеспечивали длительный ресурс работы, в то время как отдельные разрушения и дефекты не должны приводить к останову реактора, а продукты деления должны надежно удерживаться внутри оболочки ТВЭЛов. Таким образом, по сравнению с классическими видами топлива, к ТТ предъявляются следующие требования [6, 11, 19, 31]:
- высокая температура плавления оболочки ТВЭЛа;
- замедленное взаимодействие материала оболочки ТВЭЛа с паром и уменьшение выделения тепла и водорода;
- улучшенные термомеханические свойства ТВЭЛов для сохранения геометрии и целостности тепловыделяющих сборок (ТВС), в том числе после аварийного охлаждения;
- более поздний разрыв оболочки ТВЭЛа внутренним давлением газов, меньшее раздутие и меньшее сечение раскрытия места разрыва оболочки ТВЭЛа;
- увеличенная теплопроводность топлива.
Рис. 2. Физические барьеры блока АЭС.
Рис. 3. Факторы, влияющие на работоспособность оболочки ТВЭЛа.
Применительно к оболочкам ТВЭЛов для АЭС с водо-водяными реакторами ведутся разработки ТТ по следующим направлениям (рис. 4 [6, 11, 19]): нанесение защитных покрытий (толщиной менее 20 мкм) на циркониевые оболочки ТВЭЛов (краткосрочные концепции ТТ) [26–30], а также замена циркониевых оболочек ТВЭЛов другими материалами (долгосрочные концепции ТТ) [23, 25, 32–36]. Концепции, касающиеся новых топливных композиций, в настоящей работе не рассматриваются.
Рис. 4. Основные направления исследований в рамках концепций ТТ [6, 11, 19].
При нанесении защитных покрытий на циркониевые оболочки ТВЭЛов нужно учитывать, что при их повреждении или разрушении защитные свойства заметно снижаются. Использование материалов, в состав которых не входит цирконий, принципиально снимает проблему пароциркониевой реакции, однако ставит много новых вопросов как технологических, так и физико-химических.
2. Современное состояние работ по толерантному топливу в мире
Разработками материалов оболочек ТВЭЛов в рамках концепций ТТ занимаются в различных странах (табл. 1, 2). Крупнейшими компаниями по производству ядерного топлива в мире являются Westinghouse (США), Global Nuclear Fuels (США), Framatome (Франция), АО «ТВЭЛ» (Россия).
Таблица 1. Организации, занимающиеся разработкой оболочек ТВЭЛов в рамках концепции ТТ [19, 22, 37]
Нанесение покрытий | Стали, сплавы | Тугоплавкие металлы | Керамические композиты |
АО «ВНИИНМ», ГНЦ РФ «ТРИНИТИ», НИЯУ МИФИ, НИ ТПУ (Россия); Westinghouse, General Electric, Global Nuclear Fuels, Oak Ridge National Laboratory, Massachusetts Institute of Technology, University of Illinois Urbana-Champaign (США); Framatome (Франция); KAERI, Hanyang University (Южная Корея); Karlsruhe Institute of Technology (Германия); Institute for Energy Technology (Норвегия); Czech Technical University (Чехия) | АО «ВНИИНМ» (Россия), стали различных классов, сплав 42ХНМ; General Electric, Oak Ridge National Laboratory (США); Nippon Nuclear Fuel Development (Япония), сплавы FeCrAl | Electric Power Research Institute (США); China General Nuclear Power Group (Китай) | АО «ВНИИНМ» (Россия); Westinghouse, Oak Ridge National Laboratory, Oak Ridge National Laboratory (США); Framatome (Франция); KAERI (Южная Корея); Muroran Institute of Technology (Япония); Karlsruhe Institute of Technology (Германия); Paul Scherrer Institute (Швейцария) |
Таблица 2. Состояние работ по толерантному топливу в мире
Страна | Материал оболочки ТВЭЛа | Реакторные испытания |
Россия | АО «ВНИИНМ»:
ГНЦ РФ «ТРИНИТИ»: цирконий (сплав Э110) с хромсодержащими покрытиями [43–48] |
|
США | Global Nuclear Fuels [6]: |
|
Франция | Framatome, CEA, EDF: |
|
Китай | Исследовательский реактор «Сhina Mianyang Research Reactor | |
Япония | Испытания на установках в Окридже (США) | |
Южная Корея |
| Исследовательский реактор «Halden» (Норвегия) |
В России в Госкорпорации «Росатом» и его материаловедческом институте АО «ВНИИНМ» ведется разработка новых перспективных видов топлива для легководных реакторов [23] (табл. 2). Согласно подходу АО «ВНИИНМ», к ТТ предъявляется требование о том, что стабильность ТТ под воздействием внешних факторов (взаимодействие с паром) не должна значительно превышать стабильность от воздействия внутренних факторов (разрушение от взаимодействия с топливом и распухания) [24]. Что касается применения стальных оболочек ТВЭЛов в качестве ТТ, то в России принят подход к использованию на первом этапе работ уже разработанных сталей и сплавов. В частности, в АО «ВНИИНМ» разработан уникальный хромоникелевый сплав, не содержащий железа в отличие от зарубежных аналогов (сталей марок 625, 690) – сплав 42ХНМ (42% хрома, 1.5% молибдена, остальное – никель).
В США по состоянию на 2021 г. загружено 280 опытных ТВС с хромсодержащими покрытиями на цирконии в восемь реакторов и 26 опытных ТВС с оболочками ТВЭЛов из сплава FeCrAl в два реактора [38] (табл. 2). Начиная с 2022 г., компаниями-поставщиками топлива Westinghouse и Framatome запланирована подача запроса на получение лицензии от регулирующих органов на промышленную эксплуатацию ТВС с циркониевыми оболочками ТВЭЛов с хромовыми покрытиями. В США оценивается переход к промышленной загрузке ТТ в коммерческие реакторы к 2025–2027 гг. [38], в Японии – к 2030 г. (цирконий с покрытиями и сплав FeCrAl для реакторов PWR) [39].
3. Технологии и методы
3.1. Нанесение покрытий. Нанесение покрытий на циркониевые оболочки ТВЭЛов с целью улучшения характеристик циркониевых сплавов не вызывает значительных изменений в существующих конструкциях топливо–оболочка (UO2/Zr). Покрытия на цирконии могут дополнительно обеспечить сопротивление к истиранию, а также улучшить отвод тепла теплоносителем от оболочки ТВЭЛа. Рассматриваются следующие возможные покрытия для нанесения на циркониевые оболочки ТВЭЛов [6, 19, 27, 37]:
- керамические покрытия:
- покрытия с кремнием Si [68], ZrSi2 [69];
- покрытия на основе металлов: Cr [26, 43, 47, 53, 57, 58, 62, 70–79], FeCrAl [72, 80], CrAl [57, 58, 81], Al [26, 43, 47], NiCr [82], высокоэнтропийные сплавы (например, AlCrFeCuNbx [83]);
- многослойные покрытия CrN/Cr [84], Mo/FeCrAl [72], Cr/FeCrAl [19, 57, 58], TiN/AlTiN [62], CrN/AlTiN [62].
Свойства покрытий на циркониевых сплавах и их характеристики в условиях нормальной эксплуатации в реакторе, а также в случае возникновения ПА и ЗПА в значительной степени зависят от способа нанесения покрытия на циркониевую подложку. Температура нанесения должна быть достаточно низкой во избежание изменения микроструктуры основного материала. При этом покрытие не должно оказывать неблагоприятного воздействия на цирконий в процессе его нанесения. Необходимо, чтобы покрытие обладало хорошими термическими и механическими свойствами (в том числе, при высоких температурах в аварийных условиях), коррозионной стойкостью, хорошей адгезией и пластичностью, сопротивлением к истиранию, а также устойчивостью к взаимодействию с высокотемпературным паром в аварийных условиях [27]. Кроме того, оболочка ТВЭЛа с покрытием должна быть устойчивой в условиях облучения и иметь относительно небольшое сечение захвата тепловых нейтронов. При выборе покрытия также важно учитывать соответствие увеличения степеней облучения и деформации ползучести наносимого покрытия и основного металла (циркония) [85]. Способы нанесения покрытий, применяемые для формирования защитных покрытий на циркониевых оболочках ТВЭЛов, можно разделить на химические и физические (табл. 3).
Таблица 3. Способы нанесения покрытий [6, 19, 27, 37, 47]
Группы методов нанесения | Способы |
Химические методы нанесения | |
Химическое осаждение из паровой фазы (ХОП) | |
Электрохимические методы | |
Физические методы нанесения | |
Физическое осаждение из паровой фазы (ФОП) |
|
Термическое напыление | |
Наплавка порошков | |
Нанесение покрытий на цирконий и его сплавы ХОП-методами практически не рассматривается для промышленного применения, поскольку температура процесса должна быть выше 400°С для протекания химических реакций, но при этом происходит окисление циркония, а при температурах выше 500°С изменяется его микроструктура [19]. Помимо этого, применение метода химического осаждения с плазменным ассистированием [86] вызывает трудности, связанные с обеспечением равномерности элементного состава и толщины наносимых покрытий из-за неравномерности плазмы в объеме вакуумной камеры. Перспективной технологией может стать осаждение из растворов металлоорганических соединений. Такой способ может быть использован для нанесения защитных покрытий на внешнюю и внутреннюю поверхности циркониевых оболочек ТВЭЛов [88]. Однако данная технология, несмотря на преимущества, не может обеспечить рост покрытий с плотной микроструктурой, поэтому такие покрытия нельзя характеризовать как защитные. Покрытия, нанесенные гальваническим способом, также могут иметь неплотную микроструктуру. Кроме того, цирконий и его сплавы имеют тонкую окисную пленку, которая приводит к их пассивации, в связи с чем при электрохимическом осаждении покрытий требуется активация поверхности циркония [27, 91]. В АО «ВНИИНМ» проводились экспериментальные работы в области химико-термической обработки (ХТО) циркониевых сплавов [103], позволяющей получать на внешней и внутренней поверхностях оболочек ТВЭЛов окисное покрытие с включениями азота и углерода. Однако в литературе представлены данные лишь о механических характеристиках циркониевых труб после ХТО, информация об их коррозионной стойкости и высокотемпературном окислении отсутствует.
Большее число исследований свойств циркониевых сплавов с защитными покрытиями на предмет их коррозионной стойкости выполнено с использованием физических методов осаждения покрытий. ФОП-методы позволяют получать плотные пленки с хорошей адгезией к материалу подложки при температурах ниже 500°С. К недостаткам данной группы методов обычно относится высокая стоимость напыления. При физическом осаждении покрытий из паровой фазы требуется дорогостоящее вакуумное оборудование и специальная подготовка поверхности, процесс осаждения характеризуется низкой производительностью. Кроме того, прохождение процесса сильно зависит от стабильности рабочих параметров процесса осаждения (температуры образцов, состава атмосферы в вакуумной камере, плотности ионного тока на образцы и др.) [82].
С помощью методов термического напыления невозможно получить тонкие и беcпористые покрытия. Такие покрытия не демонстрируют защитного поведения в нормальных условиях работы реактора [104]. Поэтому данным способом обычно напыляются достаточно толстые покрытия толщиной около 100 мкм, а также используются дополнительные методы пост-обработки с целью повышения плотности микроструктуры покрытий [105]. Для технологии лазерной наплавки крайне важными являются параметры исходного порошка, так как они влияют на свойства формируемого поверхностного слоя [78]. В ряде литературных источников представлено сравнение поведения циркония в исходном состоянии и с наплавленным слоем из хрома, однако длительность коррозионных испытаний, моделирующих нормальную работу реактора, мала, поэтому судить о применимости данной технологии пока рано.
На сегодняшний день наибольшее внимание посвящено нанесению хромовых покрытий [28–31, 54]. Хром имеет близкий к цирконию коэффициент термического линейного расширения, что должно обеспечивать хорошие адгезионные свойства покрытий. К преимуществам хрома как материала защитного покрытия относятся высокая стойкость к окислению, низкие сорбционные свойства по водороду, высокие значения теплопроводности и температуры плавления. Предполагается, что использование покрытия из Cr на цирконии может повысить максимальную проектную температуру циркониевой оболочки ТВЭЛа с 1200 до 1300°C [21] с уменьшением выделения H2.
К перспективным способам нанесения хрома на цирконий среди ФОП-методов следует отнести разработки французских компаний Framatome, Orano (ранее AREVA), CEA и EDF, где в 2017 г. под руководством Жана Браше был изготовлен прототип устройства для вакуумного магнетронного нанесения покрытий на всю длину ТВЭЛов [70, 106]. Метод магнетронного распыления также активно применяется для нанесения покрытий в России (НИ ТПУ [73, 74, 82, 84], АО «ВНИИНМ» [26, 37], ГНЦ РФ «ТРИНИТИ» [43, 47]) и Китае (Чэнду) [53]. Кроме того, хорошие термомеханические свойства демонстрируют покрытия, нанесенные катодно-дуговым осаждением (KAERI, Южная Корея), который исследователи из Южной Кореи относят к наиболее экономически эффективным среди ФОП-методов [71, 81]. Исследователи KAERI также рассматривают способы модификации поверхности путем сочетания технологии нанесения покрытия (для повышения стойкости к окислению) и технологии дисперсного упрочнения оксидами приповерхностного слоя циркония оксидами иттрия перед нанесением покрытий (для повышения жаропрочности оболочек ТВЭЛов) [57, 58, 107]. Как отмечено в [76], с позиции теплофизического поведения оболочек ТВЭЛов с покрытиями более выгодным является их осаждение на поверхности с шероховатостью не менее 0.1 мкм.
Высокой скоростью нанесения покрытий обладают методы термического напыления. При нанесении покрытий методом холодного напыления образцы нагреваются незначительно, поэтому фазовых превращений материала напыляемого порошка не происходит, что позволяет избежать его окисления, формирования пор и фазового разделения в материале покрытия. Исследования KAERI показали, что взаимной диффузии хрома и циркония при нанесении покрытия данным способом установлено не было [72]. Однако при холодном напылении могут формироваться покрытия с большими внутренними микронапряжениями, которые крайне восприимчивы к разрушению во время нормальной эксплуатации ТВЭЛов. Высокая скорость нанесения также затрудняет контроль качества покрытий, а чрезмерная толщина и большая шероховатость поверхности могут потребовать дополнительной полировки до нужных параметров. Кроме того, необходим контроль характеристик исходных порошков, поскольку от них зависит качество формируемых покрытий. Некоторые методы термического напыления обладают недостатками, которые ограничивают их использование для нанесения покрытий на оболочки ТВЭЛов. Например, покрытия, нанесенные высокоскоростным газопламенным напылением, имеют рыхлую структуру, а иногда и с измененным фазовым составом [101].
Покрытия, полученные с применением метода лазерной наплавки, имеют более плотную микроструктуру и повышенную адгезию покрытий по сравнению с методом холодного напыления. Корейские исследователи сообщают о том, что указанный способ может быть применен для нанесения покрытий на длинные цилиндрические образцы без применения высокого вакуума или высокотемпературного отжига [78]. Согласно оценкам [78], вакуумные методы осаждения покрытия существенно проигрывают по экономическим показателям технологии лазерной наплавки. Однако данный метод представляет собой процесс нагрева порошка и его вплавление в материал основы (цирконий), что может привести к нагреву циркониевой оболочки ТВЭЛа до температуры α→β-фазового превращения. Следовательно, для успешного применения этого метода необходимо подобрать оптимальные рабочие параметры, такие как импульсная мощность лазерного луча, поток инертного газа, скорость подачи порошка и др. Кроме того, с помощью лазерной наплавки обычно получают покрытия толщиной 80–200 мкм [77, 78], что может привести к заметному повышению степени поглощения тепловых нейтронов циркониевой оболочкой.
3.2. Замена материала циркониевых оболочек ТВЭЛов на стали и/или сплавы. Стали в качестве материала оболочек, по сравнению с циркониевыми сплавами, обладают следующими преимуществами: высокая коррозионная стойкость в пароводяном теплоносителе (следовательно, низкое выделение H2), отсутствие пароциркониевой реакции, большой опыт их эксплуатации в реакторах различного типа, включая водо-водяные, а также наличие промышленной технологии изготовления оболочек ТВЭЛов и комплектующих из сталей [25]. Кроме того, существует возможность изготавливать оболочки ТВЭЛов из стальных материалов различной формы [24], что может привести к увеличению отводимых тепловых потоков от ТВЭЛов и мощности реактора. Применительно к оболочкам ТВЭЛов стали можно разделить на три группы:
- ферритно-мартенситные с содержанием Cr 12–20% и Al – 3–8%;
- аустенитные с низким (15–19%), средним (24–26%) и высоким (39–46%) содержанием Ni;
- Ni–Cr-стали и сплавы.
Для аустенитных хромистых сталей рассматривается вариант изготовления более тонких оболочек ТВЭЛов по сравнению с цирконием для снижения потерь нейтронов. Однако уменьшение толщины оболочки ТВЭЛа может приводить к потере устойчивости ее формы из-за давления теплоносителя. Кроме того, стальная оболочка ТВЭЛа не является барьером для проникновения наработанного в топливе трития в теплоноситель [21]. Таким образом, необходимо учитывать особенности применения сталей в качестве оболочек ТТ или улучшать свойства сталей путем их модификаций.
Ферритные стали содержат меньше никеля, имеющего высокое сечение захвата нейтронов. По сравнению с аустенитными, ферритные стали дешевле, так как имеют более низкое содержание хрома. В США особое распространение в рамках исследований применительно к материалам оболочек ТВЭЛов ТТ приобрел сплав FeCrAl, являющийся ферритной сталью с объемно-центрированной кубической (ОЦК) решеткой. Проблему большого сечения захвата тепловых нейтронов для сплава FeCrAl (сечение поглощения тепловых нейтронов для FeCrAl – 2.4 барн против 0.2 барн для циркониевого сплава [108]) предлагается разрешить без обогащения топлива, уменьшив толщину оболочки ТВЭЛа, что допустимо из-за высокой прочности сплава. Сплав FeCrAl поддается сварке, и существуют технологии, позволяющие изготавливать полноразмерные трубки с толщиной стенки до 0.5 мм. Однако такие тонкие оболочки ТВЭЛов сложно в промышленных условиях качественно приварить к хвостовикам ТВС.
При выборе оптимального состава сплава FeCrAl стараются добиться наименьшего содержания Cr, поскольку в случае несоблюдения пропорции между содержанием Cr и Al в данном сплаве при высоких температурах может образоваться нежелательный оксид железа. К первому поколению сплава FeCrAl, для которого выполнено наибольшее количество исследований, относится сплав, в состав которого входит три элемента: железо, Cr (0–16%) и Al (5–8%). В настоящий момент проводятся исследования по созданию сплава FeCrAl второго поколения с добавлением еще одного элемента (Mo, Si или Nb). В последнее время развитие получило направление по гомогенному включению в состав сплава оксидных частиц, так называемых дисперсоидов. Цель таких модификаций состава заключается в повышении механических свойств сплава. В табл. 4 [6] представлен состав сплавов FeCrAl, исследованных с целью их применения в ядерных реакторах. Некоторые из сплавов FeCrAl, такие как Aluchrom YHf и C26M, производятся традиционным способом плавки, литья, ковки, прокатки и т.д., а другие сплавы, такие как APMT и FeCrAl-ODS, производятся с использованием порошковой металлургии и экструзии (технология получения изделий путем продавливания вязкого расплава материала или густой пасты через формующее отверстие) [109]. Сплав C26M был разработан для использования в качестве материала для ядерных реакторов в Национальной лаборатории Ок-Ридж [110], [111], а FeCrAl-ODS – в Японии [56]. Порошковые сплавы FeCrAl Incoloy MA956 и PM2000 в прошлом применялись в промышленности, а также рассматривались для изготовления оболочек ТВЭЛов в реакторах IV поколения из-за их высокой механической стабильности и стойкости к окислению [112, 113].
Таблица 4. Номинальный состав сплавов FeCrAl в процентном соотношении по массе (остальное – железо) [6]
Сплав | Cr, % | Al, % | Другое, % |
APMT | 21 | 5 | 3 (Mo) |
C26M | 12 | 6 | 2Mo + 0.05Y |
FeCrAl NFD ODS | 12 | 6 | 0.5Ti + Zr + Y2O3 + Fe2O3 |
Aluchrom YHf | 21 | 5.5 | 0.05Y, 0.03Hf, 0.3Si |
В России АО «ВНИИНМ» занимается разработками оболочек ТВЭЛов из сталей и сплавов для легководных реакторов различного назначения [25, 26, 40, 41], при этом большее внимание уделяется разработке нового класса хромоникелевых сплавов (42ХНМ). Технология изготовления труб из данного сплава достаточно хорошо освоена. Так, в ПАО «Машиностроительный завод» освоена технология изготовления труб из сплава 42ХНМ, при этом отмечается его технологичность и хорошая свариваемость. «Первоуральский новотрубный завод» также осваивает производство длинномерных труб из сплава 42ХНМ применительно к их использованию в парогенераторах ПАТЭС, атомных станций малой мощности и проекте ВБЭР-300 [114]. К производственным трудностям, возникающим при изготовлении таких труб, относятся высокая окалийность сплава, необходимость высокотемпературной обработки и высокая степень наклепа при деформации [114].
3.3. Молибден. Это тугоплавкий металл, обладающий высокой жаропрочностью, с температурой плавления 2623°C, что близко к температуре плавления UO2 (2850°C) и выше практически на 1000°C температур циркониевых сплавов. В качестве защиты молибденовых ТВЭЛов от коррозии в воде и окисления при высоких температурах предлагается наносить на молибден цирконий (двухслойная оболочка) или использовать трехслойную оболочку с внешним покрытием из коррозионностойких сплавов, например сплава FeCrAl (трехслойная оболочка). Для изготовления таких оболочек был предложен метод горячего изостатического прессования труб (HIPing) [115], однако производство ТВЭЛов из молибдена с покрытием Zr или FeCrAl с использованием указанного метода находится еще на стадии разработок [19]. Нанесение покрытий методами ФОП на молибденовые ТВЭЛы позволяет получать образцы для проведения на них лабораторных испытаний, однако ставится под сомнение возможность изготовления этими способами полномасштабных оболочек ТВЭЛов. Также предлагается нанесение покрытий на молибденовые ТВЭЛы из MoSi3 (в качестве промежуточного подслоя) и MoSi2 методом вакуумного силицирования [18]. Такое покрытие демонстрирует хорошие защитные свойства при высокотемпературном окислении в атмосфере воздуха и водяного пара. Однако данные варианты изготовления ТВЭЛов также сложны для реализации в промышленных масштабах. Кроме того, необходимо проведение дополнительных испытаний по изучению их поведения при нормальных условиях эксплуатации реактора.
3.4. Карбид кремния. В настоящее время существует большое количество способов и условий получения карбида кремния, что обусловлено разнообразием его политипов (табл. 5). При этом гексагональные и ромбоидальные политипы относятся к α-SiC, а кубические – к β-SiC.
Таблица 5. Методы получения SiC
Метод | Процесс и отличительные особенности | Микро-структура |
Химическое осаждение из паровой фазы | Формирование пленки происходит в результате химической реакции прекурсоров (предшественников) на подложке. В качестве газа используется метилтрихлорсилан при 800–2000°С. | Рис. 5 |
Изготовление с применением наноразмерного карбида кремния (NITE) | Технология, включающая использование каркаса из SiC-волокон и матрицу, созданную инфильтрацией наночастиц SiC. Для получения высоких свойств композита значительную роль играет чистота и кристалличность волокон. | Рис. 6 |
Жидкофазное спекание (LPS) | Процесс жидкофазного спекания SiC зависит от свойств исходного порошка SiC, атмосферы обжига ([Ar]/[N]), количества и состава жидкой фазы, времени и температуры обжига, метода активации порошка. | Рис. 7 |
Реакционно-связан-ный карбид кремния (RB SiC) | Прямая реакция C + Si = SiC, проходящая выше температуры плавления Si. Получаемые материалы характеризуются высокой хрупкостью и низкими механическими и высокотемпературными свойствами. | Рис. 8 |
Твердофазное спекание | Прямое спекание порошка SiC при 2000–2500°C и ~100 МПа. Cпекание спрессованных или неспрессованных порошковых агрегатов, во время которого ни один из компонентов не плавится. | Рис. 9 |
Химическая паровая инфильтрация | Процесс, при котором матричный материал проникает в волокнистые формы с использованием химически активных газов при повышенной температуре с образованием композитов, армированных волокном. | Рис. 10 |
Рис. 5. Изображение, полученное методом дифракции обратного рассеяния электронов [116].
Рис. 6. Изображение, полученное просвечивающим растровым электронным микроскопом [117].
Рис. 7. Типичная микроструктура SiC, спеченного при температуре 2000°C и давлении 40 МПа в течение 6 ч [118].
Рис. 8. Типичная микроструктура реакционно-связанного карбида кремния, полученного при температуре 1550°C и времени выдержки 5 мин [119].
Рис. 9. Типичная микроструктура; может содержать различные границы зерен в зависимости от условий исходного порошка и процессов спекания [120].
Рис. 10. Типичная микроструктура композита Hi-Nicalon ™/CVI-SiC, на котором хорошо видны поры внутри волоконных пучков [121].
Исследования, направленные на изучение свойств SiC с целью использования этого материала в качестве оболочек ТВЭЛов ТТ, проводятся в KAERI (Южная Корея) [32], AREVA (Франция) [33], General Atomics совместно с Westinghouse (США) [34, 35], Japan Atomic Energy Agency (Япония) [36] и других мировых научных центрах. В KAERI [32] также занимаются разработкой топливных таблеток совместно с толерантными оболочками ТВЭЛов из SiC в долгосрочной перспективе.
При этом процесс сварки для SiC является серьезной проблемой. Когда идет речь об SiC как о материале ТТ, необходимо принимать во внимание его структуру и компоновку ТВЭЛов в ТВС, поскольку от этого зависят его свойства. По сложности изготовления принято разделять оболочки ТВЭЛов с использованием SiC на четыре типа:
- однослойная оболочка, армированная кремниево-карбидным волокном;
- двухслойная оболочка, внутренняя часть SiCf / SiC представляет собой композит (для улучшения механических свойств), а внешняя – монолит SiC (для защиты от воздействия высокотемпературного пара) [122];
- дуплексная оболочка, включающая сочетание монолитного SiC и его волокон, где внутренний слой препятствует выходу продуктов распада, а внешний слой используется для повышения механической прочности [123];
- триплексная структура типа монолит–волокно–покрытие. Отличается от дуплексной структуры наличием внешнего покрытия толщиной 50–150 мкм, нанесенного ХОП-методом [124]. Внешний слой обеспечивает дополнительную защиту от коррозии.
4. Химическая стойкость оболочек твэлов и покрытий
4.1. Металлические покрытия. Несмотря на хорошие термомеханические свойства металлических покрытий, к их недостаткам относятся склонность к образованию хрупких интерметаллических соединений, высокая скорость взаимной диффузии и возможное различие коэффициентов теплового расширения Zr и покрытия [28].
4.2. Хромовые покрытия. Обзор литературы показывает, что покрытие из металлического Cr является наиболее перспективным, поскольку только оксид Cr устойчив в среде теплоносителя легководных реакторов [21], а оксиды Si и Al склонны к гидратации и растворению, особенно в условиях облучения [63].
Скорость коррозии для циркониевых сплавов резко возрастает, если толщина оксидного слоя достигает 2–3 мкм [125]. Испытания образцов с покрытиями из Cr, нанесенными различными способами, демонстрируют повышенную прочность и улучшенную коррозионную стойкость в условиях нормальной и аварийной работы реактора по сравнению с Zr [70, 126–130] (табл. 6). Особый интерес представляют исследования окисления при высоких температурах. Согласно работе [50], покрытие из Cr сохраняет целостность трубчатого образца из сплава Zircaloy-4 после окисления в водяном паре при 1200°C в течение 6000 с с последующим охлаждением в воде (рис. 11 [50]).
Рис. 11. Сравнение внешнего вида образцов из сплава Zircaloy-4 без покрытия (а) и с хромовым покрытием (б) после окисления паром при 1200°C в течение 6000 с [50]: (а) – привес 40.4 мг/мс2, (б) –11.4.
Таблица 6. Химическая стойкость перспективных материалов для оболочек твэлов в рамках концепции ТТ
Материал | Условия испытаний | Прирост массы, мг/см2 | Содержание H2, млн–1 | Комментарий | Ссылка |
Покрытия из Cr | |||||
Э110 (электролитический) + Cr (магнетронное распыление (МР), гальваническое покрытие, лазерная абляция) | Воздух, 1100°С, 900 с | 31 ± 1 (Э110) 10 ± 1 (Э110 + Cr) | – |
| [47] |
Э110 (губчатый) + Cr (МР) | Пар, 1200°C, 1000 с | 19 ± 1 (Э110) 8 ± 1 (Э110+Cr) | |||
М5 + Cr, 10–15 мкм (ФОП) | Пар, 1200°C, 12000 с | 32 | – |
| [70] |
Zircaloy-4 + Cr, 5–6 мкм (ФОП) | Пар, 1000°C, 15000 с | 2.5 | ≤80 |
| [127] |
Zircaloy-4 + Cr, 10 мкм (дуговое испарение (ДИ)) | Пар, 1200°C, 2000 с | 1.2 | – |
| [71] |
Zr + Cr, 20–30 мкм (холодное газодинамическое напыление (ХГН)) | Пар, 1200°C, 3000 с | – | – | Стойкость к окислению покрытия из Cr без взаимной диффузии покрытия и Zr | [72] |
Zircaloy-4 + Cr, 27 мкм (МР) | Пар, 1200°C, 7200 с | – | – | Слоистое отслаивание оксидного слоя на начальном этапе окисления, после происходило образование более плотного слоя Cr2O3, препятствующего диффузии O2 в Zr | [53] |
Zircaloy-4 + Cr, 200 мкм (лазерная наплавка порошков (ЛНП)) | Пар, 1200°C, 2000 с | ≤ 2 | 314 | Стойкость к окислению без значительных повреждений покрытия, снижение образования H2 в образце с покрытием | [77] |
Zircaloy-4 + Cr, 80–200 мкм (ЛНП) | Дистиллированная и деионизированная вода, 360°C, 18.9 МПа, 15 сут | 0.032 | – |
| [78] |
Пар, 1200°C, 2000 с | 0.75 | ||||
M5 + Cr, 5–20 мкм (ФОП) | Деионизированная вода, 360°C, 15.5 МПа, 180 сут | 0.5 (покрытие снаружи) 0.01 (покрытие с двух сторон) | – | Низкая кинетика коррозии в условиях автоклавных испытаний PWR | [128] |
Пар, 415°C, 28 сут | 0.9/0.01 (покрытие снаружи/ с двух сторон) | ||||
Zircaloy-4 + Cr, 20 мкм (ДИ) | Вода, 360°C, 18.6 МПа (200 мг/кг H3BO4, 1.2 мг/кг LiOH), 3000 ч | 0.04 | – |
| [96] |
Вода, 360°C, 18.6 МПа (O2 100 мкг/кг), 3000 ч | 0.035 | ||||
Пар, 800, 1000, 1200°С, 1 ч (с последующим охлаждением на воздухе) | – | ||||
Zircaloy-4 + Cr, 3–20 мкм (ХГН) | Вода, 310°C, 14 МПа, 20 сут; 38 МПа, 12 сут | 0.95 | – |
| [100] |
Э110 + Cr, 7/15 мкм (ФОП) | Пар, 1000°С, 4000 с | – | – | Снижение степени окисления образцов с покрытиями более чем в 5 раз по сравнению с Zr | [131] |
Zircaloy-4 + Cr, 20–70 мкм (ХГН) | Пар, 1100, 1200°С, 1 ч (с последующим охлаждением в воде) | – | 13.4 мг |
| [132] |
Макеты ТВЭЛов Zircaloy-4 + + Cr, 25 мкм (ХГН) / 10 мкм (МР) | Смесь Ar с O2 и водяным паром, 1000°С, 1 ч | 0.01 | 46.7/47.4 мл |
| [134] |
1200°С, 1 ч | 0.02/0.06 | 84.5/205.6 мл | |||
1500–1600°С, 1 ч | 0.046/0.5 | 1475/1949 мл | |||
Zircaloy-4 + Cr, 70 мкм (атмосферное плазменное напыление (АПН)) | Пар, 1200°C, 1 ч | 22.5 | – | – | [102] |
Покрытия из Si | |||||
Zircaloy-4 + ZrSi2 4 мкм (МР) | Воздух, 700°С, 5 ч | 0.5 | – | Уменьшение прироста массы и образование оксидного слоя для образцов с покрытиями | [137] |
Zircaloy-4 + Si, 70 мкм (АПН; лазерное сканирование (ЛС)) | Пар, 1200°C, 2000 с | ≤ 2.5 | – |
| [68] |
Покрытия из CrAl | |||||
Zr + CrAl (ДИ) | Пар, 1200°C, 300 с | – | – |
| [81] |
Zircaloy-4 + CrAl (ионно-дуговое покрытие (ИДП)) | Вода, 360°С, 18.9 МПа, 240 сут | 0.35 | – | Улучшенная коррозионная стойкость по сравнению с Zr | [107] |
Нитриды (покрытия) | |||||
Э110 + CrN Э110 + Cr, 2 мкм (МР) | Пар, 900–1100°C, 1200 с | T = 1100°C: 5.2 (Cr), 22–35.9 (CrN) | T = 400°C: ≤ 0.03 мас. % (NiCr, NiCr9 и Cr) ~0.3 мас. % (Ni9Cr) |
| |
Zircaloy + CrN (МР) | Пар, 1000°C, 1 ч | 2.36 | – | Коррозионная стойкость покрытия из CrN в среде пара и воды | [66] |
Вода, 300°С, 30–120 сут | – | 9.3 ± 0.4 (30 сут); 9.8 ± 0.5 (60 сут); 10.1 ± 0.8 (120 сут). Образцы с царапинами: 15.7 ± 0.8 (30 сут); 14.0 ± 0.7 (60 сут); 28 ± 1 (120 сут). Без покрытия: 37 ± 2 (30 сут); 26 ± 1 (60 сут); 29 ± 1 (120 сут) | |||
Zirlo + TiN, 10 мкм Zirlo + TiAlN, 10 мкм (катодно-дуговое ФОП) | Вода, 360°С, 18.7 МПа, 90 сут | 0.06 | – |
| [138] |
FeCrAl (покрытия) | |||||
Zircaloy-4 + FeCrAl (ХГН) | 725°С, 500 ч, радиационное воздействие с 3.5 МэВ | – | – |
| [135] |
Zircaloy-4 + Cr + FeCrAl-ODS (ЛНП) | Вода, 360°С, 18.9 МПа, 180 сут | 0.35 | – |
| [107] |
Zircaloy-4 + FeCrAl, 150 мкм (АПН) | Пар, 1200°C, 1 ч | 50.5 | – |
| [102] |
Zircaloy-4 + FeCrAl (горячее изостатическое прессование) | Пар, 0.34 МПа, 1200, 1300°С, 8 ч | – | – | Разрушение покрытия при 1300°С с образованием слоя интерметаллида толщиной 200 мкм вследствие взаимной диффузии с Zr | [80] |
Zr + Mo/FeCrAl, 306 мкм Zr + Mo/FeCrAl, 15/141 мкм (ХГН) | Пар, 1200°C, 3000 с | – | – |
| [72] |
Высокоэнтропийные сплавы | |||||
AlCrFeCuNb | Вода, 360°С, 18.6 МПа, 3 сут | 0.167 | – | Высокая стойкость к коррозии за счет образования на поверхности фаз α-Al2O3 и CrNbO4 | [83] |
Пар, 1200°С, 1 ч | 0.3677 | ||||
FeCrAl | |||||
Fe-10Cr-6Al-2Mo (C06M), Fe-13Cr-5Al-2Mo (C35M3), Fe-13Cr-6Al-2Mo (C36M3), Fe-13Cr-7Al-2Mo (C37M), Fe-13Cr-5Al-2Mo-1Nb (C35MN6B) | Вода, 290°С, 9 МПа, 9 мес., нормальный водно-химический режим (BWR-NWC) | –0.15 (C37M) –0.1 (C35M3) –0.05 (C06M) –0.02 (C36M3) 0.03 (C35MN6B) | – |
| [146] |
Вода, 290°С, водородный водно-химический режим (BWR-HWC) | –1.3 (C37M) –0.9 (C36M3) –0.7 (C35M3) –0.5 (C35MN6B) 0.05 (C06M) | ||||
Сплав FeCrAl (APMT) и AISI310 | Вода, 330°С, 15 МПа, 1 год (условия PWR) | –0.15 –0.03 | – |
| [148] |
Вода, 290°С, 7 МПа, 1 год (BWR-HWC) | –0.23 –0.07 | ||||
Вода, 290°С, 7 МПа, 1 год (BWR-NWC) | 0.03 0.05 | ||||
Fe16Cr4.5Al | Вода, 340°С, 15.16 МПа, 200 ч (предварительное радиационное воздействие потоком ионов Fe до повреждающих доз 10 и 60 сна) | 0.06 (60 сна1) 0.055 (10 сна) 0.045 (необлученный) | – |
| [152] |
FeCrAl (Kanthal APM) | Вода, 360°С, 18.5 МПа, 500 сут | –0.01 | – | Скорость окисления значительно ниже, чем для Zr | [150] |
Пар, 1200°С, 3000 с | 0.6 | ||||
FeCrAl (Kanthal AF) | Пар, 1200°С, 12 сут | 1.2 | – | Морфология оксидного слоя свидетельствует о различных механизмах окисления при 900 и 1200°С | [143] |
Пар, 900°С, 1 мес. | 0.3 | ||||
42ХНМ | |||||
42ХНМ | Пар, 1200°С, 500 с | 0.5 | – | Удельный привес в 24 раза ниже, чем для Zr | |
SiC | |||||
SiC (ХОП) | Пар, 1200°С, 1 ч | 0.011 | – | Снижение скорости коррозии SiC в воде с растворенным H2 по сравнению с водой без растворенного H2 | [160] |
Вода, 360°С, 20 МПа, 210 сут | –0.03 (с растворенным H2 2.7 млн–1) –10 (без растворенного H2) | ||||
SiC (ХОП, химическая инфильтрация из пара) | Вода, 330°С, 15 МПа, 1 год (условия PWR), 3 мес. | –0.075 | – | – | [161] |
Вода, 290°С, 7 МПа, 1 год (BWR-HWC), 2 мес. | –0.04 | ||||
Вода, 290°С, 7 МПа, 1 год (BWR-NWC), 2 мес. | –0.225 | ||||
SiC (ХОП), полированный и неполированный | Вода с содержанием 1–4 млн–1 O2 и 0.15–3 млн–1 H2, 288°C, 2000 ч | –0.7…–0.03 | – | Более медленная коррозия полированных образцов, этот эффект более выражен с ростом содержания O2 | [162] |
320°C, 600–2000 ч | –1.1…–0.05 | ||||
350°C, 400–600 ч | –2.7…+0.025 | ||||
SiC (ХОП) | Вода, 320°C, 20 MПa, 168 ч (предварительное радиационное воздействие ионами Si с 5.1 МэВ при 400 и 800°C) | – | – | Более быстрая коррозия облученных образцов по сравнению с необлученными | [163] |
SiC 25×2 5×4 мм3 (высокоскоростное горячее прессование в графитовом тигле в вакууме), в том числе с примесями Cr и Si | Вода, 350°С, 16.8 МПа, 1000 ч | –0.0849 (SiC + Cr) –0.1253 (SiC) –0.1066 (SiC + Si) | – |
| [164] |
SiC (ХОП) и SiCf /SiC 25×6×1 мм Без покрытий, с покрытиями из Cr, CrN, TiN, ZrN, NiCr, Ni | Вода (2 млн–1 O2), 288°С, 400 ч | –0.02 (ХОП–SiC); –2 (SiCf /SiC); 0.3 (SiC + TiN); 0.2 (SiC+Ni); 0.1 (SiC + Cr) 0.3 (SiC+NiCr) –5 (SiC + ZrN) –5.3 (SiC + NiCr) | – | Сильная потеря веса образцов с двухслойной структурой по сравнению с SiC (ХОП) | [165] |
SiC (ХОП) + TiN, Cr, CrN, Cr/CrN (ФОП) | Вода (1–2 млн–1 O2; 0.15 млн–1 H2), 288–350°С, 2600 ч | 1–2 млн–1 O2: –3.5 (SiC + Cr) –1 (SiC + CrN) –1.7 (SiC + TiN) 0.15 млн–1 H2: 0.02 (SiC + Cr) –0.2 (SiC + CrN) –0.1 (SiC + TiN) | – |
| [166] |
SiC + Cr (СМР, ИДП, СМР + ИДП) | Пар, 1100°С, 90 мин | 20 | – |
| [95] |
Пар, 1200°С, 90 мин | 60 (СМР), 110 (ИДП) | ||||
4H–SiC | Влажный и сухой O2, 1100°С, 30–180 мин | – | – | Рост толщины оксидного слоя по параболическому и линейному законам при больших и малых временных промежутках соответственно, что связано с активным либо пассивным механизмами окисления | [167] |
Углеродное волокно T-300 + SiC | O2–Ar, парциальное давление – 0.5–0.005 атм, 816–1538°С, 325 ч | –0.2 (1343°С, 100 ч) –0.7 (1149°С, 100 ч) –0.9 (816°С, 100 ч) | – | Активное окисление SiC при наиболее высокой температуре и наиболее низком парциальном давлении O2 | [168] |
Трубки SiC триплексной структуры | Ar с различным содержанием водяного пара (10, 30 и 60 кПа), ≤ 2000°С | 4.8×10-4 мг/(см2 с1/2) (10 кПа) 1.2×10-3 мг/(см2 с1/2) (30 кПа) | 3 г/м2ч (1600°С) 12–61 г/м2ч (1700–1800°С) |
| [170] |
Испытания АО «ВНИИНМ» (табл. 6) [37, 131] показали, что характерная толщина хромового покрытия на цирконии составляет 7 мкм [37]. В совместных исследованиях KIT (Германия) и MIT (США) [132] при температуре 1100°C был замечен нежелательный изгиб циркониевого образца с хромовым покрытием, в результате чего произошли потеря защитного эффекта покрытия и быстрое окисление сплава Zircaloy-4 с образованием на данном участке толстого слоя ZrO2. Авторы предполагают, что этот дефект возник из-за высокого уровня остаточных напряжений в системе покрытие–подложка и сильной пластической деформации Zr, что типично для технологии холодного напыления. Отмечено, что при эвтектических температурах Cr–Zr (1332°C) O2 вызывает растворение хрома из покрытия внутри оболочки ТВЭЛа в расплаве Zr–Cr («диффузию») вследствие низкой растворимости Cr в образовавшемся на месте дефекта ZrO2 [133]. Во время испытания на стойкость к окислению при 1300°C произошло неожиданное расплавление образца. Испытания выше температуры эвтектики Cr–Zr продемонстрировали, что взаимная «диффузия» и образование жидкой фазы приводят к быстрой деградации трубки с Cr-покрытием с еще более высокой скоростью окисления по сравнению с Zircaloy-4. При этом кислород способствует ускоренному растворению Cr внутри расплава Zr–Cr (что связано с восстановлением Cr из Cr2O3 на границе хромового покрытия и Zr) и последующим оплавлением эвтектического слоя Cr–Zr под образовавшимся оксидным слоем, ближе к внутренней стороне трубки. Эти результаты свидетельствуют о необходимости подбора промежуточного барьерного защитного слоя между Cr и Zr.
В работе [134] представлены результаты по окислению сегментов ТВЭЛов с покрытием из Cr (табл. 6), в том числе с нанесенными на них царапинами на всю глубину покрытий. Наличие локальных повреждений в виде царапин практически не влияет на стойкость к окислению всего образца и не приводит к отслаиванию покрытия даже после охлаждения в воде после высокотемпературных испытаний. Несмотря на это, при высоких температурах (1500–1600°С) покрытия нельзя считать защитными, поскольку наблюдается интенсивная взаимная диффузия Cr–Zr.
4.3. Покрытия из сплава FeCrAl. Согласно [102], FeCrAl не защищает цирконий в условиях АПТ (табл. 6 [80, 102, 135]). Для образца с покрытием из FeCrAl после окисления наблюдается диффузия материалов покрытия и оболочки, что подтверждает необходимость диффузионного барьера с подложкой. В [136] для уменьшения интенсивности образования эвтектического слоя FeCrAl–Zr c низкой температурой плавления (928°С) предлагается наносить барьер из Mo [72]. Использование Cr в качестве промежуточного слоя привело к образованию на поверхности FeCrAl–Cr тонкой оксидной пленки толщиной менее 1 мкм при нормальных условиях работы реактора в течение 180 сут (табл. 6 [107]). Дисперсное упрочнение оксидами с использованием порошка Y2O3 приповерхностного слоя циркония перед нанесением покрытий Cr–Al и Cr–FeCrAl позволило улучшить сопротивление ползучести и высокотемпературной деформации образцов. Из-за диффузии O2 в сплав Cr–Al образовались сложные микроструктуры, в то время как столбчатая структура на границе раздела осталась прежней даже после высокотемпературного окисления [81].
4.4. Керамические покрытия. Керамические покрытия (карбиды и нитриды) обладают высокими термическими и механическими свойствами, устойчивостью к радиационным воздействиям, твердостью и хорошей износостойкостью (табл. 6 [137]). В качестве защитных покрытий в ряде исследований рассматриваются соединения на основе Ti, где демонстрируется стойкость таких покрытий к коррозии и их защитные свойства от насыщения H2 (табл. 6) [97, 138]. Однако, как сообщается в обзоре [139], Ti быстро окисляется при высоких температурах и диффундирует в покрытие, что может ослабить защитный эффект Al2O3 или SiO2. Авторы [62] считают, что пленки из TiN не подходят для использования в качестве покрытий на циркониевых сплавах, поскольку TiN склонен к диссоциации под воздействием ионного облучения. При этом создаются зоны, обогащенные титаном, в которых окисление при высоких температурах приводит к образованию газообразного H2 (аналогично циркониевым сплавам). Покрытия из NiCr менее хрупкие по сравнению с покрытиями из чистого Cr, однако их механические свойства ухудшаются сильнее, чем для хромового покрытия после испытаний на окисление (табл. 6) [74, 82]. Установлено, что более плотные покрытия лучше защищают Zr, тогда как тонкие столбчатые покрытия не предотвращают диффузию N и O2 в Zr. Однако наилучшую стойкость к окислению проявляют покрытия из чистого Cr.
В реакторе Halden проводились испытания цилиндрических образцов из Zircaloy-4 с нитридными покрытиями (CrN, TiAlN, AlCrN) [63, 64]. Исследования показали, что покрытия из TiAlN и AlCrN растворяются после облучения. Покрытие из CrN продемонстрировало лучшую стойкость, но под воздействием нейтронного облучения произошло отслаивание на 20% всей площади из-за растрескивания покрытия и образования под трещинами слоя ZrO2. Другие испытания циркониевых образцов с покрытием из CrN, проведенные в реакторе Halden, продемонстрировали более высокую стойкость к коррозии в среде пара и воды (табл. 6) [65, 66].
Также рассматривается возможность применения высокоэнтропийных сплавов, содержащих не менее пяти элементов и обладающих высокой термической стабильностью, стойкостью к окислению, коррозии и радиационным повреждениям. Однако низкая пластичность таких сплавов не позволяет изготавливать из них длинные тонкие трубки ТВЭЛов, поэтому такие сплавы стоит рассматривать только как покрытия циркониевых оболочек ТВЭЛов. В свою очередь применение высокоэнтропийных сплавов для покрытия оболочек ТВЭЛов выглядит проблематичным из-за возможного образования низкотемпературной эвтектики, а также сложных оксидов, образующихся после высокотемпературного окисления.
4.5. Оболочки ТВЭЛов из ферритной стали. Достоинством ферритных сталей является стойкость к окислению при высоких температурах в атмосфере влажного воздуха за счет образования оксидов Cr и Al. Исследования ферритных сталей, проведенные в General Electric [140], показали, что при их использовании в качестве материала оболочки ТВЭЛа не возникает проблемы гальванической (теневой) коррозии, свойственной для циркониевых сплавов при нахождении вблизи них материалов из других металлов (обычно никелевых сплавов или нержавеющей стали). Ферритные стали с высоким содержанием хрома демонстрируют отличное сопротивление трещинообразованию и развитию уже появившихся трещин в воде под давлением и коррозии при высоких температурах в атмосфере водяного пара.
Отдельное внимание стоит уделить сплаву FeCrAl. Стойкость сплавов FeCrAl в атмосфере воздуха и водяного пара объясняется формированием прочной и тонкой (до 1 мкм) пленки оксида Al, которая выполняет защитные функции практически до точки плавления сплава (около 1450°С) [141]. В работе [142] показано, что защитный слой оксида алюминия появляется уже при температуре 700°C. В [143] (табл. 6) рост оксида алюминия при высокотемпературном окислении происходил по параболическому закону. Скорость роста оксидного слоя в основном определяется температурой выдержки, в то время как концентрация O2 в газовой атмосфере оказывает незначительное влияние на кинетику окисления.
В работе [144] продемонстрирована интенсификация окисления сплава FeCrAl при температурах 900°С в присутствии водяного пара (O2 + 40% H2O). Авторы утверждают, что на скорость окисления влияет перенос ионов кислорода через γ-Al2O3. При этом обнаружено, что в атмосфере сухого O2 для сплава FeCrAl наблюдается увеличение эффективной толщины слоя γ-Al2O3. Следовательно, интенсификация окисления сплава FeCrAl в атмосфере H2O связана со стабилизацией растущего внешнего слоя γ-Al2O3 за счет его гидроксилирования. Исследования показывают, что существует необходимость в соблюдении пропорции между содержанием Cr и Al в сплаве FeCrAl, иначе при высоких температурах на поверхности может образоваться оксид железа, т.е. термодинамически нестабильный оксид по отношению к высокотемпературному пару [145].
Сплавы FeCrAl различного состава демонстрируют коррозионную стойкость при нормальных условиях эксплуатации реактора (см. табл. 6) [146–150]. Оксиды Cr2O3 и Al2O3 образуют непрерывный ряд твердых растворов, что делает их подвижными внутри шпинели и позволяет пассивировать поверхность в широком диапазоне температур при взаимодействии с водой. Это привело исследователей из KAERI к замене чистого хромового покрытия на покрытия из Cr–Al [151].
Для сплава FeCrAl (APMT) после годовых автоклавных испытаний максимальная глубина коррозии составила 2 мкм, что намного меньше толщины оболочки ТВЭЛа (рис. 12 [148]). Установлено, что добавка Nb (1–2%) улучшает коррозионную стойкость сплава FeCrAl в атмосфере перегретого водяного пара за счет способствования образованию более однородной и непрерывной пленки оксида алюминия [147]. Однако в [147] отмечается, что большое содержание ниобия ухудшает стойкость к коррозии при высоких температурах. Критически важными являются исследования, проведенные на предварительно облученных образцах [152] (табл. 6). Установлено, что на начальной стадии коррозии оксид хрома защищает образец, однако на более позднем этапе коррозии дефекты, вызванные облучением, ускоряют коррозионные процессы.
Рис. 12. Сканирующая просвечивающая электронная микроскопия поперечного сечения сплава FeCrAl после годового испытания: (а) – условия BWR-NWC (нормальный водно-химический режим); (б) – BWR-HWC (водородный водно-химический режим); (в) – PWR [148].
Поскольку FeCrAl является ферритным ОЦК-сплавом, диффузия трития через оболочку ТВЭЛа в теплоноситель может быть даже выше, чем при использовании аустенитного ГЦК-материала на основе железа. Ожидается более интенсивный выход трития в теплоноситель, так как проницаемость сплава FeCrAl для H2 приблизительно в 100 раз больше по сравнению с цирконием [153]. Тем не менее есть основания полагать, что окисление оболочки ТВЭЛа с внутренней и внешней сторон будет эффективным барьером для диффузии водорода через оболочку ТВЭЛа [154]. В [154] использовались тонкие пленки на основе Al–Cr–O, поскольку такое сочетание элементов создает устойчивую структуру типа корунд с химической стабильностью, как у Al2O3. Пленки толщиной 2 мкм наносились методом дугового испарения на образец из малоактивируемой ферритно-мартенситной стали марки EUROFER 97, они показали высокие барьерные свойства для проникновения водорода.
4.6. Хром-никелевые сплавы. Главное преимущество сплава 42ХНМ перед цирконием – неподверженность реакциям с водяным паром, которые сопровождаются повышенным выделением H2. Коррозионные испытания, проведенные в АО «ВНИИНМ» [40, 41] (табл. 6), свидетельствуют о том, что сплав 42ХНМ практически не окисляется при 1200°С в течение 500 с. В работе [155] показано, что коррозионная стойкость сплава 42ХНМ в различных агрессивных средах на несколько порядков выше по сравнению с нержавеющей сталью, так как он имеет способность к самопроизвольной пассивации за счет высокого содержания хрома.
У сплава 42ХНМ наблюдается высокая стойкость к межкристаллитному коррозионному растрескиванию по сравнению с аустенитной сталью. В [156, 157] установлено, что сплав 42ХНМ по времени до разрушения превосходит аустенитные сплавы более чем в 100 раз. При времени выдержки 100 000 ч разрушение ампул из сплава 42ХНМ не зафиксировано. В результате облучения на поверхности сплава 42ХНМ образуется плотная равномерная оксидная пленка толщиной менее 1 мкм, защищающая его от коррозии. Результаты автоклавных испытаний (вода, 325°С, Р = 155 бар, 66–858 ч) хром-никелевых сплавов свидетельствуют о многослойной структуре образовавшегося оксидного слоя [158]. При этом внутренний слой состоит из пленки Ni(1-x)FexCr2O4, в которой содержание Fe и Ni зависит от их концентрации в сплаве, а также включений Cr2O3 вдоль границы оксида и сплава. Внешний слой состоит из NiFe2O4 и Ni(OH)2.
Однако для сплавов ХНМ свойственно низкотемпературное радиационное охрупчивание, которое приводит к падению пластичности этого сплава до уровня нескольких процентов при температурах выше 600°С, что на данном этапе работ ограничивает его использование в качестве материала оболочек ТВЭЛов [159].
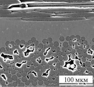
4.7. Карбид кремния SiC. Принципиально важными являются исследования, посвященные коррозии SiC в воде при температурах, характерных для нормальных условий работы реактора. При проведении испытаний, имитирующих условия PWR (без радиационного воздействия), использование SiC привело к снижению коррозии по сравнению с циркониевым сплавом [34]. Микроструктура поверхности практически не изменилась после 210 сут испытаний (рис. 13 [160]). Термодинамический анализ, представленный в [161] (см. табл. 6), продемонстрировал, что в условиях работы реактора SiC реагирует с водой, образуя при этом оксид кремния, который повторно взаимодействует с водой, переходит в ортокремневую кислоту и растворяется в теплоносителе. Растворимость растет с повышением температуры и давления. Влияние кислотности среды становится заметным при pH > 8, что приводит к резкому увеличению растворимости SiO2. Также сильное влияние оказывает растворенный O2, ускоряя коррозионные процессы. В [162] показано, что коррозия становится более интенсивной с ростом температуры воды и содержания в ней O2 (см. табл. 6). В случае, когда O2 практически отсутствует, коррозия протекает медленно. При этом большое влияние на коррозионный процесс оказывает содержание в воде других примесей, таких как B и Li. Авторами [162] разработана модель, согласно которой толщина оболочки ТВЭЛа из SiC уменьшится на 1.3 мкм за 5 лет выдержки в воде с температурой 320°C без учета радиационного воздействия и с низким уровнем растворенного O2.
Рис. 13. Сканирующая электронная микроскопия верхней поверхности образцов SiC, полученных методом химического осаждения из паровой фазы: (а) – перед испытанием на коррозию; (б) – после испытания на коррозию в течение 210 сут в условиях, имитирующих PWR, с контролем растворенного H2 [160].
В экспериментах в воде при высоких давлениях на облученных образцах SiC (см. табл. 6) [163] установлено, что с ростом интенсивности потока бомбардирующих частиц и смещением атомов в узлах решетки коррозия протекает более интенсивно (рис. 14 [163]). Причиной сильной коррозии облученных образцов может являться их низкая сопротивляемость диффузии O2, поскольку в экспериментах наблюдалась диффузия O2 (3 нм) в образец. Существует подход, в рамках которого в состав SiC предлагается вносить добавки для уменьшения коррозионной активности в воде.
Рис. 14. Изображения корродированных поверхностей образцов, предварительно облученных до 0.6 сна: (а) – облучение при температуре 400°C; (б) – 800°C [163]; на всех рисунках видна граница между облученной (правая половина) и необлученной (левая) зонами.
Эксперименты по коррозионной стойкости SiC, проведенные на базе Харьковского физико-технического института [164], показали, что добавка хрома в состав SiC улучшает коррозионную стойкость за счет образования устойчивого к коррозии оксида хрома (Cr2O3). При этом такие добавки не ухудшают механические свойства образца, что делает это направление достаточно перспективным.
Для уменьшения химического взаимодействия SiC с водой предлагается использование защитных покрытий. Результаты испытаний [165] показали, что наилучшие защитные свойства демонстрируют покрытия из Cr, Ni, CrN. Несмотря на то, что в воде, насыщенной H2, все покрытия оставались химически стабильными, ни одно из покрытий не выдержало испытаний в насыщенной O2 воде [166] (см. табл. 6).
В экспериментах на высокотемпературное окисление SiC с хромовыми покрытиями, нанесенными различными способами, наблюдается переход от плотной к более пористой микроструктуре хрома после окисления при 1200°C [95] (табл. 6). Как показали исследования [167], структура SiC также влияет на характер окисления. Авторы использовали политип 4H-SiC для изучения кинетики окисления в сухом и влажном кислороде. Модификация 4H-SiC представляет собой гексагональную элементарную ячейку с полярными и неполярными гранями, поскольку в зависимости от ориентации кристалла на его поверхность выходят атомы Si или C либо и те, и другие в равном количестве. Эксперименты показали, что скорость роста оксидного слоя выше на поверхности углеродной грани кристалла (в 4–8 раз), причем в атмосфере влажного кислорода эта разница более заметна.
Эксперименты по высокотемпературному окислению углеродного волокна T-300, защищенного слоем SiC, показали, что парциальное содержание кислорода оказывает большее влияние, чем температура образца [168] (табл. 6). После экспериментов на покрытии SiC были зафиксированы трещины, появление которых обусловлено как процессом окисления, так и термическими микронапряжениями в образце, которые являлись доминирующими, так как трещинообразование наблюдалось уже при минимальном содержании О2. Следует отметить, что при высоких температурах и низком содержании О2 реакция проходит по формуле SiC + O2 = = SiO + O, т.е. SiC может переходить в газовую фазу. В исследованиях [169] продемонстрировано два механизма окисления SiC и Si3N4 при высоких температурах: активное и пассивное. Активное окисление сопровождается потерей массы за счет генерации газообразного SiO. Пассивное окисление, напротив, сопровождается образованием защитного твердого слоя SiO2 и приростом массы образца. Главным фактором, определяющим механизм активации, является давление газообразного SiO. Было обнаружено появление пузырей газа СО между слоями SiC/SiO2 при температурах испытаний выше 1600°C. SiC взаимодействует с водяным паром при температурах выше 1100°С следующим образом:
SiC + 3H2O → SiO2 + 3H2 + CO.
Несмотря на то что в ходе реакции выделяется газообразный водород, скорость протекания этой реакции на три порядка ниже, чем пароциркониевой реакции.
В работе [170] показано, что длительная выдержка SiC при высоких температурах приводит к образованию пузырей в поверхностном слое (рис. 15 [170]). В диапазоне температур 1700–1800°C образуется тонкий слой диоксида кремния, что объясняется тем, что эти температуры близки к его температуре плавления.
Рис. 15. Фотографии образцов, окисленных при 1600°C и различных парциальных давлениях водяного пара [170]: (а) – 10 кПа, 16 ч, максимальный поток – 66 л/ч; (б) – 60, 22, 64; (в) – 30, 22, 64; (г) – 60, 22, 133; (д) – 30, 25, 133; (е) – 30, 22, 133; (ж) – 60, 64, 64; (з) – 60, 22, 133.
Важной и малоисследованной проблемой является химическое взаимодействие SiC с топливом. Авторы [171] исследовали взаимодействие SiC–UO2 при высоких температурах. Термодинамический анализ фазовых диаграмм продемонстрировал, что взаимодействие SiC и UO2 приводит к образованию SiO2, свободного углерода С, газообразного CO и в меньшей степени SiO и CO2. Когда соотношение [O]/[U] < 2, реакция приводит к образованию силицида и карбида урана, а также USi1.88 и UC. Экспериментальные результаты подтверждают термодинамические расчеты. В обоих вариантах эксперимента жидкая фаза образуется в диапазоне температур 1577–1677°С, которые значительно выше, чем при взаимодействии UO2 и Zr (1127°С). В этом отношении оболочка ТВЭЛов из SiC представляется более надежной по сравнению с цирконием.
Заключение
Проанализированы основные направления развития толерантного топлива в мире, касающиеся материалов оболочек ТВЭЛов. Представлено описание преимуществ и недостатков основных концепций толерантного топлива, которые предполагают нанесение покрытий на циркониевые сплавы либо полную замену циркониевой оболочки ТВЭЛов новыми материалами (различные сплавы, керамические композиты). Выполнен анализ исследований химической стойкости оболочек ТВЭЛов к воде, водяному пару и кислороду. Обобщение и анализ результатов отечественных и зарубежных исследований позволили сформулировать следующие выводы.
Наиболее высокий уровень технологической готовности наблюдается для циркониевых оболочек ТВЭЛов с хромсодержащими покрытиями. Выявлено, что от метода нанесения покрытий зависят их прочностные свойства, особенно при высоких температурных и механических нагрузках. Также хорошо изучены технологии изготовления оболочек ТВЭЛов из сплавов FeCrAl, а в России активное развитие получила концепция использования хромоникелевого сплава 42ХНМ. Экспериментальные ТВС с оболочками ТВЭЛов указанных типов уже загружены на действующие АЭС для получения результатов по их испытаниям в условиях работы реактора. Использование в качестве материалов оболочек ТВЭЛов тугоплавкого металла молибдена и SiCf /SiC-композитов на данный момент находится на стадии исследований и разработок, поскольку такие концепции требуют решения проблем по созданию полномасштабных нехрупких оболочек ТВЭЛов до их эксплуатации в условиях работы реактора.
В целом использование защитных покрытий, прежде всего из хрома, а также оболочекТВЭЛов из сплава FeCrAl, хром-никелевых сплавов и SiC снижает интенсивность окисления до температуры образования жидких эвтектик или плавления оболочки ТВЭЛа по сравнению с цирконием. Однако при этом наблюдаются проблемы, свойственные каждой из предложенных концепций ТТ. Так, у хромовых покрытий существует зависимость сопротивления окислению от толщины и структуры покрытия. Кроме того, наблюдается проблема резкого возрастания генерации H2 при неизбежном сходе покрытия с циркония при высоких температурах, особенно при достижении эвтектических температур Cr–Zr. При высоких температурах (выше 1200°С) хромовые покрытия могут растрескиваться из-за резкого возрастания разницы в значениях коэффициентов термического расширения хрома и циркония при повышении температуры. Для покрытий из FeCrAl и CrAl растворение при нормальных условиях работы реактора не наблюдается, однако вполне возможна диффузия металлов и образование эвтектики при температурах выше 900°С, что требует дальнейших исследований. Для SiC не решены проблемы производства длинных волокон из SiC, низкой ударной прочности трубок и сварки с хвостовиками.
Исследование выполнено в рамках проекта РНФ № 19-79-10116-П.
1 Смещение на атом.
About the authors
А. Р. Забиров
ФБУ Научно-технический центр по ядерной и радиационной безопасности; ФГБОУ ВО «Национальный исследовательский университет «МЭИ»
Email: irina_molotova1705@mail.ru
Russian Federation, г. Москва; г. Москва
И. А. Молотова
ФБУ Научно-технический центр по ядерной и радиационной безопасности; ФГБОУ ВО «Национальный исследовательский университет «МЭИ»
Author for correspondence.
Email: irina_molotova1705@mail.ru
Russian Federation, г. Москва; г. Москва
В. В. Ягов
ФГБОУ ВО «Национальный исследовательский университет «МЭИ»
Email: irina_molotova1705@mail.ru
Russian Federation, г. Москва
Д. В. Сиделёв
Национальный исследовательский Томский политехнический университет
Email: irina_molotova1705@mail.ru
Russian Federation, г. Томск
Д. А. Яшников
ФБУ Научно-технический центр по ядерной и радиационной безопасности
Email: irina_molotova1705@mail.ru
Russian Federation, г. Москва
С. А. Шевченко
ФБУ Научно-технический центр по ядерной и радиационной безопасности
Email: irina_molotova1705@mail.ru
Russian Federation, г. Москва
References
- Никулина А.В. Нодулярная коррозия циркониевых изделий // ВАНТ. Сер. Материаловед. нов. мат. 2012. № 1. С. 79.
- Ramasubramanian N. Shadow Corrosion // J. Nucl. Mater. 2004. V. 328. № 2–3. С. 249.
- Мелеховец А.Ю., Пышин И.В. Гальваническая коррозия циркониевых сплавов в водном теплоносителе // Изв. вузов. Сер. Ядерная энергетика. 2020. № 2. С. 52.
- Иванова С.В., Шиков А.К., Бочаров О.В. Наводороживание циркониевых изделий в процессе изготовления и эксплуатации – фактор, ограничивающий ресурс их работы в реакторах ВВЭР и РБМК // Металловед. терм. обр. мет. 2003. № 8. С. 40.
- Стоев П.И., Воеводин В.Н., Папиров И.И., Тихоновский М.А., Виноградов Д.В., Вьюгов Н.П. Влияние наводороживания на анизотропию механических свойств твэльных труб из сплава Zr–1% Nb // ВАНТ. 2016. № 2 (102). С. 38.
- Accident-Tolerant Materials for Light Water Reactor Fuels / Ed. Rebak R.B. Elsevier, 2020. 221 p.
- Правила ядерной безопасности реакторных установок атомных станций. НП-082-07. М., 2007.
- Кириллов И.А., Харитонова Н.Л., Шарафутдинов Р.Б., Хренников Н.Н. Обеспечение водородной безопасности на атомных электростанциях с водоохлаждаемыми реакторными установками. Современное состояние проблемы // Ядерн. рад. безопасн. 2017. Т. 2. № 84. С. 26.
- Андрушечко С.А., Афров А.М., Васильев Б.Ю., Генералов В.Н., Косоуров К.Б., Семченков Ю.М., Украинцев В.Ф. АЭС с реактором типа ВВЭР-1000. От физических основ эксплуатации до эволюции проекта. М.: Логос, 2010. 604 с.
- International Atomic Energy Agency, Approaches and Tools for Severe Accident Analysis for Nuclear Power Plants. IAEA, 2008.
- Zinkle S.J., Terrani K.A., Gehin J.C., Ott L.J., Snead L.L. Accident Tolerant Fuels for LWRs: A Perspective // J. Nucl. Mater. 2014. V. 448. № 1–3. P. 374.
- Benchmark Study of the Accident at the Fukushima Daiichi Nuclear Power Plant. Phase I. Final Report, The Institute of Applied Energy (IAE). Tokyo, Japan. 2015.
- Benchmark Study of the Accident at the Fukushima Daiichi Nuclear Power Plant. Phase II. Summary Report, NEA No. 7525. OECD. 2021.
- Herranz L.E., Pellegrini M., Lind T. et al. Оverview and Outcomes of the OECD/NEA Benchmark Study of the Accident at the Fukushima Daiichi NPS (BSAF) Phase 2 – Results of Severe Accident Analyses for Unit 1 // Nucl. Eng. Des. 2020. V. 369. P. 110849.
- Pellegrini M., Herranz L., Sonnenkalb M. et al. Main Findings, Remaining Uncertainties and Lessons Learned from the OECD/NEA BSAF Project // Nucl. Technol. 2020. V. 206. № 9. P. 1449.
- Долганов К.С., Киселев А.Е., Томащик Д.Ю., Капустин А.В., Моисеенко Е.В. Расчетные анализы ИБРАЭ РАН в рамках стадии 1 проекта BSAF (2014 г.) // Системный анализ причин и последствий аварии на АЭС «Фукусима-1». М.: ИБРАЭ РАН, 2018. С. 252.
- Авария на АЭС «Фукусима-1»: опыт реагирования и уроки // Тр. ИБРАЭ РАН. 2013. Вып. 13. 246 с.
- International Atomic Energy Agency, Accide nt Tolerant Fuel Concepts for Light Water Reactors. IAEA-TECDOC-1797, IAEA. Vienna, 2016.
- State-of-the-Art Report on Light Water Reactor Accident-tolerant Fuels. Nuclear Science. Paris: OECD Publ., NEA, 2018.
- Gurgen A., Shirvan K. Estimation of Coping Time in Pressurized Water Reactors for Near Term Accident Tolerant Fuel Claddings // Nucl. Eng. Des. 2018. V. 337. P. 38.
- Terrani K.A. Accident Tolerant Fuel Cladding Development: Promise, Status, and Challenges // J. Nucl. Mater. 2018. V. 501. P. 13.
- Ott L.J., Robb K.R., Wang D. Preliminary Assessment of Accident-tolerant Fuels on LWR Performance during Normal Operation and under DB and BDB Accident Conditions // J. Nucl. Mat. 2014. V. 448. № 1–3. P. 520.
- Savchenko A.M., Leontieva-Smirnova M.V., Kulakov G.V., Rechitsky V.N., Konovalov Y.V., Nikitina A.A. Peculiarities of Stainless Steels Application as ATF in VVER’S // TopFuel – 2018. Conf., Prague, Czech Repuublic. Sept. 30–Oct. 04. 2018.
- Savchenko A., Ivanov V., Novikov V., Kulakov G., Skupov M., Orlov V., Uferov O., Konovalov Y. Review of A.A. Bochvar Institute Activities in Developing Potentially Accident Tolerant Fuel for Light Water Reactors // Top Fuel – 2015. Proc. Pt. I. 2015. P. 21.
- Карпюк Л.А., Савченко А.М., Леонтьева-Смир-нова М.В., Кулаков Г.В., Коновалов Ю.В. Перспективы применения стальных оболочек для твэлов реакторов типа ВВЭР в рамках концепции топлива, устойчивого к аварийным ситуациям // Атомная энергия. 2020. Т. 128. № 4. С. 203.
- Карпюк Л.А., Кузнецов В.И., Маслов А.А., Новиков В.В., Орлов В.К., Рыкунов Д.В., Титов А.О. Топливо с хромовым покрытием оболочки твэла, устойчивое к аварии // Атомная энергия. 2021. Т. 130. № 3. С. 142.
- Tang C., Stueber M., Seifert H.J., Steinbrueck M. Protective Coatings on Zirconium-Based Alloys as Accident-Tolerant Fuel (ATF) Claddings // Corros. Rev. 2017. V. 35. № 3. P. 141.
- Chen H., Wang X., Zhang R. Application and Development Progress of Cr-Based Surface Coatings in Nuclear Fuel Element: I. Selection, Preparation, and Characteristics of Coating Materials // Coat. 2020. V. 10. № 9. P. 808.
- Chen H., Wang X., Zhang R. Application and Development Progress of Cr-Based Surface Coating in Nuclear Fuel Elements: II. Current Status and Shortcomings of Performance Studies // Coat. 2020. V. 10. № 9. P. 835.
- Kashkarov E., Afornu B., Sidelev D., Krinitcyn M., Gouws V., Lider A. Recent Advances in Protective Coatings for Accident Tolerant Zr-Based Fuel Claddings // Coat. 2021. V. 11. № 5. P. 557.
- Yun D., Lu С., Zhou Z., Wu Y., Liu W., Guo S., Shi T., Stubbins J. F. Current State and Prospect on the Development of Advanced Nuclear Fuel System Materials: A Review // Mater. Rep. Energy. 2021. № 1. P. 1
- Kim H.G., Yang J.H., Kim W.J., Koo Y.J. Development Status of Accident-Tolerant Fuel for Light Water Reactors in Korea // Nucl. Eng. Technol. 2016. V. 48. № 1. P. 1.
- Bischoff J., Blanpain P., Brachet J.C., Lorrette C., Ambard A., Strumpel J., McKoy K. Development of Fuels with Enhanced Accident Tolerance. № IAEA-TECDOC-1797. 2016.
- Oelrich R., Ray S., Karoutas Z., Xu P., Romero J., Shah H., Lahoda E., Boylan F. Overview of Westinghouse Lead Accident Tolerant Fuel Program // Proc. TopFuel Conf., 2018.
- Xu P., Lahoda E.J., Lyons J., Deck C.P., Kohse G.E. Status Update on Westinghouse SiC Composite Cladding Fuel Development // TopFuel. Paper A0109, 2018.
- Yamakoshi Y., Kirimura K., Kuramoto H., Noda T., Yamashita S., Fukahori T. Severe Accident Evaluations for Conventional PWR Power Plant with SiC Composite Fuel Cladding // Proc. TopFuel – 2018. Prague, Czech Republic, 2018.
- Карпюк Л.А., Краснобаев Н.Н., Маслов А.А., Новиков В.В., Орлов В.К., Титов А.О., Кузнецов В.И., Рыкунов Д.В., Качалин Г.В. Магнетронное напыление жаростойких покрытий оболочек толерантных ТВЭЛов // ВАНТ. Сер. Материаловед. нов. мат. 2020. № 5. С. 4.
- Clifford P. NRC Perspectives and Preparations for Licensing Advanced Nuclear Fuels. IAEA TM: Status of Knowledge for the Licensing of Advanced Nuclear Fuels for Water Cooled Reactors // IAEA Tech. Meet. Licens. Adv. Nucl. Fuels Water Cooled React. 18–22 Oct. 2021.
- Murakami N. Development of ATF Cladding for PWRs: Perspective from a Japanese Manufacturer // IAEA Tech. Meet. Licens. Adv. Nucl. Fuels Water Cooled React. 18–22 Oct. 2021.
- Карпюк Л.А., Новиков В.В., Кулаков Г.В., Коновалов Ю.В., Леонтьева-Смирнова М.В., Голубничий А.А., Иванов С.И., Макаров Ф.В., Глебов А.В. Сплав 42ХНМ и карбид кремния как материал оболочек твэлов, устойчивых к авариям // Атомная энергия. 2021. Т. 130. № 4. С. 211.
- Кулаков Г.В., Ватулин А.В., Ершов С.А., Карпюк Л.А., Коновалов Ю.В., Косауров А.О., Леонтьева-Смирнова М.В., Речицкий В.Н., Голубничий А.А. Перспективы использования хромоникелевого сплава 42XHM в реакторах разного типа // Атомная энергия. 2021. Т. 130. № 1. С. 24.
- Макаров Ф., Пономаренко А., Захаров Р., Дзюбинский И., Иванов С., Глебов А., Лебедев М. Создание труб-оболочек твэлов из композиционных материалов на основе карбида кремния // Наноиндустрия. 2017. № 3. С. 60.
- Борисов В.М., Трофимов В.Н., Сапожков А.Ю., Кузьменко В.А., Михайлов В.Б., Черковец В.Е., Якушкин А.А., Якушин В.Л., Джумаев П.С. О возможностях повышения коррозионной стойкости оболочек твэлов с использованием мощных лазерных и плазменных источников // Ядерн. физ. инж. 2015. Т. 6. № 11–12. С. 643.
- Борисов В.М., Кузьменко В. А., Михайлов В. Б., Сапожков А. Ю., Трофимов В. Н., Якушкин А. А. Влияние воздействия ультрафиолетового излучения эксимерных лазеров на поверхность оболочек из циркониевого сплава Э110 // Физ. хим. обр. мат. 2016. № 1. С. 13.
- Borisov V.M., Trofimov V.N., Kuzmenko V.A., Sapozhkov A.Y., Yakushkin A.A. About the Capability to Improve the Corrosion Resistance of E110 Zirconium Alloy // Techn. Progr. Abstr. XVII Int. Sci. Conf. Schol. Young Schol. “Phys. Chem. Proc. Atom. Syst”. 2019. P. 14.
- Kalandiia M.R., Trofimov V.N., Yakushkin A.A., Sokolov A.V., Isakov A.O. Cleaning Substrates and Subsequent Deposition of Coatings with Coaxial Magnetron Discharge // J. Phys.: Conf. Ser. 15th Int. Conf. Films Coat. ICFC. 2021. 012015.
- Якушкин А.А., Борисов В.М., Трофимов В.Н. Свойства хромовых покрытий, нанесенных различными методами на циркониевый сплав Э110 // Физ. хим. обр. мат. 2021. № 2. С. 42.
- Якушкин А.А. О проблемах создания оболочек твэлов для толерантного топлива из циркониевых сплавов // Физ. хим. обр. мат. 2021. № 3. С. 69.
- Алексеев А.В., Горячев А.В., Дреганов О.И., Киреева Л.В., Киселёва И.В., Шулимов В.Н. Изучение поведения твэлов ВВЭР-1000 в условиях аварии с потерей теплоносителя (LOCA). Реакторные эксперименты «МИР-LOCA/45» и «МИР-LOCA/69» // Сб. научн.-техн. конф. «Ядерное топливо для АЭС», АО «ТВЭЛ». М.: АО «Высокотехн. НИИ неорг. матер. им. А.А. Бочвара», 2016. С. 38.
- Brachet J.C., Saux M.L., Flem M.L. et al. On-going Studies at CEA on Chromium Coated Zirconium Based Nuclear Fuel Claddings for Enhanced Accident Tolerant LWRs Fuel // Proc. TopFuel Conf. 2015.
- Duquesne L., Bischoff J., Chabretou V., Delafoy C. Characterization of Thermal Properties of SiC f /SiC Composites for Enhanced Accident Tolerant Fuel // Water Reactor Fuel Perform. Meet. 2018.
- Bischoff J., Delafoy C., Chaari N., Vauglin C., Buchanan K., Barberis P., Schuster F., Brachet J.-C., Nimishakavi K. Cr-coated Cladding Development at Framatome // Top Fuel 2018. Light Water Reactor (LWR) Fuel Perform. Meet. 2018.
- Chen Q.S., Liu C.H., Zhang R.Q. et al. Microstructure and High-temperature Steam Oxidation Properties of Thick Cr Coatings Prepared by Magnetron Sputtering for Accident Tolerant Fuel Claddings: The Role of Bias in the Deposition Process // Corros. Sci. 2020. V. 165. P. 108378.
- Wang P., Qiao Y., Qi W. et al. Preparation and Properties Study of Cr on FeCrAl Cladding Materials // Front. Mater. 2021. V. 8. P. 47.
- Liu T., Xue J., Li R., Li L., Guo D., Zhang Q., Xu D. The Research on Accident Tolerant Fuel in CGN // Proc. Top Fuel 2018 Conf. 2018. P. 17.
- Sakamoto K., Hirai M., Ukai S., Kimura A., Yamaji A., Kusagaya K., Kondo T., Yamashita S. Overview of Japanese Development of Accident Tolerant FeCrAl-ODS Fuel Claddings for BWRs // WRFPM Conf. Jeju Island, 2017.
- Kim H.G., Yang J., Koo Y.H., Kim J., Shin H., Yoo J., Mok Y.K. Overview of Accident Tolerant Fuel Development for LWRs // Proc. Top Fuel 2018 Conf. 2018.
- Kim H.G., Kim I.H., Jung Y.I., Park D.J., Yang J.H., Koo Y.H. Development of Surface Modified Zr Cladding by Coating Technology for ATF // Proc. Top Fuel. 2016. P. 1157.
- Pantano M., Avincola V., Arnaud De Seze P., McKrell T., Kazimi M.S. High Temperature Steam Oxidation Performance of MAX Phase (Ti 2 AlC) Coated ZIRLO // Proc. ICAPP, Charlotte, NC, USA. 2014. P. 6.
- Tang C., Steinbrueck M., Grosse M., Ulrich S., Stueber M., Seifert H.J. Improvement of the High-Temperature Oxidation Resistance of Zr Alloy Cladding by Surface Modification with Aluminum-Containing Ternary Carbide Coatings // ICAPP, Charlotte, NC, USA. 2018.
- Roberts D.A. Magnetron Sputtering and Corrosion of Ti–Al–C and Cr–Al–C Coatings for Zr-Alloy Nuclear Fuel Cladding. Master’s Thesis, University of Tennessee, Knoxville, TN, USA, 2016.
- Brachet J.C., Idarraga-Trujillo I., Flem M.L. et al. Early Studies on Cr-coated Zircaloy-4 as Enhanced Accident Tolerant Nuclear Fuel Claddings for Light Water Reactors // J. Nucl. Mater. 2019. V. 517. P. 268.
- Nieuwenhove V.R., Andersson V., Balak J., Oberl ä nder B. In-Pile testing of CrN, TiAIN, and AlCrN Coatings on Zircaloy Cladding in the Halden Reactor-2016-0011. ASTM Int., 100 Barr Harbor Drive, PO Box C700, West Conshohocken, PA, 19428-2959 (USA), 2016.
- Nieuwenhove V.R., Andersson V., Balak J., Oberl ä nder B. In-pile Testing of CrN, TiAlN, and AlCrN Coatings on Zircaloy Cladding in the Halden Reactor // 18th Int. Symp. Zirc. Nucl. Ind. ASTM Int. 2018. P. 965.
- Daub K., Van Nieuwenhove R., Nordin H. Investigation of the Impact of Coatings on Corrosion and Hydrogen Uptake of Zircaloy-4 // J. Nucl. Mater. 2015. V. 467. P. 260.
- Daub K., Persaud S.Y., Rebak R.B., Nieuwenhove R.V., Ramamurthy S., Nordin H. Investigating Potential Accident Tolerant Fuel Cladding Materials and Coatings // Proc. 18th Int. Conf. Env. Degr. Mater. Nucl. Pow. Syst. Wat. React. Spring. Int. Publ., 2019. P. 1431.
- Khatkhatay F., Jiao L., Jian J., Zhang W., Jiao Z., Gan J., Zhang H., Zhang X., Wang H. Superior Corrosion Resistance Properties of TiN-based Coatings on Zircaloy Tubes in Supercritical Water // J. Nucl. Mater. 2014. V. 451. № 1–3. P. 346.
- Kim H.G., Kim I.H., Park J.Y., Koo Y.H. Application of Coating Technology on Zirconium-based Alloy to Decrease High-Temperature Oxidation // 17th Int. Symp. Zirc. Nucl. Ind., Andhra Pradesh, India. 2013.
- Yeom H., Maier B., Mariani R., Bai D., Xu P., Sridharan K., Hwasung Y. Development of Zirconium–Silicide Coatings for Accident Tolerant Zirconium-alloy Fuel Cladding // Proc. ICAPP. 2016. P. 2126.
- Dumerval M. Behavior of Chromium Coated M5TM Claddings under LOCA Conditions // Water Reactor Fuel Performance Meeting. 2017.
- Park J.H., Kim H.G., Park J., Jung Y.I., Park D.J., Koo Y.H. High Temperature Steam-Oxidation Behavior of Arc Ion Plated Cr Coatings for Accident Tolerant Fuel Claddings // Surf. Coat. Technol. 2015. V. 280. P. 256.
- Park D.J., Kim H.G., Jung Y.I., Park J.H., Yang J.H., Koo Y.H. Behavior of an Improved Zr Fuel Cladding with Oxidation Resistant Coating under Loss-of-Coolant Accident Conditions // J. Nucl. Mater. 2016. V. 482. P. 75.
- Ромбаева М.Р., Сиделёв Д.В. Хромовые покрытия для повышения стойкости сплава Zr–1% Nb к высокотемпературному окислению // Физ.-техн. пробл. наук., промышл. медиц. (ФТПНПМ-2019): сб. науч. тр. Междун. науч.-практ. конф. студентов, аспирантов и молодых ученых. Томск, 2019. С. 182.
- Kashkarov E.B., Sidelev D.V., Rombaeva M., Syrtanov M.S., Bleykher G.A. Chromium Coatings Deposited by Cooled and Hot target Magnetron Sputtering for Accident Tolerant Nuclear Fuel Claddings // Surf. Coat. Technol. 2020. V. 389. P. 125618.
- Wang W., Zhang G., Wang C., Wang T., Li T. Construction of Chromium Coatings with (200) Preferred Orientation and Exploration the High-Temperature Steam Oxidation Properties // J. Nucl. Mater. 2022. V. 563. P. 153660.
- Son H.H., Kim N., Kim S.J. Nano/Microscale Roughness Control of Accident-Tolerant Cr-and CrAl-Coated Surfaces to Enhance Critical Heat Flux // Appl. Therm. Eng. 2020. V. 167. P. 114786.
- Kim H.G., Kim I.H., Jung Y.I., Park D.J., Park J.Y., Koo Y.H. High-Temperature Oxidation Behavior of Cr-Coated Zirconium Alloy // Proc. LWR Fuel Perform. Meet. / TopFuel. Charlotte, USA. 2013. P. 842.
- Kim H.G., Kim I.H., Jung Y.I., Park D.J., Park J.Y., Koo Y.H. Adhesion Property and High-Temperature Oxidation Behavior of Cr-coated Zircaloy-4 Cladding Tube Prepared by 3D Laser Coating // J. Nucl. Mater. 2015. V. 465. P. 531.
- Wang X., Liao Y., Xu C. et al. Steam Oxidation Behavior of ZrO 2 /Cr-coated Pure Zirconium Prepared by Plasma Electrolytic Oxidation Followed by Filtered Cathodic Vacuum Arc Deposition // J. Alloys Compd. 2021. V. 883. P. 160798.
- Terrani K.A., Parish C.M., Shin D., Pint B.A. Protection of Zirconium by Alumina-and Chromia-forming Iron Alloys under High-temperature Steam Exposure // J. Nucl. Mater. 2013. V. 438. № 1–3. P. 64.
- Park D.J., Jung Y.I., Park J.H., Lee Y.H., Choi B.K., Kim H.G. Microstructural Characterization of Accident Tolerant Fuel Cladding with Cr–Al Alloy Coating Layer after Oxidation at 1200 ° C in a Steam Environment // Nucl. Eng. Technol. 2020. V. 52. № 10. P. 2299.
- Sidelev D.V., Kashkarov E.B., Syrtanov M.S., Krivo-bokov V.P. Nickel–Chromium (Ni–Cr) Coatings Deposited by Magnetron Sputtering for Accident Tolerant Nuclear Fuel Claddings // Surf. Coat. Technol. 2019. V. 369. P. 69.
- Tao Z., Wang P., Wang C., Ma Z., Zhang Y., Xue F., Bai G., Yuan Y., Lan R. Design and Characterisation of AlCrFeCuNb x Alloys for Accident-tolerant Fuel Cladding // J. Alloys Compd. 2021. V. 859. P. 157805.
- Kashkarov E.B., Sidelev D.V., Pushilina N.S., Yang J., Tang C., Steinbrueck M. Influence of Coating Parameters on Oxidation Behavior of Cr-coated Zirconium Alloy for Accident Tolerant Fuel Claddings // Corros. Sci. 2022. V. 203. P. 110359.
- Lee Y., Lee J.I., No H.C. Mechanical Analysis of Surface-coated Zircaloy Cladding // Nucl. Eng. Technol. 2017. V. 49. № 5. P. 1031.
- Ashcheulov P., Š koda R., Š karohl í d J. et al. Thin Polycrystalline Diamond Films Protecting Zirconium Alloys Surfaces: From Technology to Layer Analysis and Application in Nuclear Facilities // Appl. Surf. Sci. 2015. V. 359. P. 621.
- Michau A., Maury F., Schuster F., Lomello F., Brachet J.C., Rouesne E., Saux M.L., Boichot R., Pons M. High-temperature Oxidation Resistance of Chromium-based Coatings Deposited by DLI-MOCVD for Enhanced Protection of the Inner Surface of Long Tubes // Surf. Coat. Technol. 2018. V. 349. P. 1048.
- Michau A., Gazal Y., Addou F., Maury F., Duguet T., Boichot R., Pons M., Monsifrot E., Maskrot H, Schuster F. Scale up of a DLI-MOCVD Process for the Internal Treatment of a Batch of 16 Nuclear Fuel Cladding Segments with a CrC x Protective Coating // Surf. Coat. Technol. 2019. V. 375. P. 894.
- Mandal D., Dabhade P.A., Chougule B.K. Thin Film Coating of Silicon Carbide on Zircaloy-4 Tube by FCVD Process and a Study on its Kinetics // J. Nucl. Mater. 2021. V. 552. P. 152996.
- Luscher W.G., Gilbert E.R., Pitman S.G., Love E.F. Surface Modification of Zircaloy-4 Substrates with Nickel Zirconium Intermetallics // J. Nucl. Mat. 2013. V. 433. № 1–3. С. 514.
- Sidelev D.V., Poltronieri C., Bestetti M., Krinitcyn M.G., Grudinin V.A., Kashkarov E.B. A Comparative Study on High-Temperature Air Oxidation of Cr-Coated E110 Zirconium Alloy Deposited by Magnetron Sputtering and Electroplating // Surf. Coat. Technol. 2022. V. 433. P. 128134.
- Huang M., Li Y., Ran G., Yang Z., Wang P. Cr-Coated Zr-4 Alloy Prepared by Electroplating and its in situ He + Irradiation Behavior // J. Nucl. Mater. 2020. V. 538. P. 152240.
- Attarzadeh N., Ramana C.V. Plasma Electrolytic Oxidation Ceramic Coatings on Zirconium (Zr) and Zr-Alloys: Part II: Properties and Applications // Coat. 2021. V. 11. № 6. P. 620.
- Quillin K., Yeom H., Dabney T., McFarland M., Sridharan K. Experimental Evaluation of Direct Current Magnetron Sputtered and high-Power Impulse Magnetron Sputtered Cr Coatings on SiC for Light Water Reactor Applications // Thin Solid Films. 2020. V. 716. P. 138431.
- Wang Z., Li W., Wang Z., Li M., Wang A., Ke P. Comparative Study on Protective Cr Coatings on Nuclear Fuel Cladding Zirlo Substrates by AIP and HiPIMS Techniques // Ceram. Int. 2023. V. 49. № 14. P. 22736.
- Wei T., Zhang R., Yang H., Liu H., Qiu S., Wang Y., Du P., He K., Hu X., Dong C. Microstructure, Corrosion Resistance, and Oxidation Behavior of Cr-coatings on Zircaloy-4 Prepared by Vacuum Arc Plasma Deposition // Corros. Sci. 2019. V. 158. P. 108077.
- Kuprin А.S., Belous V.А., Voyevodin V.N., Bryk V.V., Vasilenko R.L., Ovcharenko V.D., Reshetnyak E.N., Tolmachova G.N., V’yugov P.N. Vacuum-arc Chromium-Based Coatings for Protection of Zirconium Alloys from the High-temperature Oxidation in Air // J. Nucl. Mater. 2015. V. 465. P. 400.
- Kim I., Khatkhatay F., Jiao L., Swadener G., Cole J.I., Gan J., Wang H. TiN-based Coatings on Fuel Cladding Tubes for Advanced Nuclear Reactors // J. Nucl. Mater. 2012. V. 429. № 1–3. P. 143.
- Mouche P.A., Koyanagi T., Patel D., Katoh Y. Adhesion, Structure, and Mechanical Properties of Cr HiPIMS and Cathodic Arc Deposited Coatings on SiC // Surf. Coat. Technol. 2021. V. 410. P. 126939.
- Š eve č ek M., Gurgen A., Seshadri A., Che Y., Wagih M., Phillips B., Champagne V., Shirvan K. Development of Cr Cold Spray-coated Fuel Cladding with Enhanced Accident Tolerance // Nucl. Eng. Technol. 2018. V. 50. № 2. P. 229.
- Padmavathi G., Sarada B.N., Shanmuganathan S.P., Padmini B.V., Mohan N. Effects of High Velocity Oxy Fuel Thermal Spray Coating on Mechanical and Tribological Properties of Materials – A Review // Mater. Today: Proc. 2020. V. 27. P. 2152.
- Wang Y., Zhou W., Wen Q. et al. Behavior of Plasma Sprayed Cr Coatings and FeCrAl Coatings on Zr Fuel Cladding under Loss-of-Coolant Accident Conditions // Surf. Coat. Technol. 2018. V. 344. P. 141.
- Орлов В.К., Акимов И.И., Никоноров К.Ю., Климов А.А., Корниенко М.Ю., Рожко В.В., Веселков Д.М. Исследование возможности применения химико-термической обработки (ХТО) в контролируемых слабо-окислительных средах при производстве труб-оболочек из промышленных сплавов циркония // ВАНТ. 2015. Т. 2. № 81. С. 15.
- Yeom H., Maier B.R., Johnson G. et al. Cold Spray Coatings for Accident Tolerant Zr-Alloy Cladding in Light Water Reactors // Conf.: Trans. American Nuclear Society. V. 118. Philadelphia, Pennsylvania. June 17–21. 2018.
- Maier B., Yeom H., Johnson G., Dabney T., Walters J., Romero J., Shah H., Xu P., Sridharan K. Development of Cold Spray Coatings for Accident-tolerant Fuel Cladding in Light Water Reactors // JOM. 2018. V. 70. P. 198.
- Браше Ж.К. Композитная оболочка тепловыделяющего элемента ядерного реактора, способ ее получения и применения для предотвращения окисления/гидрирования. Патент RU 2 641 668 C1. 19.01.2018.
- Kim H.G., Kim I.H., Jung Y.I., Park D.J., Park J.H., Choi B.K., Lee Y.H. Out-of-pile Performance of Surface-modified Zr Cladding for Accident Tolerant Fuel in LWRs // J. Nucl. Mater. 2018. V. 510. P. 93.
- George N.M., Terrani K., Powers J., Worrall A., Maldonado I. Neutronic Analysis of Candidate Accident-tolerant Cladding Concepts in Pressurized Water Reactors // Ann. Nucl. Energy. 2015. V. 75. P. 703.
- J ö nsson B., Berglund R., Magnusson J., Henning P., H ä ttestrand M. High Temperature Properties of a New Powder Metallurgical FeCrAl Alloy // Mater. Sci. Forum. Trans Tech Publ. Ltd. 2004. V. 461. P. 455.
- Handbook on the Material Properties of FeCrAl Alloys for Nuclear Power Production Applications / Ed. Field K.G. ORNL/SPR-2018/905, M2NT-18OR020202091, August 2018.
- Handbook on the Material Properties of FeCrAl Alloys for Nuclear Power Production Applications. Rev. 1.1, ORNL/SPR-2018/905. In: Nuclear Technology Research and Development, ORNL (August 2018) / Eds. Field K.G., Snead M.A., Yamamoto Y., Terrani K.A. M2NT-18OR020202091.
- Chen J., Hoffelner W. Irradiation Creep of Oxide Dispersion Strengthened (ODS) Steels for Advanced Nuclear Applications // J. Nucl. Mater. 2009. V. 392. № 2. P. 360.
- Chen J., Jung P., Hoffelner W. Irradiation Creep of Candidate Materials for Advanced Nuclear Plants // J. Nucl. Mater. 2013. V. 441. № 1–3. P. 688.
- Кирпищиков И.А. Освоение производства длинномерных труб размером 13х1.2 мм длиной 20–22 м из хромоникелевого сплава 42хнм-ви для теплообменного оборудования АЭС // Инновац. технол. металл. машиностр. Матер. конф. Екатеринбург: Изд-во Урал. ун-та, 2013. С. 470.
- Cheng B., Kim Y.J., Chou P. Improving Accident Tolerance of Nuclear Fuel with Coated Mo-Alloy Cladding // Nucl. Eng. Technol. 2016. V. 48. № 1. P. 16.
- Katoh Y., Snead L.L., Parish C.M., Hinoki T. Observation and Possible Mechanism of Irradiation Induced Creep in Ceramics // J. Nucl. Mater. 2013. V. 434. № 1–3. P. 141.
- Parish C.M., Terrani K.A., Kim Y.J., Koyanagi T., Katoh Y. Microstructure and Hydrothermal Corrosion Behavior of NITE-SiC with Various Sintering Additives in LWR Coolant Environments // J. Eur. Ceram. Soc. 2017. V. 37. № 4. P. 1261.
- Cho T.Y., Kim Y.W. Effect of Grain Growth on the Thermal Conductivity of Liquid-phase Sintered Silicon Carbide Ceramics // J. Eur. Ceram. Soc. 2017. V. 37. № 11. P. 3475.
- Zhang N.L., Yang J.F., Deng Y.C., Wang B., Yin P. Preparation and Properties of Reaction Bonded Silicon Carbide (RB-SiC) Ceramics with High SiC Percentage by Two-step Sintering using Compound Carbon Sources // Ceram. Int. 2019. V. 45. № 12. P. 15715.
- Š ajgal í k P., Sedl áč ek J., Len čéš Z., Dusza J., Lin H.T. Additive-free Hot-pressed Silicon Carbide Ceramics–A Material with Exceptional Mechanical Properties // J. Eur. Ceram. Soc. 2016. V. 36. № 6. P. 1333.
- Ruggles W.M., Boucher N., Przybyla C. Fatigue of Three Advanced SiC/SiC Ceramic Matrix Composites at 1200 C in Air and in Steam // Int. J. Appl. Ceram. Technol. 2018. V. 15. № 1. P. 3.
- Lee Y., Kazimi M.S. A Structural Model for Multi-Layered Ceramic Cylinders and its Application to Silicon Carbide Cladding of Light Water Reactor Fuel // J. Nucl. Mater. 2015. V. 458. P. 87.
- Li B.S. Pellet Cladding Mechanical Interactions of Ceramic Claddings Fuels under Light Water Reactor Conditions. Univers. South Carolina, 2013.
- Stempien J.D., Carpenter D.M., Kohse G., Kazimi M.S. Characteristics of Composite Silicon Carbide Fuel Cladding after Irradiation under Simulated PWR Conditions // Nucl. Technol. 2013. V. 183. № 1. P. 13.
- Cox B. Some Thoughts on the Mechanisms of in-Reactor Corrosion of Zirconium Alloys // J. Nucl. Mater. 2005. V. 336. № 2–3. P. 331.
- Kolarik V., Wagner M., Michelfelder B. Corrosion of Alloys 625 and Pure Chromium in Cl-Containing Fluids during Supercritical Water Oxidation (SCWO) // Proc. Corros. 1999. V. 99.
- Idarraga-Trujillo I., Flem M.L., Brachet J.C. et al. Assessment at CEA of Coated Nuclear Fuel Cladding for LWRs with Increased Margins in LOCA and Beyond LOCA Conditions // Conf. Pap. LWR Fuel Perform. Meet., Top Fuel. 2013. V. 2. P. 860.
- Bischoff J., Vauglin C., Delafoy C., Barberis P., Perche D., Guerin B., Vassault J.P., Brachet J.C. Development of Cr-coated Zirconium Alloy Cladding for Enhanced Accident Tolerance // Top Fuel 2016 Proc. 2016.
- Brachet J.C., Saux M.L., Lezaud-Chaillioux V., Dumerval M., Houmaire Q., Lomello F. Behavior under LOCA Conditions of Enhanced Accident Tolerant Chromium Coated Zircaloy-4 Claddings // Proc. TopFuel 2016 Conf. Boise, ID, USA. 2016.
- Bischoff J., Delafoy C., Vauglin C., Barberis P., Roubeyrie C., Perche D., Duthoo D., Schuster F., Brachet J.C., Schweitzer E.W., Nimishakavi K. AREVA NP’s Enhanced Accident-Tolerant Fuel Developments: Focus on Cr-Coated M5 Cladding // Nucl. Eng. Technol. 2018. V. 50. № 2. P. 223.
- Savchenko A.M., Karpyuk L.A., Novikov V.V., Orlov V.K. New ATF Concepts and Materials: Evaluation and Investigations. № IAEA-TECDOC-1921 (Suppl. files). 2020.
- Tang C., Grosse M., Steinbrueck M., Shirvan K. Oxidation and Quench Behavior of Cold Spraying Cr-coated Zircaloy Fuel Cladding under Severe Accident Scenarios // Proc. Int. Nuclear Fuel Cycle Conf. (Top Fuel 2019). 2019. P. 22.
- Krej čí J., Še ve č ek M., Kab á tov á J. et al. Experimental Behavior of Chromium-based Coatings // Proc. TopFuel. 2018. P. A0233.
- Steinbr ü ck M., Stegmaier U., Gro ß e M., Czerniak L., Lahoda E., Daum R., Yueh K. High-temperature Oxidation and Quenching of Chromium-coated Zirconium Alloy ATF Cladding Tubes with and without Pre-damage // J. Nucl. Mater. 2022. V. 559. P. 153470.
- Kennas M., Kim H., Gigax J.G., Wang T., Maier B.R., Yeom H., Johnson G.O., Dabney T., Sridharan K., Peddicord K.L., Shao L. Radiation Response of FeCrAl-coated Zircaloy-4 // J. Nucl. Mater. 2020. V. 536. P. 152175.
- Dabney T., Johnson G., Yeom H., Maier B., Walters J., Sridharan K. Experimental Evaluation of Cold Spray FeCrAl Alloys Coated Zirconium-Alloy for Potential Accident Tolerant Fuel Cladding // Nucl. Mater. Energy. 2019. V. 21. P. 100715.
- Yeom H., Maier B., Mariani R., Bai D., Fronek S., Xu P., Sridharan K. Magnetron Sputter Deposition of Zirconium-Silicide Coating for Mitigating High Temperature Oxidation of Zirconium-Alloy // Surf. Coat. Technol. 2017. V. 316. P. 30.
- Alat E., Motta A.T., Comstock R.J., Partezana J.M., Wolfe D.E. Multilayer (TiN, TiAlN) Ceramic Coatings for Nuclear Fuel Cladding // J. Nucl. Mater. 2016. V. 478. P. 236.
- Tunes M.A., Silva F. C., Camara O., Sch ö n C.G., Sag á s J.C., Fontana L.C., Donnelly S.E., Greaves G., Edmondson P.D. Energetic Particle Irradiation Study of TiN Coatings: are These Films Appropriate for Accident Tolerant Fuels? // J. Nucl. Mater. 2018. V. 512. P. 239.
- Rebak R.B., Andresen P.L., Kim Y.J., Dolley E.J. Characterization of Advanced Steels as Accident Tolerant Fuel Cladding for Light Water Reactors. № IAEA-TECDOC-1797. 2016.
- Rebak R.B. Versatile Oxide Films Protect FeCrAl Alloys under Normal Operation and Accident Conditions in Light Water Power Reactors // JOM. 2018. V. 70. № 2. P. 176.
- Josefsson H., Liu F., Svensson J.E., Halvarsson M., Johansson L.G. Oxidation of FeCrAl Alloys at 500–900 ° C in Dry O 2 // Mater. Corros. 2005. V. 56. № 11. P. 801.
- Badini C., Laurella F. Oxidation of FeCrAl Alloy: Influence of Temperature and Atmosphere on Scale Growth Rate and Mechanism // Surf. Coat. Technol. 2001. V. 135. № 2–3. P. 291.
- G ö tlind H., Liu F., Svensson J.E., Halvarsson M., Johansson L.G. The Effect of Water Vapor on the Initial Stages of Oxidation of the FeCrAl Alloy Kanthal AF at 900 o C // Oxid. Met. 2007. V. 67. № 5. P. 251.
- Terrani K.A., Pint B.A., Snead L.L., Yamamoto Y. High-temperature Steam Oxidation of Accident Tolerant Fuel Cladding Candidate Materials. № IAEA-TECDOC-1797. 2016.
- Raiman S.S., Field K.G., Rebak R.B., Yamamoto Y., Terrani K.A. Hydrothermal Corrosion of 2nd Generation FeCrAl Alloys for Accident Tolerant Fuel Cladding // J. Nucl. Mater. 2020. V. 536. P. 152221.
- Qian Y., Sun R., Zhang W., Yao M., Zhang J., Zhou B., Qiu Y., Yang J., Cheng G., Dong J. Effect of Nb on Microstructure and Corrosion Resistance of Fe22Cr5Al3Mo Alloy // Acta Metall. Sin. 2019. V. 56. № 3. P. 321.
- Terrani K.A., Pint B.A., Kim Y.J., Unocic K.A., Yang Y., Silva C.M., Meyer H.M., Rebak R.B. Uniform Corrosion of FeCrAl Alloys in LWR Coolant Environments // J. Nucl. Mater. 2016. V. 479. P. 36.
- Terrani K.A., Zinkle S.J., Snead L.L. Advanced Oxidation-Resistant Iron-Based Alloys for LWR Fuel Cladding // J. Nucl. Mater. 2014. V. 448. № 1–3. P. 420.
- Park D.J., Kim H.G., Park J.Y., Jung Y.I., Park J.H., Koo Y.H. A Study of the Oxidation of FeCrAl Alloy in Pressurized Water and High-temperature Steam Environment // Corros. Sci. 2015. V. 94. P. 459.
- Kim J.M., Ha T.H., Kim I.H., Kim H.G. Microstructure and Oxidation Behavior of CrAl Laser-coated Zircaloy-4 Alloy // Metals. 2017. V. 7. № 2. P. 59.
- Wu W., Ran G., Li Y., Cong S., Ye C., Zhang R., Sun Y. Early Corrosion Behaviour of Irradiated FeCrAl Alloy in a Simulated Pressurized Water Reactor Environment // Corros. Sci. 2020. V. 174. P. 108824.
- Hu X., Terrani K.A., Wirth B.D., Snead L.L. Hydrogen Permeation in FeCrAl Alloys for LWR Cladding Application // J. Nucl. Mater. 2015. V. 461. P. 282.
- Levchuk D., Bolt H., D ö beli M., Eggenberger S., Widrig B., Ramm J. Al–Cr–O Thin Films as an Efficient Hydrogen Barrier // Surf. Coat. Technol. 2008. V. 202. № 20. P. 5043.
- Ватулин А.В., Кондратьев В.П., Речицкий В.Н., Солонин М.И. Исследование коррозионной и радиационной стойкости никель-хромового сплава «Бочвалой» // Металловед. термич. обр. мет. 2004. Т. 593. № 11. С. 19.
- Гринчук П.П., Голованов В.Н., Солонин М.И., Кондратьев В.П., Речицкий В.Н. Радиационная и коррозионная стойкость сплава ХНМ-1 // ВАНТ. Сер. Материаловед. нов. мат. 2005. Т. 64. № 1. С. 273.
- Solonin M.I., Alekseev A.B., Kazennov Y.I., Khramtsov V.F., Kondrat’ev V.P., Krasina T.A., Rechitsky V.N., Stepankov V.N., Votinov S.N. ХНМ-1 Alloy as a Promising Structural Material for Water-cooled Fusion Reactor Components // J. Nucl. Mater. 1996. V. 233. P. 586.
- Гурович Б.А., Фролов А.С., Мальцев Д.А., Кулешова Е.А., Федотова С.В. Фазовые превращения в облученном сплаве 42ХНМ после отжигов при повышенных температурах, а также после быстрого отжига, имитирующего условия максимальной проектной аварии // Тез. докл. XI конф. по реакт. мат. 2019. С. 30.
- Sennour M., Marchetti L., Martin F., Perrin S., Molins R., Pijolat M. A Detailed TEM and SEM Study of Ni-base Alloys Oxide Scales Formed in Primary Conditions of Pressurized Water Reactor // J. Nucl. Mat. 2010. V. 402. № 2–3. P. 147.
- Kim D., Lee H.G., Park J.Y., Park J.Y., Kim W.J. Effect of Dissolved Hydrogen on the Corrosion Behavior of Chemically Vapor Deposited SiC in a Simulated Pressurized Water Reactor Environment // Corros. Sci. 2015. V. 98. P. 304.
- Terrani K.A., Yang Y., Kim Y.J., Rebak R., Meyer H.M., Gerczak T.J. Hydrothermal Corrosion of SiC in LWR Coolant Environments in the Absence of Irradiation // J. Nucl. Mater. 2015. V. 465. P. 488.
- Doyle P.J., Zinkle S., Raiman S.S. Hydrothermal Corrosion Behavior of CVD SiC in High Temperature Water // J. Nucl. Mater. 2020. V. 539. P. 152241.
- Kondo S., Lee M., Hinoki T., Hyodo Y., Kano F. Effect of Irradiation Damage on Hydrothermal Corrosion of SiC // J. Nucl. Mater. 2015. V. 464. P. 36.
- Lobach K.V., Sayenko S.Y., Shkuropatenko V.А., Voyevodin V.М., Zykova H.V., Zuyok V.А., Bykov A.О., Тоvazhnyans’kyy L.L., Chunyaev O.М. Corrosion Resistance of Ceramics Based on SiC under Hydrothermal Conditions // Mater. Sci. 2020. V. 55. № 5. P. 672.
- Raiman S.S., Ang C., Doyle P., Terrani K.A. Hydrothermal Corrosion of SiC Materials for Accident Tolerant Fuel Cladding with and without Mitigation Coatings // Proc. 18th Int. Conf. Env. Degr. Mat. Nucl. Pow. Syst.–Wat. React. Springer, Cham, 2019. P. 1475.
- Doyle P.J., Ang C., Snead L., Katoh Y., Terrani K., Raiman S.S. Hydrothermal Corrosion of First-Generation Dual-Purpose Coatings on Silicon Carbide for Accident-tolerant Fuel Cladding // J. Nucl. Mater. 2021. V. 544. P. 152695.
- Gupta S.K., Akht ar J. Thermal Oxidation of Silicon Carbide (SiC)–Experimentally Observed Facts. In: Silicon Carbide-Materials. Proc. Appl. Electron. Dev. / Ed. Mukherjee M. InTech, 2011. P. 207.
- Opila E.J., Serra J.L. Oxidation of Carbon Fiber–reinforced Silicon Carbide Matrix Composites at Reduced Oxygen Partial Pressures // J. Am. Ceram. Soc. 2011. V. 94. № 7. P. 2185.
- Narushima T., Goto T., Hirai T., Iguchi Y. High-temperature Oxidation of Silicon Carbide and Silicon Nitride // Mater. Trans., JIM. 1997. V. 38. № 10. P. 821.
- Avincola V.A., Grosse M., Stegmaier U., Steinbrueck M., Seifert H.J. Oxidation at High Temperatures in Steam Atmosphere and Quench of Silicon Carbide Composites for Nuclear Application // Nucl. Eng. Des. 2015. V. 295. P. 468.
- Braun J., Gu é neau C., Alpettaz T., Sauder C., Brackx E., Domenger R., Goss é S., Balbaud-C é l é rier F. Chemical Compatibility between UO 2 Fuel and SiC Cladding for LWRs. Application to ATF (Accident-tolerant Fuels) // J. Nucl. Mater. 2017. V. 487. P. 380.
Supplementary files

















