Математическая модель системы замкнутого водооборота стоков малотоннажных химических производств
- Authors: Аверина Ю.М.1, Зверева О.В.1, Богомолов Б.Б.1
-
Affiliations:
- Российский химико-технологический университет им. Д.И. Менделеева
- Issue: Vol 58, No 6 (2024)
- Pages: 750-754
- Section: Articles
- Published: 15.12.2024
- URL: https://bakhtiniada.ru/0040-3571/article/view/283280
- DOI: https://doi.org/10.31857/S0040357124060071
- EDN: https://elibrary.ru/VHUVWT
- ID: 283280
Cite item
Full Text
Abstract
Подтверждена и обоснована целесообразность и актуальность организации замкнутых систем водооборота химических производств. С помощью инструментов математического моделирования описана блок-схема процесса очистки стоков с замкнутой системой водооборота. На основании блок-схемы процесса сформулирована математическая модель замкнутой системы водооборота. Научная новизна данной работы заключается в принципе проектирования промышленных предприятий с принципиальной возможностью дифференцированной очистки после каждой промышленной операции для рекуперации ценных компонентов с последующим объединением в общий замкнутый цикл водоочистки. Практическая значимость исследования заключается в оптимальной структуре замкнутых систем водооборота производств с минимизацией сброса загрязненных технологических потоков воды в природные водоемы.
Full Text
ВВЕДЕНИЕ
Малотоннажная химия во многом обладает уникальной спецификой производства, поэтому развивать ее нужно, проявляя большую гибкость и активность на рынке, с возможностью быстрой переориентации. Как показывает мировая практика, в развитых странах именно на малотоннажных производствах зарождаются новые технологии и осваивается выпуск революционных продуктов. Поэтому малотоннажные химические производства в силу своих особенностей являются наиболее перспективными с точки зрения вклада в рост российской экономики.
В настоящее время по известным всем причинам малотоннажные химические производства в России находятся в трудном положении. По данным распоряжения Правительства РФ от 15.12.2017 N 2834-р “Об утверждении плана мероприятий (дорожной карты) по развитию производства малотоннажной химии в Российской Федерации на период до 2030 года”, объемы потребления основных сегментов малотоннажной химии приведены на рис. 1 [1]. Среди них лидируют химические средства защиты растений и вещества для нефтедобычи и транспортировки нефти по трубопроводам.
Рис. 1. Объемы потребления отдельных видов малотоннажной и среднетоннажной химической продукции в Российской Федерации по среднему значению за 2018–2020 годы.
От продукции малотоннажных химических производств во многом зависят средне- и крупнотоннажные производства, такие как сельскохозяйственное производство, машиностроение, нефтепереработка, производства пластмасс и электроники, фармацевтическая, пищевая и текстильная промышленность. Чтобы исключить факторы, сдерживающие развитие химической технологии, и для сохранения своей конкурентоспособности на малотоннажных химических производствах должны применяться ресурсо- и энергосберегающие технологии, предполагающие практически безотходное производство.
На каждом промышленном предприятии вода является важным компонентом, качество очистки которой обеспечивает эффективность работы предприятия. Качество воды, которая используется в технологических процессах промышленных предприятий, влияет на сроки эксплуатации оборудования, себестоимость конечной продукции и на уровень промышленной безопасности [2]. Причем большее ее количество используется именно для вспомогательных целей, а не в процессе производства в качестве действующего реагента.
ТЕОРЕТИЧЕСКИЙ АНАЛИЗ
На промышленных предприятиях, эксплуатирующих сооружения системы водоподготовки и очистки стоков, всегда встает вопрос, как организовать работу этих систем с минимальными затратами. На сегодняшний день совершенствование водного хозяйства промышленных предприятий с целью его оптимизации требует создание на них замкнутых и бессточных систем с заменой прямоточного водоснабжения и сложных многостадийных схем очистки на локальные схемы с утилизацией ценных веществ и доведением образующихся отходов до товарного продукта или до вторичного сырья при минимизации материальных и энергетических затрат [3, 4]. Эта тенденция четко прослеживается в большинстве развитых стран мира в последние 10–15 лет. Помимо минимизации собственных затрат, мотивирующим фактором на установку системы с замкнутом циклом является загрязнение природных водоемов промышленными стоками при росте потребностей населения планеты в чистой воде. Кроме того, в последнее время появилось много разнообразного оборудования для очистки воды, позволяющего организовать замкнутую систему на предприятии при обеспечении приемлемых экономических показателей. Сегодня применение замкнутого водооборота является единственным рациональным решением проблемы утилизации воды в производстве [5].
В данной работе рассмотрена единая система замкнутого водооборота стоков малотоннажных химических производств, которая представляет собой участок по производству чистой воды, куда собираются все стоки с основного производства и участка мойки вспомогательного оборудования. Важной составной частью создания систем замкнутого водооборота стоков является разработка прогнозных моделей с целью выбора рациональных параметров работы системы. На основании этих моделей можно определить концентрацию примесей в любой точке системы, оценить величину ее подпитки, подобрать оптимальные размеры сооружений и условия их функционирования [6–8].
ОПИСАНИЕ СХЕМЫ ЗАМКНУТОГО ВОДООБОРОТА СТОКОВ
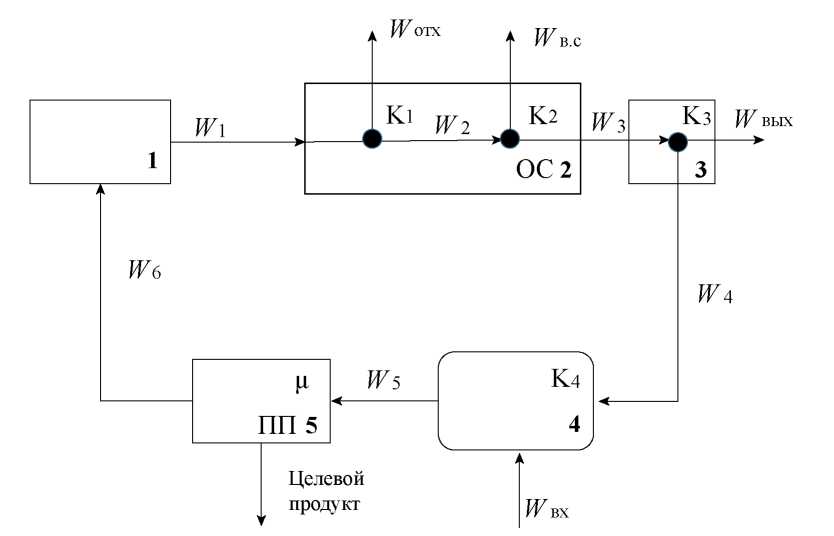
Математическая модель построена на основе блок-схемы замкнутой системы водоснабжения малотоннажного химического производства, которая состоит из последовательно соединенных между собой коммуникационной сетью основных блоков (рис. 2). Поскольку трубопроводы имеют небольшой объем относительно объемов блоков, то предполагается отсутствие изменения параметров сточной воды в коммуникациях соседних блоков. Для математического описания функционирования технологической системы введем следующие обозначения: W – массовый расход потока воды, К – коэффициенты работы аппаратов. Считается, что в сточной воде присутствуют два вида загрязняющих примесей: отходы, которые можно осаждать в виде осадка малорастворимых соединений (Wотх), а также вторсырье, которое можно использовать повторно (Wв.с.).
Рис. 2. Блочная схема замкнутой системы водоснабжения предприятия: 1 – накопительная емкость сточных вод, 2 – блок очистных сооружений для извлечения отходов и вторичного сырья, 3 – блок-разделитель воды, 4 – накопительная емкость очищенных сточных вод, 5 – производство.
Формализация работы системы замкнутого водооборота предусматривает следующее. В накопительную емкость 1 по трубопроводам поступают сточные воды от производственного процесса 5 (ПП), образуя поток W1 – массовый расход сточных вод, который подается в систему очистных сооружений 2 (ОС), где проводится на первом этапе удаление отходов Wотх, на втором этапе отделение вторсырья Wв.с. В блоке разделителя 3 поток W3 в заданном отношении К3 распределяется между оборотным потоком W4 = К3W3 и потоком Wвых= (1-К3)W3, который частично сбрасывается в природный водоем. Поток W4 поступает в накопительную емкость 4, куда также подается свежая вода потоком Wвх для подпитки оборотной системы с целью компенсации потерь оборотной воды в производстве и на очистных сооружениях при отводе вместе с осадком и вторсырьем из блока очистных сооружений 2. В производственном процессе 5 происходит загрязнение оборотной воды примесью массой (μ), образуя поток W6.
ВЫВОД ФОРМУЛ И ИХ ОБСУЖДЕНИЕ
Замкнутая система водооборота связана с окружающей средой через массовые потоки Wвх и Wвых. Предполагается, что блоки (1) и (4) работают как реакторы идеального смешивания, то есть концентрация примеси в этих сооружениях равна его концентрации в воде на выходе из этого блока [9]. Объем блока очистных сооружений принят постоянным.
На основании формализации работы технологической системы очистки рассмотрим математические модели этих блоков. Для этого использованы уравнения материального баланса по трем компонентам: поток воды, отходы и вторсырье.
Баланс блока очистных сооружений (ОС)
Первый узел (К1) очистных сооружений – отделение отходов, идущих на утилизацию.
Общий баланс: W1 – Wотх – W2 = 0.
Баланс по воде: W1в – W2в – (1 – К1) W1в = 0.
Баланс по отходам: Wотх = К1W1отх.
Баланс по вторсырью: W1в.с. = W2в.с.
Второй узел (К2) очистных сооружений – отделение вторичного сырья, идущего снова в производство.
Общий баланс: W2 – Wв.с. – W3 = 0.
Баланс по воде: W2в – W3в – (1 – К2) W2в = 0.
Баланс по отходам: Wотх = 0.
Баланс по вторсырью: Wв.с. = К2W2в.с.
Суммарный баланс по воде для ОС:
W1 – W2 – (1 – К1) W1 = W2 – W3 – (1 – К2) W2.
W3 = К2W2 + W2 – К1W1.
Баланс блока разделителя потоков (К3) – сброс части очищенной воды в водоем.
Общий баланс (осталась только вода): W3 – Wвых – W4 = 0.
W4 = К3 W3; Wвых = (1– К3) W3.
Баланс блока смесителя потоков (К4) – добавка свежей воды на подпитку.
W5 – Wвх – W4 = 0.
Wвх = К4 W4.
Суммарный баланс по воде для всей системы:
Wвх – Wвых – Wос = 0.
Wос = W1 – W3 = Wотх + Wв.с.
Wвых = (1– К3) W3 = ((1– К3) / К3) W4.
Если суммарное действие блока очистных сооружений можно описать соотношением:
W3 = КосW1, тогда
Wос = W1 – КосW1 = ((1– Кос)/Кос )W3 = ((1– –Кос)/ К3Кос )W4,
Wвх – ((1– К3) / К3) W4 – ((1– Кос)/ К3Кос )W4 = = 0,
Wвх – RW4 = 0,
R = (1– К3) / К3 + (1– Кос)/ К3Кос = (1 – Кос К3)/ /Кос К3,
где R – обобщенный эффект очистки системы в целом;
Кос – эффект блока очистных сооружений;
К3 – коэффициент блока разделения.
Данный материальный баланс очистных сооружений представляет собой совокупность линейных уравнений потоков. В этой системе уравнений описаны функциональные узлы, куда входят коэффициенты, зависящие от технологии. При изменении параметров технологии либо самой технологии меняются и коэффициенты, что дает возможность получить определенные значения сбросов и подобрать аппаратурное оформление процесса очистки стоков с минимизацией негативного воздействия на водные объекты и существенной минимизацией капитальных затрат на строительство очистных сооружений.
ЗАКЛЮЧЕНИЕ
Таким образом, математическая модель схемы замкнутого водооборота представляет собой совокупность систем уравнений, которые отражают частные модели ее отдельных узлов для реального прогнозирования изменения концентрации загрязняющих примесей в блоках системы в зависимости от количества оборотных циклов в условиях изменения расходов воды, концентраций примесей и других параметров, что позволяет рассчитать оптимальные параметры работы блоков замкнутой системы, определить необходимую величину подпитки. Замкнутые системы позволяют значительно снизить затраты на производство и потребление чистой воды, предотвратить сброс очищенных стоков в окружающую природную среду, перейти к малоотходным, ресурсо- и энергосберегающим технологиям на промышленных предприятиях.
About the authors
Ю. М. Аверина
Российский химико-технологический университет им. Д.И. Менделеева
Email: zvereva.o.v@muctr.ru
Russian Federation, Москва
О. В. Зверева
Российский химико-технологический университет им. Д.И. Менделеева
Author for correspondence.
Email: zvereva.o.v@muctr.ru
Russian Federation, Москва
Б. Б. Богомолов
Российский химико-технологический университет им. Д.И. Менделеева
Email: zvereva.o.v@muctr.ru
Russian Federation, Москва
References
- Распоряжения Правительства РФ от 15.12.2017 № 2834-р “Об утверждении плана мероприятий (дорожной карты) по развитию производства малотоннажной химии в Российской Федерации на период до 2030 года”. URL: http://sudact.ru/law/rasporiazhenie-pravitelstva-rf-ot-15122017-n-2834-r/plan-meropriiatii-dorozhnaia-karta-po/prilozhenie-n-3_1//(дата обращения: 05.07.2024).
- Кузин Е.Н., Аверина Ю.М., Курбатов А.Ю., Сахаров П.А. Технология безреагентного обезжелезивания артезианской воды для нужд оборотного водоснабжения металлургических предприятий // Черные металлы. 2020. № 10. С. 66.
- Прохоров Е.И., Нечаев И.А. Совершенствование водного хозяйства промышленных предприятий // Водоснабжение и санитарная техника. 2009. № 1. С. 11.
- Трохин В.Е., Бутакова М.В., Гусева О.В., Бессарабов А.М., Клевцов А.А. Комплексная водоподготовка в экологической САГЗ&-системе водного хозяйства предприятия малотоннажной химии // Экологические системы и приборы. 2023. № 9. С. 28.
- В.И. Аксенов, И.И. Ничкова, В.А. Никулин, Е.В. Николаенко. Замкнутые системы – основное направление реконструкции водного хозяйства промышленных предприятий // Вестник Южно-Уральского государственного университета. Серия: Строительство и архитектура. 2013. Т. 13. № 2. С. 56.
- Комиссаров Ю.А., Гордеев Л.С. Анализ и синтез систем водообеспечения химических производств //Учебное пособие для вузов. М.: Химия, 2002.
- Бутусов О.Б. Основы информатизации и математического моделирования экологических систем: учеб. пособ. 2-е изд., перераб. и дополн. М.: Общество с ограниченной ответственностью “Научно-издательский центр ИНФРА-М”, 2024. ISBN 978-5-16-016994-1. doi: 10.12737/1477254.
- Глебов М.Б. Математическое моделирование основных процессов химических производств: учеб. пособ. 2-е изд., пер. и доп. М.: Изд-во Юрайт, 2020.
- Филипчук В.Л. Математическая модель технологической системы очистки сточных вод промышленного производства // Вестник НУВХП. 2005. Вып. 1 (29). С. 98.
Supplementary files




