Оптимальная организация сложных химико-технологических объектов на основе общей теории систем
- Авторы: Налетов В.А.1, Глебов М.Б.1, Равичев Л.В.1, Налетов А.Ю.1
-
Учреждения:
- Российский химико-технологический университет им. Д.И. Менделеева
- Выпуск: Том 57, № 2 (2023)
- Страницы: 141-150
- Раздел: Статьи
- Статья опубликована: 01.03.2023
- URL: https://bakhtiniada.ru/0040-3571/article/view/138437
- DOI: https://doi.org/10.31857/S0040357123020070
- EDN: https://elibrary.ru/EJAUGQ
- ID: 138437
Цитировать
Полный текст
Аннотация
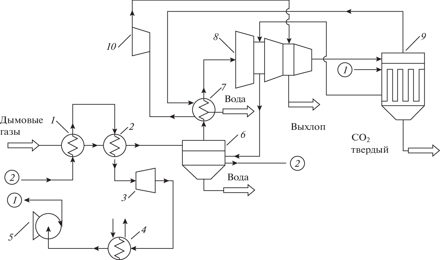
Для оптимальной организации сложных химико-технологических систем (ХТС) в статье применены положения “организмического” подхода общей теории систем с позиции теории информации. Показано, что реализация организмического подхода позволяет представить задачу оптимальной организации ХТС как многоуровневую оптимизационную процедуру, подразумевающую согласованное функционирование элементов системы на макроуровне в совокупности с повышением их эффективности на микроуровне с целью достижения синергетических эффектов или эмерджентности в системе. В результате повышения организованности ХТС объективно повышаются степень “макроскопичности или целостности” объекта, а также показатели его энергетической автономности. В работе представлены критерии организованности, характеризующие оптимальную дифференциацию функций ХТС между элементами и подсистемами, используемые при проектировании новых схемных решений. На примере разработки новой химико-технологической системы по выделению диоксида углерода из дымовых газов была доказана возможность достижения синергетических показателей энергоэффективности.
Об авторах
В. А. Налетов
Российский химико-технологический университет им. Д.И. Менделеева
Email: jacen23@yandex.ru
Россия, Москва
М. Б. Глебов
Российский химико-технологический университет им. Д.И. Менделеева
Email: jacen23@yandex.ru
Россия, Москва
Л. В. Равичев
Российский химико-технологический университет им. Д.И. Менделеева
Email: jacen23@yandex.ru
Россия, Москва
А. Ю. Налетов
Российский химико-технологический университет им. Д.И. Менделеева
Автор, ответственный за переписку.
Email: jacen23@yandex.ru
Россия, Москва
Список литературы
- Bertalanffi L. von. General system theory: Foundation, development, application. N.-Y. 1968. 289 p.
- Рулье К.Ф. Избранные биологические произведения. М.: Изд-во АН СССР. 1954. 78 с.
- Реймерс Н.Ф. Природопользование. Словарь-справочник. М.: Мысль. 1990. 637 с.
- Винер Н. Я – математик. М: Наука. 1964. 356 с.
- Моисеев Н.Н. Алгоритмы развития. М.: Наука. 1987. 302 с.
- Налетов В.А., Колесников В.А., Глебов М.Б. Термодинамические основы системного информационного подхода к организации сложных технологических объектов // Теорет. основы хим. технологии. 2020. Т. 54. № 2. С. 1–10 [Naletov V.A., Kolesnikov V.A., Glebov M.B. Thermodynamic Foundations of an Information-Based Systems Approach to Designing Complex Engineering Objects. Theoretical Foundations of Chemical Engineering, 2020. V. 54 (3). P. 456–464. https://doi.org/10.1134/S0040579520020128].
- Кобозев Н.И. Исследование в области термодинамики процессов информации и мышления. М.: МГУ. 1971. 194 с.
- Дигуров Н.Г., Китайнер А.Г., Налетов А.Ю., Скудин В.В. Проектирование и расчет аппаратов технологии горючих ископаемых. М.: Химия. 1993. 278 с.
- Налетов В.А., Гордеев Л.С., Глебов М.Б., Налетов А.Ю. Информационно-термодинамический принцип организации химико-технологических систем // Теорет. основы хим. технологии. 2011. Т. 45. № 5. С. 541–549. [Naletov V.A., Gordeev L.S., Glebov M.B., Naletov A.Y. Information-Thermodynamic Principle of the Organization of Chemical Engineering Systems // Theor. Found. of Chemical Engineering. 2011. V. 45. № 5. P. 631–639. https://doi.org/10.1134/S0040579511050289].
- El-Sayed Y.M., Evans R.B. Thermoeconomics and the design of heat systems // Trans. ASME, J. Eng. Power. 1969. V. 92. P. 27–34.
- Налетов В.А., Глебов М.Б., Налетов А.Ю. Цифровое проектирование оптимально организованных химических производств. Теория и практика. Часть 1. Теория. М.: РХТУ им. Д.И. Менделеева, 2021. 172 с.
- Naletov V.A. Exergy Analysis of Commercial Carbon Dioxide Production from Flue Gases in a Trigeneration Power Plant // Coke and Chemistry. 2019. V. 62. № 10. P. 481–488.
- Herzog H. An Introduction to CO2 separation and capture technologies // Cambridge, Mass.: MIT Energy Laboratory. 1999. 8 p.
- Herzog H., Meldon J., Hatton A. Advanced Post-Combustion CO2 Capture // Clean Air Task Force Report. USA. 2009. 37 p.
Дополнительные файлы







