Analysis of Variants of Reforming of a Part of the Fuel (on the Example of Propane) in a Mixture with Internal Combustion Engine Exhaust Gas to Add the Reformate to the Combustion Chamber
- Authors: Shigarov A.B.1
-
Affiliations:
- Boreskov Institute of Catalysis, Russian Academy of Sciences,
- Issue: Vol 57, No 1 (2023)
- Pages: 98-108
- Section: Articles
- Published: 01.01.2023
- URL: https://bakhtiniada.ru/0040-3571/article/view/138412
- DOI: https://doi.org/10.31857/S0040357123010128
- EDN: https://elibrary.ru/BPEKAL
- ID: 138412
Cite item
Full Text
Abstract
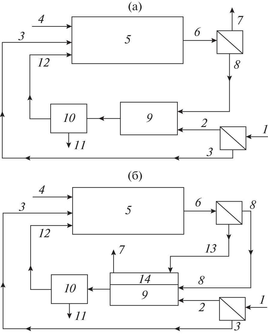
Thermochemical recovery of the heat of automotive internal combustion engine (ICE) exhaust gas saves fuel and reduces harmful emissions. Two designs of thermochemical heat recovery in propane-fueled ICEs are numerically analyzed. In both designs, a mixture of 10–20% of the initial propane with part of the ICE exhaust gas is subjected to catalytic reforming, and then the hydrogen-containing reforming products together with propane are added to the combustion chamber. In the first design, the reforming is carried out in an adiabatic reactor; and in the second, in a tubular one. In the analysis, the fraction of the exhaust gas recycle is varied within the range 0.1–0.5 and the temperature in the range 470–690°С. The second design is shown to be more efficient; it ensures an increase in the chemical enthalpy of the fuel mixture by 1.9–3.6% at a hydrogen mass fraction of 0.3–0.9%. For the operating conditions of an ICE with an effective power of 30 kW, the characteristics of an adiabatic reformer and a tubular reformer with a Ni/Cr2O3/Al2O3 catalyst are calculated.
About the authors
A. B. Shigarov
Boreskov Institute of Catalysis, Russian Academy of Sciences,
Author for correspondence.
Email: shigarov@catalysis.ru
630090, Novosibirsk, Russia
References
- Ипатов А.А., Каменев В.Ф., Хрипач Н.А., Лежнев Л.Ю. Разработка и исследования транспортных средств с различными типами водородных и комбинированных энергоустановок // Журн. автомобил. инженеров. 2007. № 5 (46). С. 18–27.
- Фомин В.М., Макунин А.В. Термохимическая регенерация теплоты отработавших газов двигателей внутреннего сгорания (общий подход к проблеме утилизации теплоты выпускных газов) // Хим. технология. 2008. Т. 9. № 10. С. 539–544.
- Кириллов В.А., Шигаров А.Б., Кузин Н.А., Киреенков В.В., Амосов Ю.И., Самойлов А.В., Бурцев В.А. Термохимическое преобразование топлив в водородсодержащий газ за счет рекуперированного тепла двигателей внутреннего сгорания // Теорет. основы хим. технологии. 2013. Т. 47. № 5. С. 503–517. https://doi.org/10.7868/S0040357113050059
- Перетрухин С.Ф., Бризицкий О.Ф., Кириллов В.А., Кузин Н.А., Козлов С.И. Бортовой генератор синтез-газа для ДВС с искровым зажиганием // Транспорт на альтернативном топливе. 2010. № 5(17). С. 68–74.
- Певнев Н.Г., Кириллов В.А., Бризицкий О.Ф., Бурцев В.А. Перспективы использования газобаллонных автомобилей с бортовым генератором синтез-газа // Транспорт на альтернативном топливе. 2010 № 3(15). С. 40–45.
- Jamal Y., Wagner T., Wyszynski M.L. Exhaust gas reforming of gasoline at moderate temperatures // Int. J. Hydrogen Energy. 1996. V. 21 № 6. P. 507–519.
- Yap D., Peucheret S.M., Megaritis A., Wyszynski M.L., Xu H. Natural gas HCCI engine operation with exhaust gas fuel reforming // Int. J. Hydrogen Energy. 2006. V. 31. P. 587–595. https://doi.org/10.1016/j.ijhydene.2005.06.002
- Bogarra M., Herreros J.M., Tsolakis A., York A.P.E., Millington P.J. Study of particulate matter and gaseous emissions in gasoline direct injection engine using on-board exhaust gas fuel reforming // Appl. Energy. 2016. V. 180. P. 245–255. https://doi.org/10.1016/j.apenergy.2016.07.100
- Li G., Long Y., Zhang Z. et al. Performance and emissions characteristics of a lean-burn marine natural gas engine with the addition of hydrogen-rich reformate // Int. J. Hydrogen Energy. 2019. 44. P. 31544–31556. https://doi.org/10.1016/j.ijhydene.2019.10.007
- Long Y., Li G., Zhang Z., Liang J. Application of reformed exhaust gas recirculation on marine LNG engines for NOx emission control // Fuel. 2021. V. 291. 120114. https://doi.org/10.1016/j.fuel.2020.120114
- Pashchenko D. Thermodynamic equilibrium analysis of combined dry and steam reforming of propane for thermochemical waste-heat recuperation // Int. J. Hydrogen Energy. 2017. V. 42. № 22. P. 14926–14935. https://doi.org/10.1016/j.ijhydene.2017.04.284
- Алимов В.А., Захаров Е.А., Федянов Е.А., Гаврилов Д.С., Сафаров Э.Г.. Улучшение процесса сгорания сжиженного углеводородного газа добавками водорода и водородсодержащего синтез-газа // Молодой ученый. 2017. № 27(161). С. 24–27.
- Алимов В.А., Захаров Е.А., Приходьков К.В., Сафаров Э.Г., Федянов Е.А. Влияние добавок синтез-газа на межцикловую неидентичность рабочего процесса двигателя с искровым зажиганием // Энерго- и ресурсосбережение: промышленность и транспорт. 2019. № 3(28). С. 22-24.
- Алимов В.А., Захаров Е.А., Сафаров Э.Г., Федянов Е.А. Влияние добавок синтез-газа к пропан-бутану на процесс сгорания в автомобильном двигателе // Двигателестроение. 2020. № 3(281). С. 17–20.
- Zyryanova M.M., Snytnikov P.V., Shigarov A.B., Belyaev V.D., Kirillov V.A., Sobyanin V.A. Low temperature catalytic steam reforming of propane-methane mixture into methane-rich gas: experiment and macrokinetic modeling // Fuel. 2014. V. 135. P. 76–82. https://doi.org/10.1016/j.fuel.2014.06.032
- Shigarov A.B. Modeling of low temperature steam reforming of flare gas to methane-rich fuel gas on Ni catalyst in different types of reactors // Chem. Eng. J. 2020. V. 397. 125313. https://doi.org/10.1016/j.cej.2020.125313
- Shigarov A.B., Uskov S.I., Potemkin D.I., Snytnikov P.V. Experimental verification of kinetics and internal diffusion impact on low temperature steam reforming of a propane-methane mixture over Ni-based catalyst // Chem. Eng. J. 2022. V. 429. 132205. https://doi.org/10.1016/j.cej.2021.132205
Supplementary files








