Бипериодическая линейная решетка
- Авторы: Банков С.Е.1, Дупленкова М.Д.1
-
Учреждения:
- Институт радиотехники и электроники им. В.А. Котельникова РАН
- Выпуск: Том 69, № 7 (2024)
- Страницы: 622-631
- Раздел: ЭЛЕКТРОДИНАМИКА И РАСПРОСТРАНЕНИЕ РАДИОВОЛН
- URL: https://bakhtiniada.ru/0033-8494/article/view/279631
- DOI: https://doi.org/10.31857/S0033849424070035
- EDN: https://elibrary.ru/HZDJJY
- ID: 279631
Цитировать
Полный текст
Аннотация
Рассмотрена антенна с последовательным питанием, которая содержит две совмещенные линейные решетки (линейки) элементарных резонансных излучателей, расположенные в общей апертуре. Показано, что такая антенна может работать как в двухдиапазонном режиме, так и в режиме с одним расширенным диапазоном частот. Установлено, что в двухдиапазонном режиме антенна имеет максимальное усиление в заданном направлении в двух отдельных полосах частот, при сближении которых образуется один общий расширенный частотный диапазон. В рамках приближенной модели предложена процедура синтеза антенны. С помощью системы HFSS исследуются несколько вариантов волноводно-щелевой решетки, содержащей две линейки продольных щелей. Численное моделирование подтверждает результаты приближенной теории. Показано, что предлагаемая решетка может работать в обоих указанных режимах, что значительно расширяет функциональные возможности антенн данного типа.
Полный текст
ВВЕДЕНИЕ
Антенны с последовательным питанием (АПП) широко известны в теории и технике антенн, например, можно отметить классическую работу [1], в которой изложены теоретические основы построения АПП. Антенные решетки с последовательным питанием (АРПП) можно выделить в отдельную группу. Как правило, такая решетка представляет собой линию передачи (ЛП) или волновод, периодически нагруженные элементарными излучателями. Эти излучатели последовательно возбуждаются бегущей волной, распространяющейся по волноводу или ЛП. Различают два варианта АРПП: резонансные и нерезонансные. Объектом нашего исследования являются нерезонансные решетки, поэтому далее при обсуждении АРПП термин нерезонансные не применяется.
За последнее десятилетие было предложено множество AРПП. Среди них можно отметить волноводно-щелевые решетки [2] с продольными и поперечными щелями. Такая антенна представляет собой линейную решетку щелей, выполненных в стенках волновода. Несколько таких решеток можно комбинировать таким образом, чтобы получить двумерную решетку с узкой диаграммой направленности (ДН) [3, 4].
Микрополосковая линия также является ЛП, широко используемой в качестве основы для проектирования АРПП [5]. Элементарные излучатели в микрополосковых АРПП имеют форму микрополосковых шлейфов [6], патчей [7] или щелей в плоскости заземления [8].
Применение плоских волноводов (ПВ) в конструкции АРПП [9] является следующим этапом их развития. Обычно антенна на ПВ представляет собой двумерный массив щелей в экране, который может возбуждаться плоскими или цилиндрическими волнами ПВ [10, 11]. Антенна на цилиндрических волнах получила название щелевой решетки на радиальной линии (ЩРРЛ), она имеет чрезвычайно простую структуру и, следовательно, низкую стоимость. Благодаря этому ЩРРЛ долгое время рассматривались как перспективные для плоских антенн спутникового телевидения.
Упомянутые выше решетки, за исключением, может быть, АРПП, в основном находят применение в сантиметровом диапазоне волн. Их распространение в миллиметровый диапазон длин волн ограничено высоким уровнем диссипативных потерь для микрополосковых ЛП или высокой стоимостью производства, характерной для волноводных структур. Интегрированный в подложку волновод (substrate integrated waveguide, SIW) является перспективным для миллиметрового диапазона и сочетает в себе низкую стоимость печатных схем и малые потери волноводов [12]. Несколько АРПП на основе SIW представлены в [12–14].
Основным преимуществом всех АРПП является их простота. У них не такие широкие функциональные возможности, как у фазированных антенных решеток (ФАР), но при этом стоимости АРПП и ФАР несопоставимы. Сравнивая АРПП с другими типами антенн, следует отметить эффект частотного сканирования [1]. Ориентация в пространстве основного луча АРПП зависит от частоты, что и называют частотным сканированием. Иногда этот эффект является полезным, но чаще это недостаток, ограничивающий пропускную способность АРПП, что имеет место в системах связи, когда антенна должна обеспечивать прием/передачу сигнала в фиксированном направлении.
Интересный вариант был предложен в [15]. Описываемая в работе антенна содержит решетку щелей, прорезанных во внешнем проводнике коаксиальной ЛП. Важным моментом является то, что щели настроены в резонанс, который характеризуется резонансной частотой fr и добротностью Q. Вблизи частоты fr зависимость угла излучения θr от частоты стабилизируется и, таким образом, полоса пропускания антенны увеличивается. В более поздних работах [16, 17] было показано, что эффект расширения полосы пропускания не зависит от типа ЛП или элементарного излучателя. Он характерен для всех АРПП с резонансными излучателями. Полоса пропускания антенн из [15–17] в 1.5–2 раза шире полосы пропускания АРПП с нерезонансными излучателями.
Цель данной работы — развитие идей, изложенных ранее [15–17], и демонстрация того, что бипериодическая решетка обеспечивает функционирование в расширенном диапазоне частот по сравнению с прототипами из [15–17] или в двух разнесенных поддиапазонах.
1. ОБЪЕКТ И СТРУКТУРА ИССЛЕДОВАНИЯ
Мы предлагаем АПП, содержащую две линейные решетки (линейки) резонансных излучателей с периодами соответственно P1, Р2, которые занимают общую излучающую апертуру. Излучатели в линейках имеют разные резонансные частоты fr1, fr2 и добротности Q1, Q2. Антенну такого типа назовем бипериодической АРПП.
На первом этапе исследуем предлагаемую антенну в рамках приближенной модели в виде схемы замещения. В этой модели учитываются только взаимодействия между элементами решетки через основную волну ЛП. Основное преимущество приближенной модели состоит в том, что она работает с обобщенными параметрами, такими как резонансная частота, добротность, постоянная распространения ЛП и др. Такой подход позволяет получать результаты в обобщенном виде, не зависящем от типа ЛП и излучателя.
Оптимальная настройка или синтез антенны рассматривается во второй части нашей работы. Предлагаемая процедура синтеза определяет обобщенные параметры, обеспечивающие заданные характеристики антенны.
В третьей части исследуется частный вариант бипериодической АРПП –волноводная решетка продольных щелей. Это исследование проводится с помощью системы электродинамического моделирования HFSS. Численно исследованы несколько сдвоенных периодических решеток. Численное моделирование подтверждает приближенные теоретические результаты, полученные в первых двух частях. Это важно для оценки перспектив практического применения бипериодических решеток с последовательным питанием.
2. ПРИБЛИЖЕННАЯ МОДЕЛЬ БИПЕРИОДИЧЕСКОЙ РЕШЕТКИ
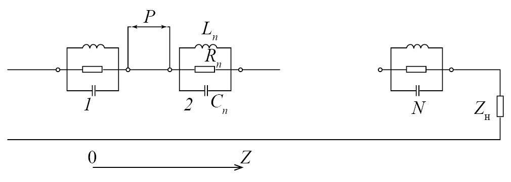
Сначала изложим основные принципы, используемые при выборе параметров однопериодической антенны (подробнее см. [17]). Модель решетки в виде эквивалентной схемы показана на рис. 1. Будем рассматривать только периодические решетки с одинаковыми контурами. Вопрос об амплитудно-фазовом распределении в антенне не ставится. Для АРПП с бегущей волной амплитудное распределение описывается экспонентой.
Рис. 1. Эквивалентная схема АРПП: 1, 2,…N — номера элементарных излучателей.
Излучатели решетки заменены параллельными контурами, последовательно включенными в линию передачи. Возможна также схема с последовательными контурами. Обе схемы дают эквивалентные результаты, поскольку в окончательные выражения входят обобщенные параметры контуров — добротность, резонансная частота и т.д.
Как отмечалось выше, фактором, ограничивающим полосу АРПП, является частотное сканирование, т.е. зависимость угла излучения антенны θm от частоты. На рис. 2 показана типичная зависимость угла излучения АРПП. Пусть угол θm0 является номинальным углом излучения, т.е. углом, под которым должна излучать антенна на центральной частоте рабочего диапазона f0. В примере, которому соответствует рис. 2, он равен 45°.
Рис. 2. Частотная зависимость угла излучения АРПП: нерезонансный (1) и резонансный (2) излучатели.
Из рис. 2 видно, что при правильном выборе параметров контуров угол излучения может быть равен номинальному значению не только на центральной частоте, как в случае нерезонансных излучателей, но и на двух дополнительных частотах f1,2.
Рассмотрим далее зависимость от частоты другого важного параметра антенны, определяющего ее амплитудное распределение — затухания волны αp. На рис. 3 показана частотная зависимость полного затухания волны на длине антенны αpNP, где N — число излучателей, Р — период решетки. Горизонтальной линией показано известное оптимальное значение полного затухания антенны с экспоненциальным амплитудным распределением, которое можно найти в [17]. Оптимальное затухание равно 11.3 дБ.
Рис. 3. Частотная зависимость затухания волны в АРПП.
Из рис. 3 видно, что оптимум затухания достигается на двух частотах , которые, вообще говоря, не обязательно равны f1,2. Равенство частот и f1,2 является результатом правильного выбора параметров антенны, которое обеспечивает достижение максимально возможного ее коэффициента использования поверхности (КИП) на двух частотах (рис. 4), так как на этих частотах антенна имеет оптимальное амплитудное распределение и одновременно излучает в требуемом направлении.
Рис. 4. Частотная зависимость КИП АРПП с резонансными излучателями.
Выражения, связывающие оптимальное значение добротности контура с числом излучателей и неравномерностью частотной характеристики усиления АРПП в полосе частот, определены в [17].
Бипериодическая АРПП схематично показана на рис. 5. Она состоит из линии передачи, ориентированной вдоль оси 0z и двух решеток излучателей в виде контуров с разными резонансными частотами fr1,2, добротностями Q1,2 и резонансными активными сопротивлениями R1,2. Контуры расположены с периодами P1,2.
Рис. 5. Схематичное представление бипериодической АРПП.
Модель АРПП строится следующим образом. На первом этапе контуры заменяются виртуальными источниками напряжения с ЭДС E1, 2n, n = 1, 2,...N, которые возбуждают линию передачи. Решение задачи о возбуждении линии передачи источником напряжения известно [18]
, (1)
,
,
где — ток и напряжение в линии передачи, z0 — координата источника, γ, Z0 — постоянная распространения и характеристическое сопротивление линии.
Токи от всех источников суммируются, к ним добавляется ток падающей волны, возбуждающей решетку, и таким образом находится полный ток в линии. Напряжения и токи на источниках должны удовлетворять закону Ома:
, (2)
где I1,2n — токи через контуры первого и второго типов, а Zc1,2 — их сопротивления. Выполнение соотношений (2) приводит нас к системе линейных алгебраических уравнений (СЛАУ) относительно неизвестных ЭДС на контурах. Находя их, можем определить все интересующие нас параметры АРПП [17], в том числе коэффициент отражения от АРПП R и коэффициент прохождения через решетку Т. К числу интересующих нас параметров относится также КИП АРПП.
3. ЧИСЛЕННОЕ ИССЛЕДОВАНИЕ АРПП В ПРИБЛИЖЕНИИ ЭКВИВАЛЕНТНОЙ СХЕМЫ
Целью численного исследования бипериодической АРПП была ее настройка в двух режимах: двух- и однодиапазонном. В первом случае резонансные частоты fr1,fr2 излучателей разнесены на достаточное расстояние, при котором их полосы частот не перекрываются. При этом в каждом поддиапазоне настройка должна обеспечивать двугорбую частотную характеристику параметра, который описывает эффективность работы антенны.
В качестве такого параметра мы использовали КИП. Обычно КИП применяется для описания апертурных антенн с острой ДН. В нашем случае речь идет об одномерной решетке с веерной ДН. Стандартное определение КИП [19] использует двумерное распределение источников в плоскости антенны. Мы будем использовать одномерное дискретное распределение вдоль оси 0z, которое находится из решения СЛАУ (см. разд. 2). В качестве амплитуд источников берем напряжения E1,2n:
КИП = (3)
Здесь S11,21 — коэффициент отражения от решетки и коэффициент прохождения через нее, θ0 — заданный угол излучения, под которым должен быть ориентирован главный луч ДН, N – общее число излучателей в двух подрешетках с периодами P1, 2, zn — координаты излучателей. Суммирование в соотношении (3) ведется по всем излучателям. Первый сомножитель в формуле (3) учитывает падение КИП за счет неидеального амплитудно- фазового распределения в решетке, а второй сомножитель учитывает неизлученную мощность, которая отразилась от входа антенны и была поглощена нагрузкой, расположенной на ее левом краю (рис. 1).
При использовании модели в виде эквивалентной схемы мы предполагали применение линии передачи с Т-волной, т.е. без частотной дисперсии с постоянной распространения (k — волновое число свободного пространства, ε – относительная диэлектрическая проницаемость среды заполняющей линию передачи).
В качестве свободных параметров были использованы следующие переменные: периоды подрешеток P1,2, добротности контуров Q1,2, нормированные на сопротивление линии передачи резонансные сопротивления контуров R1,2, расстояние Δz (рис. 5). Фиксировались резонансные частоты fr1, fr2, число излучателей N, угол излучения θ0.
На рис. 6 показана частотная зависимость КИП бипериодической АРПП в двухдиапазонном режиме. Она получена при fr1 = 10.8, fr2 = 12.2, P1 = 16.85, P2 = 15, Q1 = Q2 = 35, R1 = 0.18, R2 = 0.17, ε = 2.1, N1 = N2 = 17, Δz = 1, θ0 = –11°. Отрицательный знак перед углом излучения означает, что решетка излучает в направлении, противоположном направлению распространения возбуждающей ее волны. В нашем случае волна бежит в положительном направлении оси 0z. Главный луч ДН имеет отрицательную проекцию на эту ось и, соответственно, отрицательный угол излучения.
Рис. 6. Частотная зависимость КИП АРПП в двухчастотном режиме.
На рис. 7 показаны нормированные ДН в проходящей через ось антенны продольной плоскости, полученные на частотах 10.8 и 12.2 ГГц. Диаграмма направленности элемента решетки полагается идеальной изотропной. Угол θ отсчитывается от нормали к оси 0z и меняется в пределах от минус до плюс 90°.
Рис. 7. Нормированные ДН бипериодической решетки на частотах 10.8 (1) и 12.2 ГГц (2).
Известно [17], что максимальный КИП в АРПП с одинаковыми излучателями равен –0.7 дБ. Из рис. 6 видно, что в низкочастотном поддиапазоне настройка выполнена удачно и полученный КИП даже несколько выше предельного значения, что можно отнести за счет приближенного характера модели. В высокочастотном поддиапазоне он незначительно ниже.
На характеристики антенны существенно влияет взаимное расположение подрешеток, которое задается расстоянием Δz. В большей степени оно влияет на уровень боковых лепестков, что свидетельствует о взаимном влиянии подрешеток друг на друга. Как видно из рис. 7 указанное расстояние удается выбрать таким образом, чтобы искажения формы ДН в обоих поддиапазонах были минимальными.
В целом приведенные результаты подтверждают возможность работы в двухдиапазонном режиме, в котором обеспечивается КИП, близкий к максимально возможному. Также стоит обратить внимание на форму частотной характеристики в поддиапазонах, которая имеет вид, характерный для полосового фильтра второго порядка.
Настройка в однодиапазонном режиме представляет собой более сложную задачу. Она достигается сближением частот fr1, fr2 и, соответственно, периодов P1,2. Большое значение имеет выбор параметра ∆z.
На рис. 8 показана частотная зависимость КИП в однодиапазонном режиме, полученная для fr1 = 11.18, fr2 = 11.78, P1 = 16.91, P2 = 16.35, Q1 = Q2 = 34, R1 = 0.18, R2 = 0.18, ε = 2.1, N1 = N2 = 17, Δz = 9, θ0 = –7.02°. Видно, что в полосе пропускания антенна имеет частотную характеристику, аналогичную характеристике фильтра четвертого порядка.
Рис. 8. Частотная зависимость КИП в однодиапазонном режиме.
На рис. 9 показаны ДН бипериодической решетки на частотах fr1,2 (см. выше), полученные на частотах 11.18 и 11.78 ГГц. Форма ДН — типичная для линейных решеток с экспоненциальным распределением.
Рис. 9. Нормированные ДН бипериодической решетки на частотах 11.18 (1) и 11.78 ГГц (2).
Таким образом, моделирование бипериодической решетки в рамках приближенной модели показало реализуемость обоих режимов ее работы.
4. ЭЛЕКТРОДИНАМИЧЕСКОЕ МОДЕЛИРОВАНИЕ БИПЕРИОДИЧЕСКОЙ РЕШЕТКИ
Далее проверим полученные выводы путем строгого электродинамического моделирования антенны и ее настройки при помощи HFSS.
На рис. 10 представлен объект исследования — волноводно-щелевая антенная решетка, содержащая две линейные подрешетки элементарных резонансных излучателей. Решетка исследовалась в двух вариантах: на квадратном экране размером L × L, L = 386 и с плоским рупором. Здесь и далее все размеры даны в миллиметрах.
Рис. 10. Модели бипериодической решетки для электродинамического моделирования: с плоским экраном (а) и плоским рупором (б).
На рис. 11 показан фрагмент решетки с обозначением размеров ее элементов. Щели прорезаны в широкой стенке металлического прямоугольного волновода сечением a × b, где a = 16, b = 7 с диэлектрическим заполнением материалом полипропилен с ε = 2.25. Каждая линейная подрешетка имеет свой период и содержит излучатели со своей резонансной частотой. Вариант с плоским экраном исследовали и настраивали только в двухдиапазонном режиме. Вариант с плоским рупором рассматривали в обоих режимах.
Рис. 11. Фрагмент решетки.
Приведем характеристики настроенных антенн с плоскими экраном и рупором. Решетка с плоским экраном в двухдиапазонном режиме имеет следующие параметры: периоды P1 = 20.7, P2 = 17.3 длины щелей L1 = 11.3, L2 = 9.6, ширины щелей w1 = 0.25, w2 = 0.25, расстояния от оси волновода до линейных подрешеток d1 = 2.5, и d2 = 3.2, общее число щелей N = 32.
Расчет проводился при помощи системы электродинамического моделирования Ansys HFSS 2019. Частотная зависимость элементов матрицы рассеяния решетки представлена на рис. 12. Кривые 1, 2 соответствуют коэффициентам отражения и прохождения. Видно, что коэффициент отражения (кривая 1) не превосходит –15 дБ в полосе частот 9…12 ГГц, а коэффициент прохождения (кривая 2) имеет два минимума с амплитудой менее –25 дБ, что указывает на наличие излучения вблизи указанных минимумов. Ширины этих провалов по уровню –15 дБ составляют 0.5 ГГц в низкочастотном диапазоне и 0.4 ГГц в высокочастотном.
Рис. 12. Частотная зависимость параметров рассеяния решетки с экраном в двухдиапазонном режиме: коэффициенты отражения (1) и прохождения (2).
Рассмотрим теперь характеристики излучения описанной структуры. На рис. 13 приведена зависимость КУ G от частоты в направлении 106.5о по углу θ и 0о по углу φ. Отметим, что при электродинамическом моделировании мы использовали сферическую систему координат, определенную стандартным образом. В ней угол θ меняется от нуля (направление вдоль оси 0z) до 180о. Если волна в волноводе бежит в положительном направлении, то угол излучения лежит в области θ >90о.
Рис. 13. Частотная характеристика КУ решетки с экраном в двухдиапазонном режиме.
Анализируя приведенную зависимость, отмечаем, что антенна является двухдиапазонной, КУ для обоих диапазонов достигает 18 дБ, зависимости близки к прямоугольным, ширина диапазона по уровню –3 дБ от максимального значения составляет для нижнего диапазона порядка 5.6 % частот, а для верхнего 5.3 %.
Следует отметить, что характеристика на рис. 13 получена в результате настройки, которая происходит следующим образом — задавая резонансную длину щели для каждого диапазона и меняя период, можно добиться близкой к прямоугольной характеристики для заданного угла излучения. Параметры d1 и d2 определяют степень связи излучающих щелей с волноводом, меняя которую можно регулировать глубину провала характеристики G(f) в центре поддиапазона и добиваться относительно плоской кривой.
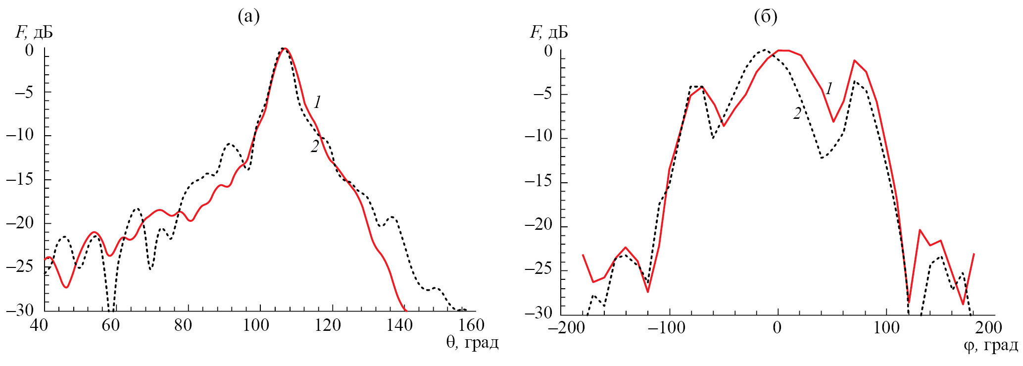
На рис. 14а приведены нормированные ДН в плоскости XОZ на частотах 9.9 и 11.3 ГГц, при этом полученные ДН практически совпадают в области главного лепестка, направление луча составляет 106.5°.
Рис. 14. Диаграммы направленности решетки с экраном в плоскости XOZ (а) и в азимутальной плоскости (б) в двухдиапазонном режиме на частотах 9.9 (1) и 11.3 ГГц (2).
На рис. 14б представлены нормированные ДН как функции азимутального угла φ при фиксированном угле места θ = 106.5°. Отмечаем изрезанную форму ДН в указанной плоскости, что является нежелательным эффектом для большинства применений подобной антенны. Одним из способов преодоления изрезанности ДН является использование вместо экрана наклонных стенок, образующих одномерный плоский рупор, как показано на рис. 10б. Возникают дополнительные параметры для такой структуры по сравнению с рассмотренной ранее: расстояние между наклонными стенками в плоскости раскрыва а1 = 13, длина стенок Lw = 40, угол наклона стенок относительно нормали к излучающей поверхности θw = 17 град.
На рис. 15 приведена зависимость КУ G решетки с плоским рупором от частоты в направлении 106.5° по θ и 0о по φ. Отмечаем, что КУ для обоих диапазонов достигает 19 дБ, зависимости близки к прямоугольным, ширина диапазона по уровню –3 дБ от максимального значения составляет порядка 5.8 % для нижнего диапазона частот и 5.6 % для верхнего.
Рис. 15. Частотная характеристика КУ решетки с рупором в двухдиапазонном режиме.
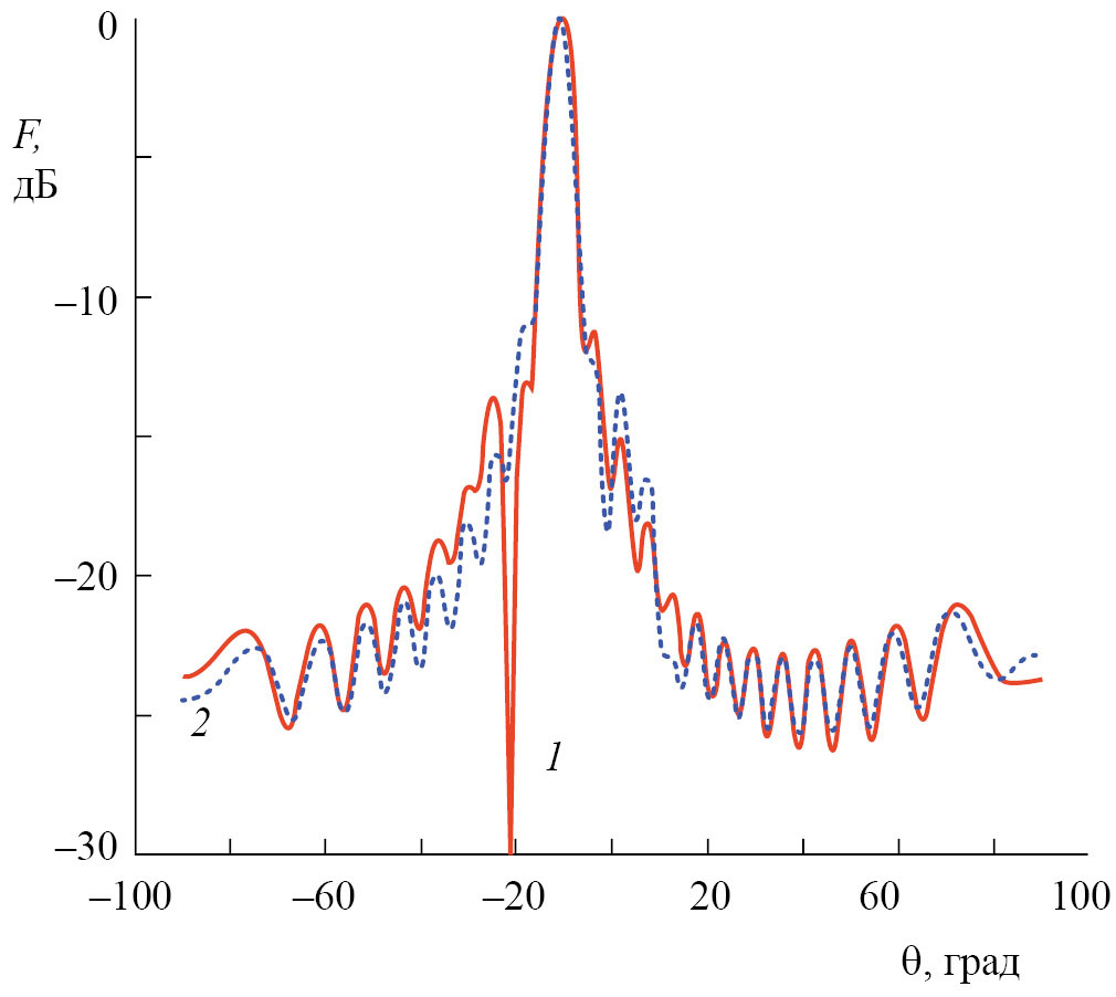
На рис. 16а приведены нормированные диаграммы направленности в плоскости XОZ, которые соответствуют частотам 9.4 и 10.8 ГГц. При этом полученные ДН практически совпадают в области главного лепестка, направление луча составляет 16.5° от нормали к излучающей поверхности. На рис. 16б представлены нормированные ДН при θ = 16.5°. Отмечаем отсутствие изрезанности в указанной плоскости, в отличие от предыдущего случая, и совпадения формы ДН на уровне выше –5 дБ.
Рис. 16. Диаграммы направленности решетки с рупором в плоскости XOZ (а) и в азимутальной плоскости (б) в двухдиапазонном режиме на частотах 9.8 (1) и 10.6 ГГц (2).
На рис. 17, 18 представлены характеристики бипериодической решетки с плоским рупором в однодиапазонном режиме. Результаты получены при b = 16, a = 6.6, L1 = 10.35, w1 = 0.25, Δz = 8, d1 = 2.8 и d2 = 2.4, P1 = 19.2, L2 = 11.3, w2 = 0.25, P2 = 20.7, d = 16, θw = 100, Lw = 40, ε = 2.25, N = 32.
Рис. 17. Частотная характеристика КУ решетки с рупором в однодиапазонном режиме.
На рис. 17 показана частотная зависимость КУ в направлении 13.5° по θ и 0° по φ. Отмечаем, что КУ в рабочем диапазоне частот составляет от 16.5 до 19 дБ, антенна имеет полосу пропускания 1.3 ГГц по уровню –3 дБ, что соответствует относительной полосе в 13%.
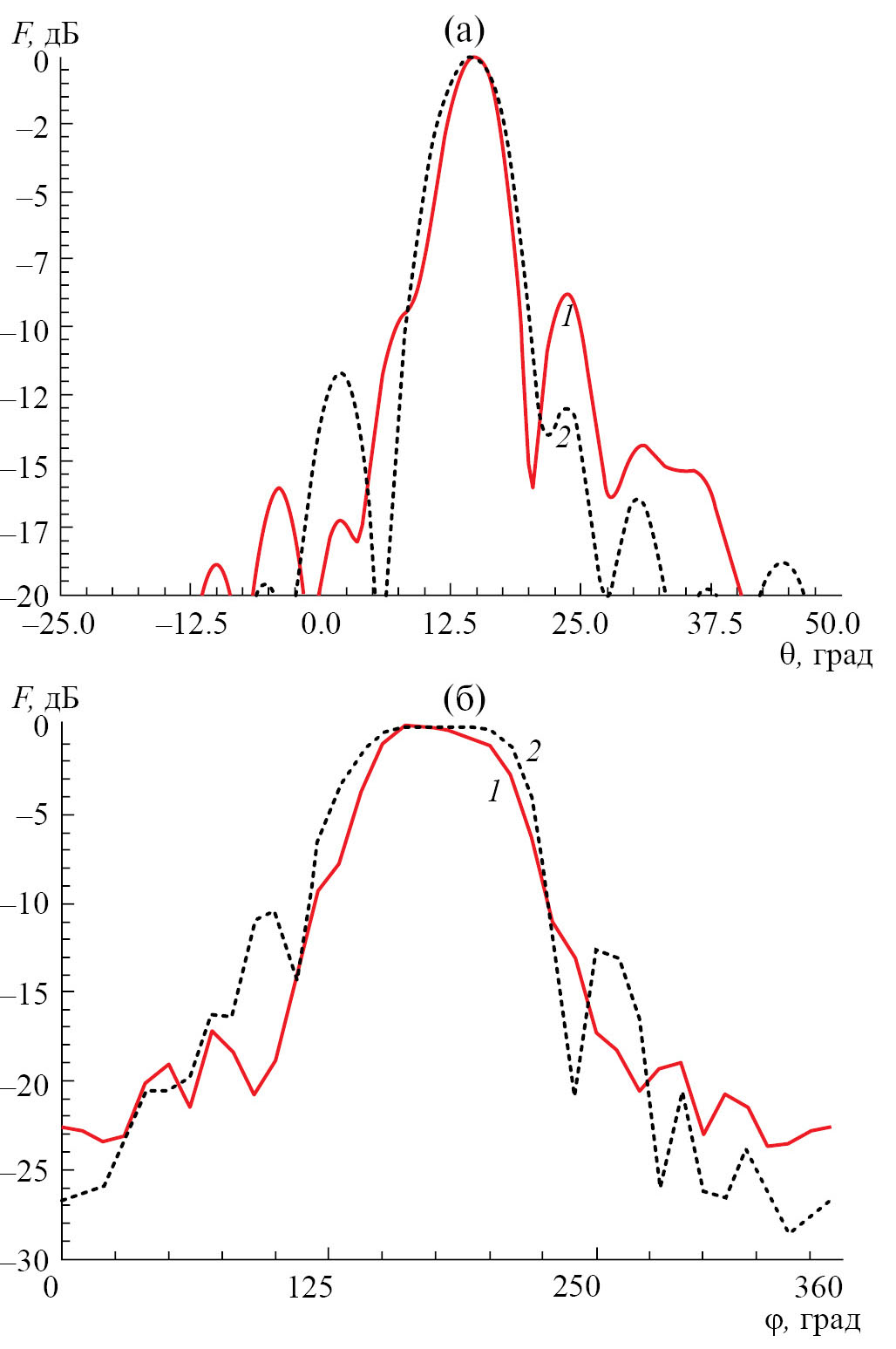
На рис. 18а представлены нормированные ДН в плоскости XOZ как функции угла места θ при φ = 0, полученные на частотах 9.4 и 10.1 ГГц. Ширина ДН по уровню –3 дБ близка к 5.5° на частоте 9.4 ГГц. Длина решетки 300. Антенна с равномерным амплитудно-фазовым распределением имеет при такой длине ДН шириной 5.1°. Разница в 0.4° обусловлена экспоненциальным амплитудным распределением. Отклонение луча составляет 15°от нормали к излучающей поверхности. На рис. 18б представлены нормированные ДН как функции азимутального угла φ при θ = 15°.
Рис. 18. Диаграммы направленности решетки с рупором в плоскости XOZ (а) и в азимутальной плоскости (б) в однодиапазонном режиме на частотах 9.4 (1) и 10.1 ГГц (2).
ЗАКЛЮЧЕНИЕ
Представленные выше результаты свидетельствуют о том, что бипериодические решетки являются перспективным техническим решением, позволяющим улучшить важные показатели качества АРПП. Приведенные характеристики, скорее всего, не являются предельно достижимыми для данного класса антенн, поскольку большое число взаимовлияющих параметров усложняют настройку антенны и достижение оптимальных результатов даже на этапе электродинамического моделирования. Дальнейшее экспериментальное исследование бипериодических АРПП может показать скрытые в данный момент сложности. Тем не менее полученные результаты можно оценить как положительные, показывающие перспективы практического использования бипериодических АРПП.
Авторы данной работы заявляют об отсутствии конфликта интересов.
ФИНАНСИРОВАНИЕ РАБОТЫ
Работа выполнена при поддержке бюджетного финансирования в рамках государственного задания Института радиотехники и электроники им. В. А. Котельникова РАН.
Об авторах
С. Е. Банков
Институт радиотехники и электроники им. В.А. Котельникова РАН
Автор, ответственный за переписку.
Email: sbankov@yandex.ru
Россия, ул. Моховая, 11, стр. 7, Москва, 125009
М. Д. Дупленкова
Институт радиотехники и электроники им. В.А. Котельникова РАН
Email: sbankov@yandex.ru
Россия, ул. Моховая, 11, стр. 7, Москва, 125009
Список литературы
- Уолтер К.Х. Антенны бегущей волны. М: Энергия, 1970.
- Casula G. A., Mazzarella G., Montisci G., Muntoni G. // Electronics. 2021. V. 10. № 11. С. 1311.
- Hirokawa J., Miyagawa T., Ando M., Goto N. // Dig. IEEE Antennas and Propagation Society Intern. Symp. Chicago. 18-25Jun. 1992. N.Y.: IEEE. 1992. V.3. P. 1471.
- Casula G. A., Montisci G., Mazzarell, G. et al. // J. Electromagnetic Waves and Appl. 2013. V. 27. № 17. P. 2155.
- Kang Y., Noh E., Kim K. // IEEE Antennas and Wireless Propag. Lett. 2020. V. 19. № 8. P. 1395.
- Mishra G., Sharma S. K., Chieh J. C. S. // IEEE Trans. 2020. V. АР-68. № 12. P. 7947.
- Yi H., Li L., Han J., Shi Y. // IEEE Access. 2019. V. 7. P. 111466.
- Chaudhuri S., Kshetrimayum R.S., Sonkar R.K., Mishra M. // Electron. Lett. 2019. V. 55. № 20. P. 1071.
- Hirokawa J., Ando M., Goto N. et al. // IEEE Trans. 1995. V. VT-44. № 4. P. 749.
- Банков С.Е. // РЭ. 2004. Т. 49. № 6. С. 701.
- Goto N. Single-Layered Radial Line Slot Antenna. US Patent № 5175561. Publ. December 29,1992.
- Cheng Y.J., Hong W., Fan K., Wu Y. // IEEE Trans. 2011.V. AP-59. № 1. P. 40.
- Qiu L., Xiao K., Chai S. L. et al. // IEEE Trans. 2016. V. AP-64. № 11. P. 4639.
- Zhang L., Li L., Yi H. // 2018 Cross Strait Quad-Regional Radio Science and Wireless Technology Conf. (CSQRWC). Xuzhou. 21-24 Jul. N.Y.: IEEE, 2018. Paper No. 8455559.
- Ishimaru A., Bernard G. // IRE Trans. 1962. V. AP-10. № 2. P. 151.
- Банков С.Е., Ан Дж. // РЭ. 2007. Т. 52. № 8. С. 932.
- Банков С.Е. Антенные решетки с последовательным питанием. М.: Физматлит, 2013.
- Баскаков С.И. Радиотехнические цепи с распределенными параметрами. М.: Радио и связь, 1980.
- Сазонов Д.М. Антенны и устройства СВЧ. М: Мир, 1989.
Дополнительные файлы




















