Сравнительный анализ микросервисной и бессерверной технологии построения систем автоматического проектирования для расчета нестабильности статического режима нелинейных электронных схем
- Авторы: Гридин В.Н.1, Анисимов В.И.1,2, Васильев С.А.1,2
-
Учреждения:
- Центр информационных технологий в проектировании РАН
- Санкт-Петербургский государственный электротехнический университет “ЛЭТИ”
- Выпуск: Том 68, № 12 (2023)
- Страницы: 1230-1235
- Раздел: ФИЗИЧЕСКИЕ ПРОЦЕССЫ В ЭЛЕКТРОННЫХ ПРИБОРАХ
- URL: https://bakhtiniada.ru/0033-8494/article/view/243615
- DOI: https://doi.org/10.31857/S0033849423120082
- EDN: https://elibrary.ru/GKPNZW
- ID: 243615
Цитировать
Полный текст
Аннотация
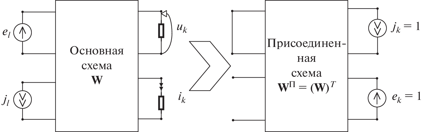
Рассмотрены методы построения распределенных систем автоматизации схемотехнического проектирования для расчета нестабильности координат рабочих точек статического режима нелинейных электронных схем. В качестве изменяемых под воздействием внешних факторов компонентов принимаются двухполюсники типа R и параметры передач зависимых источников, а также характеристики внешних воздействий (температура, радиация и т.д.). Для решения задачи расчета нестабильности координат рабочих точек статического режима нелинейных электронных схем предложена методика, основанная на использовании вспомогательной схемы, которая строится путем транспонирования описания исходной схемы. Проанализированы особенности организации бессерверной и микросервисной архитектуры для построения систем автоматизации схемотехнического проектирования. Описано мультитенантное проектирование среды микросервисной информационной системы. Приведен механизм работы сервиса как услуги для обеспечения работы бизнес-логики серверной составляющей.
Об авторах
В. Н. Гридин
Центр информационных технологий в проектировании РАН
Email: info2@ditc.ras.ru
Российская Федерация, 143003, Московской области, Одинцово, ул. Маршала Бирюзова, 7а
В. И. Анисимов
Центр информационных технологий в проектировании РАН; Санкт-Петербургский государственный электротехнический университет “ЛЭТИ”
Email: info2@ditc.ras.ru
Российская Федерация, 143003, Московской области, Одинцово, ул. Маршала Бирюзова, 7а; Российская Федерация, 197022, Санкт-Петербург, ул. Профессора Попова, 5
С. А. Васильев
Центр информационных технологий в проектировании РАН; Санкт-Петербургский государственный электротехнический университет “ЛЭТИ”
Автор, ответственный за переписку.
Email: info2@ditc.ras.ru
Российская Федерация, 143003, Московской области, Одинцово, ул. Маршала Бирюзова, 7а; Российская Федерация, 197022, Санкт-Петербург, ул. Профессора Попова, 5
Список литературы
- Шитько А.М. // Труды БГТУ. Сер. 3: Физико-математические науки и информатика. 2017. № 9 (200). С. 122.
- Гордина А.Т., Забродин А.В. // Интеллектуальные технологии на транспорте. 2022. № 1(29). С. 39.
- Гордина А.Т., Забродин А.В. // Интеллектуальные технологии на транспорте. 2022. № 1(29). С. 16.
- Анисимов В.И., Дмитревич Г.Д., Ежов С.Н. и др. Автоматизация схемотехнического проектирования на мини-ЭВМ. Л.: Изд-во Ленинград. ун-та, 1983.
- Сигорский В.П., Петренко А.И. Алгоритмы анализа электронных схем. М.: Сов. радио, 1976.
- Ильин В.Н. Основы автоматизации схемотехнического проектирования. М.: Энергия, 1979.
- Чуа Л.О., Лин Пен-Мин. Машинный анализ электронных схем. M.: Энергия, 1980.
- Влах И., Сингхал К. Машинные методы анализа и проектирования электронных схем. М.: Радио и связь, 1988.
- Гридин В.Н., Михайлов В.Б., Шустерман Л.Б. Численно-аналитическое моделирование радиоэлектронных схем. М.: Наука, 2008.
- Тарасик В.П. Математическое моделирование технических систем. Минск: Дизайн ПРО, 2004.





