Electronic Quotation and Optical Sampling of a Photonic Analog to Digital Converter at Rates up to 10 GS/s
- Authors: Dadashev M.S.1, Zemtsov D.S.2, Zlokazov E.Y.2, Nebavskii V.A.2, Osipov V.G.1, Pavlov P.A.1, Romanov A.S.1, Starikov R.S.2, Khafizov I.Z.2
-
Affiliations:
- JSC Scientific and Technical Center Module
- National Research Nuclear University Moscow Engineering Physics Institute MEPhI
- Issue: Vol 68, No 2 (2023)
- Pages: 188-194
- Section: NEW ELECTRONIC SYSTEMS AND ELEMENTS
- URL: https://bakhtiniada.ru/0033-8494/article/view/138119
- DOI: https://doi.org/10.31857/S0033849423020031
- EDN: https://elibrary.ru/LBVFEQ
- ID: 138119
Cite item
Full Text
Abstract
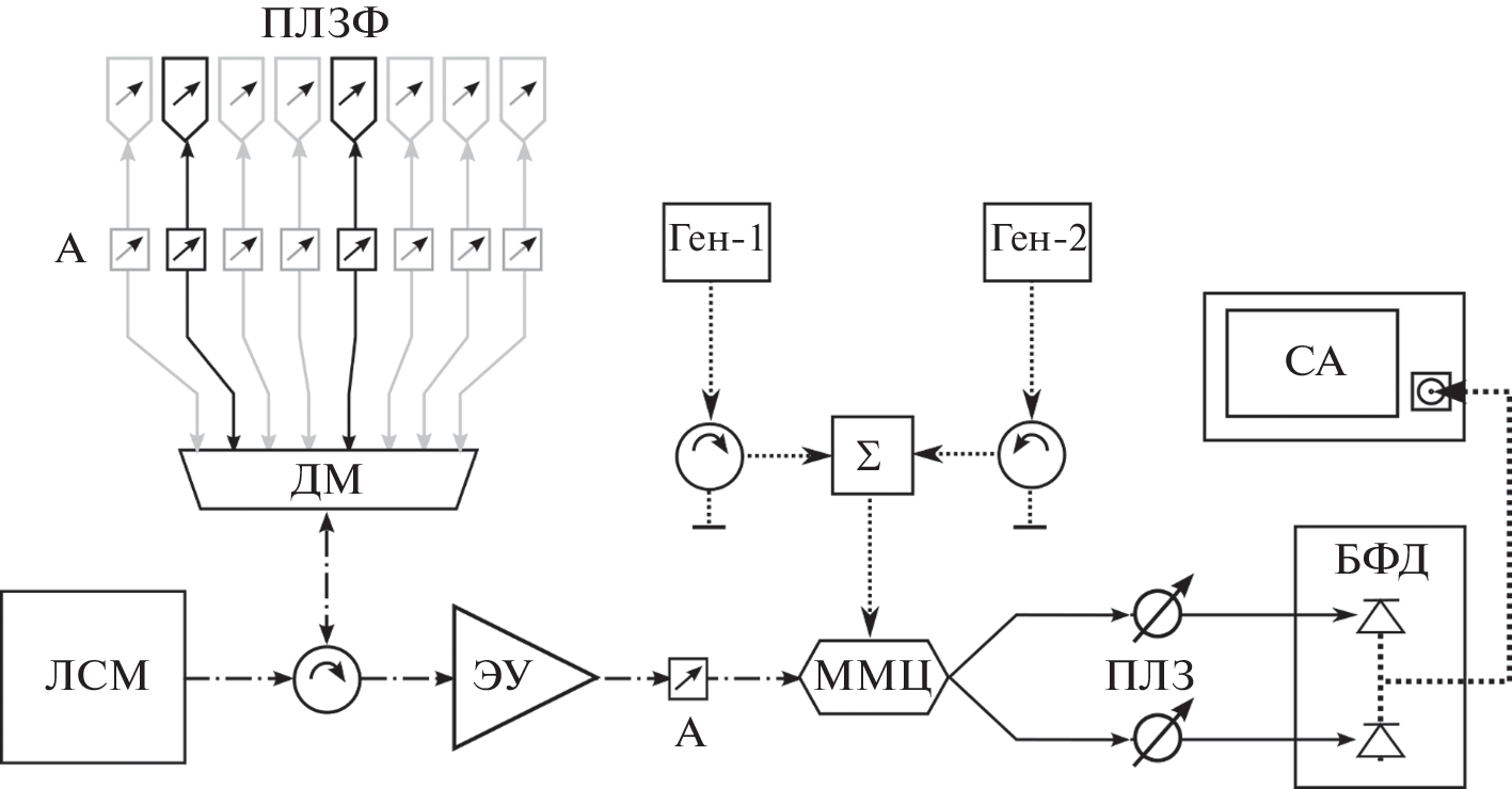
An experimental photonic analog-to-digital converter designed for X-band signal processing is presented. The functioning of the created device in laboratory and field conditions was studied.
About the authors
M. S. Dadashev
JSC Scientific and Technical Center Module
Email: rstarikov@mail.ru
Moscow, 125167 Russia
D. S. Zemtsov
National Research Nuclear University Moscow Engineering Physics Institute MEPhI
Email: rstarikov@mail.ru
Moscow, 115409 Russia
E. Yu. Zlokazov
National Research Nuclear University Moscow Engineering Physics Institute MEPhI
Email: rstarikov@mail.ru
Moscow, 115409 Russia
V. A. Nebavskii
National Research Nuclear University Moscow Engineering Physics Institute MEPhI
Email: rstarikov@mail.ru
Moscow, 115409 Russia
V. G. Osipov
JSC Scientific and Technical Center Module
Email: rstarikov@mail.ru
Moscow, 125167 Russia
P. A. Pavlov
JSC Scientific and Technical Center Module
Email: p.pavlov@module.ru
Moscow, 125167 Russia
A. S. Romanov
JSC Scientific and Technical Center Module
Email: rstarikov@mail.ru
Moscow, 125167 Russia
R. S. Starikov
National Research Nuclear University Moscow Engineering Physics Institute MEPhI
Email: rstarikov@mail.ru
Moscow, 115409 Russia
I. Zh. Khafizov
National Research Nuclear University Moscow Engineering Physics Institute MEPhI
Author for correspondence.
Email: rstarikov@mail.ru
Moscow, 115409 Russia
References
- Valley G. // Opt. Express. 2007. V.15. № 5. P. 1955.
- Стариков Р. // Успехи совр. радиоэлектроники. 2015. № 2. С. 3.
- Starikov R. // Proc. SPIE. 2016. V. 10176. P.1017618.
- Frankel M., Kang J., Esman R. // Electron. Lett. 1997. V. 33. № 25. P. 2096.
- Kang J., Esman R. // Electron. Lett. 1999. V. 35. № 1. P. 60.
- Yariv A., Koumans R. // Electron. Lett. 1998. V. 34. № 21. P. 2012.
- Juodawlkis P., Twichell J., Betts G. et al. // IEEE Trans. 2001. V. MTT-49. № 10. P. 1840.
- Llorente R., Morant M., Puche J. et al. // IEEE Trans. 2010. V. MTT-58. № 11. Pt. 2. P. 3304.
- Khilo A., Spector S., Grein M. et al. // Opt. Express. 2012. V. 20. № 4. P. 4454.
- Ghelfi P., Laghezza F., Scotti F. et al. // Nature. 2014. V. 507. № 7492. P. 341.
- Esman D., Wiberg A., Ali N., Radic S. // J. Lightwave Technol. 2015. V. 33. P. 2256.
- Piqueras M. // Proc. 2015 Int. Topical Meeting on Microwave Photonics (MWP). Paphos. 26–29 Oct. N.Y.: IEEE, 2015. Artcle No. 7356716.
- Yang G., Zou W., Yu L. et al. // Opt. Express. 2016. V. 24. № 21. P. 24061.
- Cruz P., Alves T., Cartaxo A. // Proc. 2018 20th Int. Conf. on Transparent Optical Networks (ICTON). Bucharest, 1–5 Jul. N.Y.: IEEE, 2018. Article No. 8473984.
Supplementary files










