Измерение энергетических параметров инсоляции в условиях наземной эксплуатации фотоэлектрических модулей
- Authors: Никифоров В.Е.1, Барков E.В.1, Никифоров E.В.2
-
Affiliations:
- Институт земного магнетизма, ионосферы и распространения радиоволн им. Н.В. Пушкова Российской академии наук
- aИнститут земного магнетизма, ионосферы и распространения радиоволн им. Н.В. Пушкова Российской академии наук
- Issue: No 6 (2024)
- Pages: 105–109
- Section: ФИЗИЧЕСКИЕ ПРИБОРЫ ДЛЯ ЭКОЛОГИИ, МЕДИЦИНЫ, БИОЛОГИИ
- URL: https://bakhtiniada.ru/0032-8162/article/view/288505
- DOI: https://doi.org/10.31857/S0032816224060139
- EDN: https://elibrary.ru/EKNHGO
- ID: 288505
Cite item
Abstract
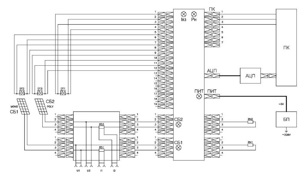
Представлены структура, состав и алгоритм работы измерительно-вычислительного комплекса для измерения энергетических параметров инсоляции (солнечного излучения) в наземных условиях. Комплекс обеспечивает непрерывныe измерения и регистрацию энергетических параметров инсоляции и активности Солнца с использованием в качестве первичных преобразователей коммерческих кремниевых фотоэлектрических модулей монокристаллического и поликристаллического типов. Проводятся измерения в реальном времени напряжений холостого хода, токов короткого замыкания, токов и напряжений в рабочих точках модулей, температуры модулей и окружающей среды. Регистрируемые параметры обрабатываются, строятся вольт-амперные характеристики модулей на основе аналитической модели солнечных батарей, производятся расчеты генерируемых мощности и энергии за требуемый период. Все необходимые измеренные и вычисленные величины отображаются в графическом виде.
Full Text
About the authors
В. Е. Никифоров
Институт земного магнетизма, ионосферы и распространения радиоволн им. Н.В. Пушкова Российской академии наук
Author for correspondence.
Email: nika@izmiran.ru
Russian Federation, 108840, Москва, Троицк, Калужское ш., 4
E. В. Барков
Институт земного магнетизма, ионосферы и распространения радиоволн им. Н.В. Пушкова Российской академии наук
Email: nika@izmiran.ru
Russian Federation, 108840, Москва, Троицк, Калужское ш., 4
E. В. Никифоров
aИнститут земного магнетизма, ионосферы и распространения радиоволн им. Н.В. Пушкова Российской академии наук
Email: nika@izmiran.ru
Russian Federation, 108840, Москва, Троицк, Калужское ш., 4
References
- Привалов В.Д., Никифоров В.Е. Оценка эффективности применения экстремального регулятора в автономных СЭП. Куйбышев: КПтИ, 1983.
- https://solaropt.web.app/
- http://www.rUbIcon-I.rU/Index.php?name = content&op = vIew&Id = 54
Supplementary files





