Защита источников напряжения от токовой перегрузки
- Authors: Сергеев A.И.1
-
Affiliations:
- Уральский федеральный университет им. первого Президента России Б.Н. Ельцина
- Issue: No 6 (2024)
- Pages: 69–71
- Section: ЭЛЕКТРОНИКА И РАДИОТЕХНИКА
- URL: https://bakhtiniada.ru/0032-8162/article/view/288493
- DOI: https://doi.org/10.31857/S0032816224060088
- EDN: https://elibrary.ru/ELDGJY
- ID: 288493
Cite item
Full Text
Abstract
Описан источник напряжения, имеющий защиту мощных выходных транзисторных каскадов от токовой перегрузки. Плавная установка величины максимально допустимого выходного тока позволяет оперативно изменять допустимый ток нагрузки от 6 до 13 А при изменении выходного напряжения от 2.5 до 9.1В с обеспечением запаса по мощности выходного транзистора не менее 35%.
Full Text
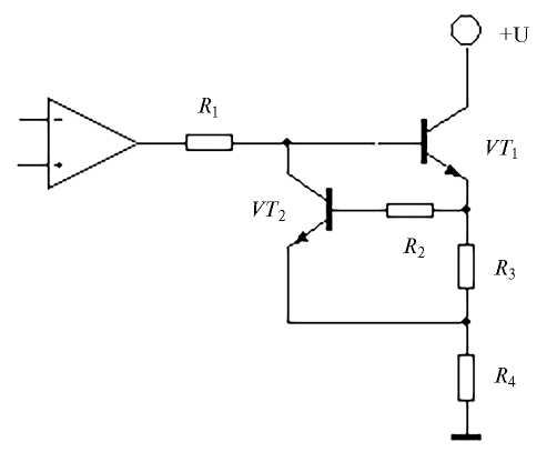
Защита транзисторов мощных выходных каскадов (эмиттерных повторителей) источников напряжения от тока короткого замыкания обычно осуществляется путем принудительного уменьшения напряжения на их базах при превышении эмиттерным током максимально допустимой величины. Классическая реализация ограничения выходного тока с помощью дополнительного транзистора поясняется схемой рис. 1 [1–3].
Рис. 1. Защита транзистора от тока короткого замыкания.
При превышении максимально допустимого эмиттерного тока транзистора T1, протекающего через резистор R3 в нагрузку R4, транзистор Т2 открывается. Напряжение на базе T1 уменьшается. Соответственно, уменьшаются напряжения на эмиттере T1 и на нагрузке. Эмиттерный ток уменьшается. Это решение простое и эффективное, но оно имеет недостаток. Для точного задания величины максимально допустимых выходных токов от нескольких до десятков ампер необходим и точный резистор R3 малой величины — иногда до сотых долей ома, что не всегда доступно. Как правило, с этим и возникает проблема.
Для установки величины максимального допустимого выходного тока можно, разумеется, использовать мощный переменный резистор малой величины, но скользящий контакт переменного резистора не всегда надежен даже при токах в несколько ампер. Кроме того, сведений о мощных переменных резисторах менее 0.5 Ом в интернете не обнаружено.
На рис. 2 показана схема стабилизированного источника постоянного напряжения величиной от 2.5 до 9.1 В, разработанного для использования в составе экспериментального потенциостата. Источник имеет защиту от токовой перегрузки и плавную регулировку максимально допустимого выходного тока от 6 до 13 А.
Рис. 2. Принципиальная электрическая схема источника напряжения.
Элементы схемы рис. 2: стабилитрон VD1 — 2С191Ф; транзисторы: VT1 — КТ3102В, VT2 — 2Т827А, VT3, VT4, VT5 — КТ342Б, VT6 — КТ3107Д; конденсатор C1 — 0.1 мкФ; операционный усилитель (ОУ) — 544УД1А; сопротивления: R1 = 600 Ом, R2 = 4.7 кОм типа ППМЛ, R3 = 3.3 кОм типа СП5-2, R4 = 2 кОм, R5 = 500 Ом; R6 = 3.3 кОм, R7 = 4.7 кОм, R8 = 1.8 кОм, R9 = = 220 Ом типа ППМЛ, R10 = 500 Ом, все постоянные сопротивления типа МЛТ-0.250; переключатели: S1, S2 типа КМ1-1.
Источником первичного питания +15 В служит трансформаторный источник напряжения с параллельным включением трех сетевых трансформаторов ТПП-284-127/220-50.
Мощный транзистор VT2 расположен на радиаторе. Операционный усилитель с повторителем напряжения на транзисторах VT1 и VT2 охвачен цепью с отрицательной обратной связью. Сопротивление обратной связи R5 конструктивно расположено рядом с инвертирующим входом ОУ и введено по причине относительно длинного проводника, соединяющего выход устройства с этим входом.
В качестве сопротивления R11 можно использовать обычный шунт, применяемый для расширения диапазона токов, измеряемых амперметрами. В данном случае использован манганиновый шунт с сопротивлением примерно 0.15 Ом. Принудительное воздушное охлаждение шунта и радиатора для VT2 осуществляется вентилятором.
Опорное напряжение 9.1 В в источнике задается стабилитроном VD1. Регулировка выходного напряжения осуществляется переменным сопротивлением R2. Нижняя граница диапазона достигается регулировкой сопротивления R3. При однополярном питании ОУ DA1 минимальное выходное напряжение устройства может быть не более двух вольт. Напряжение с выхода ОУ DA1 последовательно через составной эмиттерный повторитель на транзисторах VT1 и VT2 и сопротивление R11 поступает в нагрузку R12. Величина сопротивления R11 выбирается примерно такой, чтобы транзистор VT6 открывался при токах нагрузки в интервале от 2 до 5 А.
При увеличении тока через нагрузку R12 растут падение напряжения на сопротивлении R11 и коллекторный ток VT6, также растет падение напряжения на сопротивлении R9, регулировкой величины которого устанавливается точное значение максимально допустимого выходного тока VT2.
При превышении выходного тока заданной величины открывается ключ VT5 и за счет этого стабилитрон VD1 замыкается на землю. Напряжения на неинвертирующем входе DA1, эмиттере VT2 и нагрузке уменьшаются. Кроме того, размыкается ключ VT3, замыкается ключ VT4, и за счет этого напряжение на стабилитроне VD1 поддерживается на уровне не более 0.1 В. Возобновление работы источника осуществляется нажатием кнопки S2. При этом размыкается ключ VT4, и падение напряжения на стабилитроне VD1 восстанавливается до исходной величины 9.1 В.
Оперативное снижение выходного напряжения источника до величины не более 0.1 В без выключения напряжения питания осуществляется нажатием кнопки S1, что приводит к размыканию ключа VT3 и замыканию ключа VT4.
Для регулировки выходного напряжения и максимального выходного тока могут быть использованы любые переменные резисторы. При использовании однооборотного резистора регулировка проводится по механической шкале на передней панели источника либо по показаниям вольтметра, а при использовании многооборотного резистора типа ППМЛ или СП5-44 — по специальному счетчику оборотов, что более предпочтительно. Вольтметр и амперметр, показанные на схеме, использованы для удобства работы.
About the authors
A. И. Сергеев
Уральский федеральный университет им. первого Президента России Б.Н. Ельцина
Author for correspondence.
Email: aistkot@bk.ru
Russian Federation, 620002, Екатеринбург, ул. Мира, 19
References
- Грэм Дж., Тоби Дж, Хьюлсман Л. Проектирование и применение операционных усилителей. Москва: Мир, 1974.
- Титце У., Шенк К. Полупроводниковая схемотехника. Москва: Мир, 1982.
- https://studref.com/432852/tehnika/vyhodnye_kaskady




