Разработка многоканального радиометра на основе кремниевых детекторов для измерения альфа-, бета- и гамма-излучений естественных изотопов
- Authors: Раджапов С.А.1, Нурбоев К.М.2, Муллагалиева Ф.Г.1, Раджапов Б.С.1, Зуфаров М.А.3
-
Affiliations:
- Физико-технический институт НПО “Физика-Солнце” АН РУз
- Навоийское отделение АН РУз
- Институт материаловедения НПО “Физика-Солнце” АН РУз
- Issue: No 1 (2024)
- Pages: 141-145
- Section: ФИЗИЧЕСКИЕ ПРИБОРЫ ДЛЯ ЭКОЛОГИИ, МЕДИЦИНЫ, БИОЛОГИИ
- URL: https://bakhtiniada.ru/0032-8162/article/view/263971
- DOI: https://doi.org/10.31857/S0032816224010193
- EDN: https://elibrary.ru/DZXLOA
- ID: 263971
Cite item
Full Text
Abstract
Приведены результаты разработки универсального радиометрического устройства для измерения активностей альфа-, бета-, гамма-излучений и объемной активности радона в почве, воздухе и воде. Представлены структура многоканального радиометрического устройства с программным обеспечением, схема микроконтроллерного узла с формирователем сигналов, работа электронных узлов. Приводятся данные мониторинга объемной активности альфа-частиц радона и активностей бета- и гамма-излучений в почвенном воздухе. Результаты мониторинга показали зависимость активностей от температуры, влажности и времени суток. Устройство компактное, мобильное, универсальное, может использоваться как стационарно, так и в полевых условиях. Разработанная программа RMI V1.7 позволяет проводить длительный мониторинг в режиме реального времени, все измерения отображаются на мониторе компьютера.
Full Text
1. ВВЕДЕНИЕ
Для экспресс-измерений и мониторинга активностей альфа-, бета-, гамма-излучений в различных средах появилась потребность в создании универсального прибора. Прибор должен быть компактным и безопасным. При работе с радиоактивными изотопами и другими источниками ионизирующей радиации необходимо сведение уровня облучения человека к возможному минимуму. В связи с этим требуются точные приборы, работающие как в счетном, так и спектрометрическом режимах. Разработка таких приборов чрезвычайно важна для исследователей, работающих с радиоактивными веществами, лабораторий по исследованию и оценки радиационной обстановки окружающей среды и некоторых других отраслей экономики [1].
Особую актуальность для многих стран и в том числе для Узбекистана имеет радоновая проблема. Согласно геофизическим и сейсмическим данным на территории столицы Узбекистана имеются многочисленные разрывные нарушения земной коры, являющиеся следствием землетрясений 1966 г. [2, 3] и др.
Эти участки характеризуются повышенным выходом радонового газа. Если газ находится на разломе земной коры, способствующей продвижению радона, то его содержание в помещениях может превышать допустимые уровни. Продукты распада радона излучают α-частицы, которые разрушают живые клетки. Радон вместе со своими дочерними продуктами радиоактивного распада ответственен примерно за 3/4 годовой индивидуальной эффективной эквивалентной дозы облучения, получаемой населением от земных источников радиации. Большую часть этой дозы человек получает от радона, попадающего в его организм вместе с вдыхаемым воздухом, особенно в непроветриваемых помещениях [4].
Гамма- и бета-лучи − одни из наиболее проникающих видов излучений, поэтому при облучении представляют для человека наибольшую опасность [1]. Проблема воздействия радиоактивных излучений на население в основном связывается с использованием ядерного оружия, воздействием на окружающую среду атомных электростанций, внедрением в технику и медицину источников ионизирующих излучений. Таким образом, задача разработки радиоспектрометрического устройства для измерений альфа-, гамма- и бета-излучений является актуальной.
Целью данной работы было создание многоканального универсального измерительного устройства регистрации активности альфа-, бета- и гамма-излучений и объемной активности радона в различных средах на основе кремниевых детекторов больших размеров с использованием современных разработок изготовления детекторов и радиометров.
2. РАЗРАБОТКА РАДИОМЕТРИЧЕСКОГО УСТРОЙСТВА НА ОСНОВЕ КРЕМНИЕВЫХ ДЕТЕКТОРОВ БОЛЬШИХ РАЗМЕРОВ
Разработка технологии изготовления поверхностно-барьерных, гетеропереходных, литий-дрейфовых детекторов больших размеров описана в работах [5−8].
Исследования радиометрических характеристик литий-дрейфовых детекторов показали, что детекторы площадью 20–50 см2 имели энергетическое разрешение порядка 50–90 кэВ по α-частицам 226Ra с энергией Еα ~7.65 МэВ [8].
Поверхностно-барьерные детекторы изготавливались из кремния n-типа, гетеропереходные детекторы Al–α-Ge–p-Si–Au – из кремния р-типа. Удельное сопротивление исходных пластин варьировалось в диапазоне (3–8) кОм·см, время жизни неосновных носителей составляло τ = 300−1000 мкс. Толщина аморфного α-Ge составляла 300 Å. Энергетическое разрешение составляло 86 кэВ по α-частицам 226Ra с энергией Еα ~ 7.65 МэВ при температуре Т = +27 °С [5, 6].
Изготовленные детекторы обеспечивали измерения в 2π-геометрии из-за малых потерь энергии в “мертвом” слое входного и выходного окон [5, 6].
Изготовленные детекторы имели следующие характеристики: диаметр 40–100 мм, толщина чувствительной области W = 0.3–0.5 мм при рабочем напряжении Uраб = 10–80 В, “темновой” ток Iобр = 0.5–2 мкА, емкость С = 1000–1750 пФ, энергетический эквивалент шума Еш = 40–52 кэВ, энергетическое разрешение Rα составляло 86 кэВ при температуре Т = +27 °С [5, 9].
Разработанное устройство на основе кремниевых детекторов обеспечивало возможность проводить мониторинг в течение продолжительного времени в режиме онлайн. Универсальность устройства заключалось в том, что прибор, состоящий из трех радиометров, мог проводить одновременные измерения альфа-, бета- и гамма-излучений в исследуемых пробах или в среде от естественных источников.
Также прибор может использоваться для измерения объемной активности радона в почве, воде и воздухе параллельно. С помощью устройства можно также измерять относительную влажность и температуру [9].
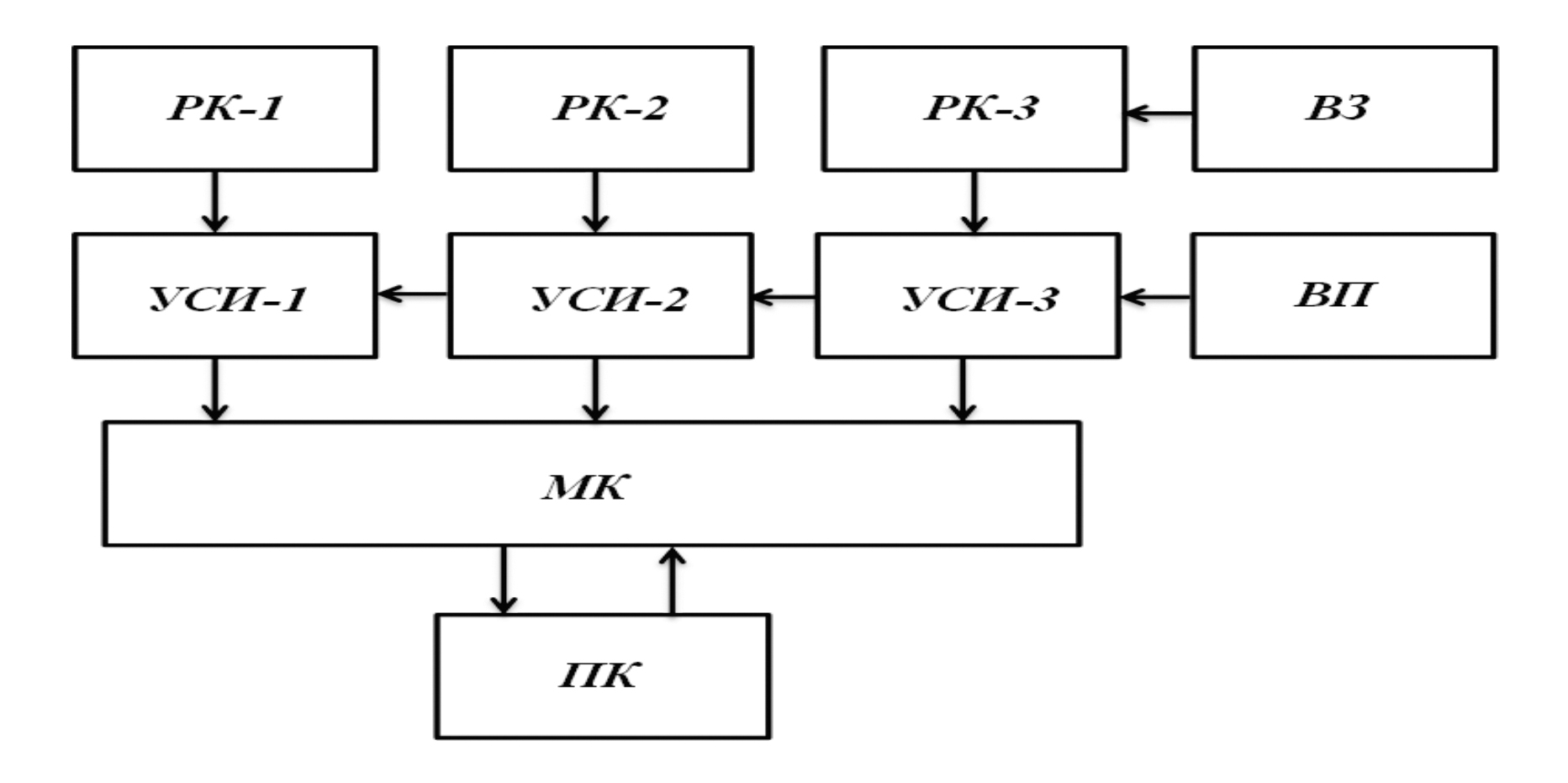
Структурная схема радиометрического устройства приведена на рис. 1.
Рис. 1. Структурная схема радиометрического устройства: РК-1, РК-2, РК-3 – рабочие камеры с альфа-, бета- и гамма-детекторами, УСИ-1, УСИ-2, УСИ-3 – узлы усиления и селекции информации (аналоговая часть), МК – микроконтроллер (цифровая часть), ВП – узел вторичного электропитания, ВЗ – воздухозаборник, ПК – персональный компьютер с установленным программным обеспечением [11].
3. РАБОЧИЕ КАМЕРЫ
Разработанные рабочие камеры представляют собой герметично закрытые цилиндры, в центре которых находятся определенного типа детекторы. Для измерения бета- и гамма-излучений используется “толстый” литий-дрейфовый детектор, для альфа − поверхностно-барьерный или гетеропереходный детектор. Детекторы чувствительны для регистрации излучений с двух сторон [5, 6].
Микроконтроллерный узел обеспечивает работу устройства регистрации.
Работа функциональных узлов описана в работах [6, 8, 10].
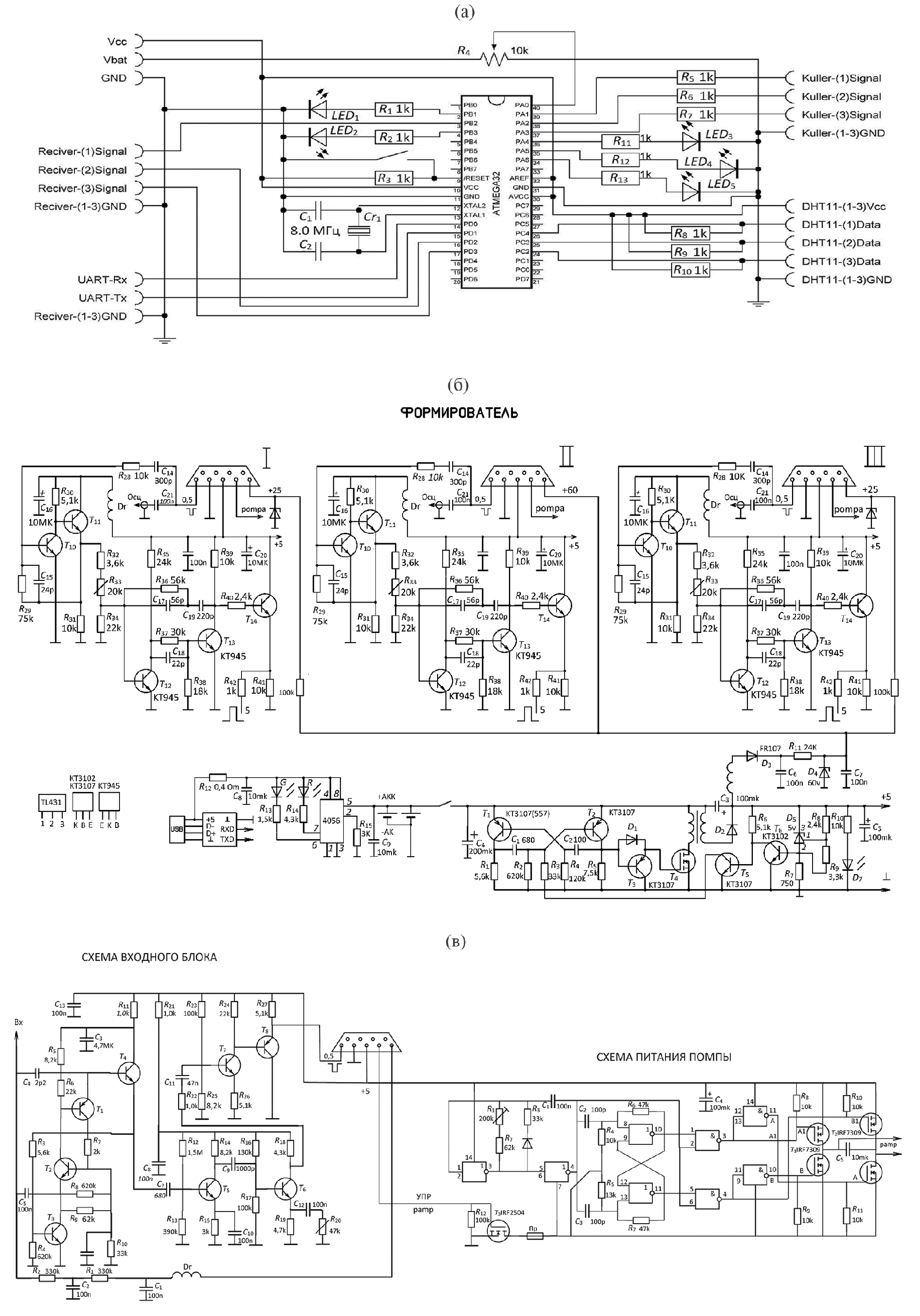
Схемы разработанных узлов, которые используются в данном устройстве и обеспечивают работу по регистрации излучений, изображены на рис. 2.
Рис. 2. Электрические схемы многоканального радиометра: а – схема микроконтроллера; б – схема узлов усиления и селекции информации (I – УСИ-1, II – УСИ-2, III – УСИ-3); в – схема предусилителя и питания воздуходувки.
4. ПРОГРАММНОЕ ОБЕСПЕЧЕНИЕ КОМПЬЮТЕРА
Радиометр подключен к персональному компьютеру. Полученные измерения обрабатываются компьютером с установленной разработанной программой RMI-V1.7 и отображаются на мониторе компьютера в режиме реального времени [11]. Электронные составные части, используемые в радиометре, позволяют эксплуатировать прибор при температурах от -20 ºС до + 35 ºС.
На рис. 3. представлен общий вид радиометрического устройства.
Рис. 3. Радиометрическое устройство для измерения активностей альфа-, бета-, гамма-излучений и объемной активности радона в почве, воздухе, воде одновременно в режиме реального времени.
5. МОНИТОРИНГ АКТИВНОСТЕЙ БЕТА- И ГАММА-ИЗЛУЧЕНИЙ И ОБЪЕМНОЙ АКТИВНОСТИ РАДОНА МНОГОКАНАЛЬНЫМ РАДИОМЕТРОМ
На рис. 4. показаны изменения объемной активности радона и активностей бета- и гамма-излучений в почве за период с 3 марта по 14 июля 2022 г. в режиме реального времени. Измерения проводились на территории одной из областей республики. Исследования показали зависимости объемной активности радона от влажности [8]. Активности бета- и гамма-излучений не показали зависимость от влажности. Наблюдаемое резкое увеличение активности бета-излучения может быть связано с деформационными процессами земной коры данной территории, которая находится, по-видимому, в зоне разлома, поскольку территория республики относится к сейсмоактивной зоне и характеризуется многочисленными трещинами и разломами.
Рис. 4. Изменение объемной активности альфа-частиц радона, активностей бета- и гамма-излучений, влажности и температуры за период
6. ЗАКЛЮЧЕНИЕ
На основе детекторов с большой чувствительной областью и рабочим объемом из кремния было разработано и изготовлено многоканальное радиометрическое устройство, состоящее из трех радиометров. Тип детектора выбирался в зависимости от активности измеряемого излучения. Для измерения активности гамма-излучения использовались литий-дрейфовые детекторы толщиной до 1 мм, для бета-излучения и альфа-частиц поверхностно-барьерные или гетеропереходные до 0.5 мм. Разработанные детекторы из-за малых потерь в нечувствительной области обеспечивают измерения в 2π-геометрии и непосредственно в измеряемой ячейке.
Разработанная компьютерная программа позволила обобщить и обеспечить высокое качество получаемой информации в детекторах об излучениях.
About the authors
С. А. Раджапов
Физико-технический институт НПО “Физика-Солнце” АН РУз
Author for correspondence.
Email: rsafti@mail.ru
Uzbekistan, 100084, Ташкент, ул. Чингиза Айтматова, 2Б
К. М. Нурбоев
Навоийское отделение АН РУз
Email: rsafti@mail.ru
Uzbekistan, 210100, Навои, пос. Галаба, 170
Ф. Г. Муллагалиева
Физико-технический институт НПО “Физика-Солнце” АН РУз
Email: fmullagalieva@mail.ru
Uzbekistan, 100084, Ташкент, ул. Чингиза Айтматова, 2Б
Б. С. Раджапов
Физико-технический институт НПО “Физика-Солнце” АН РУз
Email: rsafti@mail.ru
Uzbekistan, 100084, Ташкент, ул. Чингиза Айтматова, 2Б
М. А. Зуфаров
Институт материаловедения НПО “Физика-Солнце” АН РУз
Email: rsafti@mail.ru
Uzbekistan, 111310, Ташкентская обл., Паркентский р-н, пос. Куёш
References
- Муминов Р.А., Раджапов С.А., Тошмуродов Ё.К., Раджапов Б.С. // Computational Nanotechnology. 2017. № 3. С. 27.
- Ташкентское землетрясение 26 апреля 1966 г. Ташкент: ФАН, 1971. С. 672.
- Яфасов А.А., Яфасов А.Я. // Экологические вести. 2000. № 4. С. 47.
- Радиологическая защита от облучения радоном. Публикация 126 МКРЗ. М.: Изд. ФГБУ ГНЦ ФМБЦ им. А.И. Бурназяна ФМБА, 2015.
- Раджапов С.А., Раджапов Б.С., Рахимов Р.Х. // Computational Nanotechnology. 2018. № 1. С. 151. https://www.elibrary.ru/title_about_new.asp?id=50989
- Muminov R.A., Radzhapov S.A., Mullagalieva F.A., Radzhapov B.S., Zufarov M.A., Nurboev K.M., Akhmedov G.M. // Instruments Experim. Techniq. 2021. V. 64. № 3. Р. 444. https://doi.org/10.1134/S0020441221030222
- Muminov R.A., Radzhapov S.A., Mullagalieva F.G., Radzhapov B.S., Zufarov M.A. // Atomic Energy. 2022. V. 131. С. 354. https://doi.org/10.1007/s10512-022-00892-2
- Раджапов С.А., Нурбоев К.М., Муллагалиева Ф.Г., Зуфаров М.А., Раджапов Б.С., Эргашев К.Э // Computatonal nanotechnology. 2022. V. 9. № 3. P. 45. https://doi.org/10.33693/2313-223X-2022-9-3-45-52
- Раджапов С.А., Рахимов Р.Х., Раджапов Б.С., Зуфаров М.А., Шарифов Ш.Ф. // Computational Nanotechnology. 2019. № 1. P. 65.
- Муминов Р.А., Раджапов С.А., Лутпуллаев С.Л., Пиндюрин Ю.С, Хусамидинов С.С., Юткин С.В. Патент РУз № IАР 04882. http://baza.ima.uz/
- Раджапов Б.С., Эргашев К. Свидетельство на программные продукты РУз № DGU 20180983 от 18.10.2022. http://baza.ima.uz/
Supplementary files






