A Closed Contactless Method for Investigation of Thermophysical Properties of Metals and Alloys in the Temperature Range of 1000–2500 K
- Authors: Rumyantsev A.V.1, Pyatykh I.N.2
-
Affiliations:
- Immanuel Kant Baltic Federal University
- Immanuil Kant Baltic Federal University
- Issue: No 6 (2023)
- Pages: 203-211
- Section: ЛАБОРАТОРНАЯ ТЕХНИКА
- URL: https://bakhtiniada.ru/0032-8162/article/view/233281
- DOI: https://doi.org/10.31857/S0032816223040055
- EDN: https://elibrary.ru/SUMLUE
- ID: 233281
Cite item
Full Text
Abstract
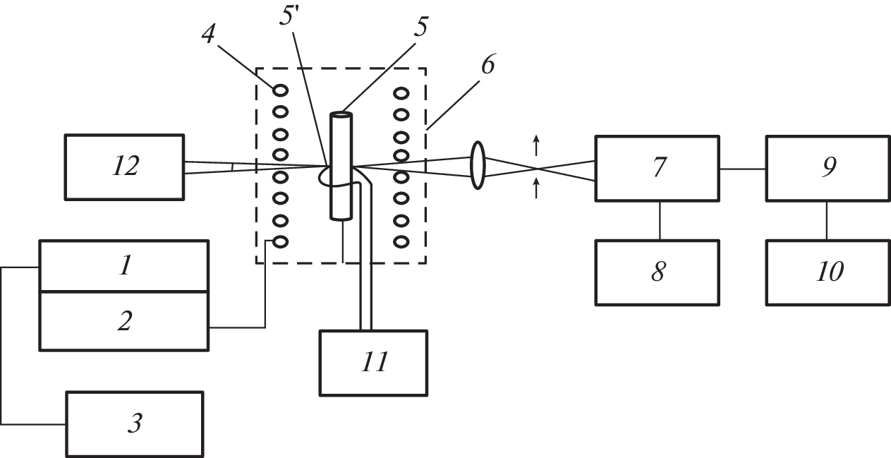
A closed noncontact method of converging radial temperature waves generated by high-frequency induction modulated heating of a cylindrical sample, which is intended to study the thermophysical properties of metals and alloys at high temperatures, and an experimental setup for its implementation based on modern equipment are described. According to the experiment, the thermophysical parameters are determined with the following errors: 2% for the thermal diffusivity, 3% for the heat capacity, 5% for the thermal conductivity, 1.4% for the electrical resistivity, and 2% for the power. The following quantities were then calculated: the density, coefficient of volumetric thermal expansion, electron and lattice thermal conductivities, volumetric heat capacity, heat absorption coefficient, monochromatic and integral degrees of blackness, enthalpy, entropy, and Gibbs energy. When studying a substitution alloy and an interstitial alloy, the advantages of the closed method are shown on a specific example.
About the authors
A. V. Rumyantsev
Immanuel Kant Baltic Federal University
Email: albert37@list.ru
236041, Kaliningrad, Russia
I. N. Pyatykh
Immanuil Kant Baltic Federal University
Author for correspondence.
Email: albert37@list.ru
236041, Kaliningrad, Russia
References
- Ивлиев А.Д. // ТВТ. 2009. Т. 47. № 5. С. 771.
- Филиппов Л.П. Измерения теплофизических свойств веществ методом периодического нагрева. М.: Энергоатомиздат, 1984.
- Макаренко И.Н. Дисс. канд. физ.-мат. наук. М.: МГУ, 1970.
- Арутюнов А.В. Дисс. канд. физ.-мат. наук. М.: МГУ, 1970.
- Аталла С.Р. Автореферат дисс. канд. физ.-мат. наук. М.: МГУ, 1971.
- Румянцев А.В., Никишин М.А., Харюков В.Г. // ПТЭ. 2019. № 3. С. 143. https://doi.org/10.1134/S0032816219030091
- Андрианова В.Г., Жук А.З., Зайченко В.Н., Зарецкий Е.Б., Петухов В.А., Чеховcкой В.Я. // ТВТ. 1983. Т. 21. В. 1. С. 80.
Supplementary files







