Investigation into Operation of an Optical Sensor for Registering Parameters of High-Speed Dust Particles
- Authors: Kalaev M.P.1, Rodina A.V.1, Telegin A.M.1, Ismagilova E.V.1
-
Affiliations:
- Korolev Samara National Research University (Samara University)
- Issue: No 6 (2023)
- Pages: 142-149
- Section: ФИЗИЧЕСКИЕ ПРИБОРЫ ДЛЯ ЭКОЛОГИИ, МЕДИЦИНЫ, БИОЛОГИИ
- URL: https://bakhtiniada.ru/0032-8162/article/view/233272
- DOI: https://doi.org/10.31857/S0032816223060022
- EDN: https://elibrary.ru/XVAHTB
- ID: 233272
Cite item
Full Text
Abstract
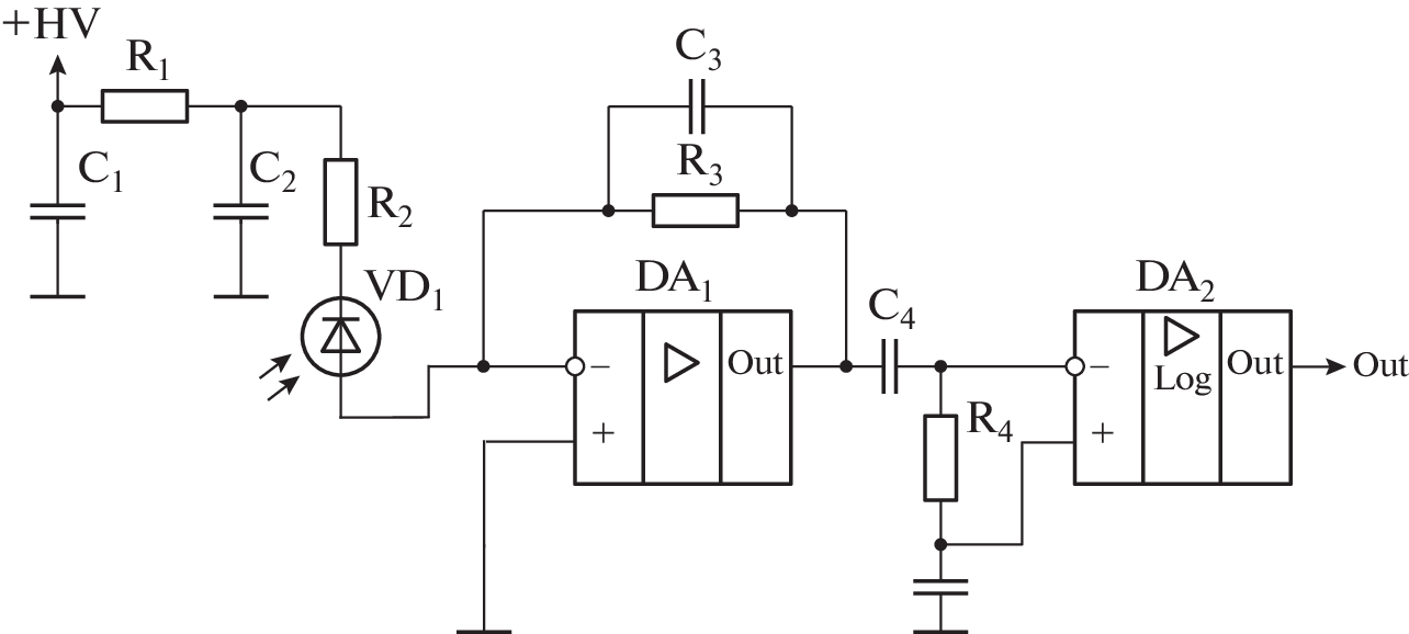
A sensor of micrometeoroids and space debris particles based on the detection of reflected and scattered laser radiation, when a particle passes through an optical barrier, is described. A design of the primary transducer of the sensor is proposed, a theoretical analysis of its resolution is performed, and its circuit implementation is described. The ray tracing method
About the authors
M. P. Kalaev
Korolev Samara National Research University (Samara University)
Email: talex85@mail.ru
443086, Samara, Russia
A. V. Rodina
Korolev Samara National Research University (Samara University)
Email: talex85@mail.ru
443086, Samara, Russia
A. M. Telegin
Korolev Samara National Research University (Samara University)
Email: talex85@mail.ru
443086, Samara, Russia
E. V. Ismagilova
Korolev Samara National Research University (Samara University)
Author for correspondence.
Email: talex85@mail.ru
443086, Samara, Russia
References
- Воронов К.Е., Григорьев Д.П., Телегин А.М. // Успехи прикладной физики. 2021. V. 9. № 3. P. 245. https://doi.org/10.51368/2307-4469-2021-9-3-245-265
- Kalaev M.P., Telegin A.M., Voronov K.E., Lixiang J., Jilong J. // Computer Opt. 2019. V. 43. Iss. 5. P. 803. https://doi.org/10.18287/2412-6179-2019-43-5-803-809
- Auer S., Grün E., Srama R., Kemp S., Auera R. // Planetary and Space Science. 2002. V. 50. P. 773. https://doi.org/10.1016/S0032-0633(02)00019-3
- José M. Sánchez-Pena, Marcos C., María Y. Fernández, Zaera R. // Opt. Engineering. 2007. V. 46. Iss. 5. Art. № 051014. https://doi.org/10.1117/1.2740771
- Glasse B., Zerwas A., Guardani R., Fritsching U. // Meas. Sci. Technol. 2014. V. 25. Art. № 035205. https://doi.org/10.1088/0957-0233/25/3/035205
- Bohren C.F., Huffman D.R. Absorption and Scattering of Light by Small Particles. New York: John Wiley & Sons, 1983. P. 533. (Борен К., Хафмен Д. Поглощение и рассеяние света малыми частицами / Пер. с англ. М.: Мир, 1986. P. 664.)
- Van de Hulst H.C. Light Scattering by Small Particles. London: John Wiley and Sons, Inc.; Chapman and Hall, Ltd., 1957. (Ван де Хюлст. Г. Рассеяние света малыми частицами, М.: Издательство иностранной литературы, 1961.)
- Сапронов М.В., Скорнякова Н.М. Труды Международной конференции по компьютерной графике и зрению “Графикон”. 2019. P. 99.
- Deirmendjian D. Electromagnetic scattering on spherical polydispersions. New York: American Elsevier publishing company, Inc., 1969. P. 318. (Дейрменджан Д. Рассеяние электромагнитного излучения сферическими полидисперсными частицами / Пер. с англ. под ред. К.Н. Кондратьева. М.: Мир, 1971. С. 165.)
- Weiner M. Rust, Donnelly T.D. // Am. J. Phys. 2001. V. 69. Iss. 2. P. 129. https://doi.org/10.1119/1.1311785
- Peltoniemi J., Zubko N., Virkki A., Gritsevich M., Moilanen J., Roulet J., Nguyen D., Mitev V., Putzar R., Watson E., Schimmerohn M., Penttila A., Muinonen K., Millinger M. // Adv. Space Research. 2022. V. 70. P. 2961. https://doi.org/10.1016/j.asr.2022.09.022
- Телегин А.М., Пияков А.В. // ПТЭ. 2017. № 6. P. 101. https://doi.org/10.1134/S0020441217060100
Supplementary files












