Calibration Beam of Low-Energy Secondary Electrons at the Pakhra Accelerator of the Lebedev Physical Institute
- Authors: Alekseev V.I.1, Sidorin S.S.1, Polyanskiy V.V.1, Koltsov A.V1, L’vov A.I.1, Dronov V.A.1, Galper A.M.2, Vlasik K.F.2, Batischev A.G.2, Baskov V.A.1, Arkhangelskiy A.I.2, Uteshev Z.M.2
-
Affiliations:
- Lebedev Physical Institute (LPI), Russian Academy of Sciences
- National Research Nuclear University MEPhI (Moscow Engineering Physics Institute)
- Issue: No 6 (2023)
- Pages: 59-68
- Section: ОБЩАЯ ЭКСПЕРИМЕНТАЛЬНАЯ ТЕХНИКА
- URL: https://bakhtiniada.ru/0032-8162/article/view/233262
- DOI: https://doi.org/10.31857/S0032816223040109
- EDN: https://elibrary.ru/RAYJCY
- ID: 233262
Cite item
Full Text
Abstract
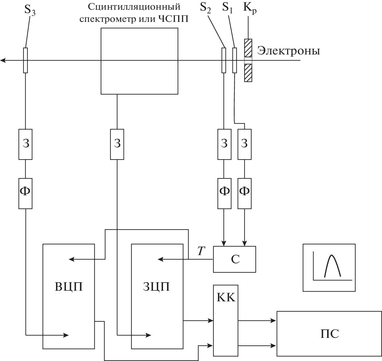
The characteristics of the calibration beam of secondary electrons at the Pakhra accelerator based on the SP-3 magnet at the Lebedev Physical Institute are presented. The energy resolution of a beam with a 2-mm-thick copper converter in the electron energy range E = 5–100 MeV is δ ≈ 10%.
About the authors
V. I. Alekseev
Lebedev Physical Institute (LPI), Russian Academy of Sciences
Email: baskov@x4u.lebedev.ru
119991, Moscow, Russia
S. S. Sidorin
Lebedev Physical Institute (LPI), Russian Academy of Sciences
Email: baskov@x4u.lebedev.ru
119991, Moscow, Russia
V. V. Polyanskiy
Lebedev Physical Institute (LPI), Russian Academy of Sciences
Email: baskov@x4u.lebedev.ru
119991, Moscow, Russia
A. V Koltsov
Lebedev Physical Institute (LPI), Russian Academy of Sciences
Email: baskov@x4u.lebedev.ru
119991, Moscow, Russia
A. I. L’vov
Lebedev Physical Institute (LPI), Russian Academy of Sciences
Email: baskov@x4u.lebedev.ru
119991, Moscow, Russia
V. A. Dronov
Lebedev Physical Institute (LPI), Russian Academy of Sciences
Email: baskov@x4u.lebedev.ru
119991, Moscow, Russia
A. M. Galper
National Research Nuclear University MEPhI (Moscow Engineering Physics Institute)
Email: baskov@x4u.lebedev.ru
115409, Moscow, Russia
K. F. Vlasik
National Research Nuclear University MEPhI (Moscow Engineering Physics Institute)
Email: baskov@x4u.lebedev.ru
115409, Moscow, Russia
A. G. Batischev
National Research Nuclear University MEPhI (Moscow Engineering Physics Institute)
Email: baskov@x4u.lebedev.ru
115409, Moscow, Russia
V. A. Baskov
Lebedev Physical Institute (LPI), Russian Academy of Sciences
Email: baskov@x4u.lebedev.ru
119991, Moscow, Russia
A. I. Arkhangelskiy
National Research Nuclear University MEPhI (Moscow Engineering Physics Institute)
Email: baskov@x4u.lebedev.ru
115409, Moscow, Russia
Z. M. Uteshev
National Research Nuclear University MEPhI (Moscow Engineering Physics Institute)
Author for correspondence.
Email: baskov@x4u.lebedev.ru
115409, Moscow, Russia
References
- Leonov A.A., Galper A.M., Topchiev N.P., Bakaldin A.V., Kheimits M.D., Mikhailova A.V., Mikhailov V.V., Suchkov S.I. // Physics of Atomic Nuclei. 2019. V. 82. № 6. P. 855. https://doi.org/10.1134/S1063778819660359
- Басков В.А., Булычов С.А., Кречетов Ю.Ф., Куликов В.В., Мартемьянов М.А., Мамонов И.А., Семенов А.Ю., Семенова И.А., Тяпкин И.А. // Физика элементарных частиц и атомного ядра. 2021. Т. 52. № 4. С. 929. https://doi.org/10.1134/S1063779621040110
- Алексеев В.И., Басков В.А., Дронов В.А., Львов А.И., Кречетов Ю.Ф., Малиновский Е.И., Павлюченко Л.Н., Полянский В.В., Сидорин С.С. // ПТЭ. 2019. № 2. С. 1. https://doi.org/10.1134/S0032816219020162
- Алексеев В.И., Басков В.А., Дронов В.А., Львов А.И., Мамонов И.А., Полянский В.В., Сидорин С.С. // Ядерная физика и инжиниринг. 2020. Т. 11. № 5. С. 278. https://doi.org/10.1134/s2079562920040016
- Алексеев В.И., Басков В.А., Варфоломеева Е.А., Дронов В.А., Львов А.И., Кольцов А.В., Кречетов Ю.Ф., Полянский В.В., Сидорин С.С. // ПТЭ. 2022. № 4. С. 36. https://doi.org/10.31857/S0032816222040152
- Алексеев В.И., Басков В.А., Дронов В.А., Львов А.И., Кречетов Ю.Ф., Полянский В.В., Сидорин С.С. // ПТЭ. 2020. № 6. С. 11. https://doi.org/10.31857/S0032816220060014
- Алексеев В.И., Басков В.А., Дронов В.А., Львов А.И., Кречетов Ю.Ф., Малиновский Е.И., Полянский В.В. // КСФ. 2019. № 9. С. 31. https://doi.org/10.3103/S1068335619090057
- Групен К. Детекторы элементарных частиц. Новосибирск: “Сибирский хронограф”, 1999.
Supplementary files













