A Facility for Studying Gas Mixtures for a Three-Cascade Gas Electron Multiplier
- Authors: Galavanov A.V.1, Kumpan A.V.1, Salakhutdinov G.K.1, Sosnovtsev V.V1, Shakirov A.V.1
-
Affiliations:
- National Research Nuclear University MEPhI (Moscow Engineering Physics Institute)
- Issue: No 6 (2023)
- Pages: 5-9
- Section: ТЕХНИКА ЯДЕРНОГО ЭКСПЕРИМЕНТА
- URL: https://bakhtiniada.ru/0032-8162/article/view/233253
- DOI: https://doi.org/10.31857/S0032816223040018
- EDN: https://elibrary.ru/SUIRBS
- ID: 233253
Cite item
Full Text
Abstract
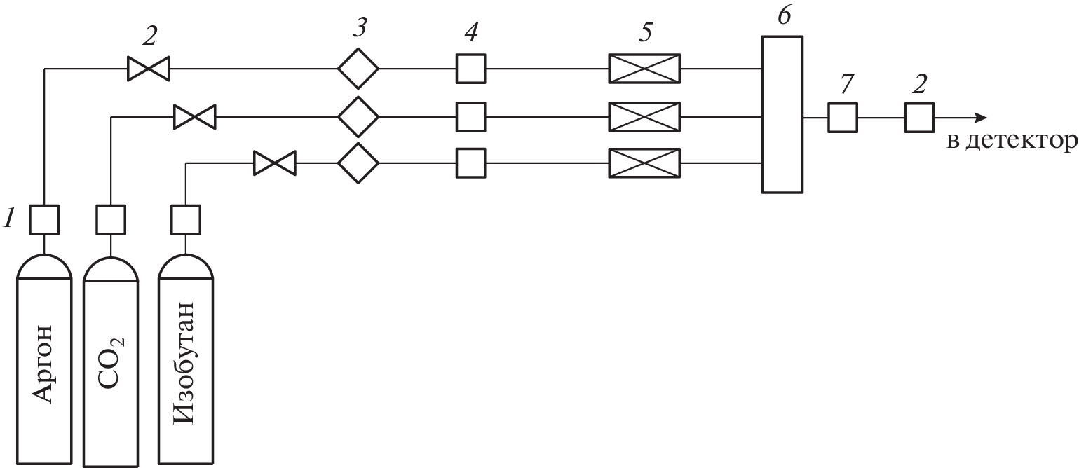
An experimental facility has been developed by MEPhI to study the spectrometric characteristics of gas mixtures for cascade gas electron multipliers (GEMs), which are widely used in modern tracking, Cherenkov, and synchrotron-radiation detectors designed for high-energy physics experiments. The characteristics of the gas mixture for the GEMs used in the BM@N international experiment (Joint Institute for Nuclear Research, Dubna) have been investigated. The applicability of this facility for laboratory works accompanying the Nuclear Physics and Technology master’s courses is noted.
About the authors
A. V. Galavanov
National Research Nuclear University MEPhI (Moscow Engineering Physics Institute)
Email: aibolozdynya@mephi.ru
115409, Moscow, Russia
A. V. Kumpan
National Research Nuclear University MEPhI (Moscow Engineering Physics Institute)
Email: VVSosnovtsev@mephi.ru
115409, Moscow, Russia
G. Kh. Salakhutdinov
National Research Nuclear University MEPhI (Moscow Engineering Physics Institute)
Email: VVSosnovtsev@mephi.ru
115409, Moscow, Russia
V. V Sosnovtsev
National Research Nuclear University MEPhI (Moscow Engineering Physics Institute)
Email: VVSosnovtsev@mephi.ru
115409, Moscow, Russia
A. V. Shakirov
National Research Nuclear University MEPhI (Moscow Engineering Physics Institute)
Author for correspondence.
Email: VVSosnovtsev@mephi.ru
115409, Moscow, Russia
References
- Sauli F. // Nucl. Instrum. and Methods A. 2016. V. 805. P. 2. https://doi.org/10.1016/j.nima.2015.07.060
- Bernhard J., Banerjee D., Montbarbon E., Brugger M., Charitonidis N., Cholak S., Luigi G., D’Alessandro, Gatignon L., Gerbershagen A., Rae B. // arXiv:1911.01498v1 [hep-ex] 4 Nov 2019.
- CMS Collaboration. Report CERN-LHCC-2015-012. 2015.
- The CMS and TOTEM Collaborations. Report CERN-PH-EP/2014-063 2014/11/06.
- Баранов А.Г., Басков В.А., Василенко В.К., Герасимов Д.П., Губер Ф.Ф., Дронов В.А., Ивашкин А.П., Известный А.В., Карпушкин Н.М., Львов А.И., Морозов С.В., Полянский В.В., Салахутдинов Г.Х. // ПТЭ. 2022. № 1. С. 58. https://doi.org/10.31857/S0032816222010025
- Bondar A., Buzulutskov A., Grebenuk A., Pavlyuchenko D., Snopkov R., Tikhonov Y. // Nucl. Instrum. and Methods A. 2006. V. 556. P. 273. https://doi.org/10.1016/j.nima.2005.10.102
- Murtas F. // JINST. 2014. V. 9. C01058.
- AMPTEK INC. // www.amptec.com (2019)
Supplementary files










