Study of Sensitivity Distribution Along the Contour of a Fiber-Optic Sensor Based on a Sagnac Interferometer
- Authors: Gritsenko T.V.1, Dyakova N.V.1, Zhirnov A.A.1, Stepanov K.V.1, Khan R.I.1, Koshelev K.I.1, Pnev A.B.1, Karasik V.E.1
-
Affiliations:
- Bauman Moscow State Technical University
- Issue: No 5 (2023)
- Pages: 84-91
- Section: ОБЩАЯ ЭКСПЕРИМЕНТАЛЬНАЯ ТЕХНИКА
- URL: https://bakhtiniada.ru/0032-8162/article/view/138484
- DOI: https://doi.org/10.31857/S0032816223050105
- EDN: https://elibrary.ru/ZJPJJP
- ID: 138484
Cite item
Full Text
Abstract
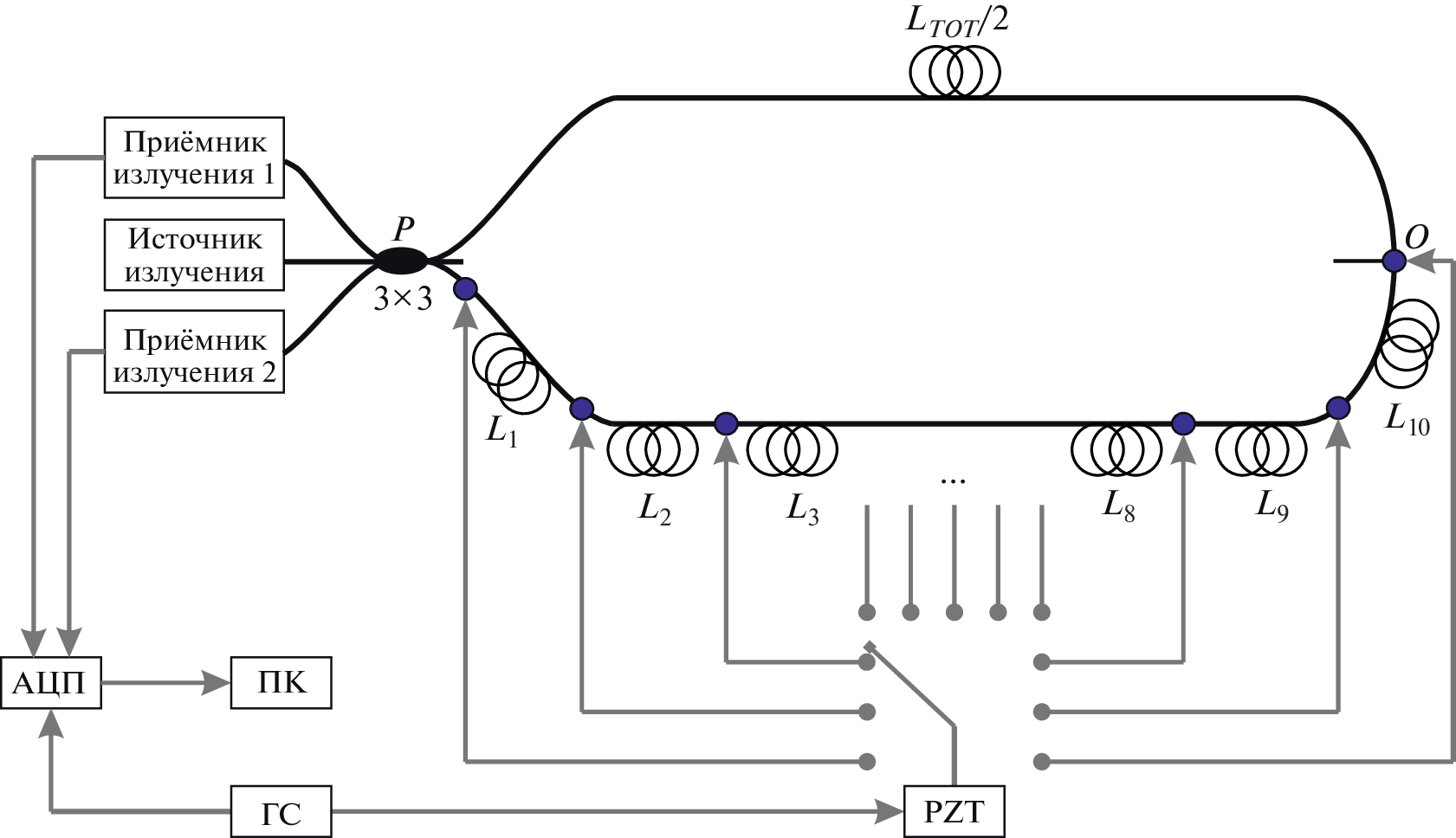
The sensitivity of the Sagnac interferometer for various acoustic influence coordinates was studied. The principles of the formation of a dead zone in an acoustic distributed fiber-optic sensor based on the Sagnac interferometer have been obtained and experimentally confirmed. The response of the interferometer was studied for different types of acoustic impact on the circuit: in the form of a rectangular pulse, sinusoidal, and in the form of a periodic triangular function. The nature of the change in the phase difference at the output of the Sagnac interferometer for each of them was studied. With the found value of the typical frequency ft,hit=10.8 kHz and a loop length of 20 km, numerical simulation and experimental study of the amplitude of the phase difference under acoustic impact through each 1 km of the loop in the range from 0 to 10 km were carried out. A dead zone elimination method is proposed for integrating the Sagnac interferometer into a complex monitoring system using a phase-sensitive optical time domain reflectometer.
About the authors
T. V. Gritsenko
Bauman Moscow State Technical University
Email: chobantv@yandex.ru
105005, Moscow, Russia
N. V. Dyakova
Bauman Moscow State Technical University
Email: chobantv@yandex.ru
105005, Moscow, Russia
A. A. Zhirnov
Bauman Moscow State Technical University
Email: chobantv@yandex.ru
105005, Moscow, Russia
K. V. Stepanov
Bauman Moscow State Technical University
Email: chobantv@yandex.ru
105005, Moscow, Russia
R. I. Khan
Bauman Moscow State Technical University
Email: chobantv@yandex.ru
105005, Moscow, Russia
K. I. Koshelev
Bauman Moscow State Technical University
Email: chobantv@yandex.ru
105005, Moscow, Russia
A. B. Pnev
Bauman Moscow State Technical University
Email: chobantv@yandex.ru
105005, Moscow, Russia
V. E. Karasik
Bauman Moscow State Technical University
Author for correspondence.
Email: chobantv@yandex.ru
105005, Moscow, Russia
References
- Gorshkov B.G., Yüksel K., Fotiadi A.A., Wuilpart M., Korobko D.A., Zhirnov A.A., Stepanov K.V., Turov A.T., Konstantinov Y.A., Lobach I.A. // Sensors. 2022. V. 22 (3). P. 1033. https://doi.org/10.3390/s22031033
- Zhirnov A.A., Stepanov K.V., Sazonkin S.G., Choban T.V., Koshelev K.I., Chernutsky A.O., Pnev A.B., Novikov A.O., Yagodnikov D.A. // Sensors. 2021. V. 21 (23). P. 7836. https://doi.org/10.3390/s21237836
- Choban T.V., Zhirnov A.A., Chernutsky A.O., Stepanov K.V., Pniov A.B., Galzerano G., Karasik V.E., Svelto C.J. // Phys. Conf. Ser. 2019. V. 1410 (1). P. 012108. https://doi.org/10.1088/1742-6596/1410/1/012108
- Peng F., Wu H., Jia X.-H., Rao Y.-J., Wang Z.-N., Peng Z.-P. // Opt. Express, 2014. V. 22 (11). P. 13804. https://doi.org/10.1364/OE.22.013804
- Stepanov K.V., Zhirnov A.A., Chernutsky A.O., Koshel-ev K.I., Pnev A.B., Lopunov A.I., Butov O.V. // Sensors, 2020. V. 20. P. 6431. https://doi.org/10.3390/s20226431
- Stepanov K.V., Zhirnov A.A., Chernutsky A.O., Choban T.V., Pnev A.B., Lopunov A.I., Butov O.V. // IEEE Proc. of International Conference Laser Optics 2020. P. 1. https://doi.org/10.1109/ICLO48556.2020.9285505
- Pi S., Wang B., Zhao J., Hong G., Zhao D., Jia B. // Proc. of Interferometry XVII: Techniques and Analysis. 2014. V. 9203. https://doi.org/10.1117/12.2059925
- Liu K., Jin X., Jiang J., Xu T., Ding Z., Huang Y., Sun Z., Xue K., Li S., Liu T. // IEEE Sens. J. 2022. V. 22. P. 21428. https://doi.org/10.1109/JSEN.2022.3213036
- Zhirnov A.A., Choban T.V., StePanov K.V., Koshelev K.I., Chernutsky A.O., Pnev A.B., Karasik V.E. // Sensors. 2022. V. 22(7). P. 2772. https://doi.org/10.3390/s22072772
- Spammer J., Swart L., Chtcherbakov A., Lightwave J. // Technol, 1997. V. 15 (6). P. 972. https://doi.org/10.1109/50.588669
- Choban T.V., Zhirnov A.A., Tolstoguzov V.L., Tikhomir-ov S.V., Pnev A.B., Karasik V.E., Svelto C. // IEEE Proc. of International Conference Laser Optics 2020. P. 1. https://doi.org/10.1109/ICLO48556.2020.9285542.
- Huang J., Chen Y., Peng H., Zhou P., Song Q., Huang P., Xiao Q., Jia B. // Opt. Commun. 2021. V. 57 (2). P. 027104. https://doi.org/10.1016/j.optcom.2020.126420
- Choban T.V., Zhirnov A.A., Stepanov K.V., Khan R.I., Pniov A.B., Svelto C., Lopunov A.I., Butov O.V. // IEEE Proc. of International Conference Laser Optics. 2022. P. 1. https://doi.org/10.1109/ICLO54117.2022.9839786
- Shimizu T., Nakajima K., Shiraki K., Ieda K., Sankawa I. // Opt. Fiber Technol. 2008. V. 14. P. 10. https://doi.org/10.1016/j.yofte.2007.04.004
- Krakenes K., Blotekjaer K. // Opt. Lett. 1989. V. 14 (20). P. 1152. https://doi.org/10.1364/OL.14.001152
- Zhang G., Xi C., Liang Y., Zuo H. // IEEE Xplore Proc. of Cross Strait Quad-Regional Radio Science and Wireless Technology Conf. 2011. V. 2. P. 1598. https://doi.org/10.1109/CSQRWC.2011.6037279
- Teng F., Yi D., Hong X., Li X. // Opt. Express. 2021. V. 29 (9). P. 13696. https://doi.org/10.1364/OE.421569
- Ma P., Liu K., Sun Z., Jiang J., Wang S., Xu T., Xu Z., Liu T. // Opt. Lasers Eng. 2020. V. 129. P. 106060. https://doi.org/10.1016/j.optlaseng.2020.106060
- Kondrat M., Szustakowski M., Patka N., Ciurapinski W., Zyczkowski M. // Opto-Electron. Rev. 2007. V. 15 (3). P. 127. https://doi.org/10.2478/s11772-007-0012-x
- Mangmeng C., Ali M., Gilberto B. // Opt. Express. 2019. V. 27 (7). P. 9684. https://doi.org/10.1364/OE.27.009684
- Wang B., Yu X., Wu H., Zhang J., Meng X. // Opt. Commun. 2017. V. 382. P. 272. https://doi.org/10.1016/j.optcom.2016.07.022
- McAulay A., Wang J. // Proc. of Enabling Photonic Technologies for Aerospace Applications VI. 2004. V. 5435. https://doi.org/10.1117/12.542834
Supplementary files






