ОСОБЕННОСТИ ПОСТРОЕНИЯ УСИЛИТЕЛЕЙ СИГНАЛА РАСКАЧКИ ПЬЕЗОИЗЛУЧАТЕЛЯ ДЛЯ ЛАБОРАТОРНОГО ГИДРОАКУСТИЧЕСКОГО ИССЛЕДОВАТЕЛЬСКОГО КОМПЛЕКСА
- Авторы: Широков В.А.1, Галузин А.С.1, Милич В.Н.1
-
Учреждения:
- Удмуртский федеральный исследовательский центр УрО РАН
- Выпуск: № 4 (2023)
- Страницы: 62-69
- Раздел: ЭЛЕКТРОНИКА И РАДИОТЕХНИКА
- URL: https://bakhtiniada.ru/0032-8162/article/view/138423
- DOI: https://doi.org/10.31857/S0032816223030126
- EDN: https://elibrary.ru/ISRRXU
- ID: 138423
Цитировать
Полный текст
Аннотация
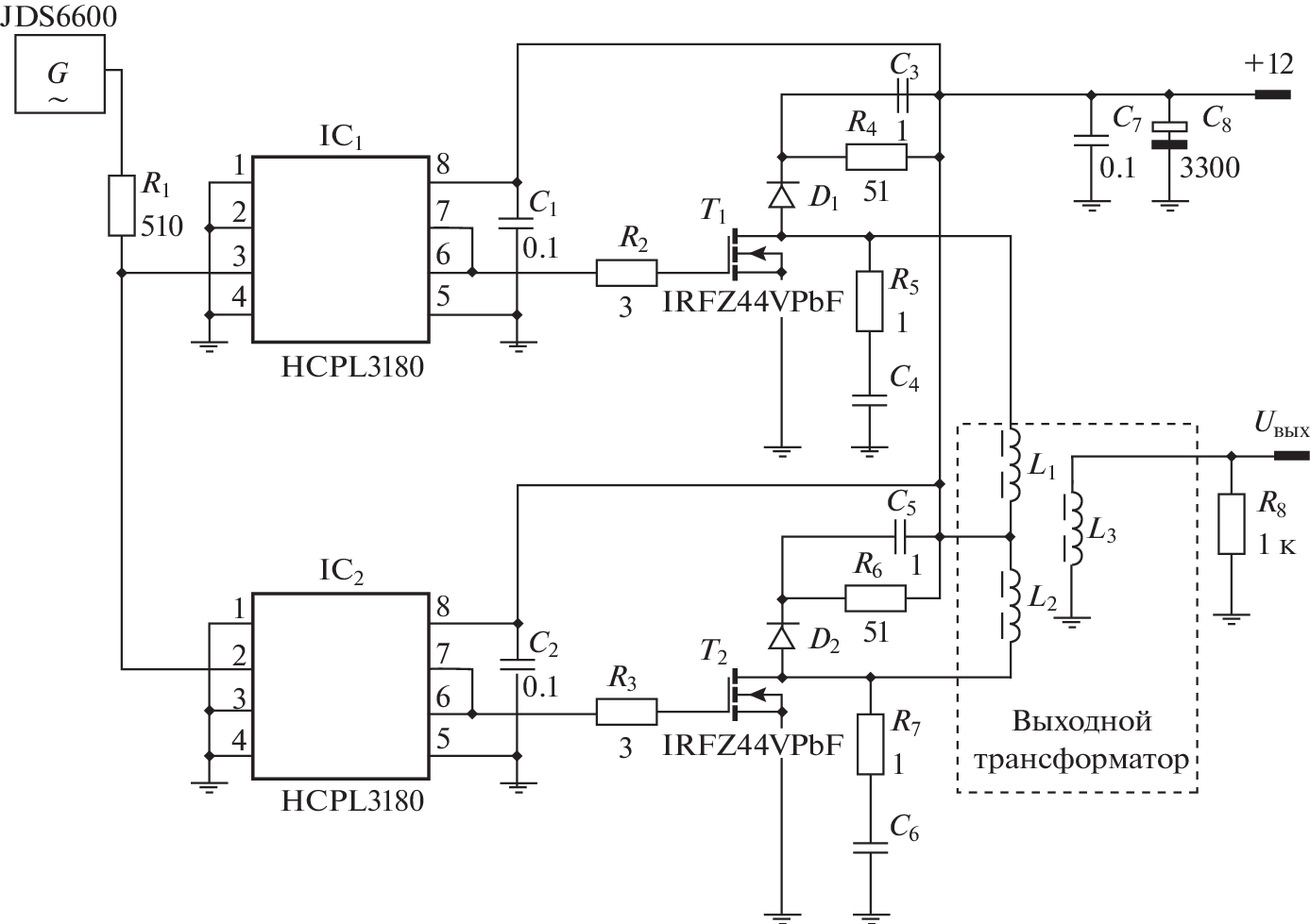
Описаны усилители сигнала раскачки пьезоизлучателей аппаратного обеспечения гидроакустичес-кого исследовательского комплекса, предназначенные для усиления кратковременных сигналов с амплитудной, частотной и фазовой модуляцией на частоте 1 МГц. Особенностью линейного усилителя сигналов с амплитудной модуляцией является применение усилителя с токовой обратной связью, характеризующегося высокими скоростными свойствами. Особенность ключевого усилителя сигналов с постоянной амплитудой (частотная и фазовая модуляция) – это применение оптопар в схеме формирователя управляющих импульсов выходных MOSFET (metal-oxide-semiconductor field effect transistor), что обеспечило симметрию импульсов. Высокая скважность усиливаемых сигналов позволила избежать необходимости в специальных теплоотводах и выполнить простую и компактную реализацию схем. Коэффициент усиления линейного усилителя составил 18 дБ, максимальная амплитуда выходного сигнала – 80 В, ключевого – 26 дБ и 200 В соответственно. Приведены конкретные схемотехнические решения.
Об авторах
В. А. Широков
Удмуртский федеральный исследовательский центр УрО РАН
Email: shirokovva@gmail.com
Россия, 426067, Ижевск, ул. Т. Барамзиной, 34
А. С. Галузин
Удмуртский федеральный исследовательский центр УрО РАН
Email: shirokovva@gmail.com
Россия, 426067, Ижевск, ул. Т. Барамзиной, 34
В. Н. Милич
Удмуртский федеральный исследовательский центр УрО РАН
Автор, ответственный за переписку.
Email: shirokovva@gmail.com
Россия, 426067, Ижевск, ул. Т. Барамзиной, 34
Список литературы
- Широков В.А., Милич В.Н. // Вестник ИжГТУ им. М.Т. Калашникова. 2021. Т. 24. № 4. С. 54.
- Липанов А.М., Альес М.Ю., Милич В.Н., Широков В.А. // Актуальные проблемы защиты и безопасности: Труды XXV Всероссийской научно-практической конференции РАРАН (4–7 апреля 2022 г.) Т. 3. М., 2022. С. 253.
- Трофимов В.Н. // Журнал радиоэлектроники [электронный журнал]. 2019. № 9. doi Режим доступа: http://jre.cplire.ru/jre/sep19/7/text.pdfhttps://doi.org/10.30898/1684-1719.2019.9.7
- УНУ “Имитационно-натурный гидроакустический комплексˮ. [Электронный ресурс]. URL: http://inep.sfedu.ru/unu_ingak/ (дата обращения: 05.10.2022)
- УСУ “Гидроакустический комплексˮ: [Электронный ресурс]. URL: http://akin.ru/about-us/stendovaya-baza/gidroakusticheskij-ispytatelnyj-kompleks / (дата обращения: 05.10.2022)
- Урик Роберт Дж. Основы гидроакустики. Л.: Судостроение, 1978.
- Андреева И.Б. Физические основы распространения звука в океане. Л.: Гидрометеоиздат, 1975.
- JDS6600 серия цифровых двухканальных DDS генераторов сигналов: руководство по эксплуатации. URL: https://supereyes.ru/img/instructions/ JDS6600%20_manual.pdf / (дата обращения 06.10.2022)
- Шарапов В.М., Мусиенко М.П., Шарапова Е.В. Пьезоэлектрические датчики. М.: Техносфера, 2006.
- Ultrasonic heat meter sensor US1000-21A: [Электронный ресурс]. URL: https://aliexpress.ru/item/ 32767948760.html?gatewayAdapt=glo2rus&sku_id=62365824783 / (дата обращения: 06.10.2022)
- Савенко Н. // Современная радиоэлектроника. 2006. № 2. С. 18.
- Senani R., Бхаскар Д.Р., Сингх А.К., Сингх В.К. Current Feedback Operational Amplifiers and Their Applications. Springer, 2013. (Analog Circuits and Signal Processing) ISBN 9781461451884.
- Операционный усилитель с токовой обратной связью. Википедия. [Электронный ресурс]. URL: https://ru.wikipedia.org/wiki/Операционный_усилитель_с_токовой_обратной_связью / (дата обращения: 06.10.2022)
- Селф Д. Проектирование усилителей мощности звуковой частоты. 3-е издание. М.: ДМК Пресс, 2009. С. 134.
- TOSHIBA Transistor Silicon PNP Epitaxial Type 2SA1837 [Электронный ресурс]. URL: https://static.chipdip.ru/lib/920/DOC000920605.pdf /(дата обращения: 05.10.2022)
- TOSHIBA Discrete Semiconductors 2SC4793 [Электронный ресурс]. URL: https://static.chipdip.ru/lib/ 921/DOC000921041.pdf /(дата обращения: 05.10.2022)
- Alexander M. A Current Feedback Audio Power Amplifier. 88th Convention of the Audio Eng. Soc. Reprint № 2902, March 1990.
- Жарков Я.Е., Ребров И.Е., Хомич В.Ю., Ямщиков В.А. // ПТЭ. 2021. № 6. С. 25. https://doi.org/10.31857/S0032816221060239
- IRFZ44VPbF Product Data Sheet – Infineon Technologies [Электронный ресурс]. URL: https://static.chipdip.ru/lib/416/DOC012416386.pdf /(дата обращения: 05.10.2022)
Дополнительные файлы









