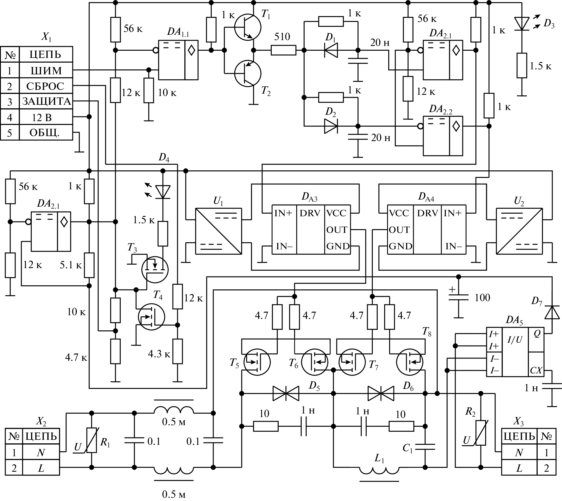
ELECTRONIC AC VOLTAGE REGULATOR
- Authors: Vasiliev A.F.1, Neginsky I.V.1, Yakimets A.L.1
-
Affiliations:
- Volgograd State University
- Issue: No 3 (2023)
- Pages: 148-150
- Section: ПРИБОРЫ, ИЗГОТОВЛЕННЫЕ В ЛАБОРАТОРИЯХ
- URL: https://bakhtiniada.ru/0032-8162/article/view/138385
- DOI: https://doi.org/10.31857/S0032816223020271
- EDN: https://elibrary.ru/GTWEKM
- ID: 138385
Cite item
Full Text
Abstract
ELECTRONIC AC VOLTAGE REGULATOR
About the authors
A. F. Vasiliev
Volgograd State University
Email: instr@pleiadesonline.com
Russia, 400062, Volgograd
I. V. Neginsky
Volgograd State University
Email: instr@pleiadesonline.com
Russia, 400062, Volgograd
A. L. Yakimets
Volgograd State University
Author for correspondence.
Email: instr@pleiadesonline.com
Russia, 400062, Volgograd
References
- ГОСТ 12179-76 Кабели и провода. Метод определения тангенса угла диэлектрических потерь. М., 2003.
- ГОСТ 6433.4-71 Материалы электроизоляционные твердые. Методы определения тангенса угла диэлектрических потерь и диэлектрической проницаемости при частоте 50 Гц. М., 1972.
- Журавлев И.И., Панфилов Д.И., Асташев М.Г., Рожков А.Н., Красноперов Р.Н., Горчаков А.В. // Электротехника. 2022. № 6. С. 23. https://doi.org/10.53891/00135860_2022_6_23
- Доманов В.И., Доманов А.В., Муллин И.Ю. // Вестник Ульяновского государственного технического университета. 2009. № 2. С. 32.
- Куриченко А.А., Ивлиев А.Д. // ПТЭ. 2018. № 5. С. 149. https://doi.org/10.1134/S0032816218050105




