A High-Power Source of Ultrawideband Radiation of Subnanosecond Duration with Controllable Characteristics
- Authors: Balzovsky E.V.1, Buyanov Y.I.1, Efremov A.M.1, Koshelev V.I.1, Nekrasov E.S.1, Smirnov S.S.1
-
Affiliations:
- Institute of High Current Electronics, Siberian Branch, Russian Academy of Sciences
- Issue: No 3 (2023)
- Pages: 37-45
- Section: ЭЛЕКТРОНИКА И РАДИОТЕХНИКА
- URL: https://bakhtiniada.ru/0032-8162/article/view/138371
- DOI: https://doi.org/10.31857/S0032816223020143
- EDN: https://elibrary.ru/GSNWFE
- ID: 138371
Cite item
Full Text
Abstract
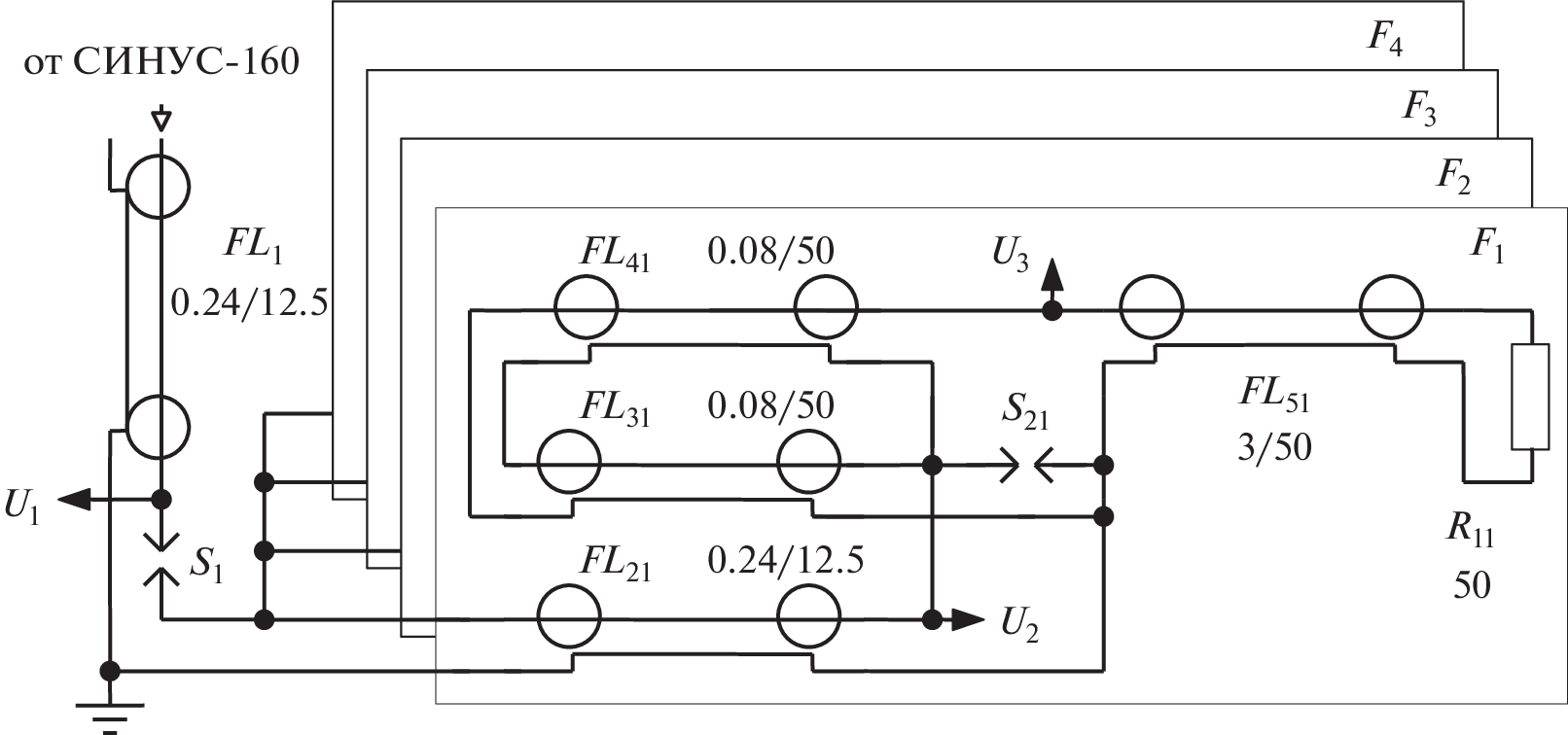
A high-power source of ultrawideband radiation of subnanosecond duration based on a hybrid antenna with an offset reflector has been developed. At the focus of the reflector, there is an array of 2 × 2 combined antennas excited by a four-channel bipolar voltage pulse former with an amplitude of 60 kV and a duration of 0.5 ns at a repetition frequency of up to 100 Hz. Radiation modes with discrete scanning of the wave beam, as well as with linear, orthogonal, and elliptical polarizations, were implemented. Radiation pulses with a field strength of 40–120 kV/m at a distance of 4.5 m were obtained.
About the authors
E. V. Balzovsky
Institute of High Current Electronics, Siberian Branch, Russian Academy of Sciences
Email: koshelev@lhfe.hcei.tsc.ru
634055, Tomsk, Russia
Yu. I. Buyanov
Institute of High Current Electronics, Siberian Branch, Russian Academy of Sciences
Email: koshelev@lhfe.hcei.tsc.ru
634055, Tomsk, Russia
A. M. Efremov
Institute of High Current Electronics, Siberian Branch, Russian Academy of Sciences
Email: koshelev@lhfe.hcei.tsc.ru
634055, Tomsk, Russia
V. I. Koshelev
Institute of High Current Electronics, Siberian Branch, Russian Academy of Sciences
Email: koshelev@lhfe.hcei.tsc.ru
634055, Tomsk, Russia
E. S. Nekrasov
Institute of High Current Electronics, Siberian Branch, Russian Academy of Sciences
Email: koshelev@lhfe.hcei.tsc.ru
634055, Tomsk, Russia
S. S. Smirnov
Institute of High Current Electronics, Siberian Branch, Russian Academy of Sciences
Author for correspondence.
Email: koshelev@lhfe.hcei.tsc.ru
634055, Tomsk, Russia
References
- Giri D.V. High-power Electromagnetic Radiators (Nonlethal Weapons and Other Applications). Cambridge, Massachusetts: Harvard University Press, 2004.
- Giri D.V., Hoad R., Sabath F. High-power Electromagnetic Effects on Electronic Systems. Boston, London: Artech House, 2020.
- Ultra-Wideband Radar Technology / Ed. by J.D. Taylor. Roca Raton: CRC Press, 2001.
- Koshelev V.I., Buyanov Yu.I., Belichenko V.P. Ultrawideband Short-Pulse Radio Systems. Boston, London: Artech House, 2017.
- Giri D.V., Lachner H., Smith I.D., Morton D.W., Baum C.E., Marek J.R., Prather W.D., Scholfield D.W. // IEEE Trans. Plasma Sci. 1997. V. 25. Iss. 2. P. 318.
- Ryu J., Lee J., Chin H., Yeom J.-H., Rom H.-T., Kwon H.-O., Han S.H., Choi J.S. // IEEE Trans. Plasma Sci. 2013. V. 41. Iss. 8. P. 2283. https://doi.org/10.1109/TPS.2013.2272472
- Фортов В.Е., Исаенков Ю.И., Михайлов В.М., Нестеров Е.В., Осташев В.Е., Семенов Ю.В., Строганов В.А. // РЭ. 2013. Т. 58. № 11. С. 1102. https://doi.org/10.7868/S0033849413110041
- Balzovsky E., Buyanov Y., Koshelev V., Nekrasov E., Gubanov V., Stepchenko A., Efremov A. // 20th Int. Symp. on High-Current Electronics (ISHCE). NY.: IEEE, Inc., 2018. P. 80. https://doi.org/10.1109/ISHCE.2018.8521226
- Ефремов А.М., Кошелев В.И., Ковальчук Б.М., Плиско В.В. // ПТЭ. 2013. № 3. С. 61. https://doi.org/10.7868/S0032816213030038
- Ефремов А.М., Кошелев В.И., Плиско В.В., Севостьянов Е.А. // ПТЭ. 2019. № 1. С. 36. https://doi.org/10.1134/S003281621806006X
- Буянов Ю.И., Балзовский Е.В., Кошелев В.И., Некрасов Э.С. // Изв. вузов. Физика. 2019. Т. 62. № 7. С. 111. https://doi.org/10.17223/00213411/62/7/111
- Balzovsky E., Buyanov Y., Koshelev V., Nekrasov E. // Microw. Opt. Technol. Lett. 2021. V. 63. Iss. 11. P. 2866. https://doi.org/10.1002/mop.32994
- Balzovsky E.V., Buyanov Yu.I., Koshelev V.I., and Nekrasov E.S. // 2nd Int. Conf. on Advances in Materials, Systems and Technologies (CAMSTech). NY.: AIP, Inc., 2022. V. 2467. P. 060021. https://doi.org/10.1063/5.0092398
- Andreev Yu.A., Gubanov V.P., Efremov A.M., Koshelev V.I., Korovin S.D., Kovalchuk B.M., Kremnev V.V., Plisko V.V., Stepchenko A.S., and Sukhushin K.N. // Laser Part. Beams. 2003. V. 21. Iss. 2. P. 211. https://doi.org/10.1017/S0263034603212088
- Ефремов А.М. // ПТЭ. 2017. № 4. С. 90. https://doi.org/10.7868/S0032816217040036
- Андреев Ю.А., Кошелев В.И., Плиско В.В. // Доклады 5 Всероссийской научно-технической конференции “Радиолокация и радиосвязьˮ. М.: ИРЭ РАН, 2011, С. 77.
- Ефремов А.М., Кошелев В.И., Ковальчук Б.М., Плиско В.В., Сухушин К.Н. // ПТЭ. 2011. № 1. С. 77.
Supplementary files
















