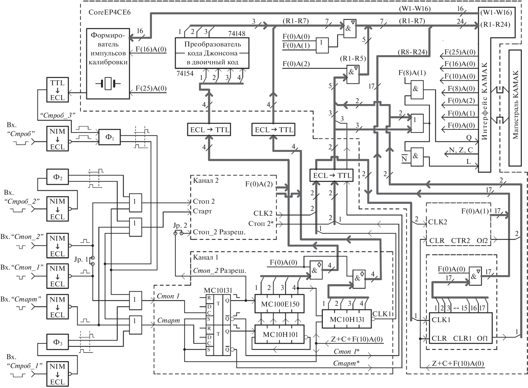
WIDE-RANGE TIME-CODE CONVERTER OF COUNTING-PULSE TYPE WITH 1 ns RESOLUTION
- Authors: SIDORKIN V.V.1
-
Affiliations:
- Joint Institute for Nuclear Research (JINR), Laboratory Nuclear Problems (DLNP), Sector No. 1 of the Scientific Experimental Department of Elementary Particle Physics (NEOFECH).
- Issue: No 1 (2023)
- Pages: 149-150
- Section: ПРИБОРЫ, ИЗГОТОВЛЕННЫЕ В ЛАБОРАТОРИЯХ
- URL: https://bakhtiniada.ru/0032-8162/article/view/138295
- DOI: https://doi.org/10.31857/S0032816223010238
- EDN: https://elibrary.ru/JWXZEQ
- ID: 138295
Cite item
Full Text
Abstract
WIDE-RANGE TIME-CODE CONVERTER OF COUNTING-PULSE TYPE WITH 1 ns RESOLUTION
About the authors
V. V. SIDORKIN
Joint Institute for Nuclear Research (JINR), LaboratoryNuclear Problems (DLNP), Sector No. 1 of the Scientific Experimental Department of Elementary Particle Physics
(NEOFECH).
Author for correspondence.
Email: instr@pleiadesonline.com
Russia, 141980, Dubna, Moscow region, Joliot-Curie st. 6
References
- Лубсандоржиев Б.К., Полещук Р.В. // ПТЭ. 2011. № 4. С. 53.
- Мелешко Е.А. Наносекундная электроника в экспериментальной физике. М.: Энергоатомиздат, 1987. С. 132–141.
- Сидоркин В.В. // ПТЭ. 2018. № 3. С. 41. https://doi.org/10.7868/S003281621803028X
- DL122/D Rev. 7, Mar-2000: MECL Data ON Semiconductor. https://ae6pm.com/Semidata_books/Motorola/DL122-D.pdf
Supplementary files



