Automated Multifunction Stand for Mass Measurement of Pin Photodiodes’ Characteristics
- Authors: Afanasenko S.S.1, Gnatovsky E.R.1, Grigoriev D.N.1,2,3, Talyshev A.A.1,3, Timofeev A.V.1, Shcherbakov R.I.1
-
Affiliations:
- Budker Institute of Nuclear Physics, Siberian Branch, Russian Academy of Sciences
- Novosibirsk State Technical University
- Novosibirsk State University
- Issue: No 1 (2023)
- Pages: 62-65
- Section: ЭЛЕКТРОНИКА И РАДИОТЕХНИКА
- URL: https://bakhtiniada.ru/0032-8162/article/view/138282
- DOI: https://doi.org/10.31857/S0032816223010019
- EDN: https://elibrary.ru/JRGZNZ
- ID: 138282
Cite item
Full Text
Abstract
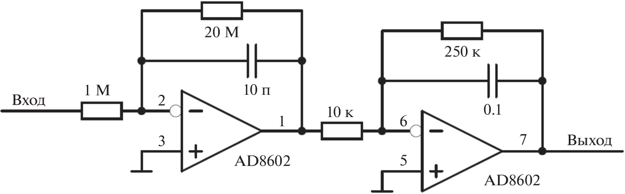
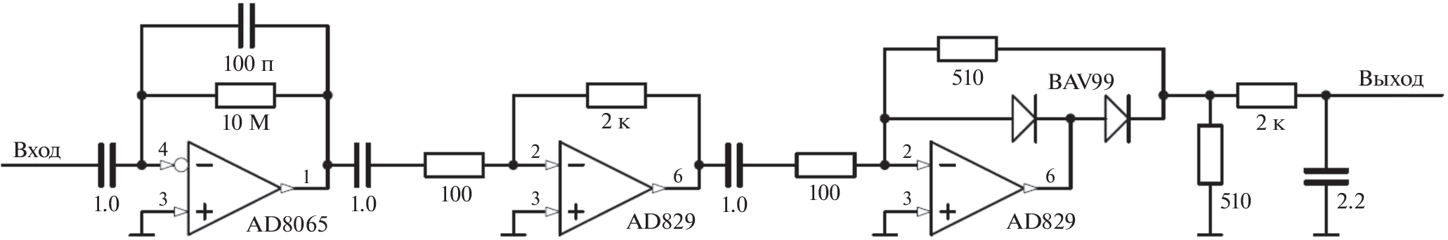
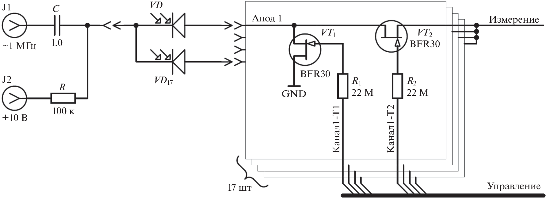
To control the parameters of PIN photodiodes during their mass production, a high-performance automated multifunctional stand has been developed. The stand provides measurement of dark current, capacitance at operating voltage, and response to a light signal with simultaneous connection of up to 16 photodiodes and successive verification of their characteristics.
About the authors
S. S. Afanasenko
Budker Institute of Nuclear Physics, Siberian Branch, Russian Academy of Sciences
Email: A.V.Timofeev@inp.nsk.su
630090, Novosibirsk, Russia
E. R. Gnatovsky
Budker Institute of Nuclear Physics, Siberian Branch, Russian Academy of Sciences
Email: A.V.Timofeev@inp.nsk.su
630090, Novosibirsk, Russia
D. N. Grigoriev
Budker Institute of Nuclear Physics, Siberian Branch, Russian Academy of Sciences; Novosibirsk State Technical University; Novosibirsk State University
Email: A.V.Timofeev@inp.nsk.su
630090, Novosibirsk, Russia; 630073, Novosibirsk, Russia; 630090, Novosibirsk, Russia
A. A. Talyshev
Budker Institute of Nuclear Physics, Siberian Branch, Russian Academy of Sciences; Novosibirsk State University
Email: A.V.Timofeev@inp.nsk.su
630090, Novosibirsk, Russia; 630090, Novosibirsk, Russia
A. V. Timofeev
Budker Institute of Nuclear Physics, Siberian Branch, Russian Academy of Sciences
Email: A.V.Timofeev@inp.nsk.su
630090, Novosibirsk, Russia
R. I. Shcherbakov
Budker Institute of Nuclear Physics, Siberian Branch, Russian Academy of Sciences
Author for correspondence.
Email: A.V.Timofeev@inp.nsk.su
630090, Novosibirsk, Russia
References
- Филачев А.М., Таубкин И.И., Тришенков М.А. Твердотельная фотоэлектроника. М.: Физматкнига, 2005.
- Hamamatsu Photonics K.K. Si PIN photodiode S10993-05GT. Hamamatsu City, 2013.
- http://arduino.ru/Hardware/ArduinoBoardMega2560
- Evans B.W. Arduino Programming Notebook. San Francisco, 2007.
- Сван Т. Программирование для Windows в Borland С++. М.: БИНОМ, 1995.
Supplementary files






