Nanowires made of ternary alloys – synthesis features and magnetic properties
- Authors: Khairetdinova D.R.1,2, Doludenko I.M.2, Perunov I.V.2, Volchkov I.S.2, Panina L.V.1, Zagorskiy D.L.2, Frolov K.V.2, Kanevskii V.M.2
-
Affiliations:
- National University of Science and Technology “MISIS”
- Shubnikov Institute of Crystallography of Kurchatov Complex of Crystallography and Photonics of NRC “Kurchatov Institute”
- Issue: Vol 69, No 5 (2024)
- Pages: 866-875
- Section: НАНОМАТЕРИАЛЫ, КЕРАМИКА
- URL: https://bakhtiniada.ru/0023-4761/article/view/267143
- DOI: https://doi.org/10.31857/S0023476124050132
- EDN: https://elibrary.ru/ZBTPNL
- ID: 267143
Cite item
Full Text
Abstract
Nanowires of FexCoyCu(100–x–y) and FexNiyCu(100–x–y) alloys have been studied. The features of obtaining such structures by the matrix synthesis method have been investigated. Elemental analysis of nanowires grown at sequentially increasing voltages revealed a significant decrease in the amount of copper, as well as a change in the ratio of the main magnetic elements. X-ray phase analysis showed that FeCoCu is a three-component solid solution, while FeNiCu contains three phases of solid solutions: FeCu with copper content up to 80%, FeNi with high iron content, and NiCu in an amorphous or fine-crystalline state with nickel content up to 80%. Mössbauer spectroscopy revealed that the addition of copper can lead to a change in the angle of magnetic moment misalignment in nanowires, which correlates with magnetometry data.
Full Text
ВВЕДЕНИЕ
Изменение соотношения компонентов в сплавах из ферромагнитных и немагнитных металлов позволяет варьировать их магнитные свойства в широких пределах. Так, одним из эффективных способов изменения магнитной анизотропии, намагниченности насыщения и других магнитных параметров сплавов на основе железа является добавление в состав Co, Ni или других 3d-элементов, например хрома [1, 2], а также редкоземельных металлов [3]. Перспективность этого направления отмечена в [4].
Широко распространены двухкомпонентные соединения 3d-металлов: так, сплав FeCo при составе, близком к эквиатомному, обладает максимальной намагниченностью насыщения и малой константой анизотропии. Сплав Fe20Ni80 (пермаллой) является превосходным магнитомягким материалом, поскольку и константа анизотропии, и магнитострикция малы. Дополнительный способ варьирования свойств этих материалов – получение трехкомпонентных или многокомпонентных сплавов Fe, Co, Ni и Cu в различных комбинациях [5, 6]. Данные материалы перспективны для широкого спектра применений, например сплавы FeCo могут использоваться в качестве функциональных материалов для магнитной спинтроники и энергонезависимой памяти, а сплавы FeNi – в экранирующих устройствах и биомедицинских приложениях.
По сравнению с объемными сплавами магнитные свойства наноструктур значительно зависят от размерных эффектов. Например, для нанопроволок (НП) из сплавов FeCo и FeNi магнитная анизотропия в значительной степени определяется анизотропией формы, т.е. их аспектным отношением. В этих материалах возможно достижение высококоэрцитивного состояния даже в сплавах с низкой константой магнито-кристаллической анизотропии.
Большинство работ по НП посвящено одно- или двухкомпонентным сплавам. Однако, как и для объемного материала, можно предположить, что переход на более сложные составы позволит значительно расширить диапазон изменения свойств. В частности, добавление меди может привести к усилению магнитожестких свойств в FeCo-нанопроволоках [7]. Известно, что определенное количество примеси Cu в сплавах FeCo и FeNi может влиять на магнито-кристаллическую анизотропию [8]. Кроме того, на магнитную анизотропию сплава может влиять вероятность образования двухфазных систем, где существует отдельная мелкодисперсная фаза из меди или медьсодержащего сплава, которая, в свою очередь, может препятствовать процессу перемагничивания и тормозить движение доменных стенок [9].
В [10] получены предварительные результаты по синтезу трехкомпонентных НП в матрицах из полиэтилентерефталата (ПЭТФ). В настоящей работе продолжено исследование особенностей получения трехкомпонентных НП и изменения их свойств в зависимости от состава. Ставилась задача получения НП из сплавов, содержащих два магнитных металла (железо–кобальт или железо–никель) и немагнитный металл – медь. Для роста НП предложено использовать ранее подобранный электролит и, не изменяя его состава, регулировать содержание элементов в НП (прежде всего содержание меди) за счет изменения потенциала осаждения.
МАТЕРИАЛЫ И МЕТОДЫ ЭКСПЕРИМЕНТА
Матрица. Для проведения синтеза НП в качестве матриц были выбраны полимерные трековые мембраны из ПЭТФ производства ОИЯИ (г. Дубна). Толщина пленок составляла 12 мкм, плотность облучения (и, соответственно, плотность пор) – 1.2 × 109 пор/см2, диаметр пор – 100 нм. В качестве контактного слоя на одну из поверхностей пленки методом термического распыления в вакууме наносили тонкий медный или серебряный слой. В случае применения меди слой затем наращивали гальваническим способом.
Электрохимическое осаждение НП. Нанопроволоки получали методом электрохимического осаждения материала в поры описанной выше матрицы. Для получения НП FexCoyCu(100–x–y) использовали водные растворы сернокислых солей соответствующих металлов в следующих концентрациях: FeSO4 ⸱ 7H2O – 24 г/л, CoSO4 ⸱ 7H2O – 63 г/л, CuSO4 ⸱ 5H2O – 0.5 г/л. Для НП FexNiyCu(100–x–y) использовали следующие соли: FeSO4 ⸱ 7H2O – 40 г/л, NiSO4 ⸱ 7H2O – 80 г/л, CuSO4 ⸱ 5H2O – 1 г/л. Концентрация ионов металлов в электролитах представлена в табл. 1.
Таблица 1. Процентное соотношение ионов металлов в электролитах
Состав НП | Ион | Доля в электролите, % |
FexCoyCu(100–x–y) | Fe2+ | 27.5 |
Co2+ | 71.5 | |
Cu2+ | 1.0 | |
FexNiyCu(100–x–y) | Fe2+ | 33.1 |
Ni2+ | 65.5 | |
Cu2+ | 1.4 |
Кроме того, в обоих электролитах использовали определенные добавки: борная кислота (H3BO3) – в качестве буферной добавки для поддержания pH (ее концентрация в обоих электролитах составляла 25 г/л), аскорбиновая кислота (в концентрации ~2 г/л) – для предотвращения окисления ионов Fe2+ до трехвалентного состояния, лаурилсульфат натрия (ПАВ, в концентрации ~1 г/л) – для увеличения смачиваемости поверхности пор и предотвращения образования крупных пузырьков H2, образующихся в ходе электроосаждения.
Электрохимическое осаждение проводили с использованием потенциостата-гальваностата Elins P-2X (Electrochemical Instruments, Россия) по двухэлектродной схеме. В качестве анода выступала медная пластина. Выбор медного анода обусловлен необходимостью исключить обеднение электролита ионами Cu2+ в процессе электроосаждения, так как концентрация ионов Cu2+ в электролите предельно мала, и даже незначительный их расход может сильно изменить нужное соотношение концентраций и, соответственно, условия роста. Процесс проходил в потенциостатическом режиме. На первом этапе работы для определения оптимальных потенциалов осаждения в потенциостатическом режиме были получены поляризационные кривые для обоих электролитов.
Электронная микроскопия. Исследование морфологии и элементного состава полученных образцов проводили методом растровой электронной микроскопии (РЭМ) на растровом электронном микроскопе JSM 6000 plus (JEOL, Япония) с приставкой для энергодисперсионного анализа (ЭДС). Использовали режим вторичных электронов с ускоряющим напряжением 15 кВ. Подготовка образцов для исследования их морфологии включала в себя стравливание ростовой полимерной матрицы в 6Н-растворе NaOH при температуре 65°С в течение 6 ч, при этом общее медное основание не удаляли. Для исследований методом ЭДС полученные свободно стоящие НП механически отделяли от медного основания и переносили на проводящий углеродный скотч для исключения дополнительного вклада медной подложки в результаты ЭДС.
Рентгеновская дифрактометрия. На образцах для рентгеновских исследований проводящее покрытие делали из серебра. Выбор последнего обусловлен необходимостью исключения вклада медной подложки при проведении рентгенофазового анализа (РФА) медьсодержащих образцов. Исследования проводили на порошковом дифрактометре X’PERT PRO MPD (PANalytical, Нидерланды) с излучением λ-CuKα = 0.154 нм. Использовали напряжение 40 кВ и ток 40 мА, съемку проводили в интервале 2θ = 20°–80° в геометрии по Брэггу–Брентано. Расшифровку дифрактограмм проводили в программе High Score Plus с использованием базы данных ICSD PDF 2014.
Мессбауэровская спектроскопия. Тестовые мессбауэровские спектры поглощения на ядрах 57Fe были измерены при комнатной температуре на стандартном спектрометре MS-1104Em в геометрии пропускания и в режиме постоянных ускорений с использованием источника γ-излучения 57Co(Rh) Ritverc MCo7.114. Изомерные сдвиги рассчитывали относительно стандартного поглотителя Ritverc MRA.1.6 из фольги α-Fe толщиной 3 мкм. Коллимированный поток γ-излучения был направлен перпендикулярно плоскости полимерной матрицы. Компьютерная обработка экспериментальных спектров выполнена с использованием программного обеспечения Univem MS.
Магнитометрия. Исследования магнитного гистерезиса проводили с помощью вибрационного магнитометра МВ-07 (Россия) в диапазоне полей от –4 до 4 кЭ для двух ориентаций образца – при поле, приложенном параллельно нормали к плоскости образца (out of plane, OOP), и в плоскости пленки (in plane, IP).
РЕЗУЛЬТАТЫ И ИХ ОБСУЖДЕНИЕ
Выбор режимов электроосаждения. В [10] показано, что контролируемо изменять состав НП за счет изменения состава электролита достаточно сложно. Так, в получаемых трехкомпонентных НП количество меди часто сильно превышало ее содержание в ростовом растворе. Основная сложность заключалась в том, что добавление небольших количеств меди приводило к непредсказуемому изменению содержания основных магнитных металлов. Известно, что характер гальванического процесса во многом определяется электродными потенциалами металлов-участников. Так, у ферромагнитных металлов эти потенциалы достаточно близки (ECo = –0.277 В, ENi = –0.250 В, EFe = –0.441 В), а потенциал меди сильно отличается (ECu = 0.337 В). Равновесные потенциалы указаны относительно водородного электрода при стандартных условиях [11]. Отметим, что помимо существенных различий равновесных потенциалов осаждения у выбранных ионов различаются механизмы электроосаждения. В отличие от ионов ферромагнитных металлов ионы меди осаждаются только по диффузионному механизму. По этой причине небольшие изменения концентрации ионов в растворе могут существенно повлиять на процесс осаждения и на итоговый состав осадка. Эти факторы и являются основной причиной наблюдаемых эффектов. Другой особенностью, осложняющей контролируемое получение НП заданного состава, является эффект так называемого аномального соосаждения железа – содержание железа в НП обычно превышает его содержание в исходном растворе [12].
На основании выявленных особенностей, предварительных экспериментов и их анализа было предложено изменять состав НП, не изменяя состав электролита, а меняя условия осаждения, а именно потенциал осаждения. Исходя из этого выбраны составы двух электролитов, показавших наилучшие результаты (табл. 1)
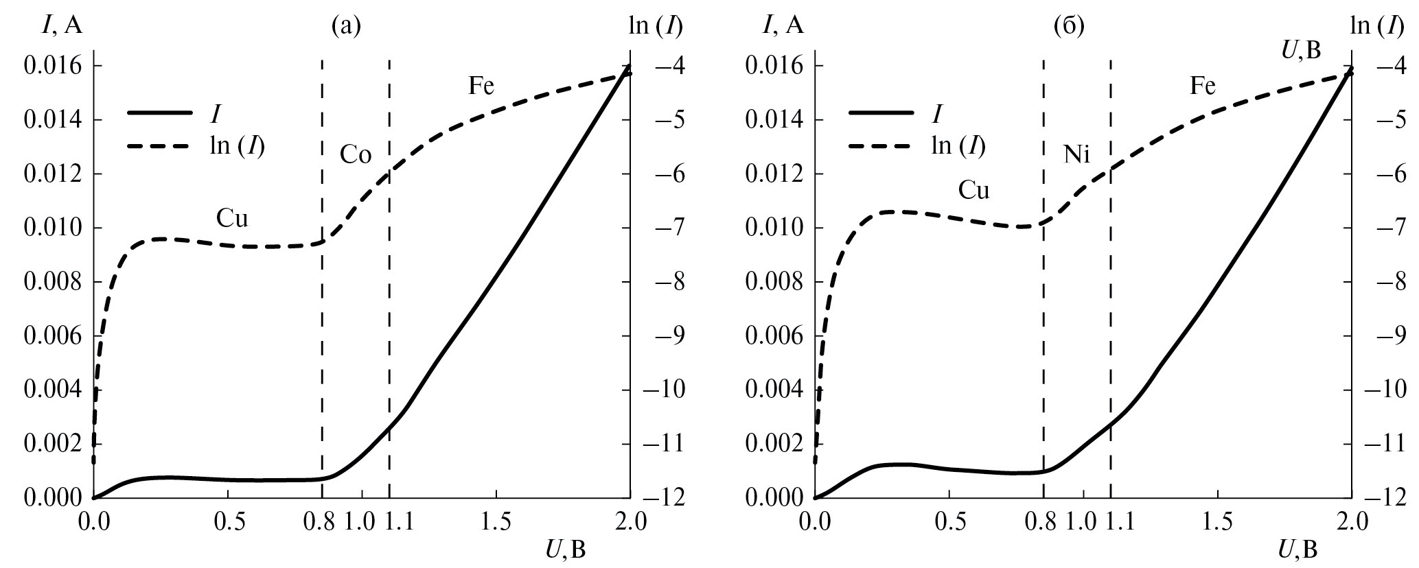
Для разработанных составов определены диапазоны потенциалов осаждения в потенциостатическом режиме. С этой целью сняты поляризационные кривые для обоих электролитов в интервале напряжений 0–2 В. Данный интервал выбран исходя из ранее полученных данных по средним значениям потенциалов осаждения металлов в поры трековых мембран. Полученные зависимости приведены на рис. 1, где для большей наглядности изменения силы тока также показана логарифмическая зависимость lnI(U).
Рис. 1. Поляризационные кривые для составов: а – FexCoyCu(100–x–y), б – FexNiyCu(100–x–y). Вертикальными штриховыми линиями обозначены потенциалы начала осаждения соответствующего металла.
Характер поляризационных кривых схож для обоих составов электролитов, что обусловлено близостью электродных потенциалов Co и Ni. Кривые имеют характерные для осаждения многокомпонентных систем участки. Так, при напряжении меньше 0.8 В в обоих случаях присутствует плато на графике, которое соответствует критическому току осаждения меди как материала с наименьшим равновесным потенциалом осаждения. По мере роста напряжения (при значениях больше 0.8 В) начинается осаждение Co и Ni в соответствующих электролитах, что выражается в заметном изменении силы тока. При напряжении выше 1.2 В в обоих случаях начинается интенсивное осаждение Fe, что также выражается в изменении характера поляризационной кривой.
По полученным из поляризационных кривых данным выбран интервал напряжений 0.9–2.0 В, соответствующий осаждению всех трех элементов в НП FexCoyCu(100–x–y) и FexNiyCu(100–x–y). Далее в этом интервале в потенциостатическом режиме получен ряд образцов с шагом по напряжению 0.1 В для обоих электролитов. Продолжительность осаждения регулировали количеством прошедшего заряда (2.5 Кл). Данное значение прошедшего заряда было выбрано на основе предыдущих работ авторов [13]. Выбранный метод контроля позволял исключить образование переростов и осаждения материала вне матрицы.
Микроскопия и элементный анализ. Пример полученных РЭМ-изображений НП приведен на рис. 2. Результаты РЭМ показали схожесть морфологии НП, получаемых из разных электролитов. Рост НП достаточно равномерен, во всех случаях различим фронт заполнения матрицы.
Рис. 2. Примеры РЭМ-изображений НП, полученных при напряжении осаждения 1.8 В: а – Fe36Co59Cu5, б – Fe61Ni31Cu8.
Средняя длина НП увеличивалась по мере роста напряжения осаждения, что связано с увеличением скорости электрохимической реакции. Причиной этого также является достижение критического тока для всех ионов, что приводит к уменьшению доли побочных реакций при электроосаждении.
На следующем этапе методом ЭДС был определен элементный состав для каждого образца. Результаты элементного анализа образцов НП, полученных при различных ростовых напряжениях, показаны на рис. 3 (выделены составы, исследуемые подробно в настоящей работе).
Рис. 3. Зависимость состава НП от напряжения осаждения: а – FexCoyCu(100–x–y), б – FexNiyCu(100–x–y). Выделены составы, подробно исследуемые в настоящей работе.
Из рис. 3 видно, что изменение состава НП в зависимости от напряжения осаждения имеет нелинейный характер с выходом на плато при напряжении U выше 1.6 В. Преимущественное осаждение ферромагнитных металлов для обоих составов происходит при напряжении, превышающем 1 В, что соответствует значениям, полученным из поляризационной кривой. Концентрация Cu с ростом напряжения уменьшается. При этом значения концентрации меди ниже 10 ат. % наблюдаются при достижении напряжения 1.6 В.
Также видно, что в полученных структурах не сохраняется отношение ферромагнитных металлов, заданное отношением соответствующих ионов в электролите. Известно, что при получении НП из двухкомпонентных железосодержащих сплавов имеет место явление аномального соосаждения железа, приводящее к отклонению состава НП в сторону большей концентрации Fe [14]. В двухкомпонентных НП из сплавов FeCo эффект аномального соосаждения ведет к увеличению содержания Fe приблизительно на 10% относительно содержания ионов Fe2+ в электролите, в то время как для НП из сплавов системы FeNi превышение содержания железа может составлять 25% и более.
Для изучаемых образцов также обнаружен эффект аномального соосаждения. Отметим, что этот эффект выше, чем для двухкомпонентных НП. Однако для двух составов имеются заметные различия в изменении соотношения магнитных металлов в составе НП по мере увеличения напряжения. Так, для НП FexCoyCu(100–x–y) при низких напряжениях осаждения (до 1.1 В) содержание Fe превалирует относительно Co, при 1 В доля железа относительно кобальта составляет 71%, в то время как в электролите эта доля составляет 28%. При повышении напряжения происходит снижение эффекта аномального соосаждения, и отличие содержания железа в составе НП по отношению к составу электролита не превышает 15–20%. Для НП FexNiyCu(1–x–y) при напряжении осаждения <1.1 В превалирует содержание Ni, что может быть связано с его более высоким относительно Fe электродным потенциалом. С повышением напряжения осаждения эффект аномального соосаждения железа увеличивается, и среднее процентное содержание Fe относительно Ni в НП достигает 69%, что в 2 раза превышает таковое в электролите. Таким образом, при увеличении напряжения аномальное осаждение Fe в кобальтовом электролите снижается, в то время как в никелевом электролите увеличивается. В целом можно сделать вывод о том, что, несмотря на наличие сложных эффектов, рост трехкомпонентных НП по предложенному способу дает прогнозируемый результат и имеет хорошую повторяемость.
Результаты рентгенофазового анализа. Для исследований методом РФА выбраны образцы FexCoyCu(100–x–y) и FexNiyCu(100–x–y) с наименьшим и наибольшим содержаниями Cu (5, 25% для FexCoyCu(100–x–y) и 8, 26% для FexNiyCu(100–x–y)), а также промежуточные составы с содержаниями Cu ~ 10 и 15% соответственно. На рис. 4 представлены рентгенограммы исследуемых образцов. На рентгенограммах образцов FexCoyCu(100–x–y) (рис. 4а) присутствует пик при 2θ ~ 44.8°, соответствующий плоскости (110) ОЦК FeCo. Положение дифракционного пика согласуется с данными [15] для НП состава (FeCo)1−xCux (x = 0.1–0.5).
Рис. 4. Рентгеновские дифрактограммы образцов НП: а – FexCoyCu(100–x–y), б – FexNiyCu(100–x–y). На врезках представлены увеличенные области в интервалах 42–48 и дополнительно в интервале 48–55 для (б).
На рентгенограммах образцов FexNiyCu(100–x–y) (рис. 4б) присутствуют пики при 2θ ~ 43.0°–43.3°, 50.1°–50.4°. Дифракционные пики при 2θ = 43.04°, 50.3° соответствуют кристаллическим плоскостям (110) и (200) FeNi, а дифракционные пики при 2θ = 43.3°, 50.4° – плоскостям (110) и (200) FeCu. При этом наблюдается смещение пиков при 2θ ~ 43.0°–43.3°, 50.1°–50.4° в сторону больших углов при увеличении содержания меди. Связано это, по-видимому, c увеличением содержания Cu в НП FexNiyCu(100–x–y), что приводит как к увеличению содержания фазы твердого раствора на основе FeCu в образцах, так и к образованию твердого раствора на основе FeNi с высоким содержанием железа. Все это приводит к смещению пиков в сторону больших углов. Похожее смещение пиков сплавов FeNiCu наблюдали в [16] при образовании сплавов с основными фазами FeNi и NiCu.
Положение пиков фазы твердого раствора на основе FeNi говорит о высоком содержании Fe в данной фазе. Положение пиков твердого раствора на основе FeCu может говорить о значительном избытке Cu в твердом растворе. Так, на один атом Fe в среднем приходится не менее четырех атомов Cu. Предварительный анализ по методу Ритвельда показал, что доля фазы FeCu в НП FeNiCu увеличивается с ~5–6% для Fe61Ni31Cu8 до ~26–30% для Fe39Ni35Cu26. Кроме того, присутствует незначительный аморфный пик при 2θ ~ 46.3°, соответствующий твердому раствору на основе NiCu с содержанием Ni до 80%.
Таким образом, в случае НП состава FexCoyCu(100–x–y) наблюдаются пики ОЦК FeCo, которые согласуются с пиками FeCoCu. В случае НП FexNiyCu(100–x–y) наблюдается смесь трех твердых растворов на основе: FeCu со значительном количеством Cu в твердом растворе (~1 : 4); FeNi со значительным содержанием Fe; NiCu с содержанием Ni не менее 80%. Данная фаза находится в аморфном или мелкокристаллическом состоянии.
Мессбауэровская спектроскопия. Примеры мессбауэровских спектров исследованных образцов массивов НП, измеренных при комнатной температуре, демонстрируют характерную для магнитоупорядоченных ионов железа шестилинейную форму. На рис. 5 приведены мессбауэровские спектры исследованных образцов с составами Fe36Co59Cu5 и Fe39Ni35Cu26, измеренные с наилучшим качеством.
Рис. 5. Мессбауэровские спектры образцов НП: а – Fe36Co59Cu5, б – Fe39Ni35Cu26. Темным цветом обозначена ферромагнитная компонента, светлым – парамагнитная.
Спектр образца Fe36Co59Cu5 может быть аппроксимирован одним секстетом S, сверхтонкие мессбауэровские параметры которого (табл. 2) в пределах погрешности обработки близки к параметрам, полученным в [17–19] для образцов массивов НП FeCo с близкой стехиометрией, что вполне ожидаемо для состава НП с малым содержанием меди.
Таблица 2. Расчетные параметры мессбауэровских спектров для НП из тройных сплавов
Образец | Компонента (А, %) | <Вhf>, Тл | δ, мм/с | ε, мм/с | Ä, мм/с | θср, град |
Fe36Co59Cu5 | S (100%) | 33.72(5) | 0.047(10) | 0.0002(2) | 39(2) | |
Fe39Ni35Cu26 | S (69%) | 33.8(1) | 0.072(17) | –0.08(3) | 49(2) | |
D (31%) | 0.317(26) | 0.89(4) |
Примечание. Мессбауэровские параметры магнитоупорядоченного секстета S и парамагнитного дублета D: A – относительная площадь компоненты, <Вhf> – среднее сверхтонкое магнитное поле на ядрах 57Fe, δ – изомерный сдвиг, ε – квадрупольное смещение в секстете, Ä – квадрупольное расщепление в дублете, θср – оценка угла отклонения магнитного момента ионов железа от направления распространения γ-квантов
В спектре образца Fe39Ni35Cu26 с наибольшим содержанием меди кроме магнитоупорядоченной компоненты присутствует парамагнитный вклад, и для аппроксимации спектра необходимо использовать суперпозицию (комбинацию) магнитного секстета S и парамагнитного дублета D.
Для секстета S значение среднего сверхтонкого магнитного поля на ядрах 57Fe (табл. 2) составило <Вhf> = 33.8(1) Тл. Это значение больше, чем величина поля <Вhf> ≈ 29 Тл, полученная в [19, 20] из мессбауэровских спектров образцов массивов НП FeNi с концентрацией железа 25–44%. Вероятно, такое повышение величины среднего сверхтонкого магнитного поля может быть обусловлено изменением окружения атомов железа. Можно предположить, что в НП FeNiCu с большим содержанием меди образуется фаза твердого раствора на основе NiCu (что подтверждается и рентгеновскими данными). Вследствие этого происходит уменьшение числа ионов никеля в окружении железа, что и должно приводить к значениям сверхтонких магнитных полей на ядрах 57Fe в диапазоне 33–34 Тл [21].
Причина появления дублета D до конца не ясна. Отметим, что близкими значениями мессбауэровских сверхтонких параметров обладают дублеты, соответствующие парамагнитным фазам оксидов железа, например β-Fe2O3. Однако полученные результаты РФА не подтвердили наличие фаз оксидов железа. Известно, что в равновесном состоянии Fe и Cu имеют очень малую взаимную растворимость в твердых телах и не образуют интерметаллических соединений [22, 23], а Ni и Cu легко образуют твердые растворы [24–26].
Значения сверхтонких параметров парамагнитного дублета D близки к значениям параметров дублета, наблюдавшегося ранее в НП, синтезированных в порах полимерных трековых мембран [27] и соответствовавших ионам железа в окружении ионов меди [28–32]. В настоящем случае можно предположить аналогичную литературе картину. Для корректного и однозначного определения фазовой принадлежности парамагнитной компоненты необходимо проведение дополнительных низкотемпературных мессбауэровских измерений.
Отметим, что отношение площадей секстета S и дублета D для образца Fe39Ni35Cu26 (AS : AD ≈ 70 : 30) хорошо согласуется с результатами РФА о количественном соотношении фаз твердых растворов на основе FeNi и FeCu.
Мессбауэровские спектры позволяют оценить и направления магнитных моментов атомов железа. Анализ значений относительных площадей линий магнитных секстетов тестовых мессбауэровских спектров указывает на то, что площади второй и пятой линий секстетов A25 не подчиняются соотношению площадей A16 : A25 : A34 = 3 : 2 : 1, характерному для шестилинейных мессбауэровских спектров магнитоупорядоченных поликристаллических образцов. Подобное отклонение, наблюдавшееся для массивов НП Fe, FeNi и FeCo, связано с формированием в процессе синтеза (роста) НП спонтанной намагниченности, направленной преимущественно вдоль их осей. Для образца НП Fe36Co59Cu5 значение относительной площади A25 секстета S несколько меньше значения A34. С учетом геометрии мессбауэровских измерений и разброса в углах отклонения осей пор полимерной матрицы, а значит, и осей НП от нормали к плоскости матрицы можно оценить угол θср. Здесь θср – угол среднего отклонения направления магнитных моментов атомов железа от нормали к плоскости полимерной матрицы и направления распространения γ-квантов – составляет примерно 40°. В образце Fe39Ni35Cu26 значение A25 в секстете S заметно больше значения A34 и близко к отношению 3 : 2 : 1, что указывает на больший разброс направлений магнитных моментов ионов Fe – около 50°. Результаты оценки угла θср представлены в табл. 2.
Исследование магнитных свойств. Для ряда образцов проведена вибрационная магнитометрия для двух конфигураций поля, из которой были получены основные магнитные характеристики НП: коэрцитивная сила (Hc) и приведенная остаточная намагниченность. Примеры полученных петель гистерезиса представлены на рис. 6.
Рис. 6. Петли магнитного гистерезиса для НП: а – Fe36Co59Cu5, б – Fe61Ni31Cu8.
Петли гистерезиса полученных образцов обоих сплавов не имеют характерной для одномерных наноструктур прямоугольной формы в направлении OOP. При этом они имеют сильный наклон и высокие поля насыщения для обоих направлений поля, что согласуется с разориентацией магнитных моментов в НП. Дополнительным фактором является то, что большая часть НП наклонена к нормали поверхности мембраны, т.е. измерения проводятся под углом к оси НП. Большой угол наклона петель, по-видимому, также может быть обусловлен значительным магнитодипольным взаимодействием между НП в матрице, так как расстояния между порами меньше 200 нм, т.е. порядка диаметра пор [33]. Перекрещивание НП также усиливает магнитодипольное взаимодействие, что подтверждается исследованиями ферромагнитного резонанса на системах перекрещивающихся НП, где обнаружены уширение резонансной кривой и увеличение эффективного поля анизотропии [34]. В области пересечения НП внутри матриц могут формироваться сложные доменные структуры с вихревым распределением намагниченности, что объясняет существенную разориентацию магнитных моментов и приводит к уменьшению остаточной намагниченности [35].
Величина Hc оказывается большей в направлении IP для всех образцов. Если предположить, что средний угол отклонения намагниченности от направления OOP равен α, то коэрцитивная сила в направлении OOP Hc = Hc0/cosα, тогда как для направления IP Hc = Hc0/sinα, где Hc0 соответствует Hc за счет смещения доменов для параллельной ориентации магнитного поля и оси легкого намагничивания. То есть при α < 45° значение Hc для направления IP оказывается выше. Процессы, связанные с когерентным вращением намагниченности, на начальных этапах перемагничивания должны быть несущественны. Петли гистерезиса для НП FeNiCu почти идентичны в обоих направлениях, что обусловлено хаотической ориентацией магнитных моментов.
Максимальное значение Hc для НП FeCoCu достигается при поле в конфигурации IP и содержании меди 6 ат. % и составляет 370 Э, что превышает значения Hc для бинарного сплава FeCo с аналогичным отношением элементов [36]. Отметим, что это увеличение достигнуто при случайном выборе концентрации, и можно предположить, что дальнейшая работа в этом направлении позволит добиться значительно большего эффекта. Также отметим, что длина НП FeCoCu не превышает 4 мкм: можно предположить, что при большей длине НП значения Hc могут возрасти за счет большего вклада эффекта анизотропии формы.
Для НП FeNiCu максимальное значение Hc (275 Э) достигается при содержании 9 ат. % Cu в НП. Аналогично для НП из сплавов системы FeCoCu изменение Hc может быть связано с изменениями кристаллической структуры НП. Схожие эффекты наблюдаются в других нанокристаллических материалах на основе FeNiCu [37], а также с присутствием фаз, отличных от FeNiCu.
При увеличении количества меди в составе НП дополнительный вклад в изменение магнитных свойств может вносить и изменение длин НП. Для полной характеризации образцов необходимо проанализировать зависимости, полученные для НП с одинаковой длиной, для исключения возможности влияния изменения вклада магнитной анизотропии формы в магнитные свойства НП.
ЗАКЛЮЧЕНИЕ
Показано, что предложенный метод получения НП FeCoCu и FeNiCu, при котором используется электролит одного состава, а изменение соотношений элементов в НП достигается за счет условий роста (напряжения), позволяет предсказуемо регулировать состав НП. Определены условия для получения трехкомпонентных НП с заданным составом при использовании этого метода.
Результаты РФА показали для первого состава образование трехкомпонентного твердого раствора FeCoCu. Во втором случае образуются НП из смеси фаз твердого раствора на основе: FeCu с содержанием Cu до 80%, FeNi с высоким содержанием Fe, а также NiCu с содержанием Ni до 80% предположительно в аморфном или мелкокристаллическом состоянии. Все это приводит к смещению наблюдаемого пика на рентгенограммах в сторону больших углов. Предварительный анализ по методу Ритвельда показал, что доля фазы твердого раствора на основе FeCu относительно FeNi увеличивается с ~5–6% для Fe61Ni31Cu8 до ~26–30% для Fe39Ni35Cu26, что соотносится с данными мессбауэровской спектроскопии.
На основании данных магнитометрии можно сделать вывод о том, что сходство кривых гистерезиса при продольном и поперечном приложении внешнего магнитного поля в основном обусловлено разориентацией магнитных моментов в НП, а не отсутствием их анизотропных свойств, что подтверждается данными мессбауэрской спектроскопии. В мессбауэровских спектрах FeNiCu проявляется парамагнитная фаза (31%) и ферромагнитная фаза (69%).
Таким образом, переход от НП из двухкомпонентных сплавов к НП из трехкомпонентных сплавов дает дополнительную возможность изменения магнитных свойств, например достижения изотропности магнитных свойств или повышения коэрцитивной силы, что в дальнейшем может иметь потенциал применения в элементах магнитной спинтроники, гибкой электроники и сенсорики, а также в энергонезависимой памяти.
Синтез и часть РЭМ-исследований НП проведены при финансовой поддержке Российского научного фонда (грант № 22-22-00983). Магнитные измерения проведены на базе Национального исследовательского технологического университета МИСИС в рамках программы “Приоритет 2030” (проект K6-2022-043). Часть РЭМ-исследований, уточнение элементного состава, рентгеновские и мессбауэровские исследования проведены в рамках выполнения государственного задания НИЦ “Курчатовский институт”.
About the authors
D. R. Khairetdinova
National University of Science and Technology “MISIS”; Shubnikov Institute of Crystallography of Kurchatov Complex of Crystallography and Photonics of NRC “Kurchatov Institute”
Author for correspondence.
Email: hairetdr@gmail.com
Smart Sensors Laboratory, Department of Electronic Materials Technology
Russian Federation, Moscow; MoscowI. M. Doludenko
Shubnikov Institute of Crystallography of Kurchatov Complex of Crystallography and Photonics of NRC “Kurchatov Institute”
Email: hairetdr@gmail.com
Russian Federation, Moscow
I. V. Perunov
Shubnikov Institute of Crystallography of Kurchatov Complex of Crystallography and Photonics of NRC “Kurchatov Institute”
Email: hairetdr@gmail.com
Russian Federation, Moscow
I. S. Volchkov
Shubnikov Institute of Crystallography of Kurchatov Complex of Crystallography and Photonics of NRC “Kurchatov Institute”
Email: hairetdr@gmail.com
Russian Federation, Moscow
L. V. Panina
National University of Science and Technology “MISIS”
Email: hairetdr@gmail.com
Russian Federation, Moscow
D. L. Zagorskiy
Shubnikov Institute of Crystallography of Kurchatov Complex of Crystallography and Photonics of NRC “Kurchatov Institute”
Email: hairetdr@gmail.com
Russian Federation, Moscow
K. V. Frolov
Shubnikov Institute of Crystallography of Kurchatov Complex of Crystallography and Photonics of NRC “Kurchatov Institute”
Email: hairetdr@gmail.com
Russian Federation, Moscow
V. M. Kanevskii
Shubnikov Institute of Crystallography of Kurchatov Complex of Crystallography and Photonics of NRC “Kurchatov Institute”
Email: hairetdr@gmail.com
Russian Federation, Moscow
References
- Tabrett C.P., Sare I.R., Ghomaschi M.R. // Int. Mater. Rev. 1996. V. 41. № 2. P. 59. https://doi.org/10.1179/imr.1996.41.2.59
- Hume-Rothery F.R.S.W., Coles B.R. // Adv. Phys. 1954. V. 3. № 10. P. 149. https://doi.org/10.1080/00018735400101193
- Jiles D.C. // J. Phys. D: Appl. Phys. 1994. V 27. № 1. P. 1. https://doi.org/10.1088/0022-3727/27/1/001
- Slater J.C. // J. Appl. Phys. 1937. V. 8. № 6. P. 385. https://doi.org/10.1063/1.1710311
- James P., Eriksson O., Johanson B. et al. // Phys. Rev. B. 1999. V. 59. № 1. P. 419. https://doi.org/10.1103/PhysRevB.59.419
- Cooper E.I., Bonhote C., Heidmann J. et al. // IBM J. Res. Dev. 2005. V. 49. № 1. P. 103. https://doi.org/10.1147/rd.491.0103
- Bran C., Ivanov Yu.P., García J. et al. // J. Appl. Phys. 2013. V. 114. № 4. P. 043908. https://doi.org/10.1063/1.4816479
- Palmero E.M., Salikhov R., Wiedwald U. et al. // Nanotechnology. 2016. V. 27. № 36. P. 365704. https://doi.org/10.1088/0957-4484/27/36/365704
- Bran C., Palmero E.M., del Real R.P. et al. // Phys. Status Solidi. A. 2014. V. 211. № 5. P. 1076. https://doi.org/10.1002/pssa.201300766
- Хайретдинова Д.Р., Долуденко И.М., Панина Л.В. и др. // ФТТ. 2022. Т. 64. № 9. С. 1144. https://doi.org/10.21883/FTT.2022.09.52798.24HH
- Глинка Н.Л. // Общая химия. М.: Интеграл пресс, 2008. С. 281.
- Mansouri N., Benbrahim-Cherief N., Chainet E. et al. // J. Magn. Magn. Mater. 2020. V. 493. P. 165746. https://doi.org/10.1016/j.jmmm.2019.165746
- Долуденко И.М. // Перспективные материалы. 2021. № 8. С. 74. https://doi.org/10.30791/1028-978X-2021-8-74-80
- Загорский Д.Л., Долуденко И.М., Хайретдинова Д.Р. // Мембраны и мембранные технологии. 2023. Т. 13. № 2. С. 137. https://doi.org/10.31857/S2218117223020074
- Ahmad N., Shafiq M.Z., Khan S. et al. // J. Supercond. Nov. Magn. 2020. V. 33. P. 1495. https://doi.org/10.1007/s10948-019-05394-0
- Shuai L., Liuting Z., Fuying W. et al. // Chinese Chem. Lett. 2024. P. 109566. https://doi.org/10.1016/j.cclet.2024.109566.
- Фролов К.В., Загорский Д.Л., Любутин И.С. и др. // Письма в ЖЭТФ. 2017. Т. 105. № 5. С. 297. https://doi.org/10.7868/S0370274X17050095
- Загорский Д.Л., Фролов К.В., Бедин С.А. и др. // ФТТ. 2018. Т. 60. № 11. С. 2075. https://doi.org/10.21883/FTT.2018.11.46642.08NN
- Долуденко И.М., Загорский Д.Л., Фролов К.В. и др. // ФТТ. 2020. Т. 62. № 9. С. 1464. https://doi.org/10.21883/FTT.2020.09.49772.04H
- Frolov K.V., Chuev M.A., Lyubutin I.S. et al. // J. Magn. Magn. Mater. 2019. V. 489. P. 165415. https://doi.org/10.1016/j.jmmm.2019.165415
- Valderruten J.F., Alcázar G.A.P., Greneche J.M. // J. Phys.: Condens. Matter. 2008. V. 20. № 48. P. 485204. https://doi.org/10.1088/0953-8984/20/48/485204
- Chien C.L., Liou S.H., Kofalt D. et al. // Phys. Rev. B. 1986. V. 33. № 5. P. 3247. https://doi.org/10.1103/PhysRevB.33.3247.
- Miedema A. // Int. J. Mater. Res. 1979. V. 70. № 6. P. 345. https://doi.org/10.1515/ijmr-1979-700601
- Klassert A., Tikana L. // Corrosion behaviour and protection of copper and aluminium alloys in seawater. Cambridge: Woodhead Publishing Ltd, 2007. P. 47.
- Банных О.А., Будберг П.Б., Алисова С.П. и др. Диаграммы состояния двойных и многокомпонентных систем на основе железа. М.: Металлургия, 1986. 440 c.
- Шухардин С.В. Двойные и многокомпонентные системы на основе меди. М.: Наука, 1979. 248 с.
- Фролов К.В., Загорский Д.Л., Любутин И.С. и др. // Письма в ЖЭТФ. 2014. Т. 99. № 9. С. 6556. https://doi.org/10.7868/S0370274X14100038
- Campbell S.J., Clark P.E., Liddell P.R. // J. Phys. F: Met. Phys. 1972. V. 2. № 5. P. L114. https://doi.org/10.1088/0305-4608/2/5/006
- Herr U., Jing J., Gonser U. et al. // Solid State Commun. 1990. V. 76. № 2. P. 197. https://doi.org/10.1016/0038-1098(90)90542-J
- Roy M.K., Verma H.C. // J. Magn. Magn. Mater. 2004. V. 270. № 1–2. P. 186. https://doi.org/10.1016/j.jmmm.2003.08.017
- Verma H.C. // Indian J. Pure Ap. Phys. 2006. V. 45. P. 851.
- Gavriliuk A.G., Aksenov S.N., Sadykov R.A. и др. // Поверхность. Рентген., синхротр. и нейтрон. исслед. 2014. № 12. С. 16. https://doi.org/10.7868/S0207352814120087
- Carignan L.-P., Lacroix C., Ouimet A. et al. // J. Appl. Phys. 2007. V. 102. № 2. P. 023905. https://doi.org/10.1063/1.2756522
- Araujo E., Encinas A., Velasquez-Galvan Y. et al. // Nanoscale. 2015. V. 7. № 4. P. 1485. https://doi.org/10.1039/C4NR04800H
- Burks E.C., Gilbert D.A., Murray P.D. et al. // Nano Lett. 2020. V. 21. № 1. P. 716. https://doi.org/10.1021/acs.nanolett.0c04366
- Panina L.V., Zagorskiy D.L., Shymskaya A. et al. // Phys. Status Solidi. A. 2022. V. 219. № 3. P. 2100538. https://doi.org/10.1002/pssa.202100538
- Younes A., Dilmi N., Khorchef M. et al. // Appl. Surf. Sci. 2018. V. 446. P. 258. https://doi.org/10.1016/j.apsusc.2017.12.160
Supplementary files








