СИНТЕЗ РОБАСТНЫХ ЛИНЕЙНЫХ СТАЦИОНАРНЫХ ДИНАМИЧЕСКИХ СИСТЕМ НА ОСНОВЕ УЛУЧШЕНИЯ УПРАВЛЯЕМОСТИ И НАБЛЮДАЕМОСТИ РАСЧЕТНОЙ МОДЕЛИ ОБЪЕКТА
- Авторы: Аббясов А.М.1, Анисимов А.А.1, Тарарыкин С.В.1
-
Учреждения:
- Ивановский государственный энергетический ун-т им. В.И. Ленина (ИГЭУ)
- Выпуск: № 6 (2023)
- Страницы: 33-49
- Раздел: ТЕОРИЯ СИСТЕМ И ОБЩАЯ ТЕОРИЯ УПРАВЛЕНИЯ
- URL: https://bakhtiniada.ru/0002-3388/article/view/148127
- DOI: https://doi.org/10.31857/S0002338823050025
- EDN: https://elibrary.ru/OFQVCR
- ID: 148127
Цитировать
Полный текст
Аннотация
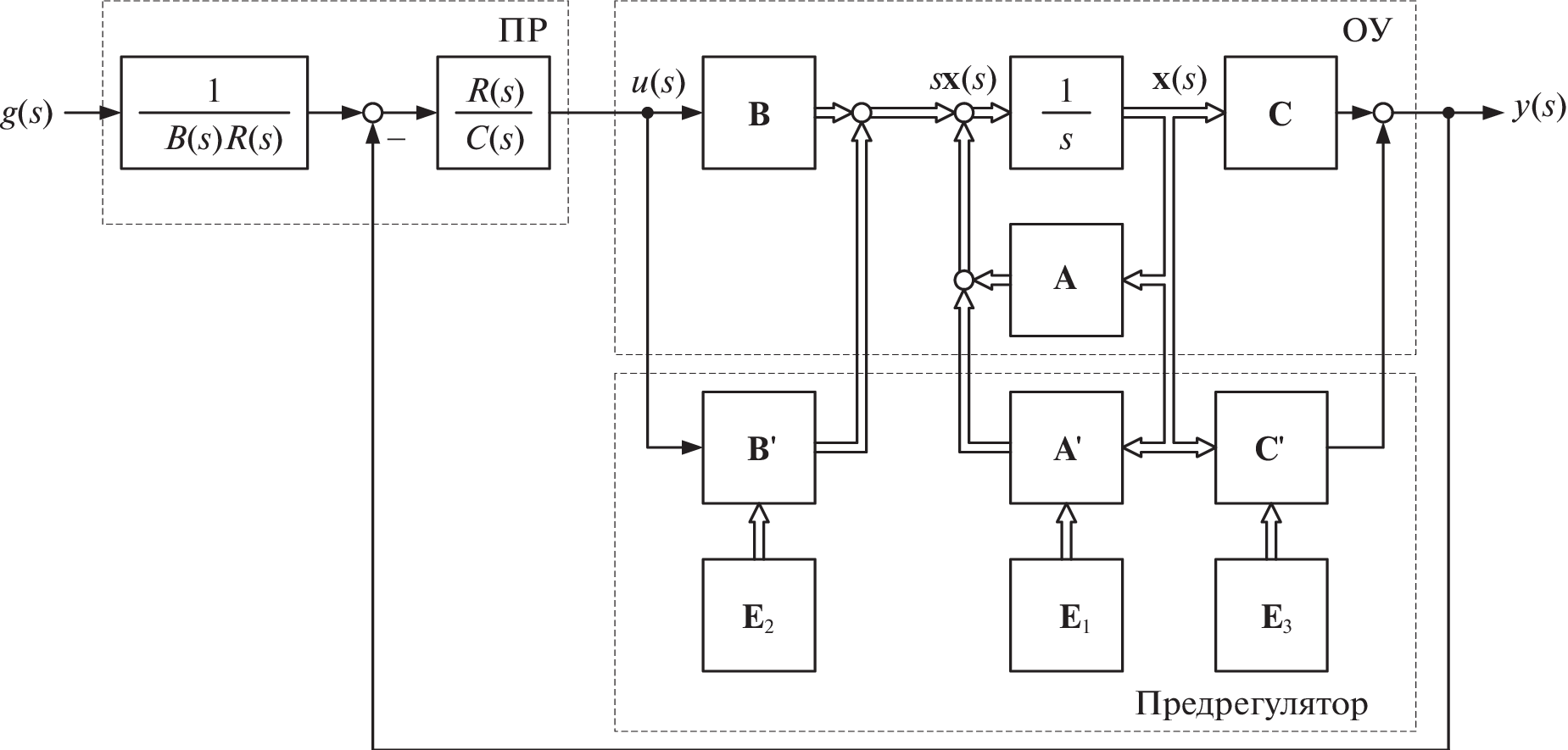
Разрабатывается итерационный метод синтеза систем управления низкой параметрической чувствительности с динамическими (полиномиальными) регуляторами, на каждом шаге которого целенаправленно изменяются сингулярные числа грамианов управляемости и наблюдаемости, формируется предрегулятор, преобразующий структуру расчетной модели объекта в направлении повышения управляемости и наблюдаемости с учетом имеющихся возможностей и ограничений. Методом полиномиального модального управления рассчитываются параметры основного регулятора и выполняется оценка робастных свойств синтезированной системы в заданных интервалах изменения внутренних параметров.
Об авторах
А. М. Аббясов
Ивановский государственный энергетический ун-т им. В.И. Ленина (ИГЭУ)
Email: alexx.bit@mail.ru
Россия, Иваново
А. А. Анисимов
Ивановский государственный энергетический ун-т им. В.И. Ленина (ИГЭУ)
Email: alexx.bit@mail.ru
Россия, Иваново
С. В. Тарарыкин
Ивановский государственный энергетический ун-т им. В.И. Ленина (ИГЭУ)
Автор, ответственный за переписку.
Email: alexx.bit@mail.ru
Россия, Иваново
Список литературы
- Кузовков Н.Т. Модальное управление и наблюдающие устройства. М.: Машиностроение, 1976. 184 с.
- Воронов А.А. Введение в динамику сложных управляемых систем. М.: Наука, 1985. 352 с.
- Крутько П.Д. Полиномиальные уравнения и обратные задачи динамики управляемых систем // Изв. РАН. Техн. кибернетика. 1986. № 1. С. 125–133.
- Гайдук А.Р. Теория и методы аналитического синтеза систем автоматического управления (полиномиальный подход) / М.: Физматлит, 2012. 360 с.
- Тарарыкин С.В., Тютиков В.В. Робастное модальное управление динамическими системами // Изв. РАН. АиТ. 2002. № 5. С. 41–55.
- Поляк Б.Т. Международный симпозиум “Робастность в идентификации и управлении” // А и Т. 1999. № 8. С. 185–193.
- Подкучаев В.А. Аналитические методы теории автоматического управления. М.: Физматлит, 2002. 256 с.
- Поляк Б.Т., Щербаков П.С. Робастная устойчивость и управление. М.: Наука, 2002. 303 с.
- Анисимов А.А., Котов Д.Г., Тарарыкин С.В. и др. Анализ параметрической чувствительности и структурная оптимизация систем модального управления с регулятором состояния // Изв. РАН. ТиСУ. 2011. № 5. С. 58–72.
- Анисимов А.А., Тарарыкин С.В. Особенности синтеза параметрически грубых систем модального управления с наблюдателем состояния // Изв. РАН. ТиСУ. 2012. № 5. С. 3–14.
- Анисимов А.А., Тарарыкин С.В. Итерационный метод структурно-параметрического синтеза робастных систем с регулятором состояния // Изв. РАН. ТиСУ. 2018. № 4. С. 42–55.
- Бойченко В.А., Курдюков А.П., Тимин В.Н., Чайковский М.М., Ядыкин И.Б. Некоторые методы синтеза регуляторов пониженного порядка и заданной структуры // Управление большими системами. 2007. Вып. 19. С. 23–126.
- Мироновский Л.А., Соловьев Т.Н. Анализ и синтез модально-сбалансированных систем // А и Т. 2013. № 4. С. 59–79.
- Бирюков Д.С., Дударенко Н.А., Ушаков А.В. Контроль вырождения динамических систем: грамианный подход // Изв. вузов. Приборостроение. 2013. № 4. С. 34–37.
- Oder R., McFarlen D. Balanced Canonical Forms for Minimal System: A Normalized Coprime Factor Approach // Linear Algebra Appl. 1989. V. 122. P. 23–64.
- Moore B.C. Principal Component Analysis in Linear System: Controllability, Observability and Model Reduction // IEEE Trans. Automat. Control. 1981. V. AC–26. P. 17–32.
- Tararykin S.V., Anisimov A.A., Gerasimov A.A. Synthesizing Parametrically Robust Control Systems with State Controllers and Observers Based on Gramian Method // Int. J. Control Autom. Syst. 2019. V. 17. P. 2490–2499.
- Анисимов А.А., Соколов К.Е., Тарарыкин С.В. Разработка робастной системы управления манипуляционным роботом с использованием аппарата грамианов // Изв. РАН. ТиСУ. 2022. № 2. С. 162–176.
- Анисимов А.А., Тарарыкин С.В. Структурно-параметрический синтез; оптимизация и настройка систем управления технологическими объектами. Иваново: ФГБОУ ВПО “Ивановский государственный энергетический университет им. В. И. Ленина”, 2015. 296 с.
- Аполонский В.В., Тарарыкин С.В. Методы структурно-параметрического синтеза робастных систем управления состоянием линеаризуемых динамических объектов. Иваново: ФГБОУ ВО “Ивановский государственный энергетический университет им. В.И. Ленина”, 2018. 168 с.
- Тютиков В.В., Тарарыкин С.В. Робастное модальное управление технологическими объектами. Иваново: ГОУВ ПО “Ивановский государственный энергетический университет им. В. И. Ленина”, 2006. 256 с.
- Лаврентьев М.М. О некоторых некорректных задачах математической физики. Новосибирск: Изд-во СО АН СССР, 1962. 92 с.
- Тихонов А.Н., Арсенин В.Я. Методы решения некорректных задач. 2-е изд. М.: Наука, Физматлит, 1979. 285 с.
- Розенвассер Е.Н., Юсупов Р.М. Чувствительность системы управления. М.: Наука. Физматлит, 1981. 464 с.
Дополнительные файлы









