РОБАСТНОЕ ИНТЕЛЛЕКТУАЛЬНОЕ УПРАВЛЕНИЕ АВТОНОМНЫМ РОБОТОМ: КВАНТОВАЯ САМООРГАНИЗАЦИЯ НЕТОЧНЫХ БАЗ ЗНАНИЙ – ЭКСПЕРИМЕНТ
- Авторы: Решетников А.Г.1,2, Ульянов В.С.3, Ульянов С.В.2
-
Учреждения:
- ГБОУ ВО МО “Университет “Дубна”, Институт системного анализа и управления
- Объединенный институт ядерных исследований (ОИЯИ)
- Московский государственный ун-т геодезии и картографии (МИИГАиК)
- Выпуск: № 5 (2023)
- Страницы: 127-146
- Раздел: ИСКУССТВЕННЫЙ ИНТЕЛЛЕКТ
- URL: https://bakhtiniada.ru/0002-3388/article/view/140347
- DOI: https://doi.org/10.31857/S000233882305013X
- EDN: https://elibrary.ru/OCLHQB
- ID: 140347
Цитировать
Полный текст
Аннотация
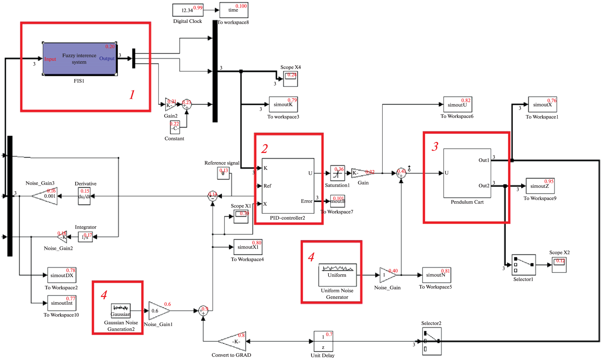
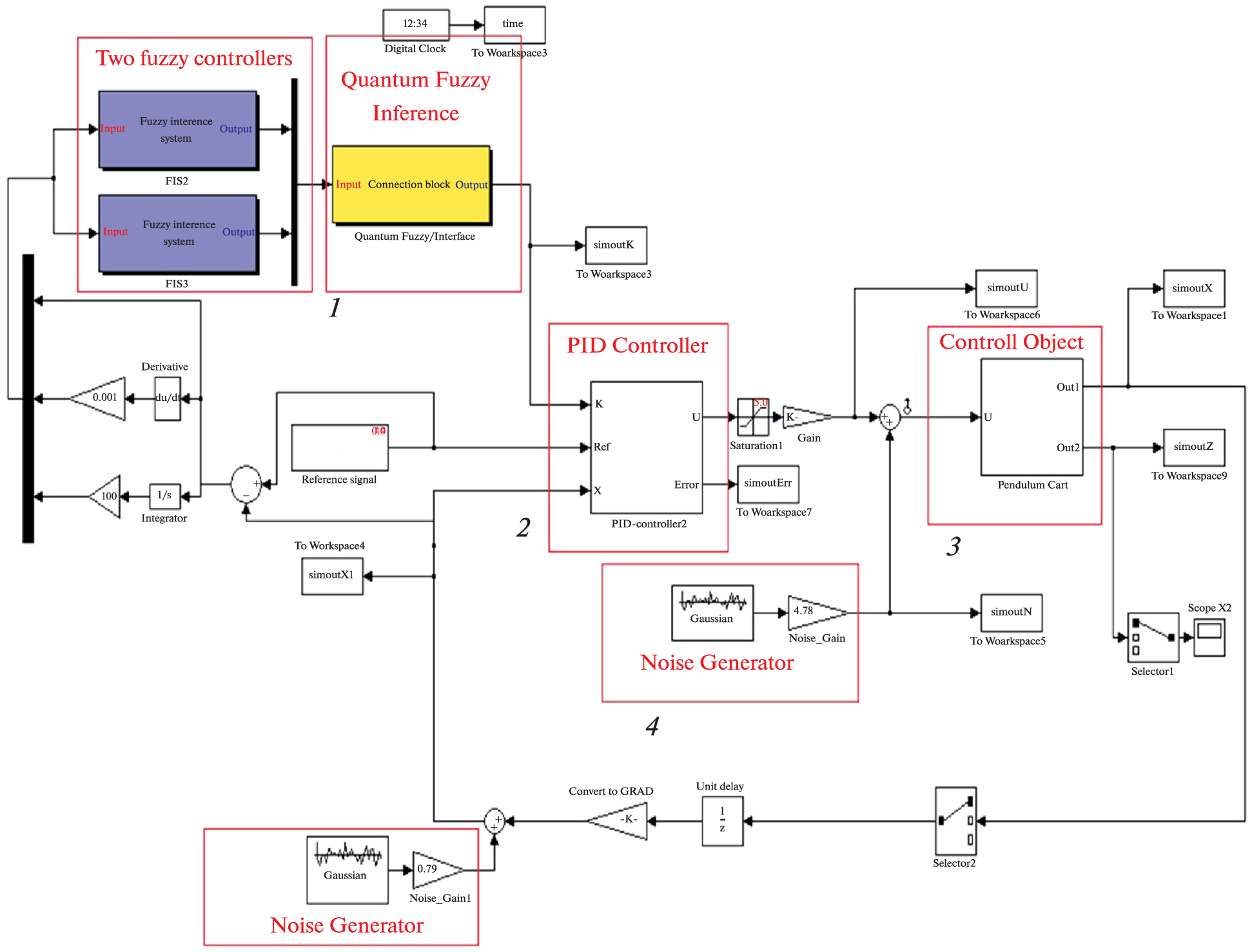
Рассматривается информационная технология проектирования робастной интеллектуальной системы управления на базе квантового нечеткого вывода. Применение разработанной методологии проектирования основано на квантовой самоорганизации неточных баз знаний нечетких регуляторов и приводит к повышению уровня робастности интеллектуальных систем управления в непредвиденных ситуациях. Проводится сравнение результатов математического моделирования и физического эксперимента на примере автономного робота в виде системы “перевернутый маятник–движущаяся каретка”. Получено экспериментальное подтверждение существования синергетического эффекта формирования робастного самоорганизующегося нечеткого регулятора из конечного числа неробастных нечетких регуляторов в реальном времени. Полученный эффект основан на существовании скрытой квантовой информации, извлекаемой из классических состояний процессов изменения во времени коэффициентов усиления регуляторов. Выведенный закон квантовой информационной термодинамики устанавливает возможность формирования термодинамической силы управления за счет извлеченного количества скрытой квантовой информации и совершения дополнительной полезной работы, гарантирующих достижение цели управления на базе повышения уровня робастности самоорганизующегося квантового регулятора. При этом количество совершенной объектом управления полезной работы (на макроуровне) превышает количество работы, затраченной (на микроуровне) квантовым самоорганизующимся регулятором на извлечение квантовой информации, скрытой в реакциях неточных баз знаний без нарушения второго информационного закона термодинамики открытых квантовых систем с обменом информацией запутанных суперкоррелированных состояний. Приведен конкретный пример автономного робота, демонстрирующий существование синергетического эффекта квантовой самоорганизации неточных баз знаний.
Об авторах
А. Г. Решетников
ГБОУ ВО МО “Университет “Дубна”, Институт системного анализа и управления; Объединенный институт ядерных исследований (ОИЯИ)
Email: agreshetnikov@gmail.com
Россия, г. Дубна; Россия, г. Дубна
В. С. Ульянов
Московский государственный ун-т геодезии и картографии (МИИГАиК)
Email: ulyanovik@mail.ru
Россия, Москва
С. В. Ульянов
Объединенный институт ядерных исследований (ОИЯИ)
Автор, ответственный за переписку.
Email: ulyanovsv46_46@mail.ru
Россия, г. Дубна
Список литературы
- Ulyanov S.V. System for Intelligent Control Based on Soft Computing // US patent No 6,415,272 B1, 2003.
- Ulyanov S.V. Soft Computing Optimizer of Intelligent Control System Structures // US Patent No 7,219,087 B2, 2007.
- Ulyanov S.V. System and Method for Control Using Quantum Soft Computing // US Patent No 6,578,018 B1, 2003.
- Ulyanov S.V. Self-organizing Quantum Robust Control Methods and Systems for Situations with Uncertainty and Risk // US Patent No 8788450 B2, 2014.
- Reshetnikov A.G., Ulyanov S.V., Zrelov P.V., Zrelova D.P. INTELLIGENT COGNITIVE ROBOTICS V. III. Quantum Computational Toolkit of Quantum Self-organized Intelligent Control System Simulator: Quantum deep Learning on Quantum-inspired Neural Network and Quantum Genetic Algorithms. M.: Kurs, 2023.
- Ulyanov S.V., Litvintseva L.V., Hagiwara T. Design of Self-organized Intelligent Control System Based on Quantum Fuzzy Inference: Intelligent System of Systems Engineering Approach // Proc. IEEE Intern. Conf. on System, Man and Cybernetics (SMC’2005). Hawaii. USA, 2005. V. 4. P. 3835–3840.
- Litvintseva L.V., Ulyanov I.S., Ulyanov S.V., Ulyanov S.S. Quantum Fuzzy Inference for Knowledge Base Design in Robust Intelligent Controllers // J. Computer and Systems Sciences Intern. 2007. V. 46. № 6. P. 908–961.
- Litvintseva L.V., Ulyanov S.V. Intelligent Control System. I. Quantum Computing and Self-organization Algorithm // J. Comp. and Sys. Sciences Intern. 2009. V. 48. № 6. P. 946–984.
- Ulyanov S.V. Quantum Self-organization of Imperfect Knowledge Bases: Quantum Intelligent Force Control and Information-thermodynamic Law of Extracted Informed Useful Work. Intelligent Cognitive Robotics. V. 2. M.: Kurs, 2022.
- Бутенко А.В., Зрелов П.В., Кореньков В.В., Костромин С.А., Никифоров Д.Н., Решетников А.Г., Семашко С.В., Трубников Г.В., Ульянов С.В. Интеллектуальная система дистанционного управления давлением и расходом жидкого азота в криогенной системе сверхпроводящих магнитов: программно-аппаратная платформа // Письма в ЭЧАЯ. 2023. Т. 20. № 2. С. 247.
- Korenkov V.V., Reshetnikov A.G., Ulyanov S.V., Zrelov P.V., Zrelova D.P. Self-Organized Intelligent Quantum Controller: Quantum Deep Learning and Quantum Genetic Algorithm – QSCOptKBTM Toolkit // Proc. 6th Intern. Workshop on Deep Learning in Computational Physics (DLCP2022). Dubna, 2022.
- Ульянов С.В., Решетников Г.П. Технологии интеллектуальных вычислений: Мягкие и дробные вычисления в интеллектуальном управлении: Учебно-метод. пособие. Дубна: ОИЯИ, 2013. 244 с.
- Ульянов С.В., Решетников А.Г., Решетников Г.П. Технологии интеллектуальных вычислений: Квантовые вычисления и программирование в самоорганизующихся интеллектуальных системах управления. Дубна: ОИЯИ, 2015. 246 с.
- Ulyanov S.V., Reshetnikov A.G., Zrelova D.P. Industrial Robotic Intelligent Robust Control System: Applying Quantum Soft Computing Technologies and Quantum Software Engineering in Unpredicted Control Situations // Программные продукты и системы. 2023. V. 36. № 1. P. 197–206. https://doi.org/10.15827/0236-235X.141.197-206
- Litvintseva L.V., Karatkevich S.G., Ulyanov S.V. Intelligent Control System. II. Design of Self-organized Robust Knowledge Bases in Contingency Control Situations // J. Computer and Systems Sciences Intern. 2011. V. 50. № 2. P. 250–292.
- Ulyanov S.V., Ulyanov V.S., Reshetnikov A.G. Physical Rigidity and Mathematical Correctness of the Intelligent Robot Model: Adequacy to a Physical Object and Accuracy of Motion Dynamic System Equations – Method of Deep Machine Learning Based on Lagrangian Neural Networks // System Analysis in Science and Education. 2021. № 1. P. 1–41 (In Russ). Available from: http://sanse.ru/download/458.
- Litvintseva L.V., Ulyanov S.V., Ulyanov S.S. Design of Robust Knowledge Bases of Fuzzy Controllers for Intelligent Control of Substantially Nonlinear Dynamic Systems: II. A Soft Computing Optimizer and Robustness of Intelligent Control Systems // J. Computer and Systems Sciences Intern. 2006. V. 45. № 5. P. 744–771.
- Dong D., Chen Ch., Chen Z., Zhang Ch. Quantum Mechanics Helps in Learning for More Intelligent Robots // Chin. Phys. Lett. 2006. V. 23. № 7. P. 1691–1694.
- Lukac M., Perkowski M. Inductive Learning of Quantum Behaviors // Facta Universitatis. 2007. V. 20. № 3. P. 561–586.
- Kagan E., Ben G.I. Navigation of Quantum-controlled Mobile Robots // Recent Advances in Mobile Robotics. 2011. V. 15. P. 311–220.
- Bannikov A., Egerton S., Callaghan V., Johnson B.D. Quantum Computing: Non-deterministic Controllers for Artificial Intelligent Agents // Proc. 5th Intern. Wokshop Artif. Intell. Techniques for Ambient Intelligence (AITAm’10). Kuala Lumpur. Malasia, 2010.
- Chatzis S.P., Korkinof D., Demiris Y. A Quantum-statistical Approach Toward Robot Learning by Demonstration. // IEEE Transactions on Robotics. 2012. V. 28. № 6. P. 1371–1381.
- Mannone M., Seidita V., Chella A. Categories, Quantum Computing, and Swarm Robotics: A Case Study // Mathematics. 2022. V. 10. P. 372. https://doi.org/10.3390/ math10030372
- Li Y., Hghvami A., Dong D. Intelligent Trajectory Planning in UAV-mounted Wireless Networks: A Quantum-Inspired Reinforcement Learning Perspective // arXiv:2007.13418v2 [eess.SP] 2 Mar 2021.
- Kumar A., Pacheco D., Kaushik K., Rodrigues J. Futuristic View of the Internet of Quantum Drones: Review, Challenges and Research Agenda // Vehicular Communications. 2022. V. 36. P. 100487. https://doi.org/10.1016/j.vehcom.2022.100487
- Li J.-A., Dong D., Wei Z., Liu Y. Quantum Reinforcement Learning During Human Decision Making // Nature Human Behaviour. 2020. V. 4. P. 294–307. URL: www.nature.com/nathumbehav.
- Lamata L., Qaudrelli M., W. de Silva C., Kumar P. Quantum Mechatronics // Electronics. 2021. V. 10. P. 2483. https://doi.org/10.3390 /electronics10202483
- Qiao L.-F., Gao J., Jiao Z., Zhang Z. Quantum Go Machine // arXiv:2007.12186v1 [quant-ph] 23 Jul 2020.
- Widdows D., Rani J., Pothos E. Quantum Circuit Components for Cognitive Decision Making // arXiv:2302.03012v1 [quant-ph] 6 Feb 2023.
- Domino K., Koniorczyk M., Krawiec K., Jalowiecki K. Quantum Annealing in the NISQ Era: Railway Conflict Management // Entropy. 2023. V. 25. P. 191. https://doi.org/10.3390/ e25020191
- Huang, Z., Li Q., Zhao J., Song M. Variational Quantum Algorithm Applied to Collision Avoidance of Unmanned Aerial Vehicles // Entropy. 2022. V. 24. P. 1685; https://doi.org/10.3390/e24111685
- Atchade P., Alonso-Linaje G., Albo-Canals J., Casado-Fauli D. qRobot: A Quantum Computing Approach in Mobile Robot Order Picking and Batching Problem Solver Optimization // Algorithms. 2021. V. 14. P. 194. https://doi.org/10.3390/a14070194
- Vella F., Chella A., Gaglio S., Pilato G. A Quantum Planner for Robot Motion // Mathematics. 2022. V. 10. P. 2475.https://doi.org/10.3390/math10142475
- Korenkov V.V., Reshetnikov A.G., Ulyanov S.V., Zrelov P.V., Zrelova D.P. Self-Organized Intelligent Quantum Controller: Quantum Deep Learning and Quantum Genetic Algorithm – QSCOptKBTM Toolkit // Proc. 6th Intern. Workshop on Deep Learning in Computational Physics (DLCP2022). Dubna. JINR, 2022.
- Кореньков В.В., Решетников А.Г., Ульянов С.В., Зрелов П.В., Зрелова Д.П. Интеллектуальное роботизированное управление в экстремальных ситуациях на основе квантовых самоорганизующихся контроллеров // Сб. тез. 33-й междунар. научно-техн. конф. “Экстремальная робототехника”. С.-П., 2021. С. 224–225.
Дополнительные файлы




























