ОПТИМАЛЬНОЕ КОМПЛЕКСИРОВАНИЕ ИЗМЕРИТЕЛЕЙ ПРИ СОПРОВОЖДЕНИИ МАНЕВРИРУЮЩЕГО ОБЪЕКТА В СТАТИСТИЧЕСКИ НЕОПРЕДЕЛЕННЫХ СИТУАЦИЯХ
- Авторы: Детков А.Н.1
-
Учреждения:
- ФАУ “ГосНИИАС”
- Выпуск: № 1 (2023)
- Страницы: 28-43
- Раздел: УПРАВЛЕНИЕ В СТОХАСТИЧЕСКИХ СИСТЕМАХ И В УСЛОВИЯХ НЕОПРЕДЕЛЕННОСТИ
- URL: https://bakhtiniada.ru/0002-3388/article/view/136847
- DOI: https://doi.org/10.31857/S0002338822060075
- EDN: https://elibrary.ru/BHHBHH
- ID: 136847
Цитировать
Полный текст
Аннотация
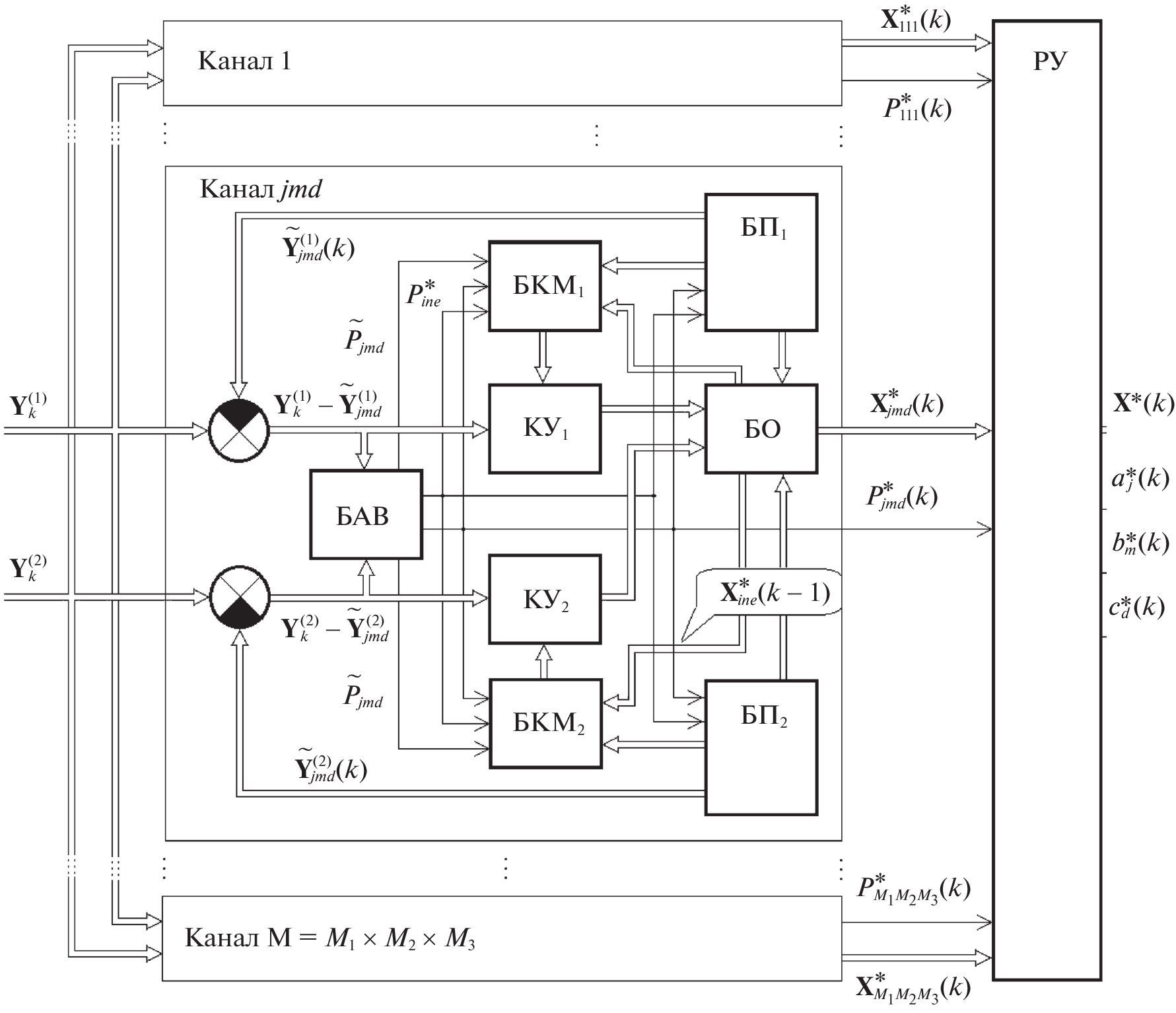
Методами марковской теории оценивания случайных процессов решена задача синтеза оптимальных и квазиоптимальных алгоритмов комплексной обработки информации при сопровождении маневрирующего объекта и двухканальном векторном наблюдении с нарушениями в статистически неопределенных ситуациях. Задача решена применительно к дискретно-непрерывному марковскому процессу для случая, когда его непрерывная часть представляет собой векторную марковскую последовательность, а дискретная часть характеризуется трехкомпонентным дискретным марковским процессом, каждая компонента которого описывается цепью Маркова на несколько положений. Приводится структурная схема квазиоптимальной комплексной обработки информации. На простом примере методом имитационного моделирования показана работоспособность квазиоптимального алгоритма в статистически неопределенных ситуациях.
Об авторах
А. Н. Детков
ФАУ “ГосНИИАС”
Автор, ответственный за переписку.
Email: detkov@gosniias.ru
Россия, Москва
Список литературы
- Бар-Шалом Я., Ли Х.-Р. Траекторная обработка: принципы, способы и алгоритмы. Пер. с англ. Д.Д. Дмитриева. М.: МГТУ им. Н.Э. Баумана, 2011.
- Bar-Shalom Y., Kirubarajan T., Li X.R. Estimation with Applications to Tracking and Navigation. N.Y.: Wiley, 2001.
- Sutton Z., Willett P., Bar-Shalom Y. Target Tracking Applied to Extraction of Multiple Evolving Threats From a Stream of Surveillance Data // IEEE Transactions on Computational Social Systems. 2021. V. 8. № 2. P. 434–450.
- Schoenecker S., Willett P., Bar-Shalom Y. Resolution Limits for Tracking Closely Spaced Targets // IEEE Transactions on Aerospace and Electronic Systems. 2018. V. 54. № 6. P. 2900–2910.
- Gao Y., Liu Y., Li, X.R. Tracking-Aided Classification of Targets Using Multihypothesis Sequential Probability Ratio Test // IEEE Transactions on Aerospace and Electronic Systems. 2018. V. 54. № 1. P. 233–245.
- Aftab W., Mihaylova L. A Learning Gaussian Process Approach for Maneuvering Target Tracking and Smoothing // IEEE Transactions on Aerospace and Electronic Systems. 2021. V. 57. № 1. P. 278–292.
- Buelta A., Olivares A., Staffetti E., Aftab W., Mihaylova L. A Gaussian Process Iterative Learning Control for Aircraft Trajectory Tracking // IEEE Transactions on Aerospace and Electronic Systems. 2021. V. 57. № 6. P. 3962–3973.
- Миронов М.А. Марковская теория оптимального оценивания случайных процессов. М.: Изд-во ФГУП “ГосНИИАС”, 2013.
- Rezaie R., Li X.R. Destination-Directed Trajectory Modeling, Filtering, and Prediction Using Conditionally Markov Sequences // IEEE Transactions on Aerospace and Electronic Systems. 2021. V. 57. № 2. P. 820–833.
- Li S., Cheng Y., Brown D., Tharmarasa R. Comprehensive Time-Offset Estimation for Multisensor Target Tracking // IEEE Transactions on Aerospace and Electronic Systems. 2020. V. 56. № 3. P. 2351–2373.
- Kowalski M., Willett P., Fair T., Bar-Shalom Y. CRLB for Estimating Time-Varying Rotational Biases in Passive Sensors // IEEE Transactions on Aerospace and Electronic Systems. 2020. V. 56. № 1. P. 343–355.
- Taghavi E., Tharmarasa R., Kirubarajan T., Bar-Shalom Y. Track-to-Track Fusion with Cross-covariances from Radar and IR/EO Sensor // 22th Intern. Conf. on Information Fusion (FUSION). Ottawa, ON, Canada, 2019.
- Rashid M., Ali Sebt M. Tracking a Maneuvering Target in the Presence of Clutter by Multiple Detection Radar and Infra-red Sensor // 25th Iranian Conf. on Electrical Engineering (ICEE). Tehran, Iran, 2017. P. 1917–1922.
- Детков А.Н. Оптимальное оценивание дискретно-непрерывных марковских процессов по наблюдаемым цифровым сигналам // РЭ. 2021. Т. 66. № 8. С. 748–759.
- Детков А.Н. Оптимизация алгоритмов цифровой фильтрации смешанных марковских процессов при сопровождении маневрирующего объекта // Изв. РАН. ТиСУ. 1997. № 2. С. 73–80.
- Тихонов В.И., Миронов М.А. Марковские процессы. М.: Сов радио, 1977.
- Бухалёв В.А. Распознавание, оценивание и управление в системах со случайной скачкообразной структурой. М.: Наука, 1996.
- Руденко Е.А. Конечномерные рекуррентные алгоритмы оптимальной нелинейной логико-динамической фильтрации // Изв. РАН. ТиСУ. 2016. № 1. С. 43–65.
- Жук С.Я. Методы оптимизации дискретных динамических систем со случайной структурой. Киев: НТУУ “КПИ”, 2008.
- Репин В.Г., Тартаковский Г.П. Статистический синтез при априорной неопределенности и адаптация информационных систем. М.: Сов. радио, 1978.
- Гантмахер Ф.Р. Теория матриц. М.: Физматлит, 2010.
Дополнительные файлы





