Determination of Electrodynamic Forces between Coaxial Coil Turns with Current of Various Configuration
- Authors: Tsitsikyan G.N.1, Antipov M.Y.1
-
Affiliations:
- SET Branch of KSRC
- Issue: No 1 (2023)
- Pages: 72-78
- Section: Articles
- URL: https://bakhtiniada.ru/0002-3310/article/view/136948
- DOI: https://doi.org/10.31857/S0002331022060048
- EDN: https://elibrary.ru/BIIHAC
- ID: 136948
Cite item
Full Text
Abstract
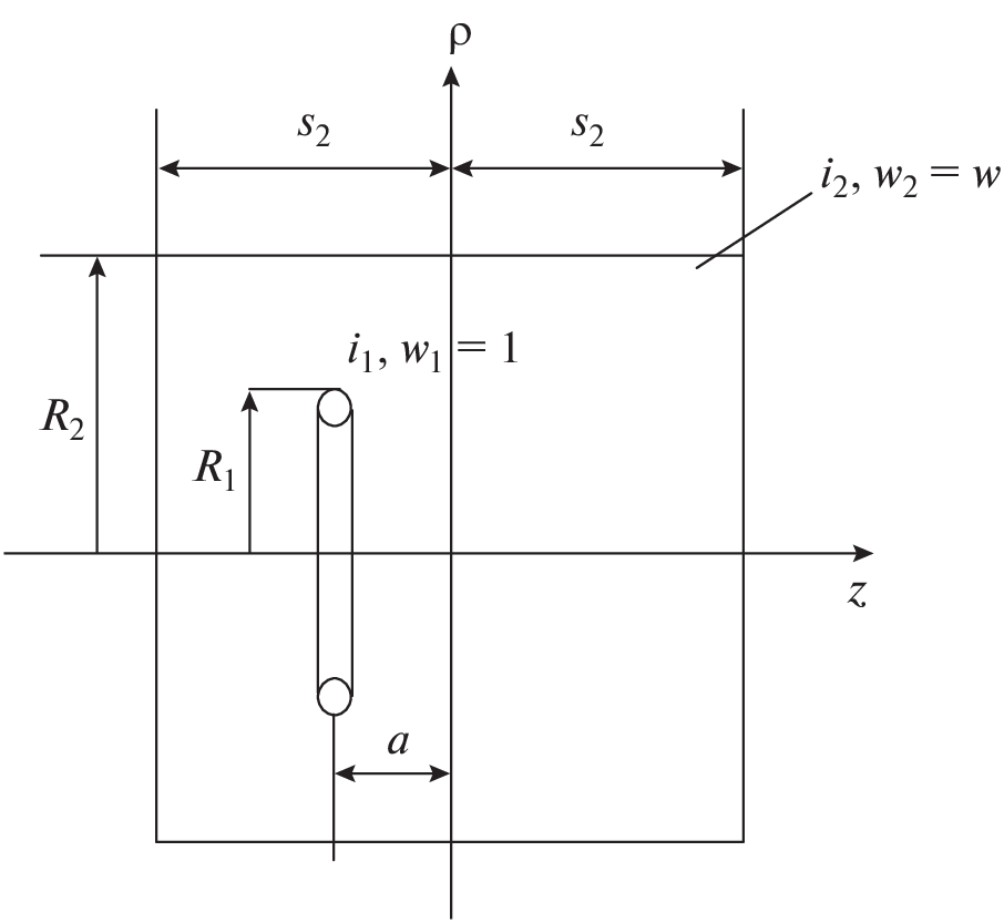
Determination of electrodynamic forces, as may be required for various practical purposes, is based on known calculation recommendations for mutual inductance coefficients, including the calculation methods with special functions, like complete elliptic integrals of the 1st and the 2nd kind, as well as spherical Legendre functions of the 2nd kind with half-integer index [1–5]. Some examples of practical tasks requiring these calculations are the assessments of mutual inductances in non-contact chargers, as well as the assessments of electrodynamic interactions in the windings of transformers, inductors, various solenoid-based loading devices, electric drives, etc. These applications are discussed in numerous publications and guides, e.g. [6–9].
About the authors
G. N. Tsitsikyan
SET Branch of KSRC
Author for correspondence.
Email: G_Tsitsikyan@ksrc.ru
Russia, St. Petersburg
M. Yu. Antipov
SET Branch of KSRC
Author for correspondence.
Email: posich@mail.ru
Russia, St. Petersburg
References
- Справочник по специальным функциям с формулами, графиками и математическими таблицами. Под ред. М. Абрамовица и Н. Стиган. Перевод на русский язык. Москва “Наука”. ГРФМЛ, 1979, 832 стр.
- Калантаров П.Л., Цейтлин Л.А. Энергоатомиздат Ленингр. отд. 1986. 488 с.
- Garrett M.W. Calculation of Fields, forces, and Mutual Inductences of Current Systems by Elliptic Integrals, Journal of Applied Physics, V. 34. № 9. 1963. pp. 2567–2573.
- Chester Snow Formulas for Computing Capacitance and Inductance. National Bureau of Standards, Circular 544. P. 1954–69.
- Цицикян Г.Н. О коэффициентах взаимной индукции и силах взаимодействия круговых коаксиальных контуров. Электричество. 2019. № 6. с. 59–65.
- Цицикян Г.Н. Взаимные индуктивности и силы взаимодействия соосных контуров, соленоидов и катушек. Изв. АН СССР. Энергетика и транспорт. № 6. 1985. с. 90–99.
- Цицикян Г.Н., Бобровников П.В., Антипов М.Ю. Руководство по расчету индуктивности и электродинамических сил в токоведущих частях электротехнических комплексов. Монография. – СПб. ФГУП “Крыловский государственный научный центр” 2020, 118 с.
- Raju S., Wu R., Chan M., Patrick Yue C. Modeling of mutual coupling between planar inductors in wireless power electronics. V. 20. № 1. Yanuary 2014. pp. 481–490.
- Lee S.-H., Lorenz R.D. Development and Validation of Model for 95%-Efficiency 220-W Wireless Power Transfer Over a 30-cm Air Gap. IEEE Trans. on Industry Applications, V. 47. № 6. Nov/Dec 2011. pp. 1495–2504.
Supplementary files





