Разработка системы управления дугогасящим реактором
- Авторы: Сафонов Д.Г.1
-
Учреждения:
- ФГАОУ ВО «Омский государственный технический университет»
- Выпуск: Том 19, № 3 (2023)
- Страницы: 136-142
- Раздел: ЭЛЕКТРОЭНЕРГЕТИКА
- URL: https://bakhtiniada.ru/1816-9228/article/view/253742
- DOI: https://doi.org/10.18822/byusu202303136-142
- ID: 253742
Цитировать
Полный текст
Аннотация
Предмет исследования: система автоматического регулирования дугогасящего реактора.
Цель исследования: разработка системы автоматического регулирования дугогасящего реактора для повышения эффективности работы электрической сети.
Объект исследования: электрические сети 6-35 кВ с компенсированной нейтралью через дугогасящий реактор.
Методы исследования: основные положения теории электрических цепей, математического анализа и моделирования, численного программирования.
Основные результаты исследования: в статье предложена уточненная математическая модель распределительной сети с дугогасящим реактором, позволяющая повысить точность определения параметров сети, в том числе напряжения смещения нейтрали. Алгоритм настройки реактора по экстремальному методу при отсутствии однофазного замыкания на землю в распределительной сети с высокой естественной несимметрией.
Ключевые слова
Полный текст
Введение
Способ заземления нейтрали через дугогасящий реактор является наиболее эффективным, так как включает в себя большое количество достоинств. Но при неправильном использовании его достоинства просто сводятся к нулю. В России всё чаще стали использовать заземление нейтрали через дугогасящий реактор в сетях среднего напряжения. Но из-за недостатка качественного оборудования и недостаточной настройки компенсации многие специалисты считают данный способ заземления не то чтобы неэффективным, а более того, – негативно сказывающимся на работе электрической сети среднего напряжения. Именно из-за этого необходимо более подробно рассматривать данные сети, производить анализ работы электрической сети и математический расчёт режимов работы электрической сети. Посредством данного анализа и математического расчёта будет доступна полная картина работы электрической сети. А из этого можно делать выводы о параметрах настройки компенсации и работы дугогасящего реактора в целом [6].
Существующие различные методы определения емкостного тока замыкания на землю, которые возможно классифицировать следующим образом: по модели сети; по реактивным проводимостям; по фазовым характеристикам; по амплитудным (экстремальным) характеристикам; по частотным параметрам; по постоянной времени восстановления напряжения поврежденной фазы; по соотношению величин параметров нулевой последовательности сети [7].
Результаты и обсуждение
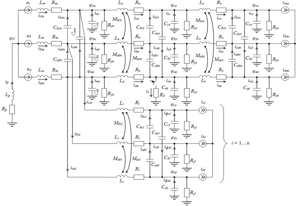
На первоначальном этапе исследования разработаем математическую модель для исследования электрической сети с компенсацией емкостных токов замыкания на землю с помощью дугогасительного реактора. Схему замещения представим в трехфазном исполнении с поперечными ветвями, моделирующими ёмкостную и активную проводимости, учитывая при этом магнитосвязанные цепи.
Рисунок 1 – Схема замещения электрической сети 35 кВ с компенсированной нейтралью
Математическая модель источника задается синусоидальными ЭДС.
Уравнение потенциала нейтрали представлена в виде [6]:
(1)
где iaт, ibт, icт – фазные токи в обмотке низшего напряжения питающего трансформатора; Rр, Lр – активное сопротивление и индуктивность реактора; Rт, Lт – активное сопротивление и индуктивность рассеяния обмотки низшего напряжения питающего трансформатора; φaн, φbн, φcн – потенциалы на выводах трансформатора, – ЭДС в обмотках низшего напряжения питающего трансформатора [6].
Фазные падения напряжения в поврежденной линии от ее начала до точки замыкания представлены уравнениями:
(2)
(3)
(4)
Для поперечных ветвей дифференциальные уравнения могут быть представлены в следующем виде:
(5)
(6)
(7)
Принимая во внимание, что дугогасящий реактор настраивается на фазную ёмкость некоторым рассогласованием (не более 0,1), то при выделении поврежденной линии уравнение настройки реактора будет иметь следующий вид:
(8)
Для определения начальных условий необходимо рассчитать предшествующий установившийся режим. Расчет производится согласно схеме замещения (рис. 1) при отсутствии замыкания на землю.
При вычислении токов нагрузки исключается сначала составляющая напряжений нулевой последовательности, а затем составляющая токов нулевой последовательности. Модель нагрузки имеет вид:
(9)
(10)
(11)
(12)
(13)
(14)
(15)
Для тока фазы «А» в начале i-той линии по первому закону Кирхгофа можно записать в следующем виде:
(16)
Напряжение смещения и напряжения в начале линии определяются уравнениями:
(17)
(18)
(19)
(20)
На принципиальной схеме управления плунжерным дугогасящим реактором (рис. 2) в цепи силовой обмотки реактора установлен трансформатор тока. Для обратной связи по напряжению используется обмотка трансформатора напряжения с схемой соединения «разомкнутый треугольник». Блок логики определяет алгоритм взаимодействия измерительных блоков и блока управления приводом плунжера. Генератор импульсов возмущения, подключенный к сигнальной обмотке ДГР, имеет прямую связь с измерительным блоком частоты свободных колебаний в контуре нулевой последовательности и связь через блок логики.
В устройствах настройки компенсации по экстремальным характеристикам сети (в нормальном режиме ее работы) определяют экстремум напряжения нейтрали или тока дополнительного источника непромышленной частоты, вводимого в нейтраль сети, а при замыкании на землю – минимум напряжения поврежденной фазы. Известны системы настройки компенсации с использованием экстремальных характеристик контура нулевой последовательности сети и контура «заземляющий трансформатор – сеть» [4].
В работе [5] представлен подход, основанный на теории вейвлет-преобразования, где частота контура нулевой последовательности выделяется с помощью дискретного вейвлет-преобразования. В статье [1] разработан алгоритм интервальной оценки параметра активного сопротивления потерь и индуктивности для решения задачи управления дугогасящего реактора. Основные принципы применения искусственного интеллекта в задаче управления компенсацией емкостного тока представлены в работе [2].
В нормальном режиме работы электрической сети (при отсутствии замыкания на землю) должна быть выполнена предварительная настройка дугогасящего реактора в резонансный режим по условию величины напряжения смещения нейтрали U0 в соответствии с предлагаемым алгоритмом (рис. 3).
Рисунок 3 – Блок-схема алгоритма системы управления ДГР по экстремальному методу
Разработанная в статье математическая модель и блок управления дугогасящим реактором позволяет повысить эффективность распределительных электрических сетей среднего напряжения при возникновении однофазных замыканий на землю.
Заключение и выводы
- Для повышения точности расчета режима распределительной сети 35 кВ и напряжения смещения нейтрали необходим учет в схеме замещения взаимных междуфазных индуктивностей воздушных линий, а также междуфазные и фазные ёмкости линий, так как по величине напряжения смещения нейтрали производится настройка реактора при отсутствии замыкания на землю.
- Разработана модель для расчета начальных условий, представляющая собой систему уравнений установившегося режима сети до возникновения замыкания. Данная модель, в отличие от представленных ранее, учитывает несимметрию линий и составлена на основе метода фазных координат. Кроме определения начальных условий, эта модель имеет самостоятельное значение: она позволяет определить (или проверить) допустимую расстройку реактора по уровню напряжения смещения нейтрали в нормальном режиме.
Результаты работы могут быть использованы в организациях, эксплуатирующих дугогасящие реакторы в распределительных сетях 6-35 кВ, а также в научных организациях, занимающихся разработкой алгоритмов систем управления реакторами.
Об авторах
Дмитрий Геннадьевич Сафонов
ФГАОУ ВО «Омский государственный технический университет»
Автор, ответственный за переписку.
Email: safonovdg@mail.ru
кандидат технических наук, доцент
Россия, ОмскСписок литературы
- Дементий, Ю. А. Интеллектуальный алгоритм интервальной оценки параметров дугогасящего реактора / Ю. А. Дементий, Е. В. Шорников, К. П. Николаев. – Текст : непосредственный // Вестник Чувашского университета. – 2021. № 3. С. 64-72.
- Дементий, Ю. А. Элементы искусственного интеллекта в управлении компенсацией ёмкостного тока однофазного замыкания на землю / Ю. А. Дементий. – Текст : непосредственный // Релейная защита и автоматизация. – 2021. – №3 (44). С. 38-44.
- Зиганшин, А. Г. Использование быстрого преобразования Фурье для управления дугогасящим реактором с подмагничиванием / А. Г. Зиганшин, И. Ш. Фардиев, И. Н. Степанов, Г. М. Михеев, В. Л. Чепайкин, Н. П. Кадеев. – Текст : непосредственный // Электрические станции. – 2023. – № 1 (1098). С. 30–34.
- Миронов, И. А. Дугогасящие реакторы в сетях 6–35 кВ. Автоматическая компенсация емкостного тока / И. А. Миронов. – Текст : непосредственный // Новости электротехни-ки. – 2007. – № 5 (47). http://news.elteh.ru/arh/2007/47/06.php (дата обращения 01.09.2023).
- Осипов, Д. С. Разработка алгоритма автоматической настройки компенсации ёмкостных токов на основе существующих методов / Д. С. Осипов, С. Ю. Долингер, Д. Г. Сафонов. – Текст : непосредственный // Омский научный вестник. – 2016. – №4 (148). С. 58–60.
- Сафонов, Д. Г. Управление компенсацией емкостных токов в электрических сетях сред-него класса напряжения при однофазных замыканиях на землю: 05.14.12 «Электрические станции и электроэнергетические системы»: автореферат диссертации на соискание ученой степени кандидата технических наук. Омск. – 2019. – Текст : непосредственный.
- Сирота, И. М. Режимы нейтрали электрических сетей / И. М. Сирота, С. Н. Кисленко, А. М. Михайлов. – Киев : Наукова думка, 1985. – 264 с. – Текст : непосредственный.
Дополнительные файлы




